
1. 前言
2. 小便器的分类及形状尺寸
3.小便器的安装尺寸指引
4. 小便器通用施工图
1.前言
1.1为满足不同身高的小便器尺寸,贯彻国家技术经济政策,规范设计,保证安全、适用、环保,制定本标准。
1.2 本标准指引适用于所有新建、扩建和改建的设计项目。
2. 小便器的分类及安装尺寸指引
小便器是装在卫生间墙上的固定物,多用于 公共卫生间 中。
小便器常见的安装方式可以分为: 落地式,壁挂式。
我方建议:小便器宜采用壁挂式便斗、自动感应冲水器。

▲落地式、壁挂式小便器

▲家庭卫生间小便器

▲公共卫生间小便器

▲不同形状尺寸的小便器
3. 小便器的安装尺寸指引
根据《民用建筑设计统一标准》规范的规定:

1.并列小便器的中心距离不应小于 700mm ;
2. 成人小便器 安装高度宜为小便器开口点心离地 600mm ;
3. 儿童小便器 的安装高度宜为小便器开口点离地 300mm ;
4.小便器前要预留不应少于 450mm活动空间;
5.自动感应冲水器的隔墙宽度宜为 100mm ;高度宜为 1400mm ;
6.自动感应冲水器 的安装高度宜为 1200mm ;

△成人/儿童小便器开口点离地安装高度

△平面图

△正立面

△侧立面

△平面图

△正立面

△侧立面
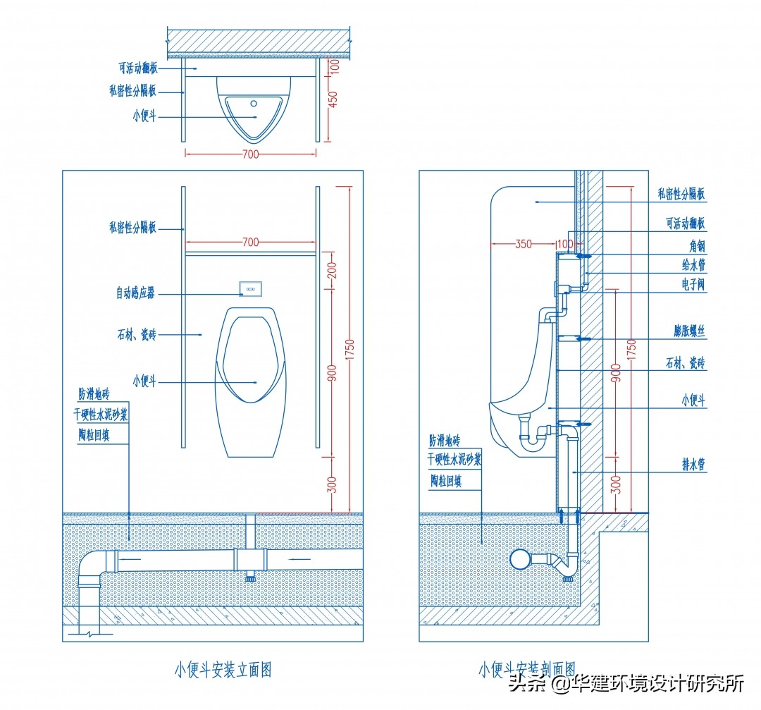
4. 小便器通用施工图
整体存水弯卫生陶瓷的水封深度不宜小于50mm,
小便器排污管直径应为DN50。

△小便器通用施工图

△小便器顶进水方式通用施工图

△小便斗后进水方式通用施工图

△小便器明装感应阀通用施工图
以上小便器图纸只作示意参考
具体尺寸应以各厂家规格尺寸为准
如需*载下**这套施工图
可到华建工艺学会官网*载下**
本规范主编单位
华建施工工艺学会
本规范参编单位
华建环境设计(广州)有限公司
广州市祺丽装饰工程有限公司
本规范主要起草人员
黄志钦 陈韬 黄绿青 梁薇 范丝燕
苏韵涛 邓楚颖 黄海丽 冯敏婷
本规范主要审核人员
张镜华 卢瑶林 廖炽伟
发布于2021年3月
“小便器设计安装标准指引HJSJ—2021”
用于各大院校装饰设计专业教学使用
文案由华建工艺学会的团队制作发布
主要面向学生
由于文案的教学特点
它的内容可以自由复制、打印和分发
禁止商业用途
