石墨耐高温轴承座 UCF208/VA208 方形带座外球面轴承 FY40TF/VA208,江苏鲁岳轴承制造有限公司生产的耐高温轴承、不锈钢轴承、方形带座外球面轴承 FY40TF/VA208,适用于钢厂冶金、锅炉风机、窑炉窑车、液氮设备、喷涂线、输送机、真空镀膜机、机械设备等高温作业机械。

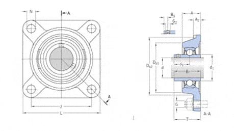
带紧定螺钉锁紧的方形法兰式 JIS 标准铸铁轴承座球高温轴承单元
这种方形法兰式球轴承单元设计用于承受高温应用,符合 ISO 标准。 包括带加长内圈的高温嵌入式轴承和紧定螺钉锁紧装置,适合旋转方向固定或交替的应用。 轴承安装在铸铁轴承座内,可通过螺栓安装到机器侧壁或框架上。 球轴承单元能承受中等初始不对中,但通常不允许出现轴向位移。
可承受较高污染
设计用于高温高速设备应用
可承受较重的载荷
性价比高



SIAIF方形带座外球面轴承 FY40TF/VA208 详细参数
耐高温石墨自润滑方形带座外球面轴承选江苏鲁岳轴承制造有限公司,SIAIF耐高温轴承厂家主要生产耐高温轴承、不锈钢轴承、方形带座外球面轴承FY40TF/VA208,SIAIF方形带座外球面轴承FY40TF/VA208产品相关信息:型号:FY40TF/VA208, 品牌:SIAIF轴承 , 类型:方形带座外球面轴承 , 内径:40mm , 外径:130mm , 厚度:54.2mm , 想要更多的了解无锡SIAIF方形带座外球面轴承FY40TF/VA208的相关产品信息,可以拨打服务热线 ,我们会为您详细介绍产品的相关服务。
江苏鲁岳轴承制造有限公司生产的SIAIF方形带座外球面轴承 FY40TF/VA208 使用范围很广,主要应用于钢厂冶金、玻璃、高炉、喷漆设备、矿山机械、输送机、传输装置、锅炉风机、真空设备、窑炉窑车、机床设备、工程机械、输送设备、颗粒机、振动筛、汽车、石油、电力、电机、风电设备等高温作业机械。本公司生产的SIAIF方形带座外球面轴承FY40TF/VA208产品价格合理,保证质量,满足客户的产品工艺需求。
