SPD是Surge Protective Device的简写,中文名称有:电涌保护器、浪涌保护器、防雷栅、雷电浪涌防护器、防雷器等。
SPD浪涌保护器其内部包含至少一个非线性元件。当电涌出现时,SPD能在极短的时间导通,将电流泄放到地,其响应时间为ns级(10-9S),而电涌的上升速度一般为μs级(10-6S),因此SPD可以把电压限制在安全的水平,起到保护设备的作用。
SPD浪涌保护器可以理解为一个“瞬时接地设备”,对于不带电的物体如设备外壳、管道等,一般可以直接接地,而对于带电的线路,通过SPD来“瞬时接地”。
SPD浪涌保护器内部常用的非线性元器件有TVS(瞬态抑制二极管)、压敏电阻(MOV)和气体放电管(GDT)。

这几种元件中,TVS响应最快,但放电电流较小,GDT放电能力大,但是响应较慢,MOV的放电能力和响应速度均居中。
SPD种类繁多,从应用的角度,我们可以把SPD分为电源SPD和信号网络SPD。两者最主要的区别在于:
1) 电源回路工作电流大,而信号网络回路工作电流较小。
2) 电源SPD要求的放电电流较大,而信号网络回路要求的放电电流较小。
在实际应用中,电源SPD一般并联安装,采用MOV单级保护。
采用并联安装,是因为电源回路工作电流大,如采用串联安装,则SPD需要承受很大的回路工作电流。
采用MOV,是因为TVS放电能力不足,而GDT存在工频续流问题。采用单级保护(且不同级之间要求间隔一定的距离),是为了满足能量协调要求(后附工频续流和能量协调概念解释)。
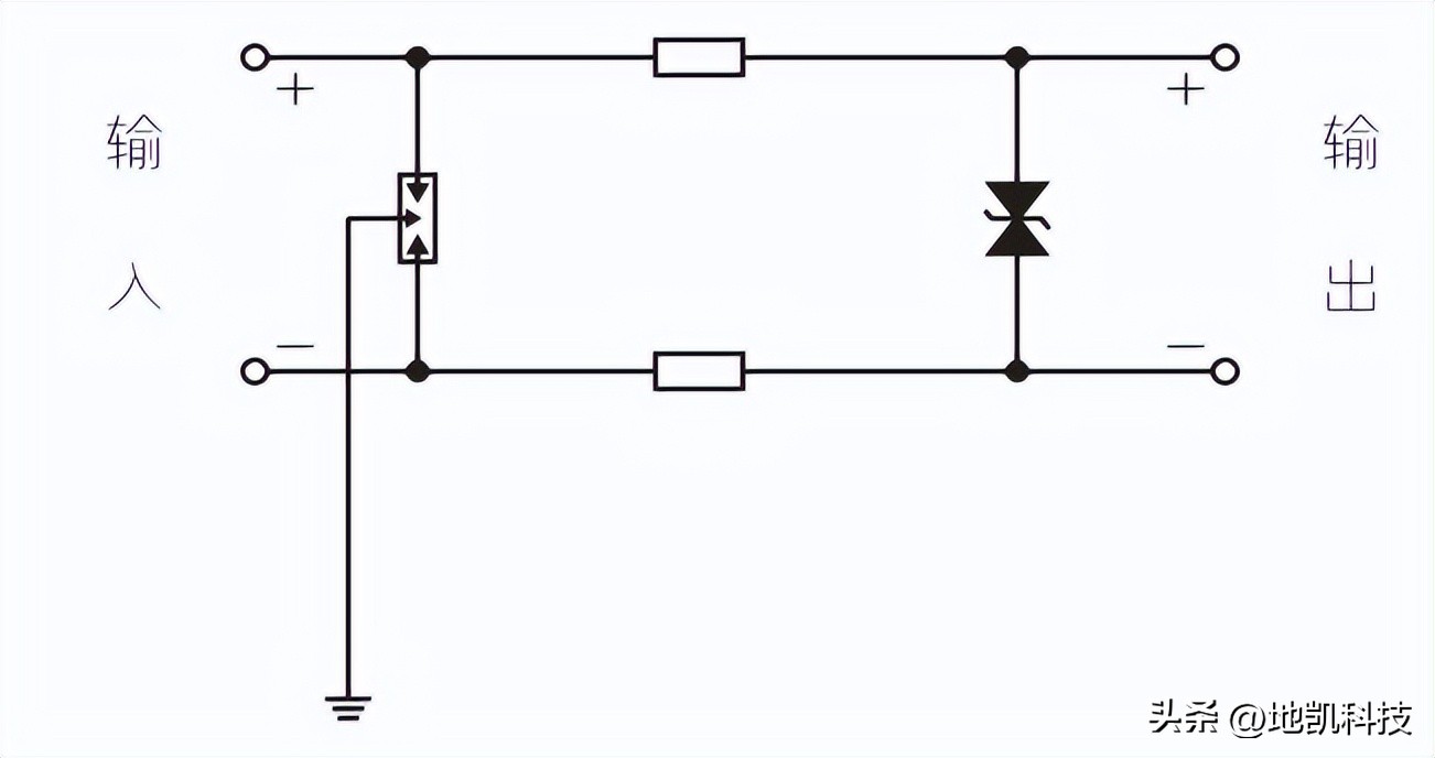
地凯科技信号SPD浪涌保护器一般采用串联安装方式,采用GDT和TVS两级保护。SPD可以用串联安装方式。
采用串联安装方式,首先是因为信号回路电流小,另外串联安装可以做到多级保护,并且满足能量协调。
采用GDT(和TVS)而不采用MOV,是因为MOV结电容较高,且放电能力相同的情况下,其尺寸比GDT大很多。另外,信号回路由于电流(电压)较小,使用GDT时也一般不需要担心工频续流问题。
补充知识1:什么是工频续流?
GDT(气体放电管),属于开关型元件,其开关状态取决于其内部空气是否被击穿。使用开关型元件的SPD称作开关型SPD。开关型,顾名思义,就是工作在“开”和“关”两种状态。
当电力线上的电压低于其开启电压时,其工作在“开”(高阻)的状态,当电力线电压高于其开启电压时(如电涌产生),其工作在“关”(导通)的状态,可以泄放很大的电流。开关型元件的导通状态通常是气体弧光放电的过程,因为维持弧光放电的电压只需要几十伏(通常低于电力线的额定工作电压),所以在电涌消失后,施加在SPD上的电力线电压使得弧光放电得以维持,这就是工频续流。工频续流会使得在电涌消失后,SPD无法返回到开路(高阻)状态,造成SPD发热甚至炸裂,引发火灾事故。所以开关型SPD一般只用于电源系统N-PE之间(或低压低流的信号系统中),如果要应用在电力线上,其必须具备续流遮断能力。
补充知识2:什么是能量协调?
所谓能量协调,就是多级SPD或保护元件,其放电能力大小不一,在一起使用时,必须使雷电流合理分配,以保证放电能力较小的SPD或元件不会损坏。
如下图,SPD1放电能力大,残压高,SPD2放电能力小,残压低。为了达到较好的保护效果(放电能力大,而且残压低),同时使用SPD1和SPD2。但实际情况下,雷电流并不一定按你预想的那样,大部分经SPD1泄放,少部分经SPD2泄放。如果做不到能量协调,SPD2会因为分担过大的雷电流而损坏。

同样,对于信号SPD,也存在能量协调问题。如果能量不能协调,TVS就容易损坏。

电源SPD在安装时要求两级之间间隔5-10m的距离,就是为了实现能量的协调;信号SPD一般会在GDT和TVS之间加上一个耦合电阻,其目的也是为了实现能量协调。因为电阻会消耗功率,所以只适合在电流较小的信号回路加。
以上了解了SPD的基本工作原理,接下来我们了解一下SPD的主要技术参数、SPD选择。
电源SPD的主要技术参数和选择:
1.最大持续工作电压Uc
2.放电能力
标称放电电流In(8/20us): SPD能承受该波形冲击10次以上。
最大放电电流Imax(8/20us):SPD能承受该波形冲击至少1次。
冲击放电电流Iimp(10/350us):SPD能承受该波形冲击至少1次
3.电压保护水平Up
4.SPD的组合模式
SPD是一个“瞬时等电位连接”设备,在系统正常工作的情况下,其呈现“开”(高阻)的状态,因此SPD的Uc值必须高于系统可能出现的最大持续工作电压,否则SPD安装后,还没等浪涌产生,SPD就已经损坏,甚至可能引起火灾事故。
对于Uc的选择,标准中GB 50343建议如下:


在这里需要注意相电压和线电压的区别。比如220/380VAC电压系统中,相电压是220VAC,线电压(两相之间)是380VAC。电源SPD一般是安装在相与零或相与地之间,所以Uc值应该和相电压220VAC比较。
在实际的应用中,Uc值一般都会多留一些余量。不同国家,电网质量情况不同。欧洲发达国家,电网较稳定,Uc的余量会小一点。我国电网质量一般,Uc余量要大一点。而在一些东南亚国家,电网质量可能较恶劣,Uc值需要更高一些。
SPD的放电能力是SPD的核心性能指标,理论上越大越好。其选择可以参考GB 50343标准。

这个表格,是根据被保护系统的重要性(ABCD等级)和SPD的安装位置(防雷分区),来选择SPD合适的放电电流。系统的重要性等级越高,SPD安装位置越“靠外”,选择的SPD放电电流应越大。
需要理解的几个概念:
1.雷电防护等级
根据防雷装置的拦截效率E来确定,*级A**为98%,B级为90%,C级为80%,D级为80%以下,越重要的建筑,要求的拦截效率越高。由于拦截效率E理论上定量计算比较复杂,标准中还给出了定性的划分参考。在此不做深入介绍,可参考GB 50343第4章,雷电防护等级划分和雷击风险评估。
2.雷电防护分区:

LPZ0A(LPZ:lightning protection zone),表示该区域无任何防护,受直接雷击和全部雷电电磁脉冲威胁的区域。
LPZ0B,表示受直击雷保护,但是受到全部雷电电磁脉冲威胁。
LPZ1,表示受直击雷保护,且内部雷电电磁脉冲经屏蔽后已经衰减。
LPZ2~n,表示受直击雷保护,且内部雷电电磁脉冲经进再次屏蔽后继续衰减。
电压保护水平Up:Up值是“表征SPD 限制接线端子间电压的性能参数”,是一个“门槛”值,也就是说,在规定的波形下测得的SPD的限制电压,都不会超过这个值。
从单一维度讲,Up越小越好。但实际上,Up值和Uc、测试波形相关。Uc越小,测试波形的峰值电压、电压上升速率或电流越小,Up越小。标准中,建议Up≤0.8Uw,Uw为设备耐压值。一般情况下,这个条件并不难满足,所以在选择SPD时,应重点确认产品的Uc和放电能力。

*实际应用中,有可能Up大的SPD,实际残压反而更小。
假设一个场景,两台基于MOV的电源SPD,Uc相同,第1台SPD,In=20kA,Up=1.5kV;第2台SPD,In=10kA,Up=1.3kV。第1台SPD的Up=1.5kV是在20kA下测得的,而第2台SPD的Up=1.3kV是在10kA下测得的。在实际应用中,面对同样的冲击电流,第1台SPD的残压理论上会低于第2台SPD的残压,尽管第1台SPD的Up高于第2台。
最后是电源SPD的组合模式。它需要根据电源系统的类型来选择。

同的电源系统,推荐的SPD组合模式如下:
TN-S:4P(3P+1)
TN-C,IT:3P
TT:3P+1
单相TN:2P
单相TT:1P+1
关于电源系统的类型的区别和为什么选择对应SPD组合模式,在此就不深入介绍了。
信号SPD的主要技术参数和选择:
1.最大持续工作电压Uc
2.额定工作电流IL
3.放电能力
4.电压保护水平
5.其他要求
1.Uc:原理上与电源SPD一样,Uc应大于回路的最大工作电压,且留有一定的余量。不过相比电源SPD,信号SPD的Uc余量可以小一些,因为信号回路电源相对稳定。
2.IL:由于信号SPD一般采用串联安装方式,IL不得小于工作回路的持续工作电流。如果是采用并联安装方式,则不需要考虑该参数。
3.放电能力:由于信号、信号相关设备的多样性,实际应用中的需求也不尽相同。在工控行业,一般要求In≥5kA,不少品牌已经可以做到In=10kA。
4.电压保护水平,原理上与电源SPD近似。实际应该中需要考虑被保护产品的耐压性能。一般来说,如果被保护产品符合基本的EMC要求,Up值一般都满足要求。如果被保护产品耐压水平很低,另做考虑。
5.其他要求,如产品的接口类型、保护线数、安装方式、带宽(高频信号时需要考虑SPD引起的信号衰减)、防爆要求等等。