富士变频器参数大全 (富士变频器复制程序)

转自电梯中的蜗牛

富士变频器复制程序,富士变频器参数一览表

富士变频器复制程序,富士变频器参数一览表

规格参数表

富士变频器复制程序,富士变频器参数一览表

主回路端子

富士变频器复制程序,富士变频器参数一览表

富士变频器复制程序,富士变频器参数一览表

富士变频器复制程序,富士变频器参数一览表

富士变频器复制程序,富士变频器参数一览表

富士变频器复制程序,富士变频器参数一览表

编码器控制

富士变频器复制程序,富士变频器参数一览表

运转前参数设置

富士变频器复制程序,富士变频器参数一览表

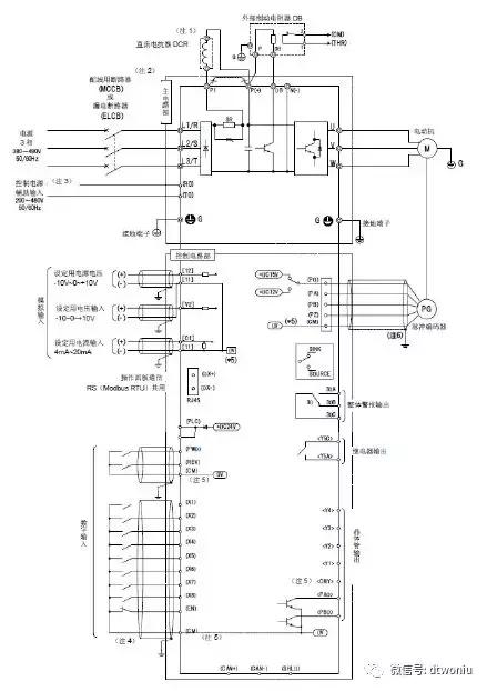
标准配线图

富士变频器复制程序,富士变频器参数一览表

输入点定义

富士变频器复制程序,富士变频器参数一览表

输出点定义

富士变频器复制程序,富士变频器参数一览表

运行时序

富士变频器复制程序,富士变频器参数一览表

富士变频器复制程序,富士变频器参数一览表

富士变频器复制程序,富士变频器参数一览表

富士变频器复制程序,富士变频器参数一览表

富士变频器复制程序,富士变频器参数一览表

多段速设定

富士变频器复制程序,富士变频器参数一览表

富士变频器复制程序,富士变频器参数一览表

富士变频器复制程序,富士变频器参数一览表

速度曲线设定

富士变频器复制程序,富士变频器参数一览表

富士变频器复制程序,富士变频器参数一览表

富士变频器复制程序,富士变频器参数一览表

富士变频器复制程序,富士变频器参数一览表