前言
水泥生产企业属于能耗高,污染大同时需要设备连续不间断运行的行业,而电机设备是水泥生产企业应用最广泛的动力装置,对电动机设备可靠性和稳定性的要求较高,一旦发生事故就必须尽快查明原因及时处理,以保证及时恢复生产。传统电动机的控制和保护只能通过普通电气元件,电缆与DCS系统进行点对点硬件连接,保护功能少,获取的状态信息有限,无法实现对电动机的综合保护和详细的故障检测及远程通讯等更高要求。随着智能电气设备的更新换代和工艺控制流程的不断完善,尤其是自动化和智能化等生产要求,迫切需要完善电动机控制和保护,实现对生产过程的测控、故障诊断及集中管理等功能。
一、采用传统电气控制回路保护方式
巴西某水泥粉磨站系统位于巴西东北部城市莫索罗境内,原水泥粉磨站系统拥有大量低压三相异步电动机,在电机控制和保护中利用传统的电动机控制回路,见图1。在此控制回路中,主电路由断路器QF、接触器KM的主触头、热继电器FR的热元件与电动机M构成。当电动机过载时,热继电器脱扣以保护电动机,与接触器搭配使用在电路中起断相保护作用。控制回路中由现场按钮箱(转换开关、起,停按钮)、熔断器、接触器的常开/常闭触头、来自DCS控制系统的触点、热继电器的辅助触点等组成,由此实现在现场通过起/停按钮或由中控DCS系统控制电动机的起动和停止。

图1 传统的电动机控制回路
原水泥磨系统电机控制和保护利用传统的断路器、接触器、热继电器等普通电气元件来实现,可靠性差,保护功能不全面,无法对电动机实施有效的保护,易造成因保护不及时造成电动机停机或故障。 此外所有连接都是通过硬接线连接来实现对电动机回路的控制,设备维护不方便,传送信息有限 。
二、采用电机保护器M102-P保护方式
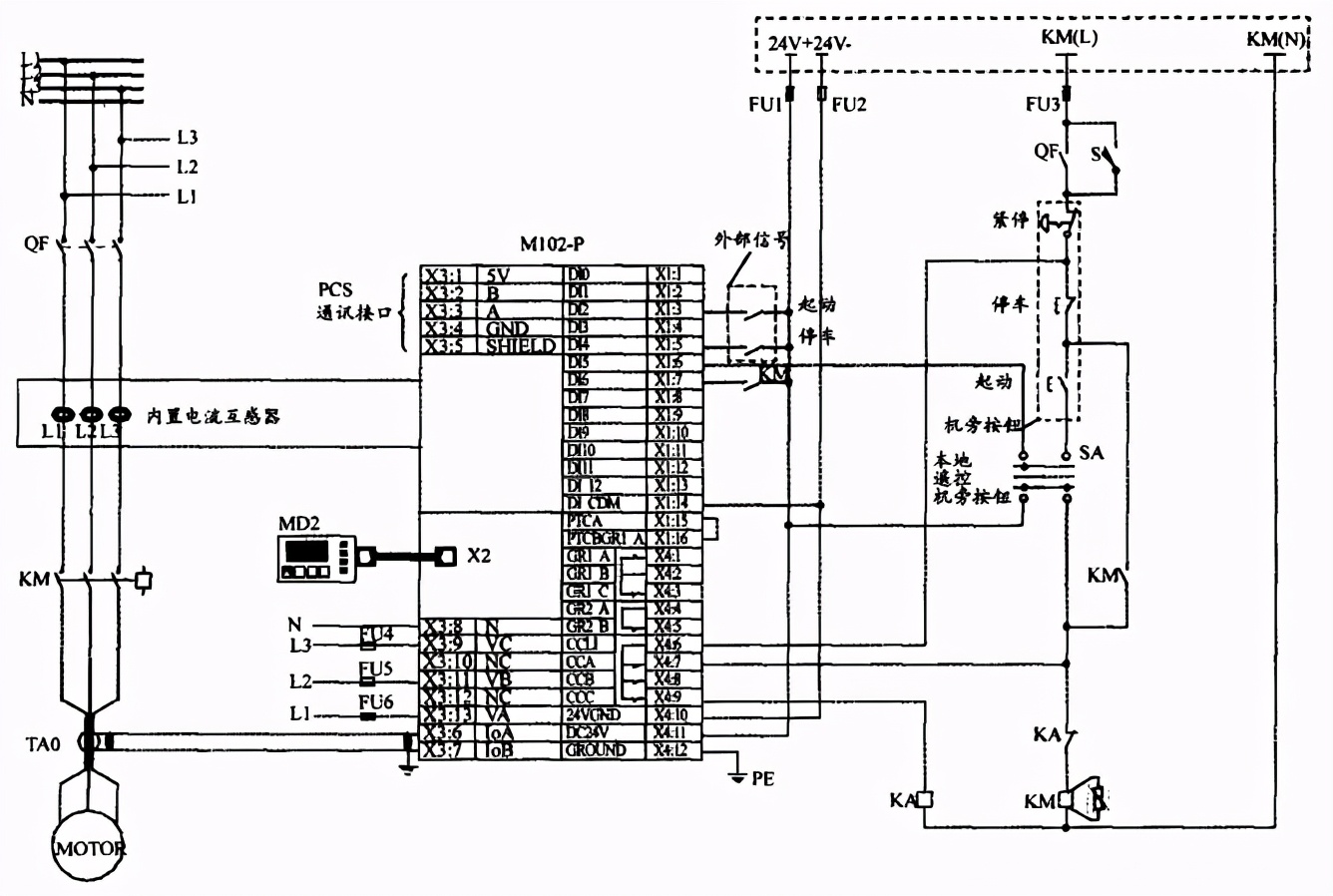
巴西某3000t/d熟料水泥生产线是合肥水泥研究设计院在原有水泥磨系统基础上新增设计的一条熟料生产线,该项目在低压电动机的保护和控制上,选用了基于现场总线的ABB电动机控制和保护单元(MotorContml&ProtectionUnit,缩写为MCU),采用电机保护器M102-P的控制回路,见图2。

图2 电机保护器M102-P的电动机控制回路
在此控制回路中, 主电路由断路器+接触器+电动机保护器构成,其中电机保护器是回路中最主要的核心元件 。当电动机的额定电流≤63A时,主回路的三相出线可以直接穿过M102-P的电流测量单元,实现对电动机三相电流的测量取样,用来实现对电动机的保护及现场中控的显示。当额定电流>63A时不能用于直接测量,需要配合外部电流互感器CT(二次侧输出为1A或5A)进行电流测量。M102-P直接将电源的三相火线及中性线接到电压输入端子,以实现对电动机三相线电压和相电压的测量取样。
M102-P额定工作电压为DC24V,按开关量外部输入电源划分,可分为AC240V、DC24V两种,前者有9点开关量输入,后者有13点开关量输入。考虑到某3000t/d熟料水泥生产线皮带输送机,提升机等都安装有拉绳开关、跑偏开关,料位开关等,所需开关量输入较多,故为所有电机机配置了开关量输入电源为DC24V的M102-P。M102-P还具有先进的现场总线接口ProfibusDP的通信设计,保证了与DCS系统通信的快速可靠,同时能快速响应上位机的实时查询等要求并执行相应操作。M102-P标准的配置,为熟料水泥生产线低压电动机提供了一整套专业化的集保护、控制、监测与通讯于一体的智能化管理方案。电机保护器M102-P主要功能如下。
(1) 保护功能 。完善的电机保护是对电机运行过程中的各种运行状况的详细信息进行采集跟踪,通过对故障报警、保护动作(保护脱扣)以及动作延时时间的设定来实现及时准确的保护,保证生产的安全。在设备可能产生重大故障前,及时发出报警信号,并记录故障信息,方便维护人员查找故障原因并作出及时处理,避免不必要的停机,最大限度地保证设备运行的有效性。 M102-P通过对电动机的三相电压、三相电流、漏电电流、接触器状态、主开关状态的实时监测,实现对电动机的多种保护,完善的电机全面综合保护功能,保证了水泥厂生产工作的安全连续运行 。
(2) 控制功能 。M102-P可实现各种不同的电机起动控制方式,电动机的控制权限包括现场控制及远程控制,通过对控制权限的选择规定电机控制的优先权。各种需要的电动机起动控制方式已集成在装置中; 包括直接起动、正反转直接起动、Y/△起动、自耦变压器降压起动、软起动器控制等 。
(3) 监测功能 。M102-P提供丰富的电机运行监测功能,监测数据经现场总线上传到上位机集中管理,同时通过安装在开关柜面板上的操作面板MD直接显示,用户可以直接通过面板查看各电参量值,操作面板上还有相应的指示灯,可以直接显示装置目前的工作状态,在发生故障时还以文本方式指示警告原因或脱扣原因。M102-P可以监测电机运行、停机、故障脱扣等状态信号, 可以监测电机故障信息,包括过载、断相、三相不平衡、接地故障、电机热保护等信息 。
(4) 通讯功能 。M102-P通过RS485接口,采用ProfibusDP通信协议,与DCS系统进行通信,Profi-busDP是一种主-从式的现场总线协议,M102-P在DCS系统结构中它作为Profibus从站。M102-P的ProfibusDP通讯接口芯片采用西门子公司的SPC3芯片,通讯介质通常采用屏蔽双绞线,其通讯速率最大为1.5Mbit/s。在DCS系统硬件配置中M102-P的通讯连接,见图3。

图3 电机保护器M102-P的通讯连接
三、电机保护器M102-P的优势
ABB电机保护器M102-P在巴西某3000t/d熟料生产线的应用中,和原水泥粉磨站系统传统的电机控制方式相比较已经充分体现出诸多的优越性,主要表现在以下几点:
(1)M102-P电机保护器由基于微处理器技术开发研制的电动机保护与控制装置,各种保护功能可通过参数设置软件MCUsetup轻松设置,通过对三相电流、电压的监测,实现对电动机的智能化保护、控制及监测,为电动机提供的完备保护, 避免了因电动机过载,堵转,接地故障,断相等可能故障导致的生产事故,可以满足绝大多数用户的需要,最大限度地保证了电机设备运行的稳定性与安全性 。
(2)M102-P是具有先进的现场总线接口,采用了Profibus现场总线技术,以I/O站为基础,与总线控制器相结合,尽量发挥现场总线布线灵活的优势,通过接线方式设计的改变, 本系统比传统结构的DCS更节省了I/O模件数量及装置室的空间;同时减少了大量电缆,可以极大节省安装费用,降低系统成本 。同时,M102-P标准的配置,完善的功能,大大简化了系统回路的维护,提高了水泥生产的连续性和可靠性。
(3)随着新一代的控制系统如FCS、NCS等的广泛应用,传统的电气元器件难以实现集中管理、分散控制的要求,M102-P ProfibusDP/RS485的通讯设计, 保证了与上位机通讯的快速可靠,同时能快速响应上位机的实时查询等要求并执行相应操作 。
(3)此外,M102-P增加了一些特殊的控制功能,如:分组起动,自动重起动,起动次数限制等,防止电动机的频繁启动等,可以满足在一些特殊情况下的应用,而在传统的控制方式中,实现这些功能比较困难。
四、结语
本水泥熟料生产线控制系统投人运行后,系统运行安全、稳定、可靠,能够满足水泥工业生产所需的各项工艺技术指标,所选用的基于现场总线的ABB电机保护器M102-P为水泥厂低压电动机提供了一整套专业化的集保护、控制、监测与通讯于一体的智能化管理方案,在现场使用考核中具有良好的稳定性、实时性和先进性,全面提升了水泥企业的自动化程度,同时对提高水泥产品产量、质量,降低能耗,实现“生态文明建设”等方面都有着显著的经济效益和社会效益。
更多文章关注公众号:中国水泥备件网