逻辑阀是将其基本组件插入到特定的阀体内,配以盖板、先导阀等组成的一种多功能的复合阀。因基本组件只有两个主油口,阀的开启、闭合完全像一个受操纵的逻辑元件那样工作,故称作逻辑阀。因其结构为插装式结构,也称为插装阀。这种阀不仅能满足各种动作要求,而且与普液压阀相比,具有流通能力大、密封性好、泄漏小、功率损失小、阀芯动作灵敏、抗污染能力强、结构简单、易于实现集成等优点,特别适用于大流量液压系统。
1.逻辑阀的基本结构
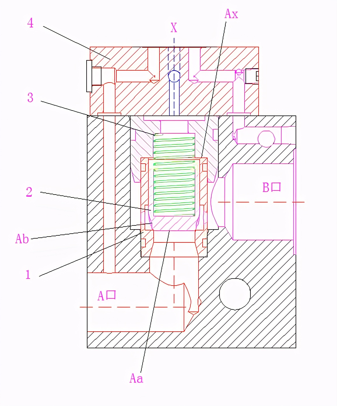
逻辑阀的基本组成,通常由先导阀、控制盖板、逻辑阀单元和插装阀体,这4部分组成。
逻辑阀单元(又称主阀组件)为插装式结构,由阀芯、阀套、弹簧和密封件等组成,它插装在插装阀体中,通过它的开启、关闭动作和开启量的大小来控制主油路的液流方向、压力和流量。

逻辑阀的基本组成图
2.逻辑阀单元的结构与工作原理
逻辑阀单元-插装件有锥阀和滑阀两种结构。图示为逻辑阀单元的基本结构及图形符号。它主要由阀套1、阀芯2和弹簧3组成。A、B为主油路连接口,X是控制油口。
三者的压力分别为Pa、Pb和Px,各自的作用压面积为Aa、Ab,和Ax,面积比分别为αA=Aa/Ax αA=Ab/Ax。显然,αA+αB=1,根据用途的不同,有αA<1和αB=1两种情况
如果忽略锥阀的重量和阻力的影响,作用在阀芯上的力平衡关系为
Fs + Fw + PxAx – PbAb – PaAa =0
Fs 作用在阀芯上的弹簧力
Fw 阀口液流产生的稳态液动力

逻辑阀单元结构

逻辑阀符号
从式中可以看出,锥阀的启、闭与控制压力Px以及工作压力Pa和Pb的大小有关,同时还与弹簧力Fs、液动力Fw的大小有关。
当锥阀开启时,油流的方向根据Pa与Pb的具体情况而定。
当X控制口与油箱连通时,Px=0,则阀开启,如果Pb>Pa,油液从B口流向A口;如果Pa>Pb,油液从A口流向B口。
若X口有控制油液,其压力大于或等于B口(或A口)油压,即Px≥Pb (或Px≥Pa),则阀关闭,B口与A口隔断。
由此可见,逻辑阀接通和切断油路的作用相当于一个液控的二位二通换向阀。可以利用控制口X的压力Px的大小来控制锥阀的启闭以及开口的大小,将这种关系用逻辑代数来处理,可以实现逻辑阀的不同功能。特别是对于复杂的液压控制系统或在与电气控制系统相结合的场合,运用逻辑设计方法去简化各种控制问题,可以得到既满足动作要求,又使所用元件最少、最为合理的液压回路。