TDA2040是单片集成音频放大器、AB类模式运行。该集成电路还内置电路短路保护和热关机和更多的可以从单电源操作。该放大器可提供功率12w一20w到8Ω扬声器。
TDA2040功率放大器技术参数: 最高工作电压土20v,输出最大功率22w,典型工作电压2.5v一20v,正常工作电压就是指在这个范围内都正常工作。見图①,图②,图③:

图①TDA2040单片集成器

图②TDA2040引脚

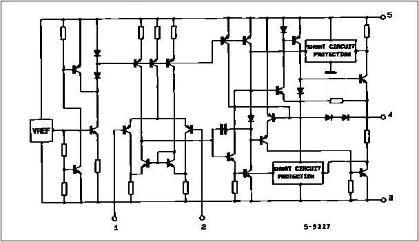
图③TDA2040内部结构图
下图是TDA2040集成音频放大器功放电路图,見图④

图④TDA2040汽车功放电路
该电路中TDA2040为5脚输出集成片,电容C1是输入直流去耦电容和R3提供反馈。网络电阻R4和电容C7提供高频稳定度和防止振荡的机会。C3和C5是电源滤波器。该电路是一种高保真音频功放放大器,视听效果浑厚有力,立体逼真!
该电路为TDA2040组成的单声道汽车功放器,如果用两组电路合用,那么就成为双声道立体高保真汽车功放器,更悦耳动听。
!