这是一个典型的一台变频器控制3台电机的电气原理图,我尝试着解读一下,希望各位大佬多捧捧场,小弟鞠躬了。

我先来把材料报告一下,Q7.1是空气开关品牌施耐德小型断路器 3P C6A
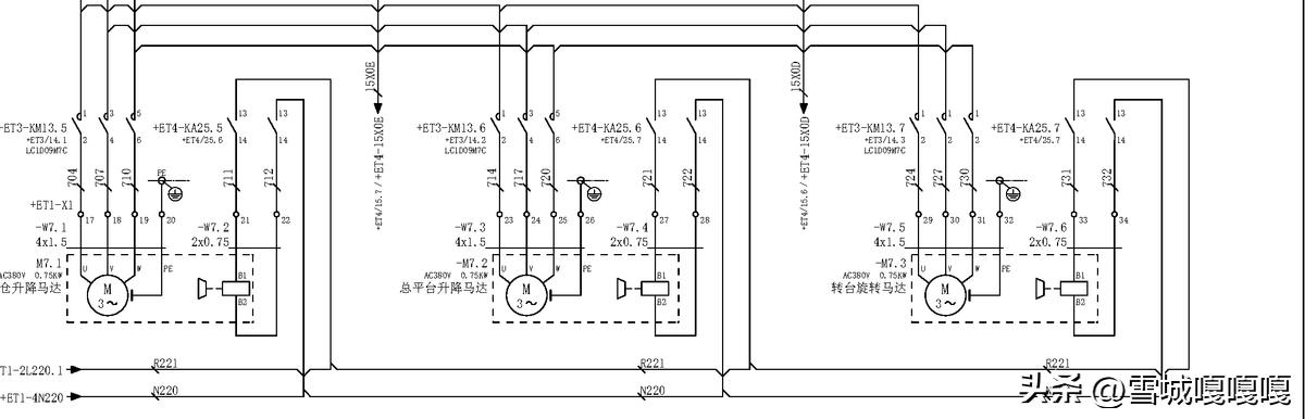
但是这位工程师画的元器件符号是电动机保护器的符号,那么电动机保护器和断路器的区别在哪里呢?区别很大但是简单的说断路器有短路保护和过电流保护,电动机保护器不但有这些保护还有延长和短延时保护,瞬时保护等等。就这个图说用断路器选型没有问题。因为变频器保护比电动机保护器还要好。
INV7.0是变频器品牌是三菱型号是FR-A840-0038. 型号是FR-A840-0003,额定电压是三相AC380-400(V),适配电机功率是0.75(kW),额定电流是17(A)。由这个详细的介绍我们就会发现这台变频器一拖三电机三台电机不会一起工作。
KM13.5,KM13.6,KM13.7,这三个接触器型号都是施耐德交流接触器,型号LC1D09M7C额定工作电流9A,电压380V可以带4KW负载。接触器线圈为AC220V.
M7.1 M7.2 M7.3都是电机,电机功率0.75KW.
基本上图纸上能看出来的就是这些配件了。还有就是中间继电器了。

R S T 三个端子是变频器输出端也就是变频器的电源。
STF端子是正转,STR端子是反转,RH 高速模式RM中速模式 RL低速模式,RES 复位。上述端子需要用N24也就是直流电源的-级进行控制,我说的是这张图纸,这是NPN的所以用-级要是PNP的就需要+级进入控制了,这点非常重要切记切记。我们接着看进入这些端子的号码是Y那么就是PLC直接输出控制了大概率就是这样。
KA13.6 KA13.7这两个中间继电器控制的触点接到S1 S2上了,那么S1 S2是干什么的呢?这两个端子是安全回路,那么又有人问了一个中间继电器不就可以了吗?是可以但是现在的理念是安全绝对是第一,要考虑很多因数比如继电器触点黏连等,而且安全回路还可以分出安全等级,多回路可以创造出很多思路的。当S1 和S2都和PC端子导通的时候安全解除可以进行运行了。

U V W 这三个端子就是变频器的输出端子了可以驱动电机运转。
RUN 这个是变频器的辅助输出端子,当变频器正常运转的时候RUN和SE是通的,SE可以接P24和N24连接到PLC ,这张图纸是N24.
B1是变频器故障输出,当变频器出现故障的时候C1和B1断路,当变频器正常的时候C1和B1导通,B1连接PLC告知变频器状态。
大家注意一下在变频器上有一段文字控制逻辑跳线为SINK模式,这点非常重要,这个图上没有画出来,实物变频器上有2组跳线,一定要按标识跳线要不然变频器不会运行的。(用PU模式可以运行)

这三台电机应该是有互锁的,互锁应该是双重的PLC和硬接线上都要有。
大家注意刹车时220V的,刹车的电源有很多种一定要按图施工,不要想当然的接线,经验是很重要但是也要看图。多少人觉得简单,结果按着自己的经验蛮干,照成了很多重大的事故和损失。
昨天发的伺服接线,那张图也有刹车。千万记住变频电机的刹车和伺服的刹车工作性质是不同的,伺服电机的刹车是,只要伺服控制器是正常的刹车是通电,抱闸是松开的,就算是伺服电机不在运行动作,抱闸也是松开的,那么又有人问了,那伺服电机没有动作,抱闸又松开了,那么岂不是不安全,伺服没有动作的时候,会有使能保持电机的状态,这点大家不要担心。
变频电机的刹车就不太一样了,当变频器没有输出也就是电机不需要动作的时候,刹车一定是抱紧的。
写了这些,我是一个电气小学生发表一些不成熟的看法。谢谢大家看到这里,鞠躬谢谢。