压电效应:某些电介质在沿一定方向上受到外力的作用而变形时,其内部会产生极化现象,同时在它的两个相对表面上出现正负相反的电荷。当外力去掉后,它又会恢复到不带电的状态,这种现象称为正压电效应。当作用力的方向改变时,电荷的极性也随之改变。相反,当在电介质的极化方向上施加电场,这些电介质也会发生变形,电场去掉后,电介质的变形随之消失,这种现象称为逆压电效应。依据电介质压电效应研制的一类传感器称为压电传感器。
压电效应可分为正压电效应和逆压电效应。
某些电介质,当受力变形时内部产生极化现象,同时在两个表面产生相异电荷,外力去掉后,又恢复到不带电状态。这叫压电效应。当作用力方向改变时,电荷极性随之改变,这种现象称为“正压电效应”。相反,当在电介质极化方向施加电场,这些电解质也会产生几何变形,这种现象称为“逆压电效应”。
正压电:压电效应是指:当晶体受到某固定方向外力的作用时,内部就产生电极化现象,同时在某两个表面上产生符号相反的电荷;当外力撤去后,晶体又恢复到不带电的状态;当外力作用方向改变时,电荷的极性也随之改变;晶体受力所产生的电荷量与外力的大小成正比。压电式传感器大多是利用正压电效应制成的。
逆压电:是指对晶体施加交变电场引起晶体机械变形的现象。用逆压电效应制造的变送器可用于电声和超声工程。压电敏感元件的受力变形有厚度变形型、长度变形型、体积变形型、厚度切变型、平面切变型5种基本形式。压电晶体是各向异性的,并非所有晶体都能在这5种状态下产生压电效应。例如石英晶体就没有体积变形压电效应,但具有良好的厚度变形和长度变形压电效应。

依据电介质压电效应研制的一类传感器称为为压电传感器。
这里再介绍一下电致伸缩效应。电致伸缩效应,即电介质在电场的作用下,由于感应极化作用而产生应变,应变大小与电场平方成正比,与电场方向无关。压电效应仅存在于无对称中心的晶体中。而电致伸缩效应对所有的电介质均存在,不论是非晶体物质,还是晶体物质,不论是中心对称性的晶体,还是极性晶体。
下面我们利用压电陶瓷测试压电效应和逆压电效应。
常用的压电陶瓷是由锆钛酸铅(PZT)材料做成的。将PZT材料做成的压电陶瓷片粘在圆形黄铜片上就构成了压电陶瓷元件。它具有明显的压电效应。
首先,将压电陶瓷片A的两根引线通过一个按钮开关与信号发生器相联。将压电陶瓷片B的两根引线与扩音器(带喇叭)的输入端相连。将A、B两个压电陶瓷片用黑封泥固定在同一个木板制成的箱子上。当观察者将按钮开关按下,接通信号发生器和压电陶瓷A时,由于逆压电效应,A开始振动,并把振动传给木箱,木箱的振动传给压电陶瓷B,由于压电效应,使B两边产生变化电信号,再传给扩音器使喇叭发声,所以这个实验同时演示了压电效应和逆压电效应。
两种压电效应的关系
正压电效应实质上是机械能转化为电能的过程。即:P=dσ其中,P为晶体的电极化率,单位是C/m2,d为压电常数单位是C/N,σ为应力,单位是N/m2。
当在压电材料表面施加电场(电压),因电场作用时电偶极矩会被拉长,压电材料为抵抗变化,会沿电场方向伸长,如上图所示。这种通过电场作用而产生机械形变的过程称为“逆压电效应”。逆压电效应实质上是电能转化为机械能的过程。即:S=dtE。其中,S为晶体的杨氏模量,dt为压电常数,单位是m/V,E为电场强度适量,单位是V/m。如果外界电场较强,那么压晶体管还会出现电致伸缩效应(electrostriction effect),即材料应变与外加电场强度的平方成正比的现象。可以用以下公式给出:S=μE2,其中,μ为电致伸缩系数,单位是m4/C2。可以证明,正压电效应和逆压电效应中的系数是相等的,且具有正压电效应的材料必然具有逆压电效应。
压电效应的应用
压电效应在当今电子科学技术领域具有广泛的应用,总的来说,压电效应归属于电磁效应的一种,类似于极化效应。在日常生活中,压电效应除了在材料领域有独树一帜的应用角色,在一些常用的器件中也作为核心部件的工作机理。随着压电技术的不断发展,压电效应在传感器上的应用也为我们带来了更多的方便。在日常生活中,我们把根据压电效应制作出的材料叫压电陶瓷,利用它可以制作石英谐振器,陶瓷滤波器、陷波器、鉴频器,拾音器、发声器,水声换能器,鱼群探测器,压电陶瓷变压器,陶瓷压力器,加速度计,超声波发声器等器件,还可以作为电子打火机、煤气点火栓、导弹与鱼雷爆炸时的电源。
压电效应的实验设计
(1)实验原理
正压电效应:某些电介质在沿一定方向上受到外力的作用而变形时,其内部会产生极化现象,同时在它的两个相对表面上出现正负相反的电荷。当外力去掉后,它又会恢复到不带电的状态,这种现象称为正压电效应。
逆压电效应:当在电介质的极化方向上施加电场,这些电介质也会发生变形,电场去掉后,电介质的变形随之消失,这种现象称为逆压电效应,或称为电致伸缩现象。
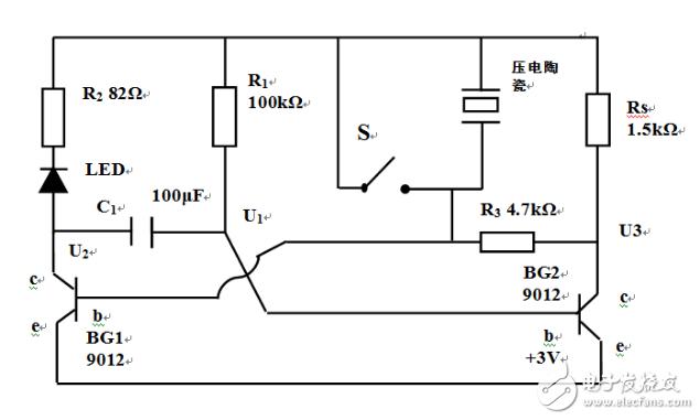
(2)实验装置
自制压电陶瓷实验仪、压电陶瓷点火器和声控开关
电路连接图:

(3)实验内容
①:观察逆压电效应。把功能转换开关拨向“逆压电”一侧, 把压电陶瓷片接入逆压电一侧的插口,接通电源,此时音乐片上的集成电路便把声音电信号加在压电陶瓷片上奏响。然后把功能转换开关拨至“正压电”一侧,音乐片在奏完一段曲子之后便停止,否则将一直奏个不停,耗尽电池。
②:观察正电压效应。功能转换开关应处于“正压电”一侧。具体步骤如下:
a.将压电陶瓷片的引线接入用作直流伏特计的数显多用表插口,然后注意在用手接下压电陶瓷片与松手瞬时,伏特计示数的符号与数值,试解释一下你看到的现象。
b.把压电陶瓷片接入“正压电”一侧的插口,接通电源,待LED不亮后在下列情况下观察LED发亮情形;使电压陶瓷碰一下桌面在离压电陶瓷片500mm左右处拍一下桌面。
c.观察阀体总成,并且操作它打出明亮的火花,将阀体总成的把手朝里一按,然后往逆时针方向一拧,便可见两个尖端间出现火花,自己观察一下,两个尖端相距3~4mm时火花最明亮,也即释放的能量最大。
d.操作声控开关,一只手握住气囊,然后与另一只手相撞便可使接在声控开关上的用电器的电源接通或断开。
文章素材来自互联网