
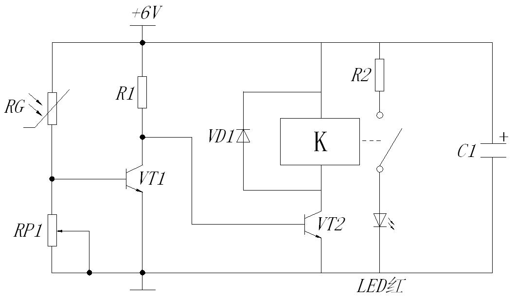
光控小夜灯
- 光敏电阻在电子电路中应用很广泛,如下光控电路图,无光时,VT1截止,VT2导通,继电器动作,led发亮。反之led熄灭。RP用于调节灵敏度。这种电路光敏电阻可以接在上方,也可以接在下方,性质就相反了变成了光线强时led亮。

光控电路
- 在了解光敏电阻之前首先我们简单了解一下光电效应的有关知识:
- 在光的照射下,电子逸出物体表面而产生光电子发射的现象称为外光电效应。受到光照的半导体电阻率发生变化或产生光生电动势的现象称为内光电效应。
- 某些物质吸收了光子的能量产生本征吸收或杂质吸收,从而改变了物质电导率的现象称为光电导效应,而因光照产生电动势的现象称为光生伏特效应,如光电池。
- 利用具有光电导效应的材料(硅、锗等本征半导体与杂质半导体,硫化镉、硒化镉、氧化铅等)可以制成电导随入射光亮度变化的器件,称为光电导探测器件或光敏电阻,它无需形成pn结。在均匀的具有光电导效应的半导体材料的两端加上电极便构成了光敏电阻。

光敏电阻
- 光敏电阻是敏感电阻的一种,它对光线敏感,当照射的光线强弱发生变化时,其阻值也会随之发生变化,无光时呈现高阻,有光时呈现低阻。
- 它的工作原理是当光照射光敏电阻的表面时,其内部被束缚的电子吸收光子能量成为自由电子,并形成空穴,在外界电场的作用下参与导电,照射越强,激发的电子-空穴越多,导电越强,电阻越小。
- 在微弱辐射作用下光电导灵敏度与光敏电阻两电极间距离l的平方成反比;在强辐射作用下光电导灵敏度与光敏电阻两电极l的二分之三次方成反比;
- 它由一块涂在绝缘基底上的光电导材料薄膜和两端接有两个引线,封装在带有窗口的金属或塑料、玻璃外壳内。为了提高光电导灵敏度,要尽可能的缩短两极间的距离,在一块均匀光电导体两端加上电极,贴在硬质玻璃、韵母、高频瓷工艺其它绝缘材料基板上,两端姐有电极引线,封装在带有窗口的塑料、金属、玻璃壳内。光敏电阻易受湿度影响,因此应将光电导体密封装在壳中。
- 有三种结结构,如下图做成蛇形、梳型可保证有较大的受光表面。

光敏电阻结构
- 按照工作机理分类可分为本征型和杂质型(非本征型)两大类。
- 1.本征型:硫化镉(CdS)、碲化铟(InSb)、硫化铅(PbS)等,常用于可见光波段
- 2.杂质型:锗掺汞(Ge-Hg)、锗掺铜(Ge-CU)、锗掺锌(Ge-Zn),用于红外波段
- 按光谱特性及最佳工作波长范围
- 1.对紫外光敏感的光敏电阻:硫化镉、硒化镉
- 2.对可见光敏感的硫化铊
- 3.对红外光敏感硫化铅
- 几种常见的光敏电阻:
- 1.硫化铅(PbS)、硒化铅(PbSe),硫化铅光谱范围1-2um,硒化铅光谱范围1.5-5.2um,硫化铅用在辐射温度计和火焰检测器上,硒化铅在分析设备、辐射温度计和精密光度学得到广泛应用。
- 2.硫化镉(CdS)为最常见的光敏电阻,光谱响应最接近人眼光谱,它在可见光范围内灵敏度最高,被广泛应用在灯光自动控制、照相机自动测光;峰值响应波长0.52um,硒化镉(CdSe)0.72um;
- 3.锑化铟(InSb):为3-5um光谱范围内最主要探测器件之一。峰值波长在6um附近
- 4.锑镉汞:由HgTe和CbTe两种材料晶体混合组成,光谱响应范围2-22um;
- 光敏电阻的主要参数:
- 1.暗电阻、暗电流:光敏电阻之室温条件下,全暗(无光照射)后经过一段时间测量的电阻值,称为暗电阻。此时正给定电压下流过的电流就是暗电流;
- 2.亮电阻、亮电流:光敏电阻之某一光照下的阻值,称为亮电阻,此时流过的电流称为亮电流;
- 3.最高工作电压;光敏电阻之额定功率下多允许承受的最大电压;
- 4.时间常数:是指光敏电阻器从光照越变开始到稳定亮电流的63%时所用的时间
- 5.灵敏度:读指光敏电阻之有光照射和无光照射时电阻值的相对变化
- 光敏电阻暗电阻越大,亮电阻越小则性能越好;灵敏度越高;
- 实用的光敏电阻的暗电阻往往超过1MΩ,甚至高达100MΩ,而亮电阻在几千Ω以下,二者相差100-1000000倍,灵敏度较高。
- 光敏电阻特性
- 1.光照特性:在一定的外加电压下,光敏电阻的光电流和光通量之间的关系,不同类型光敏电阻光照特性不同,但光照特性曲线均为非线性。因此它不宜作为定量检测元件,这是它是不足之处;

- 2.光谱特性:光敏电阻对不同波长的入射光有不同的灵敏度,与材料、波长有关,从图中可知,硫化铅光敏电阻之较宽的光谱范围内均有较高的灵敏度,峰值下红外区域;硫化镉、硒化镉的峰值在可见光区域。

- 3.光敏电阻的伏安特性:在一定照度下,加在光敏电阻两端的电压与电流之间的关系,它是纯电阻,符合欧姆定律。图中曲线1、2表示照度为零及照度为某值时的伏安特性。由曲线可知,在给定偏压下,照度越大,光电流越大。在一定照度下,所加电压越大,光电流越大,而且无饱和现象;但是电压不能无限制增大,因否则会永久性损坏;

- 4.频率特性:当光敏电阻受到照射时,光电流要经过一段时间才能达到稳定值,而在停止光照后,光电流也不是立刻为零,这就是光敏电阻的延时特性或惰性,用时间常数表示。由于不同材料的光敏电阻时延性不同,所以它们的频率特性也不同,如图。硫化铅的使用频率比硫化镉高,但多数光敏电阻的延时比较大,所以不能用在要求快速响应 场合;

- 5.光敏电阻的稳定性;初制成的光敏电阻由于体内机构工作不稳定,以及电阻体及其介质的作用还没有达到平衡,所以性能不稳定。但在人为的加温、光照以及负载下,经过一段时间,性能达到稳定。光敏电阻之开始一段时间的老化过程中,有些样品阻值上升,有些下降,但最后都达到一定稳定值后就不再变化了。这就是光敏电阻的主要优点。

- 6.光敏电阻的温度特性;其性能受温度影响较大。随着温度的升高,其暗电阻和灵敏度下降,光谱特性曲线的峰值向波长短的方向移动。
- 7.时间响应特性:当光敏电阻突然受到光照时,电导率上升到最终值63%所花的时间,称为上升时间,突然降低黑暗是,其电导率降到初始值的37%所花的时间。

- 典型应用:幻灯机自动聚焦、闭塞测试设备、比重计、电子秤、自动后视镜、路灯控制等,前灯自动减光器
- 照相机自动曝光电路,关照强,曝光时间短,光照弱曝光时间长。

照相机曝光电路图
- 火焰检测报警器:采用光敏电阻为探测元件,硫化铅光敏电阻的峰值响应波长为2.2um,正好为火焰的峰值辐射光谱。

火焰侦测器
- 暗激开关:

暗激开关
- 光敏电阻的优点
- 光谱响应范围相当广,可见光、红外、远红外、紫外区
- 工作电流大
- 所测光电强度范围广,既可测弱光又可测强光;
- 灵敏度高
- 无极性之分,使用方便。
- 缺点;强光下光电线性度差,频率特性差,响应时间长,受温度影响大,型号相同的光敏电阻参数不同