一、简介
电源是各种电子设备必不可缺的组成部分,其性能优劣直接关系到电子设备的技术指标及能否安全可靠地工作。由于开关电源内部关键元器件工作在高频开关状态,功耗小,转化率高,且体积和重量只有线性电源的20%—30%,故目前它已成为稳压电源的主流产品。
电子设备电气故障的检修,本着从易到难的原则,基本上都是先从电源入手,在确定其电源正常后,再进行其他部位的检修,且电源故障占电子设备电气故障的大多数。故了解开头电源基本工作原理,熟悉其维修技巧和常见故障,有利于缩短电子设备故障维修时间,提高个人设备维护技能。
二.开关电源的组成 开关电源大至由主电路、控制电路、检测电路、辅助电源四大部份组成,见图1。
1. 主电路 冲击电流限幅:限制接通电源瞬间输入侧的冲击电流。输入滤波器:其作用是过滤电网存在的杂波及阻碍本机产生的杂波反馈回电网。整流与滤波:将电网交流电源直接整流为较平滑的直流电。逆变:将整流后的直流电变为高频交流电,这是高频开关电源的核心部分。输出整流与滤波:根据负载需要,提供稳定可靠的直流电源。
2. 控制电路 一方面从输出端取样,与设定值进行比较,然后去控制逆变器,改变其脉宽或脉频,使输出稳定,另一方面,根据测试电路提供的数据,经保护电路鉴别,提供控制电路对电源进行各种保护措施。
3. 检测电路 提供保护电路中正在运行中各种参数和各种仪表数据。
4. 辅助电源 实现电源的软件(远程)启动,为保护电路和控制电路(PWM等芯片)工作供电。

三.开关电源的工作原理
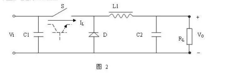
开关电源就是采用功率半导体器件作为开关元件,通过周期性通断开关,控制开关元件的占空比来调整输出电压。开关元件以一定的时间间隔重复地接通和断开,在开关无件接通时输入电源Vi通过开关S和滤波电路向负载RL提供能量,当开关S断开时,电路中的储能装置(L1、C2、二极管D组成的电路)向负载RL释放在开关接通时所储存的能量,使负载得到连续而稳定的能量。
VO=TON/T*ViVO 为负载两端的电压平均值TON 为开关每次接通的时间T 为开关通断的工作周期

由式可知,改变开关接通时间和工作周期的比例,VO间电压平均值也随之改变,因此,随着负载及输入电源电压的变化自动调整TON和T的比例便使输出电压VO维持不变。改变接通时间TON和工作周期比例亦即改变脉冲的占空比,这种方法称为“时间比率控制”(TimeRationControl,缩写为TRC)。
按TRC控制原理,有三种方式:1. 脉冲宽度调制(PulseWithModulation,缩写为PWM)开关周期恒定,通过改变脉冲宽度来改变占空比的方式。2. 脉冲频率调制(PulseFrequencyModulation,缩写为PFM)导通脉冲宽度恒定,通过改变开关工作频率来改变占空比的方式。3. 混合调制导通脉冲宽度和开关工作频率均不固定,彼此都能改变的方式,它是以上二种方式的混合。
| 支持我们请点赞或转发 版权免责声明:联盟致力于好文共享,推送文章部分源于网络,版权归原作者所有,若涉及版权问题,烦请原作者联系我们,我们会在24小时内删除处理,谢谢! |