1.贴片电阻封装功率选择
贴片电阻 (SMD Resistor)叫"片式固定电阻器"(Chip Fixed Resistor),是由ROHM公司发明并最早推出市场的。特点是尺寸小、耐潮湿、耐高温、可靠度高、阻值公差小。阻值范围从0欧姆到20M欧姆。标准阻值有E24,E96系列。
贴片电阻常见封装有9种,用两种尺寸代码来表示。一种尺寸代码是由4位数字表示的EIA(美国电子工业协会)代码,前两位与后两位分别表示电阻的长与宽,以英寸为单位。我们常说的0805封装就是指英制代码。另一种是米制代码。对应关系表格如下:


贴片电阻封装功率耐压关系表:

实际使用过程中,贴片电阻上消耗的功率不要超过其额定功率的1/2.5,否则发热是个问题。
2.贴片电阻识别
三位数字代表5%精度,四位数字代表1%精度。
原则1:阻值=A×10的B次方(B是最后一位数字,A是去除最后一位数字的前面有效数字)
如:1001=100×10的1次方=1000=1K
102=10×10的平方=1000=1K(102与1001比较,阻值相等,精度不等)
4702=470×10的平方=47000=47K
原则2:带R的直接换成小数点
如:1R0=1.0Ω
0R51=0.51Ω
10R0=10.0Ω
原则3:0201、0402封装的因电阻本体太小,无法标示字码,所以这些封装的贴片电阻只有通过万用表来测量区分。
原则4:0603封装的因电阻本体较小,采用三位阻值代码:数字+字母,见下表:



如:
标识为29B=196 ×10=1.96KΩ
3.其它:

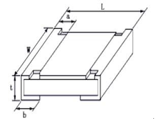
贴片电阻材料构造

贴片电阻包装:5000个为一盘,一盘价格十几到几十元不等