维修问答一
问:iPhone 6s摔出短路,vcmain短,烧哪里?
分析:CPU。
维修问答二
问 :iPho ne6P开机定屏,也不重启,刷机也不联机,怎么回事?
分析:进水就是电阻 摔过就是盖子 硬解就是CPU。
维修问答三
问:苹果 6扩容报错4005加载完,就不联机了,提取完文件后,正在准备恢复 过了就无限等待,不加载驱动,是怎么回事?
分析:拆了硬盘看看是不是报错40。
维修问答四
问: 苹果6s Wi-Fi不管连谁家的打密码都显示错误是怎么回事?刷机还是虚焊?太奇葩了。
分析:线路问题,不是刷机问题。
维修问答五
问 :酷派8676变砖了 怎么能刷回来啊 师傅们。
分析:去东海论坛,找固件包刷回来。
苹果7在正常使用下突然死机,自动转到刷机模式
问:苹果7无缘无故的在正常使用下突然死机,自动转到刷机模式!用不同版本的电脑系统重新刷系统后开机正常,*载下**安装几个软件或恢复备份后突然死机返回刷机模式!





答:USB管更换。
问:是更换手机的USB管吗?
答:是的,芯片。
答:怎么上面写的苹果5s?
问:是苹果7,想备份5S的资料到7。
苹果5s录指纹显示这个页面,怎么回事这是?
问:苹果5s录指纹显示这个页面,怎么回事这是?

答:按啊。
问:按也没反应。
答:关机重启。再不行拆机检查。
问:还是不好使。
答:指纹擦下,有汗有水有油都不行。还不行就是你指纹排没扣好或者干脆坏了。
问:有可能是坏了。
答:拆开看看吧。重新扣过。螺丝弄松点,home键的。
问:好的,谢谢。
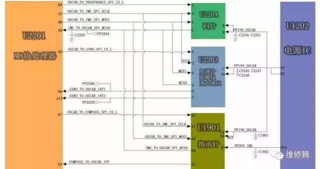
苹果6指南针、陀螺仪、加速器启动电路

维修狮(3cep.cn)可能是维修界最具影响力的新媒体平台。国内高活跃度的以3C(手机 电脑 家电)维修师及维修商为核心的交流、分享社群平台。凭借高质量的干货:维修问答、图文案例分析、资讯前沿等深受众多手机维修从业者的关注,精准影响30万手机维修用户。