黄 渊1 刘少飞2 库朋涛1 王 龙31 西安工程大学机电工程学院 西安 7106002 西安工程大学工程训练中心 西安 710600 3 西安理工大学机械与精密仪器工程学院 西安 710600
摘 要:针对居民小区停车难及小区可利用空间有限的问题,设计了一种可在垂直平面内升降横移的模块化框架式立体停车装置,通过模块化的框架结构构造单元停车空间,有效提升了居民小区可用空间的利用率。设计中利用慧鱼创意组合模型搭建单元车位,并组合构建成每单元三层,两单元并排放置6 个车位的停车空间,通过对小区停车库模型的搭建,有效展示了该停车装置在针对小区有限多样化空间环境中表现出的模块化、高适用性、高利用率的特点。
关键词:停车装置;慧鱼创意组合模型;模块化框架式结构;爬壁移车定位系统;旋转出入库系统
中图分类号:TH248.3 文献标识码:B 文章编号:1001-0785(2020)11-0063-06
0 引言出行作为人类生活的重要组成部分,越来越多的人选择购买私家车,私家车的数量逐年上升,使原本紧张的停车位资源与私家车数量之间的矛盾日益尖锐,严重影响了人们的生活品质。
1920 年,美国修建了世界上独一无二的机械式立体车库[1]。20 世纪中后期,立体车库在国外的发展已经有一定的成果,也在家庭中开始引入双层停车库,将原有的路面型车库改变成简易的升降横移式两层立体车库,在城市中心较为繁华的地段,则建设了地下简易式立体车库。德国和意大利等欧洲国家从事立体车库的研究也比较早,包括意大利Sotefin、Interpark、德国Palis等公司[2]。我国从1980 年开始研究机械式立体车库,到1990 年有了质的飞跃。1992 年进口了一座垂直循环式立体车库,到1996 年成立了立体停车设备协会,在很短的时间内完成了从引进到自主研发、制造的过程,出现了各种各类的车库类型。我国立体车库技术来源于日本,主要以升降横移式为主,占总量的84%。虽然我国立体车库发展很快,但是还是呈现出供应求的局面,所以需要进一步考虑提高空间利用率以及降低成本等问题。本文设计了一种能够有效解决城市小区私家车停车难的小型停车机械装置,该停车装置具有停车灵活、结构简单、安全性和停车效率高等特点。
1 设计方案机械系统一般由驱动、传动、执行、控制四部分组成,如图1 所示[3,4]。

图1 机电系统组成原理图
本装置同样遵循机电系统组成原理,主要由电机、传动部分、执行部分、控制部分及辅助装置组成。控制系统包括控制器、开关、传感器等,辅助装置包括防坠装置、消防装置等。
机械式停车设备根据其工作原理的不同可进行分类[5],如表1 所示。

其中SH、CS、XD、SX、DX、PY 六种立体车库一般都适用于大型停车场,可以停车的数量为十几辆甚至上千辆,多数情况要建立在空间较大的地方或者一些商业区。CX、JS 一般占地较少,适合城市小区。结合国内外发展状况以慧鱼模型设计了一款以升降横移为基础带有旋转出入库功能适用于城市居民小区的小型立体车库[6-8]。
1.1 停车装置的任务和要求停车装置主要用于将车平稳安全地停放在车位上,要求作业效率高,各单元各层各车位互不干涉,提高小区存取车效率,优化小区土地利用率。其主要任务包括以下三方面:1)运动 将车上下、前后、左右进行移动,且各方向运动互不影响。2)结构 立体停车装置车库框架结构简单稳定, 安全可靠。3)影响 搭建立体停车装置不影响小区整体规划和居民正常生活等。
1.2 停车装置工作流程本停车装置采用升降横移(爬升送进)方式。存车:用户只需将车辆驶入托架,领取存车密码,按动按钮,绿灯闪烁,系统将选择最优路线存放车辆,利用光电传感器、脉冲开关以及控制器进行控制,使车辆在装置内部精准定位。
取车:用户只需输入密码,系统识别对应车位,不同密码对应不同车位,利用脉冲开关、行程开关以及控制器进行控制,旋转出入库将车辆取出,利用升降运动将车辆送达底层,用户将车驶离装置即可。
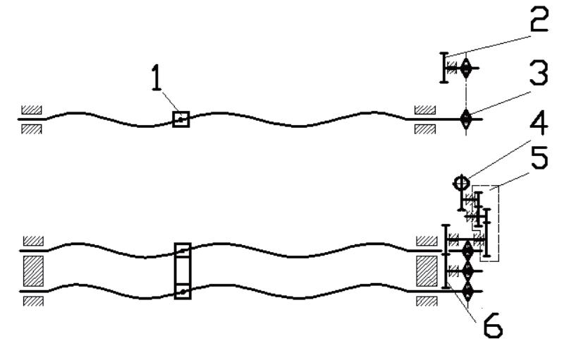
1.3 各模块结构组成及动力分析本停车装置可分为五部分:车库框架、爬壁移车定位系统、旋转出入库系统、控制系统以及辅助装置。1.3.1 车库框架如图2 所示,本装置两个单元并排放置,每单元3 层,共6 个车位。

图2 车库整体结构及局部图
由6 个立柱为主体支撑,10 个长横梁,12 个短梁,辅助构件构成。10 个长横梁连接左右两个单元,12 个短梁连接前后立柱,12 个短梁上设有固定载车板。
本车库整体为框架式,受力合理;建设周期短,成本低;采光性好,不影响小区绿化;不破坏小区设施,不依附其他建筑;存取车辆不需要挪动位置,驾驶员直接找寻空位放入车辆即可。1.3.2 爬壁移车定位系统爬壁移车定位系统由电机、螺杆螺母、联轴器、传动轴、锥齿轮、轴承、轴承座、齿轮及链条构成,见图3。

图3 爬壁移车定位系统模型图
升降运动:升降运动示意图见图4,电机1 通过锥齿轮传动1 进行换向,使传动轴带动锥齿轮传动2,从而驱动螺杆,使托架在上下三层之间移动,爬壁移车定位系统按照系统指令运动到达指定位置时触碰行程开关实现定位,将托架送达各层固定位置。

1. 电动机1 2. 锥齿轮传动1 3. 传动轴4. 锥齿轮传动2 5. 螺旋传动图4 升降运动示意图
横移运动:横移运动示意图见图5,电机2 经过减速器到达齿轮1 和齿轮2,齿轮传动带动传动轴,进而使水平双螺杆驱动,实现托架在左右两个单元之间移动,爬壁移车定位系统按照系统指令运动到达指定位置时触碰行程开关实现左右定位,将托架送达各单元固定位置。

1. 螺旋传动 2. 齿轮1 3. 链传动4. 电动机2 5. 减速器 6. 齿轮2图5 横移运动示意图
对爬壁移车定位系统进行运动和力分析。1)升降运动自由度计算及运动分析爬壁移车定位系统升降运动示意图如4 所示,机构组成:活动构件n=7,低副个数p1=8,高副个数ph=4,故自由度[4]

自由度数为1,原动件个数为1,自由度数和原动件数相等,故运动确定。假设1 号电机的额定转速为n1,减速系统的总传动比为i1, 螺母移动速度为v1,则螺杆转速

螺母移动速度

式中:p 为螺杆机构的螺距,z 为螺杆头数。
2)横移运动自由度计算及运动分析爬壁移车定位系统横移运动示意图如5 所示,机构组成:活动构件n=4,低副个数p1=4,高副个数ph=3,故自由度

自由度数为1,原动件个数为1,自由度数和原动件数相等,故运动确定。
对机构进行受力分析。假设电机功率和扭矩分别为P1 和T1,轿车质量为G,螺杆扭矩为T2,螺杆的轴向力和阻力分别为F1 和Q1(与载车质量及摩擦有关),则当载重物向上运动时有平衡方程

螺杆的扭矩[5]

电机的扭矩和功率分别为

上升一层时间 (h 为一层高度)

其中,d2 为螺纹中径, λ 为螺纹升角,φν 为螺旋传动当量摩擦角。1.3.3 旋转出入库系统旋转出入库系统由托架、3 号电动机、减速器、齿轮机构、联轴器、轴、平台机架、脉冲开关等构成,见图6。

图6 旋转出入库系统模型图
旋转出入库结构示意图见图7, 通过螺旋传动和螺母连接旋转出入库系统,电动机经齿轮传动减速后驱动回转托架转动,使托架旋转一定角度(利用脉冲计数开关进行定位和控制器控制),进行车辆的存取托放动作,使车辆在装置内部精准定位。

1. 螺旋传动 2. 齿轮 3. 齿轮传动减速器4. 电动机 5. 螺母 6. 载梁 7. 托架图7 旋转出入库结构示意图
旋转出入库系统优点:1)取车时,可以根据场地进行设置是否需要自动调换车头,若需要,则底层空余一个车位,旋转出入库系统可直接根据需要进行调整,方便用户使用,特别是对于小区不规则场地,若无法掉头存取时,可先将系统旋转一定角度再进行停放,拖车平台同时也可以收放到装置内部[9,10];2)存车取车同一个位置,便于管理。1.3.4 控制系统控制方案的设计需要了解停车装置存车和取车过程。存车过程:存车运行,判断车辆类型是否符合该停车装置,如果不符合该停车装置,则进行提醒直接结束;如果符合该停车装置,则发放磁卡,进入下一步,检测空车位,自动规划停车路线,完成存放动作,托车平台自行复位,结束存车过程,见图8。取车过程:取车运行,依据之前发放的磁卡进行取车,首先收回磁卡,然后读取数据,规划取车最优路径,移至编码相同的车位完成取车动作,托车平台降至底层,将车辆交付车主,取车过程结束,见图9。

图8 存车流程图

图9 取车流程图
从存车和取车流程可以看出,在控制系统中,检测环节尤为重要。若检测环节出现问题,就会导致不属于该车库类型的车辆被停放在车库中,车库和车辆的安全无法得到保障,甚至造成严重的后果。同时存车和取车过程需要执行单元,执行单元是不可或缺的部分,可保证控制系统实现自动化,收到检测环节的输入信号,使得相应元件能够运行,使PLC 进入所对应的子程序以执行下一步动作,从而控制整个系统的安全可靠运行。
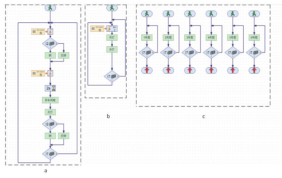
所述停车装置以慧鱼组合模型进行搭建,利用慧鱼组合模型中自带的控制元件进行程序编写,利用ROBOPRO 软件编写程序,该软件编程以简单的流程图形式展现,各部分是单独控制,互不影响,控制程序见图10。

图10 控制程序
1) 开机自检 装置自动运行一个周期,检测各系统工作状态及传感器运转状态,若发现问题,则紧急停止运行,发出检查提示。2) 存放动作 当驾驶员按下存放按钮时,系统检测空车位,将车按照路径停至该空车位;若无空车位,则该系统不启动。3) 取出动作 当驾驶员按下取车按钮时,系统识别信号,托架运动至该车位,将车取出交给驾驶员。1.3.5 辅助装置1) 防滑橡胶在每个车位停放车轮的地方加装防滑橡胶,增大车轮与停车平台之间的摩擦力,其目的是保障车辆的稳定、安全。2) 隔档板在每个车位下方增设有隔挡板,其目的是防止上方车辆向下掉落杂物。3) 车库顶棚在车库顶上加装拱形顶棚, 四周加装防尘装置,其目的是实现车辆防尘。4) 备用电源
设置备用电源,其目的是保证使用电源出现断电情况下装置还能运行。5) 消防装置配置消防装置,其目的是解决突发火灾给车辆带来的不必要损失。6) 检测装置检测装置主要用于检测空车位和检测车辆是否符合停车要求,实现对车库的保护。
2 创新点所述停车装置在设计过程中运用机电一体化系统的设计思想,将机械设计与机械原理、传感器技术、自动控制技术等相关理论知识综合运用到产品设计中,实现跨学科的知识融合。装置创新点表现在:1) 设计理念创新 爬壁移车定位具有独立性,其不仅可以应用于该立体停车装置,也适用于其他具有框架平面运动的立体车库,灵活度高,适应性强。简单的机械结构和可靠的运动使该系统应用广泛,适应性强,大大提高了该停车装置适应诸如住宅小区等特殊区域的能力。
2) 功能创新 旋转出入库,对于小区不规则受限区域,可根据具体情况利用旋转出入库系统调整存取车出入口的角度来解决,若取车时需要调换车头则在底层需留一个空车位,也可将托车板收放到装置内部,使装置功能更加多样化。
3) 结构创新 载车板固定于车库框架上,只用于放置车轮,节省材料。存取车辆时不需要装置内部挪动车位,即各层各单元互不干涉。
3 结束语本设计以慧鱼创意组合模型为实践平台,在传统设计的基础上,根据设计产品的实际应用要求,通过慧鱼创意组合模型搭建相应的机构模型并进行模拟、验证所设计机构的运动和功能,结合应用环境的特点不断对运动方案进行优化,以期达到方便快捷的目的。同时, 在设计中还融入了机电一体化系统的设计思想,综合运用电子控制技术, 以达到预期的设计效果。
参考文献[1] 汤伟. 升降横移式立体车库结构优化及控制策略分析[D]. 合肥: 合肥工业大学,2008.[2] 陈梓生. 立体车库控制系统设计[J]. 电子制作,2016(9):16-18.[3] 孙桓,陈作模,葛文杰. 机械原理[M]. 第8 版. 北京:高等教育出版社,2013.[4] 钱瑞明,金京,杨铁牛,等. 机械设计[M]. 北京:电子工业出版社,2010.[5] 任伯淼,余诚. 机械式立体停车库[M]. 北京:海洋出版社,2001.[6] 王笑竹, 张健. 升降式立体车库提升机构的设计[J]. 机械工程师,2017(4):25-27.[7] 滕英才, 刘斌奇. 新型智能立体车库取车旋转盘设计及优化[J]. 起重运输机械,2014(2):20-24.[8] 谢伟, 郭嘉磊, 徐兰栋, 等. 旋转式智能立体车库设计与制作[J]. 山东工业技术,2019(3):174.[9] 刘振全, 龚海峰, 杜桂荣. 两种实用的提升型式在机械式立体车库中的应用[J]. 机械研究与应用,2003(3):14-15,18[10] Liu Xuetao, Lin Shuxin, Zheng Weigang. Structural design and analysis of a bicycle stereo garage[J]. IOP Conference Series: Earth and Environmental Science,2019,237(3).