本节课给大家讲介绍一个手机壳七彩灯的电路原理,在我们日常手机通讯时经常性会遇到别人来铃声时有七彩灯闪烁,特别是在夜间来电话时,你是不是感觉非常炫酷呢?
视频加载中...
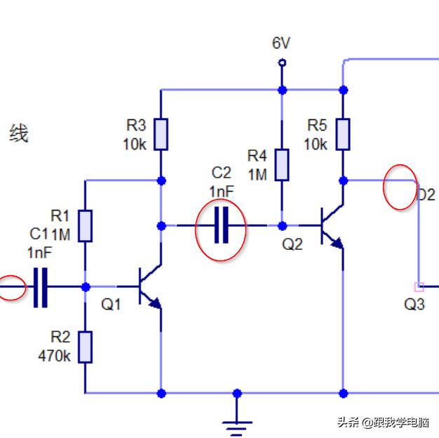
1.接下来我们介绍一下七彩灯闪烁的原理,通过下面这图可以看出,电路相对比较简单,由3只NPN三极管加1只普通二极管以及发光二极管组成.

2.由天线接收到无线电波时,就会通过D1&L1选频进行检波然后通过C1耦合到后级放大电路。

3.其实我们接收到的无线电波分为载波、调制信号普通调幅波形,经过D1检波之后才会出现最终正玄波。
A,载波:就好比是飞机只是一个交通工具。
B,调制信号:就好比是人,或物品
C,调幅波:将人或物品载入到飞机上,然后通知发射塔一起发射出去。
D,检波:最后由接收电路再将调幅波分离之后就是一个完整的频率了

4.通过C1将检波出来的频率直接耦合到Q1的基极,再从Q1集电极取出,然后再通过C2耦合到Q2的基极再通过Q2的集电极取出给Q3的基极。

5.当Q3的基极收到信号后因为信号是交替的变化的,那Q3的基极电流是变化的,导致Q3集电极电流也是变化的,这样导致发光二极管就会不停的交替闪烁.

备注:关注我的头条号:跟我学电脑 ,可以获得2个好处.
1.免费*载下**学习培训资料与视频教程。
2.可以获取老师远程协助或经验分享。

