- 对于汽车交流发电机,它是如何发电的呢?又是如何实现交流电与直流电的转换的呢?又如何实现电压调节的呢?下面我们来一一揭晓。

交流发电机结构

电磁感应现象
电磁感应现象:闭合导体在磁场中运动并切割磁力线后,在导体内会有电流产生,如下图所示:

电磁感应现象
而汽车交流发电机正是利用了这个原理来实现发电的,只不过是靠电磁铁产生磁场。下面就来介绍具体的工作原理。
(1)转子产生磁场。
转子的总成作用是产生磁场,它由其两块爪极、磁场绕组、滑环及轴等组成 。发动机工作时转子线圈中有电流通过,产生磁场,安装于转子轴上的两块爪极被磁化为 N 极和 S 极另一方面,给转子线圈通励磁电流形成电磁铁从而产生磁场,,同时发动机带动转子形成旋转磁场,从而可以切割定子线圈从而产生电动势,当然最开始需要蓄电池提供励磁电流,就是我们所说的他励,待发电机正常工作后,就转为自励,所以汽车发电机的励磁方式为先他励,后自励。

转子
(2)定子产生电动势。
定子又叫电枢,是用来产生交流电动势的,由铁芯和三相绕组组成。定子上绕有三相绕组,用多槽皮带将发动机曲轴动力传输到发电机皮带轮,转动电磁化的转子,在定子线圈中产生三相交流电 。

定子
这样就发出电来了。简单来说就是:
(1)在发电机内部有一个由发动机带动转子(旋转磁场)
(2)磁场外有一个定子绕组, 绕组有3组线圈(3相绕组),3相绕组彼此相隔120度
(3)当转子旋转时,旋转的磁场使固定的电枢绕组切割磁力线(或者说使电枢绕组中通过的磁通量发生变化)而产生电动势。
不过如何去调节输出电压的大小呢,如果没有调节,那么在猛踩油门的时候,转子将会快速旋转,根据物理定律,则产生的磁场强度也增强,从而导致发出的电压过大,可能烧坏用电器。所以需要一个电压调节器来调压。其调压原理为:交流发电机电压调节器的调压原理是当发电机转速升高时,调节器通过减小发电机励磁电流来减小磁通,使发电机的输出电压保持不变,当发电机的转速降低时,调节器通过改变发电机的励磁绕组线圈磁场强弱,使发电机的输出电压保持不变。

汽车发电机发电原理
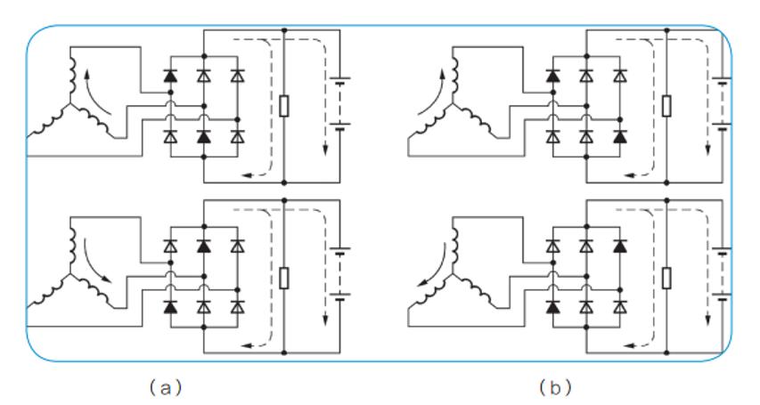
那么有人要问了,汽车发出来的电不是交流电吗,但是汽车上用的可都是直流电啊,交流电是无法用于汽车上的用电器的,所以还需要一个装置进行交流电与直流电的转换,这个装置叫整流器,就是把交流电转变成直流电,其原理是利用二极管的单向导通性实现整流。比如6管交流发电机的整流器是由6只硅整流二极管组成三相全波桥式整流电路,如下图所示。

二极管整流