短路就是电源未经过负载而直接由导线接通成闭合回路。电力系统在运行中,相与相之间或相与地(或中性线)之间发生非正常连接(即短路)时而流过非常大的电流。正常状态下,相与相之间或相与地之间的电阻是非常大的,短路时,其电阻基本为零,用万用表测电阻就完全可以了。这种测量,导电状态下很难有机会测到,但电路非接通状态下就很好测量判定了。
断路当电路没有闭合开关,或者导线没有连接好,即电路在某处断开。处在这种状态的电路叫做断路,又叫开路。用万用表测量时,其基本特征是电阻无阻大。
漏电是用电器外壳和市电火线间由于某种原因连通后和地之间有一定的电位差产生的。检测漏电的最好方法就是用电笔接触带电体,如果氖泡亮一下立刻就熄灭,证明带电体带的是静电;如果长亮定是漏电无疑。 怀疑线路漏电,直接将可能的漏电点对地测电压,如果电压与交流电压接近,就是漏电了。也可以测电阻了,但操作性没有测电压方便。
1、断路故障的检修
电路断路故障是指电路的某一个回路非正常断开,使电流不能在回路中流通的故障。
1.1、断路故障的现象及危害
断路故障的最基本表现形式是回路不通。如断线、电器接触不良等,在某些情况下,断路还会引起电压变化,断路点产生的电弧还可能造成电器火灾和爆炸事故。
1.1.1、电路必须构成回路才能正常工作。电路中某一个回路断路,往往会造成电器装置的部分功能或全部功能丧失(不能工作)。
1.1.2、三相电路中,如果发生一相断路故障,可能使电动机因缺相运行而被烧毁;还可能使三相电路不对称,各相电压发生变化,使其中的某相电压升高,造成故障。三相电路中,如果零线(中性线)断路,则对单相负荷影响更大。
1.2、断路故障原因的查找
检修断路故障,首先要确定断路故障的大致范围,即在哪些线段,在哪些情况下容易发生断路故障。
1.2.1、电接触点是断路故障的多发点:在电路中,除了开关触点等电接触点由于接触不良容易造成断路故障外,电路中的其他电接触点也容易发生断路故障。
a.导线相互连接点:无论是采用绞接、压接、焊接、螺栓连接等任何一种连接方式的导线连接点,都是断路故障的多发点;
b.导线受力点:在外力或反复作用力的作用下,也容易发生断路故障;
c.铜铝过渡点:在电化学腐蚀下,最容易造成接触不良,产生断路故障。
1.2.2、虚接点和虚焊点造成断路故障:形似接触实际上并未接触的连接点称为虚接点,如为焊接连接则为虚焊点。用电烙铁焊接的连接点,若电烙铁温度偏低、焊丝未完全熔化或松香过多又未完全熔化,都可能造成虚焊点。这种虚接点和虚焊点,肉眼不能分辨,只有借用仪器才能检测出。
1.2.3、灰尘也能造成断路故障:某接触器线圈的电吸合非常正常,但却不能接通电路,经检查是接触器点上沾了一层灰尘,造成触点接触不良,类似这种因灰尘、油污、锈迹等造成的电路断路故障也是常见的。
1.3、检修断路故障的方法
首先应根据故障现象判断出属于断路故障,再根据可能发生断路故障的部位确定断路故障的范围和短路回路,然后利用检测工具,找出短路点。
1.3.1、电压法:电路断开,电路中没有电流通过,电路中各种降压元件已不再有电压降落,电源电压全部降落在断路点两端。因而可通过测量断路点的电压判断出断路故障点。
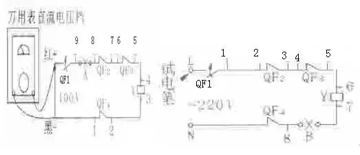
图1所示的简单电路,电源电压为直流100 V,通过常开触点QF1和常闭触点QF2、QF3、QF4,对电磁线圈Y进行控制。检测仪表为通用型万用表,选择直流电压250 V挡位(大于或等于100 V挡位即可)。假定电路在A处存在断路故障点,当常开触点QF1人为闭合(或采用导线短接)后,电磁线圈Y仍不能工作。将万用表红表笔与电源“+”极相连,黑表笔与电源“-”极相连,万用表指示应为100 V,然后,移动黑表笔,依次与端点1、2、3、4、5、6、7、8相连,若万用表指示也为100 V,则说明这些点至电源“-”极的电路无断路故障。当黑表笔移动至端点9时,万用表指示为零,则断路故障就在8-9之间。这时,如果再测量8-9间的电压,必与电源电压相等,进而可判断该电路只有A处一个断路故障点。

1.3.2、电阻法:电路出现断路故障后,断路点两端电阻为无穷大,而其他各段的电阻近似为零,负载两端的电阻则为某一定值。因此,可以通过测量电路各线段电阻值来查找断路点。检测电阻值一般采用万用表欧姆(Ω)挡。以图2为例,假定电路在B点发生断路故障,查找的步骤:断开电源。将万用表置于欧姆挡,且一般选择R×10 Ω或R×1 Ω挡,而不要选择R×1 kΩ以上的高阻挡,以免发生误差。将万用表的一表笔接在电路中的L点,手持另一表笔,将其接在1点,由于电源L和1之间为一常开触点,应手动将其闭合后再断开,观察表头指示,以检查此触点是否正常。再将常开触点QF1短接,然后依次将表笔接于2~8。在7点处,万用表指示电阻为线圈Y的电阻RY,即R1-7=RY。在8点处,万用表指示电阻为∞,则断路故障发生在7-8之间的连接线处。
断路个人感悟:
电压法:就是将电路中有开路的地方全部认为强制合上(通电状况下),然后用万用表的表笔,两只表笔都接到电路的输入电压处,然后其中一支表笔不动,一支表笔沿着其中的一根电线的各个接触点移动,没有断路的话电压都显示为输入电压U,如果在某处(N+1)电压显示为0则,在此为为断路点,断路点在(N,N+1)这一段线路中。
电阻法:就是将电路中有开路的地方全部认为强制合上(不通电状况下),然后用万用表的表笔,两只表笔都接到电路的输入电压处,然后其中一支表笔A不动,另外一支B表笔沿着表笔B电线线路的各个接触点移动,没有断路的话万用表中电阻都显示有数值,如果在某处(N+1)电阻显示为∞(0.L M Ω)则,在此为为断路点,断路点在(N,N+1)这一段线路中。
这两种方法实际上很简单,就是把万用表两表笔接触在输入电压接触处,然后一支表笔不动,一支表笔依次沿着线路移动。通电状况下如果万用表无电压则此处为断点。不通电状况下万用表电阻为无穷大,那么此处为断点。这两种方法都可以。安全的花使用电阻法比较好。
2、短路和短接故障的检修
电路中不同电位的两点被导体短接起来或者其间的绝缘被击穿,造成电路不能正常工作的故障,称为短路故障,某些情况下也称为短接故障。

图3 短路和短接故障
在图3中,负载R是电路中的主要降压元件,即电路工作时,电源电动势主要降落在负载两端(A1、A2之间),A1、A2是不等电位的两点,若A1、A2被导体短接,则电路不能工作,这样的故障称为短路故障。图中,开关S断开时,B1和B2两点为不同电位;开关S闭合时,B1和B2两点为等电位。如果B1、B2之间被导体短接,将造成电路不能断开的故障,这种故障通常称为短接故障。
短路是最常见的电路故障,其危害性最大,由此而引发的其它电器故障也最多。在电路中,主要降压元件是负载(如电热器,电动机线圈等),也就是说,电路正常工作时,负载两端短路是最严重的短路故障。
2.1、金属性短路、非金属性短路和短接故障
2.1.1、不同电位的两个金属导体直接相接或被金属电线短接,称为金属性短路。金属性短路时,短路点电阻为零,因而短路电流很大。在图4(a)中,由于发生金属性短路,回路中的电阻只有导线电阻R,则短路电流为I=U/R=220V/01 Ω=2 200 A。
2.1.2、若不同电位两点不是直接相接,而经过一定的电阻相接,则称为非金属性短路。非金属性短路时,短路点电阻不为零,因而短路电流不及金属性短路大,但持续时间可能很长,在某些情况下,这种故障危害性更大。图4(b),为两处接地而构成了经过两个接地电阻的非金属性短路示意图。假定接地电阻RE均为4 Ω,则短路电流为I=U/2RE=220 V/(4+4)Ω=275 A。这个电流可能还不足以使断路器跳闸、熔断器熔体熔断,但短路故障的长期存在会造成更大的危险。

2.1.3、短接故障:电路中按钮、开关、继电器触点、熔断器等,是对电路通断进行手动或自动控制的元件。电路工作时,这些元件均处于闭合状态,元件两端电位相同;当其中某一元件断开时,断开元件两端电位不同。因此,这些元件两端如果被短接,实际上属于短路故障,其影响也是很大的。在图5所示电路中,当各元件中的一个发生短接故障时,都会使电路不能正常工作。例如:熔断器FU被短接,电路失去过载和短路保护,从而造成电路更严重的故障;起动按钮SB1被短接,只要有电源,电路就工作,无法对电路进行控制;停止按钮SB2被短接,电路将不能断开;联锁触点K2被短接,电路将失去联锁功能,即K2不工作,K1也能工作,这将引发更严重的故障。

2.2、短路故障的危害
发生短路故障后,电路的阻抗比正常运行时电路的阻抗小得多,因此短路电流比正常工作电流要大几十倍,甚至几百倍。在高电压下,电路中的短路电流可达数千万安培,从而将对电路中的导线、开关及其他元件造成很大的危害,还会影响其它电路的正常工作。
2.2.1、短路电流的电动力效应:在供电系统中,强大的短路电流,特别是冲击电流,使相邻导体间产生巨大的电动力。这种电动力可能使母线弯曲变形,使母线固定件损坏,也可能使闸刀开关相邻刀片变形,造成开关损坏。
2.2.2、短路电流的热效应:短路电流的热效应具有最严重的危害。短路电流在导体中产生的热量,全部用来使导体的温度升高。导体温度升高,使导体机械强度下降,使触点金属熔化,小截面导线烧断,形成电路断路。在高温下,电路中的传导元件,如开关触点、硅整流器件等将烧毁或造成热击穿。短路时的高温使导体的绝缘材料等燃烧,进而引燃导体周围的易燃物,造成火灾。
2.2.3、短路电流的电压降效应:强大的短路电流流过导线时,在导线阻抗产生电压降落,从而使电网电压下降。以图6为例,在正常情况下,由于线路中电流较小,沿线电压降较小,电源电压为U1,到负载端电压为U2(见图中曲线2);当K点短路后,该点电压为零,电源端电压也大大下降,从而使接于该电网中的电器设备不能正常工作。例如,异步电动机的转矩与其外加电压的平方成正比,当电压降低很多时,电动机会因转矩减小到不足以带动机械工作而停转,甚至使电动机烧毁。
2.3、短路故障原因
产生短路故障的基本原因是不同电位的导体之间的绝缘击穿或者相互短接。
2.3.1、绝缘击穿:电路中不同电位的导体是相互绝缘的,如果这种绝缘被损坏,就会发生短路故障。
2.3.2、导线相接:两条不等电位的导线短接,这种短接可能是外力作用、也可能是人为的误操所造成。例如,导线摆动,使两相导线相碰;树枝使导线短接;临时短接线未拆,造成严重短路;线头不包扎,使导线短接;插座未上盖,导线被短接。
2.3.3、动物作祟:鸟类、老鼠等类动物作祟,也是电路短路故障的重要原因。
2.3.4、在架空电力线路下方违章作业:在架空电力电路下方进行吊装和其他作业,不按规定操作,也容易造成电力线路短路。
2.4、检修短路故障的方法
从检修电器故障方面来考虑,短路故障具有以下特点:短路点(即短路两端)的电阻(或阻抗)为零或接近于零;短路电路具有很大的破坏性,一旦发生短路,一般不能再直接通电检查,与断路故障不同。短路故障发生后,电路的保护元件(如熔断器、断路器等)动作,而保护元件可能控制多个回路组成的区域,因而查找电器短路故障,必须先从故障区域找出故障回路,然后再在故障回路中找到短路故障点。
短路故障回路的查找:万用表法—万用表法是在电路断电后,用万用表欧姆挡(电阻挡)测定短路回路电阻的方法。以图7为例,假定熔断器FU的熔体熔断,说明该熔断器保护的区域发生短路故障,这个故障区域包括1~3三个回路和干线。在断开电源的情况下,将熔断器 FU的熔体接好,将万用表置于欧姆挡“R×10 Ω”(不要置于倍数大的欧姆挡,以免因为人体电阻等造成读数错误),接于L、N端,且断开S1、S2、S3,使各回路断开,若万用表指示电阻为零,说明短路故障发生在干线上,如图7(a)所示。若万用表指示电阻为“∞”或很大,则短路故障发生在1~3的某个回路中。依次合上开关S1、S2、S3。若合上S1、S2时,万用表指示电阻为某一确定值,合上S3时,万用表指示电阻为零,则说明故障点在第3回路中,如图7(b)所示。
注:不能单独测某一线路或者某个元件后电阻为0就说找个支路短接了,因为电线一般都是两芯线或者三芯线,在测量支线中必须有一个负载,找个负载有一定的电阻,然后用找个负载一起跟其他线路串着测量,原先有电阻,加入一个线路后突然没电阻了,那么加入的那个线路跟负载之间肯定短路了。也就说说要测量必须是(有电阻R的负载+依次加入其他线路====突然电阻为0)判断出这些支路短路了,然后再在这些支路中依次排除没短路的地方,最后找出短路点。OK?

短路故障点的查找:查找到短路故障支路后,还要继续确定故障点的具体部位。短路故障点必然是回路中降压元件(如灯泡、电压型线圈、电动机绕组、电阻等负载)的两端或内部。以图8所示的电路为例,查找该回路短路故障点的方法是:断开降压元件R(图中为灯泡)的一端,用万用表电阻挡测量1-2之间(即降压元件两端)的电阻。若电阻为零,说明短路点在此负载内部;若电阻为某一数值,说明负载内部完好,短路点在负载设备外部。若短路点在外部,再测量1-3点间的电阻。若阻值为零,则短路故障在3#导线至1#导线间。断开这些线段的某些点依次测量,可找到确定的短路故障点。

短路个人感悟:线路短路的话,要检测处短路点,必须要再断开电源的情况下才可以检测。短路点(即短路两端)的电阻(或阻抗)为零或接近于零;一旦发生短路,必须先判断短路是在主干路还是支干路,先把所有的开关都关了,然后把万用表的两只表笔接到主线路的L,N,然后测量电阻值,如果此时电阻值为0,则是主干路短路了,如果电阻值不为0,则是支干路短路了,再依次合上每一个支干路,当合上某一支路B时,若此时电阻为0,则此支路B短路了。
支干路短路点的查找:短路故障点必然是回路中降压元件(如灯泡、电压型线圈、电动机绕组、电阻等负载)的两端或内部。断开降压元件R(图中为灯泡)的一端,用万用表电阻挡测量1-2(电灯)之间(即降压元件两端)的电阻。若电阻为零,说明短路点在此负载内部;若电阻为某一数值,说明负载内部完好,短路点在负载设备外部。若短路点在外部,再测量1-3点间的电阻。若阻值为零,则短路故障在3#导线至1#导线间。断开这些线段的某些点依次测量,可找到确定的短路故障点。断开这些线段的某些点依次测量,可找到确定的短路故障点。
3、电路接地故障的检修
电路中某电线非正常接地所形成的故障,称为接地故障。接地故障有单相接地故障、两相或三相接地故障。对于中性点接地系统的单相接地,实际上构成了单相断路故障。对于中性点不接地的单相接地,将使三相对地电压发生严重变化,从而造成电器绝缘击穿故障等。
在电路中,该接地的没有接地或因其它原因破坏了这个接地,都属于电器故障。从本质上讲,电路接地故障就是电路对地的绝缘损坏,使电路对地的绝缘电阻大大降低,甚至为零。因此查找电路接地故障,只要测量电路对地的绝缘电阻即可,当此绝缘电阻很低时,则只要测量其间的电阻即可。因而查找电路接地故障可以用兆欧表进行测量,也可以用万用表电阻挡进行测量。

图9 用绝缘电阻表测量电路接地故障
图9所示电路,当三相电路的L2相接地时,首先应断开电源,拆除与三相电路相连的设备,使三相导线不能通过设备的绕组相互连在一起,然后用兆欧表依次测量各相对地的绝缘电阻值(ΜΩ),而L2相对地绝缘电阻为零或很低。当绝缘电阻为零时,用万用表电阻挡测量效果一样;当还有一定的绝缘电阻时,用万用表电阻挡测量可能会得不到正确的结论。
接地个人感悟:电路接地故障就是电路对地的绝缘损坏,使电路对地的绝缘电阻大大降低,甚至为零。因此查找电路接地故障,只要测量电路对地的绝缘电阻即可,首先应断开电源,拆除与三相电路相连的设备,使三相导线不能通过设备的绕组相互连在一起,然后用兆欧表依次测量各相对地的绝缘电阻值(ΜΩ)。
其他常识
干电池、蓄电瓶等都是直流电(有正负极标志)电压不同,有1.5、3、6、9、12、24、36伏等等。民用电,是交流电220伏。
电流的测量:先将黑表笔(负极)插入[COM"孔.红笔是正级。将万用表串进电路中.保持稳定.即可读数。