电子设备中有各种各样的图。能够说明它们工作原理的是电原理图,简称电路图。
电路图有两种,一种是说明模拟电子电路工作原理的。它用各种图形符号表示电阻器、电容器、开关、晶体管等实物,用线条把元器件和单元电路按工作原理的关系连接起来。这种图长期以来就一直被叫做电路图。
另一种是说明数字电子电路工作原理的。它用各种图形符号表示门、触发器和各种逻辑部件,用线条把它们按逻辑关系连接起来,它是用来说明各个逻辑单元之间的逻辑关系和整机的逻辑功能的。为了和模拟电路的电路图区别开来,就把这种图叫做逻辑电路图,简称逻辑图。
除了上述两种图外,常用的还有方框图。它用一个框表示电路的一部分,它能简洁明了地说明电路各部分的关系和整机的工作原理。
一张电路图就好象是一篇文章,各种单元电路就好比是句子,而各种元器件就是组成句子的单词。所以要想看懂电路图,还得从认识单词 —— 元器件开始。有关电阻器、电容器、电感线圈、晶体管等元器件的用途、类别、使用方法等内容。本文只把电路图中常出现的各种符号重述一遍,希望初学者熟悉它们,并记住不忘。
电阻器与电位器
符号详见图 1 所示 , 其中( a )表示一般的阻值固定的电阻器,( b )表示半可调或微调电阻器;( c )表示电位器;( d )表示带开关的电位器。电阻器的文字符号是“ R ”,电位器是“ RP ”,即在 R 的后面再加一个说明它有调节功能的字符“ P ”。

在某些电路中,对电阻器的功率有一定要求,可分别用图 1 中( e )、( f )、( g )、( h )所示符号来表示。
几种特殊电阻器的符号:
第 1 种是热敏电阻符号 ,热敏电阻器的电阻值是随外界温度而变化的。有的是负温度系数的,用 NTC 来表示;有的是正温度系数的,用 PTC 来表示。它的符号见图( i ),用 θ 或 t° 来表示温度。它的文字符号是“ RT ”。
第 2 种是光敏电阻器符号 ,见图 1 ( j ),有两个斜向的箭头表示光线。它的文字符号是“ RL ”。
第 3 种是压敏电阻器的符号 ,压敏电阻阻值是随电阻器两端所加的电压而变化的。符号见图 1 ( k ),用字符 U 表示电压。它的文字符号是“ RV ”。
这三种电阻器实际上都是半导体器件,但习惯上我们仍把它们当作电阻器。
第 4 种特殊电阻器符号 是表示新近出现的保险电阻,它兼有电阻器和熔丝的作用。当温度超过 500℃ 时,电阻层迅速剥落熔断,把电路切断,能起到保护电路的作用。它的电阻值很小,目前在彩电中用得很多。它的图形符号见图 1 ( 1 ),文字符号是“ R F ”。
电容器的符号
详见图2 所示 , 其中( a )表示容量固定的电容器,( b )表示有极性电容器,例如各种电解电容器,( c )表示容量可调的可变电容器。( d )表示微调电容器,( e )表示一个双连可变电容器。电容器的文字符号是 C 。

电感器与变压器的符号
电感线圈在电路图中的图形符号见图 3 。其中( a )是电感线圈的一般符号,( b )是带磁芯或铁芯的线圈,( c )是铁芯有间隙的线圈,( d )是带可调磁芯的可调电感,( e )是有多个抽头的电感线圈。电感线圈的文字符号是“ L ”。

变压器的图形符号见图 4 。其中( a )是空芯变压器,( b )是滋芯或铁芯变压器,( c )是绕组间有屏蔽层的铁芯变压器,( d )是次级有中心抽头的变压器,( e )是耦合可变的变压器,( f )是自耦变压器,( g )是带可调磁芯的变压器,( h )中的小圆点是变压器极性的标记。

送话器、拾音器和录放音磁头的符号
送话器的符号见图 5 ☟ ( a )( b )( c ),其中( a )为一般送话器的图形符号,( b )是电容式送话器,( c )是压电晶体式送话器的图形符号。送话器的文字符号是“ BM ”。

拾音器俗称电唱头。 图 5 ( d )是立体声唱头的图形符号,它的文字符号是“ B ”。图 5 ( e )是单声道录放音磁头的图形符号。如果是双声道立体声的,就在符号上加一个“ 2 ”字,见图( f )。
扬声器、耳机的符号
扬声器、耳机都是把电信号转换成声音的换能元件。 耳机的符号见图 5 ( g )。它的文字符号是“ B E ”。扬声器的符号见图 5 ( h ),它的文字符号是“ BL ”。
接线元件的符号
电子电路中常常需要进行电路的接通、断开或转换,这时就要使用接线元件。接线元件有两大类:一类是开关;另一类是接插件。
( 1 )开关的符号
在机电式开关中至少有一个动触点和一个静触点。当我们用手扳动、推动或是旋转开关的机构,就可以使动触点和静触点接通或者断开,达到接通或断开电路的目的。
动触点和静触点的组合一般有 3 种: ① 动合(常开)触点,符号见图 6 ( a );② 动断(常闭)触点,符号是图 6 ( b );③ 动换(转换)触点,符号见图 6 ( c )。一个最简单的开关只有一组触点,而复杂的开关就有好几组触点。

开关在电路图中的图形符号见图 7 。其中( a )表示一般手动开关;( b )表示按钮开关,带一个动断触点;( c )表示推拉式开关,带一组转换触点;图中把扳键画在触点下方表示推拉的动作;( d )表示旋转式开关,带 3 极同时动合的触点;( e )表示推拉式 1×6 波段开关;( f )表示旋转式 1×6 波段开关的符号。开关的文字符号用“ S ”,对控制开关、波段开关可以用“ SA ”,对按钮式开关可以用“ SB ”。

( 2 )接插件的符号
接插件的图形符号见图 8 。 其中( a )表示一个插头和一个插座,(有两种表示方式)左边表示插座,右边表示插头。( b )表示一个已经插入插座的插头。( c )表示一个 2 极插头座,也称为 2 芯插头座。( d )表示一个 3 极插头座,也就是常用的 3 芯立体声耳机插头座。( e )表示一个 6 极插头座。为了简化也可以用图( f )表示,在符号上方标上数字 6 ,表示是 6 极。接插件的文字符号是 X 。为了区分,可以用“ XP ”表示插头,用“ XS ”表示插座。

继电器的符号
因为继电器是由线圈和触点组两部分组成的,所以继电器在电路图中的图形符号也包括两部分:
一个长方框表示线圈;一组触点符号表示触点组合。当触点不多电路比较简单时,往往把触点组直接画在线圈框的一侧,这种画法叫集中表示法,如图 9 ( a )。当触点较多而且每对触点所控制的电路又各不相同时,为了方便,常常采用分散表示法。就是把线圈画在控制电路中,把触点按各自的工作对象分别画在各个受控电路里。这种画法对简化和分析电路有利。但这种画法必须在每对触点旁注上继电器的编号和该触点的编号,并且规定所有的触点都应该按继电器不通电的原始状态画出。
图 9 ( b )是一个触摸开关 。当人手触摸到金属片 A 时, 555 时基电路输出( 3 端)高电位,使继电器 KR1 通电,触点闭合使灯点亮使电铃发声。555 时基电路是控制部分,使用的是 6 伏低压电。电灯和电铃是受控部分,使用的是 220 伏市电。

继电器的文字符号都是“ K ”。有时为了区别,交流继电器用“ KA ”,电磁继电器和舌簧继电器可以用“ KR ”,时间继电器可以用“ KT ”。
电池及熔断器符号
电池的图形符号见图 10 。长线表示正极,短线表示负极,有时为了强调可以把短线画得粗一些。图 10 ( b )是表示一个电池组。有时也可以把电池组简化地画成一个电池,但要在旁边注上电压或电池的数量。图 10 ( c )是光电池的图形符号。电池的文字符号为“ GB ”。熔断器的图形符号见图 11 ,它的文字符号是“ FU ”。

二极管、三极管符号
半导体二极管在电路图中的图形符号见图 12 。其中( a )为一段二极管的符号,箭头所指的方向就是电流流动的方向,就是说在这个二级管上端接正,下端接负电压时它就能导通。图( b )是稳压二极管符号。图( c )是变容二极管符号,旁边的电容器符号表示它的结电容是随着二极管两端的电压变化的。图( d )是热敏二极管符号。图( e )是发光二极管符号,用两个斜向放射的箭头表示它能发光。图( f )是磁敏二极管符号,它能对外加磁场作出反应,常被制成接近开关而用在自动控制方面。二极管的文字符号用“ V ”,有时为了和三极管区别,也可能用“ VD ”来表示。

由于 PNP 型和 NPN 型三极管在使用时对电源的极性要求是不同的,所以在三极管的图形符号中应该能够区别和表示出来。 图形符号的标准规定:只要是 PNP 型三极管,不管它是用锗材料的还是用硅材料的,都用图 13 ( a )来表示 。同样,只要是 NPN 型三极管,不管它是用锗材料还是硅材料的,都用图 13 ( b )来表示。图 13 ( c )是光敏三极管的符号。图 13 ( d )表示一个硅 NPN 型磁敏三极管。

晶闸管、单结晶体管、场效应管的符号
晶闸管是晶体闸流管或可控硅整流器的简称,常用的有单向晶闸管、双向晶闸管和光控晶闸管,它们的符号分别为图 14 中的( a )( b )( c )。晶闸管的文字符号是“ VS ”。

单结晶体管的符号见图 15 。

利用电场控制的半导体器件,称为场效应管,它的符号如图 16 所示,其中( a )表示 N 沟道结型场效应管,( b )表示 N 沟道增强型绝缘栅场效应管,( c )表示 P 沟道耗尽型绝缘栅场效应管。它们的文字符号也是“ VT ”。

前面介绍了电路图中的元器件的作用和符号。一张电路图通常有几十乃至几百个元器件,它们的连线纵横交叉,形式变化多端,初学者往往不知道该从什么地方开始,怎样才能读懂它。
其实电子电路本身有很强的规律性,不管多复杂的电路,经过分析可以发现,它是由少数几个单元电路组成的。好象孩子们玩的积木,虽然只有十来种或二三十种块块,可是在孩子们手中却可以搭成几十乃至几百种平面图形或立体模型。
同样道理,再复杂的电路,经过分析就可发现,它也是由少数几个单元电路组成的。因此初学者只要先熟悉常用的基本单元电路,再学会分析和分解电路的本领,看懂一般的电路图应该是不难的。
按单元电路的功能可以把它们分成若干类,每一类又有好多种,全部单元电路大概总有几百种。下面我们选最常用的基本单元电路来介绍。让我们从电源电路开始。
电源电路的功能和组成
每个电子设备都有一个供给能量的电源电路。电源电路有整流电源、逆变电源和变频器三种。常见的家用电器中多数要用到直流电源。直流电源的最简单的供电方法是用电池。但电池有成本高、体积大、需要不时更换(蓄电池则要经常充电)的缺点,因此最经济可靠而又方便的是使用整流电源。
电子电路中的电源一般是低压直流电,所以要想从 220 伏市电变换成直流电,应该先把 220 伏交流变成低压交流电,再用整流电路变成脉动的直流电,最后用滤波电路滤除脉动直流电中的交流成分后才能得到直流电。有的电子设备对电源的质量要求很高,所以有时还需要再增加一个稳压电路。因此整流电源的组成一般有四大部分,见图 1 。其中变压电路其实就是一个铁芯变压器,需要介绍的只是后面三种单元电路。

整流电路
整流电路是利用半导体二极管的单向导电性能把交流电变成单向脉动直流电的电路。
( 1 )半波整流
半波整流电路只需一个二极管,见图 2 ( a ) 。在交流电正半周时 VD 导通,负半周时 VD 截止,负载 R 上得到的是脉动的直流电。


( 2 )全波整流
全波整流要用两个二极管,而且要求变压器有带中心抽头的两个圈数相同的次级线圈,见图 2 ( b )。负载 R L 上得到的是脉动的全波整流电流,输出电压比半波整流电路高。
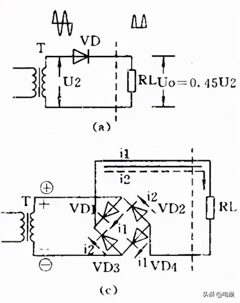
( 3 )全波桥式整流
用 4 个二极管组成的桥式整流电路可以使用只有单个次级线圈的变压器,见图 2 ( c )。负载上的电流波形和输出电压值与全波整流电路相同。
( 4 )倍压整流
用多个二极管和电容器可以获得较高的直流电压。图 2 ( d )是一个二倍压整流电路。当 U2 为负半周时 VD1 导通, C1 被充电, C1 上最高电压可接近 1.4U2 ;当 U2 正半周时 VD2 导通, C1 上的电压和 U2 叠加在一起对 C2 充电,使 C2 上电压接近 2.8U2 ,是 C1 上电压的 2 倍,所以叫倍压整流电路。
滤波电路
整流后得到的是脉动直流电,如果加上滤波电路滤除脉动直流电中的交流成分,就可得到平滑的直流电。
( 1 )电容滤波
把电容器和负载并联,如图 3 ( a ),正半周时电容被充电,负半周时电容放电,就可使负载上得到平滑的直流电。


( 2 )电感滤波
把电感和负载串联起来,如图 3 ( b ),也能滤除脉动电流中的交流成分。
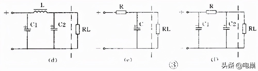
( 3 ) L 、 C 滤波
用 1 个电感和 1 个电容组成的滤波电路因为象一个倒写的字母“ L ”,被称为 L 型,见图 3 ( c )。用 1 个电感和 2 个电容的滤波电路因为象字母“ π ”,被称为 π 型,见图 3 ( d ),这是滤波效果较好的电路。
( 4 ) RC 滤波
电感器的成本高、体积大,所以在电流不太大的电子电路中常用电阻器取代电感器而组成 RC 滤波电路。同样,它也有 L 型,见图 3 ( e );π 型,见图 3 ( f )。
稳压电路
交流电网电压的波动和负载电流的变化都会使整流电源的输出电压和电流随之变动,因此要求较高的电子电路必须使用稳压电源。
(1 )稳压管并联稳压电路
用一个稳压管和负载并联的电路是最简单的稳压电路,见图 4 ( a )。 图中 R 是限流电阻。这个电路的输出电流很小,它的输出电压等于稳压管的稳定电压值 V Z 。


(2 )串联型稳压电路
有放大和负反馈作用的串联型稳压电路是最常用的稳压电路。它的电路和框图见图 4 ( b )、( c )。它是从取样电路( R3 、 R4 )中检测出输出电压的变动,与基准电压( V Z )比较并经放大器( VT2 )放大后加到调整管( VT1 )上,使调整管两端的电压随着变化。如果输出电压下降,就使调整管管压降也降低,于是输出电压被提升;如果输出电压上升,就使调整管管压降也上升,于是输出电压被压低,结果就使输出电压基本不变。在这个电路的基础上发展成很多变型电路或增加一些辅助电路,如用复合管作调整管,输出电压可调的电路,用运算放大器作比较放大的电路,以及增加辅助电源和过流保护电路等。
( 3 )开关型稳压电路
近年来广泛应用的新型稳压电源是开关型稳压电源。它的调整管工作在开关状态,本身功耗很小,所以有效率高、体积小等优点,但电路比较复杂。
开关稳压电源从原理上分有很多种。它的基本原理框图见图 4 ( d ) 。图中电感 L 和电容 C 是储能和滤波元件,二极管 VD 是调整管在关断状态时为 L 、 C 滤波器提供电流通路的续流二极管。开关稳压电源的开关频率都很高,一般为几~几十千赫,所以电感器的体积不很大,输出电压中的高次谐波也不多。
它的基本工作原理是 : 从取样电路( R3 、 R4 )中检测出取样电压经比较放大后去控制一个矩形波发生器。矩形波发生器的输出脉冲是控制调整管( VT )的导通和截止时间的。如果输出电压 U 0 因为电网电压或负载电流的变动而降低,就会使矩形波发生器的输出脉冲变宽,于是调整管导通时间增大,使 L 、 C 储能电路得到更多的能量,结果是使输出电压 U 0 被提升,达到了稳定输出电压的目的。
( 4 )集成化稳压电路
近年来已有大量集成稳压器产品问世,品种很多,结构也各不相同。目前用得较多的有三端集成稳压器,有输出正电压的 CW7800 系列和输出负电压的 CW7900 系列等产品。输出电流从 0.1A ~ 3A ,输出电压有 5V 、 6V 、 9V 、 12V 、 15V 、 18V 、 24V 等多种。
这种集成稳压器只有三个端子,稳压电路的所有部分包括大功率调整管以及保护电路等都已集成在芯片内。使用时只要加上散热片后接到整流滤波电路后面就行了。外围元件少,稳压精度高,工作可靠,一般不需调试。
图 4 ( e )是一个三端稳压器电路。图中 C 是主滤波电容, C1 、 C2 是消除寄生振荡的电容 ,VD 是为防止输入短路烧坏集成块而使用的保护二极管。
电源电路读图要点和举例
电源电路是电子电路中比较简单然而却是应用最广的电路。拿到一张电源电路图时,应该:
① 先按“整流 — 滤波 — 稳压”的次序把整个电源电路分解开来,逐级细细分析。
② 逐级分析时要分清主电路和辅助电路、主要元件和次要元件,弄清它们的作用和参数要求等。例如开关稳压电源中,电感电容和续流二极管就是它的关键元件。
③ 因为晶体管有 NPN 和 PNP 型两类,某些集成电路要求双电源供电,所以一个电源电路往往包括有不同极性不同电压值和好几组输出。读图时必须分清各组输出电压的数值和极性。在组装和维修时也要仔细分清晶体管和电解电容的极性,防止出错。
④ 熟悉某些习惯画法和简化画法。⑤ 最后把整个电源电路从前到后全面综合贯通起来。这张电源电路图也就读懂了。
例 1 电热毯控温电路
图 5 是一个电热毯电路。 开关在“ 1 ”的位置是低温档。220 伏市电经二极管后接到电热毯,因为是半波整流,电热毯两端所加的是约 100 伏的脉动直流电,发热不高,所以是保温或低温状态。开关扳到“ 2 ”的位置, 220 伏市电直接接到电热毯上,所以是高温档。

例 2 高压电子灭蚊蝇器
图 6 是利用倍压整流原理得到小电流直流高压电的灭蚊蝇器。 220 伏交流经过四倍压整流后输出电压可达 1100 伏,把这个直流高压加到平行的金属丝网上。网下放诱饵,当苍蝇停在网上时造成短路,电容器上的高压通过苍蝇身体放电把蝇击毙。苍蝇尸体落下后,电容器又被充电,电网又恢复高压。这个高压电网电流很小,因此对人无害。

由于昆虫夜间有趋光性,因此如在这电网后面放一个 3 瓦荧光灯或小型黑光灯,就可以诱杀蚊虫和有害昆虫。
例 3 实用稳压电源
图 7 是一个实用的稳压电源。 输出电压 3 ~ 9 伏可调,输出电流最大 100 毫安。这个电路就是串联型稳压电源电路。要注意的是 :① 整流桥的画法和图 2 ( c )不同,实际上它就是桥式整流电路。② 这个电路使用 PNP 型锗管,所以输出是负电压,正极接地。③ 用两个普通二极管代替稳压管。任何二极管的正向压降都是基本不变的,因此可用二极管代替稳压管。2AP 型二极管的正向压降约是 0.3 伏, 2CP 型约是 0.7 伏, 2CZ 型约是 1 伏。图中用了两个 2CZ 二极管作基准电压。④ 取样电阻是一个电位器,所以输出电压是可调的。

能够把微弱的信号放大的电路叫做放大电路或放大器。例如助听器里的关键部件就是一个放大器。
放大电路的用途和组成
放大器有交流放大器和直流放大器。交流放大器又可按频率分为低频、中源和高频;接输出信号强弱分成电压放大、功率放大等。此外还有用集成运算放大器和特殊晶体管作器件的放大器。它是电子电路中最复杂多变的电路。但初学者经常遇到的也只是少数几种较为典型的放大电路。
读放大电路图时也还是按照“逐级分解、抓住关键、细致分析、全面综合”的原则和步骤进行。首先把整个放大电路按输入、输出逐级分开,然后逐级抓住关键进行分析弄通原理。放大电路有它本身的特点:一是有静态和动态两种工作状态,所以有时往往要画出它的直流通路和交流通路才能进行分析;二是电路往往加有负反馈,这种反馈有时在本级内,有时是从后级反馈到前级,所以在分析这一级时还要能“瞻前顾后”。在弄通每一级的原理之后就可以把整个电路串通起来进行全面综合。
下面我们介绍几种常见的放大电路:
低频电压放大器
低频电压放大器是指工作频率在 20 赫~ 20 千赫之间、输出要求有一定电压值而不要求很强的电流的放大器。
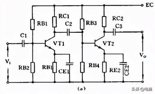
( 1 )共发射极放大电路
图 1 ( a )是共发射极放大电路。 C1 是输入电容, C2 是输出电容,三极管 VT 就是起放大作用的器件, RB 是基极偏置电阻 ,RC 是集电极负载电阻。1 、 3 端是输入, 2 、 3 端是输出。3 端是公共点,通常是接地的,也称“地”端。静态时的直流通路见图 1 ( b ),动态时交流通路见图 1 ( c )。电路的特点是电压放大倍数从十几到一百多,输出电压的相位和输入电压是相反的,性能不够稳定,可用于一般场合。


( 2 )分压式偏置共发射极放大电路
图 2 比图 1 多用 3 个元件。 基极电压是由 RB1 和 RB2 分压取得的,所以称为分压偏置。发射极中增加电阻 RE 和电容 CE , CE 称交流旁路电容,对交流是短路的;RE 则有直流负反馈作用。所谓反馈是指把输出的变化通过某种方式送到输入端,作为输入的一部分。如果送回部分和原来的输入部分是相减的,就是负反馈。图中基极真正的输入电压是 RB2 上电压和 RE 上电压的差值,所以是负反馈。由于采取了上面两个措施,使电路工作稳定性能提高,是应用最广的放大电路。


( 3 )射极输出器
图 3 ( a )是一个射极输出器。 它的输出电压是从射极输出的。图 3 ( b )是它的交流通路图,可以看到它是共集电极放大电路。

这个图中,晶体管真正的输入是 V i 和 V o 的差值,所以这是一个交流负反馈很深的电路。由于很深的负反馈,这个电路的特点是:电压放大倍数小于 1 而接近 1 ,输出电压和输入电压同相,输入阻抗高输出阻抗低,失真小,频带宽,工作稳定。它经常被用作放大器的输入级、输出级或作阻抗匹配之用。
( 4 )低频放大器的耦合
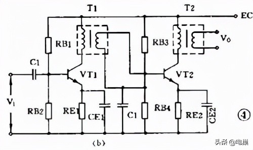
一个放大器通常有好几级,级与级之间的联系就称为耦合。放大器的级间耦合方式有三种:①RC 耦合,见图 4 ( a )。优点是简单、成本低。但性能不是最佳。② 变压器耦合,见图 4 ( b )。优点是阻抗匹配好、输出功率和效率高,但变压器制作比较麻烦。③ 直接耦合,见图 4 ( c )。优点是频带宽,可作直流放大器使用,但前后级工作有牵制,稳定性差,设计制作较麻烦。



功率放大器
能把输入信号放大并向负载提供足够大的功率的放大器叫功率放大器。例如收音机的末级放大器就是功率放大器。
( 1 )甲类单管功率放大器

图 5 是单管功率放大器, C1 是输入电容, T 是输出变压器。它的集电极负载电阻 Ri′ 是将负载电阻 R L 通过变压器匝数比折算过来的:
RC′= ( N1 N2 ) 2 RL=N 2 RL
负载电阻是低阻抗的扬声器,用变压器可以起阻抗变换作用,使负载得到较大的功率。
这个电路不管有没有输入信号,晶体管始终处于导通状态,静态电流比较大,困此集电极损耗较大,效率不高,大约只有 35 %。这种工作状态被称为甲类工作状态。这种电路一般用在功率不太大的场合,它的输入方式可以是变压器耦合也可以是 RC 耦合。
( 2 )乙类推挽功率放大器
图 6 是常用的乙类推挽功率放大电路。 它由两个特性相同的晶体管组成对称电路,在没有输入信号时,每个管子都处于截止状态,静态电流几乎是零,只有在有信号输入时管子才导通,这种状态称为乙类工作状态。当输入信号是正弦波时,正半周时 VT1 导通 VT2 截止,负半周时 VT2 导通 VT1 截止。两个管子交替出现的电流在输出变压器中合成,使负载上得到纯正的正弦波。这种两管交替工作的形式叫做推挽电路。

乙类推挽放大器的输出功率较大,失真也小,效率也较高,一般可达 60 %。
( 3 ) OTL 功率放大器
目前广泛应用的无变压器乙类推挽放大器,简称 OTL 电路,是一种性能很好的功率放大器。为了易于说明,先介绍一个有输入变压器没有输出变压器的 OTL 电路,如图 7 。

这个电路使用两个特性相同的晶体管,两组偏置电阻和发射极电阻的阻值也相同。在静态时, VT1 、 VT2 流过的电流很小,电容 C 上充有对地为 1 2 E c 的直流电压。在有输入信号时,正半周时 VT1 导通, VT2 截止,集电极电流 i c1 方向如图所示,负载 RL 上得到放大了的正半周输出信号。负半周时 VT1 截止, VT2 导通,集电极电流 i c2 的方向如图所示, RL 上得到放大了的负半周输出信号。这个电路的关键元件是电容器 C ,它上面的电压就相当于 VT2 的供电电压。
以这个电路为基础,还有用三极管倒相的不用输入变压器的真正 OTL 电路,用 PNP 管和 NPN 管组成的互补对称式 OTL 电路,以及最新的桥接推挽功率放大器,简称 BTL 电路等等。
直流放大器
能够放大直流信号或变化很缓慢的信号的电路称为直流放大电路或直流放大器。测量和控制方面常用到这种放大器。
( 1 )*管双**直耦放大器
直流放大器不能用 RC 耦合或变压器耦合,只能用直接耦合方式。图 8 是一个两级直耦放大器。直耦方式会带来前后级工作点的相互牵制,电路中在 VT2 的发射极加电阻 R E 以提高后级发射极电位来解决前后级的牵制。直流放大器的另一个更重要的问题是零点漂移。所谓零点漂移是指放大器在没有输入信号时,由于工作点不稳定引起静态电位缓慢地变化,这种变化被逐级放大,使输出端产生虚假信号。放大器级数越多,零点漂移越严重。所以这种*管双**直耦放大器只能用于要求不高的场合。

( 2 )差分放大器
解决零点漂移的办法是采用差分放大器,图 9 是应用较广的射极耦合差分放大器。它使用双电源,其中 VT1 和 VT2 的特性相同,两组电阻数值也相同, R E 有负反馈作用。实际上这是一个桥形电路,两个 R C 和两个管子是四个桥臂,输出电压 V 0 从电桥的对角线上取出。没有输入信号时,因为 RC1=RC2 和两管特性相同,所以电桥是平衡的,输出是零。由于是接成桥形,零点漂移也很小。

差分放大器有良好的稳定性,因此得到广泛的应用。
集成运算放大器
集成运算放大器是一种把多级直流放大器做在一个集成片上,只要在外部接少量元件就能完成各种功能的器件。因为它早期是用在模拟计算机中做加法器、乘法器用的,所以叫做运算放大器。它有十多个引脚,一般都用有 3 个端子的三角形符号表示,如图 10 。它有两个输入端、 1 个输出端,上面那个输入端叫做反相输入端,用“ — ”作标记;下面的叫同相输入端,用“+”作标记。

集成运算放大器可以完成加、减、乘、除、微分、积分等多种模拟运算,也可以接成交流或直流放大器应用。在作放大器应用时有:
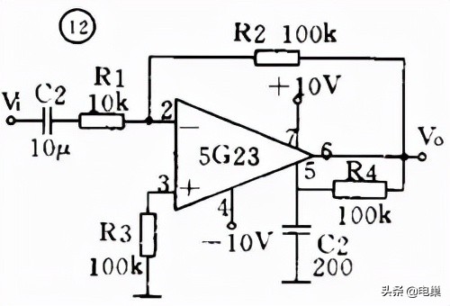
( 1 )带调零的同相输出放大电路
图 11 是带调零端的同相输出运放电路。引脚 1 、 11 、 12 是调零端,调整 RP 可使输出端( 8 )在静态时输出电压为零。9 、 6 两脚分别接正、负电源。输入信号接到同相输入端( 5 ),因此输出信号和输入信号同相。放大器负反馈经反馈电阻 R2 接到反相输入端( 4 )。同相输入接法的电压放大倍数总是大于 1 的。

( 2 )反相输出运放电路
也可以使输入信号从反相输入端接入,如图 12 。如对电路要求不高,可以不用调零,这时可以把 3 个调零端短路。

输入信号从耦合电容 C1 经 R1 接入反相输入端,而同相输入端通过电阻 R3 接地。反相输入接法的电压放大倍数可以大于 1 、等于 1 或小于 1 。
( 3 )同相输出高输入阻抗运放电路
图 13 中没有接入 R1 ,相当于 R1 阻值无穷大,这时电路的电压放大倍数等于 1 ,输入阻抗可达几百千欧。
>

放大电路读图要点和举例
放大电路是电子电路中变化较多和较复杂的电路。在拿到一张放大电路图时,首先要把它逐级分解开,然后一级一级分析弄懂它的原理,最后再全面综合。
读图时要注意:
① 在逐级分析时要区分开主要元器件和辅助元器件。放大器中使用的辅助元器件很多,如偏置电路中的温度补偿元件,稳压稳流元器件,防止自激振荡的防振元件、去耦元件,保护电路中的保护元件等。
② 在分析中最主要和困难的是反馈的分析,要能找出反馈通路,判断反馈的极性和类型,特别是多级放大器,往往以后级将负反馈加到前级,因此更要细致分析。
③ 一般低频放大器常用 RC 耦合方式;高频放大器则常常是和 LC 调谐电路有关的,或是用单调谐或是用双调谐电路,而且电路里使用的电容器容量一般也比较小。
④ 注意晶体管和电源的极性,放大器中常常使用双电源,这是放大电路的特殊性。
例 1 助听器电路
图 14 是一个助听器电路,实际上是一个 4 级低频放大器。 VT1 、 VT2 之间和 VT3 、 VT4 之间采用直接耦合方式, VT2 和 VT3 之间则用 RC 耦合。为了改善音质, VT1 和 VT3 的本级有并联电压负反馈( R2 和 R7 )。由于使用高阻抗的耳机,所以可以把耳机直接接在 VT4 的集电极回路内。R6 、 C2 是去耦电路, C6 是电源滤波电容。

例 2 收音机低放电路
图 15 是普及型收音机的低放电路。 电路共 3 级,第 1 级( VT1 )前置电压放大,第 2 级( VT2 )是推动级,第 3 级( VT3 、 VT4 )是推挽功放。VT1 和 VT2 之间采用直接耦合, VT2 和 VT3 、 VT4 之间用输入变压器( T1 )耦合并完成倒相,最后用输出变压器( T2 )输出,使用低阻扬声器。此外, VT1 本级有并联电压负反馈( R1 ), T2 次级经 R3 送回到 VT2 有串联电压负反馈。电路中 C2 的作用是增强高音区的负反馈,减弱高音以增强低音。R4 、 C4 为去耦电路, C3 为电源的滤波电容。整个电路简单明了。

振荡电路的用途和振荡条件
不需要外加信号就能自动地把直流电能转换成具有一定振幅和一定频率的交流信号的电路就称为振荡电路或振荡器。这种现象也叫做自激振荡。或者说,能够产生交流信号的电路就叫做振荡电路。
一个振荡器必须包括三部分:放大器、正反馈电路和选频网络 。
放大器 能对振荡器输入端所加的输入信号予以放大使输出信号保持恒定的数值。 正反馈电路 保证向振荡器输入端提供的反馈信号是相位相同的,只有这样才能使振荡维持下去。 选频网络 则只允许某个特定频率 f 0 能通过,使振荡器产生单一频率的输出。
振荡器能不能振荡起来并维持稳定的输出是由以下两个条件决定的:
一个是反馈电压 u f 和输入电压 U i 要相等,这是振幅平衡条件。二是 u f 和 u i 必须相位相同,这是相位平衡条件,也就是说必须保证是正反馈。一般情况下,振幅平衡条件往往容易做到,所以在判断一个振荡电路能否振荡,主要是看它的相位平衡条件是否成立。
振荡器按振荡频率的高低可分成超低频( 20 赫以下)、低频( 20 赫~ 200 千赫)、高频( 200 千赫~ 30 兆赫)和超高频( 10 兆赫~ 350 兆赫)等几种。 按振荡波形可分成正弦波振荡和非正弦波振荡两类。
正弦波振荡器 按照选频网络所用的元件可以分成 LC 振荡器、 RC 振荡器和石英晶体振荡器三种。 石英晶体振荡器 有很高的频率稳定度,只在要求很高的场合使用。在一般家用电器中,大量使用着各种 L C 振荡器和 RG 振荡器。
LC 振荡器
LC 振荡器的选频网络是 LC 谐振电路。它们的振荡频率都比较高,常见电路有 3 种。
( 1 )变压器反馈 LC 振荡电路


图 1 ( a )是变压器反馈 LC 振荡电路。 晶体管 VT 是共发射极放大器。变压器 T 的初级是起选频作用的 LC 谐振电路,变压器 T 的次级向放大器输入提供正反馈信号。接通电源时, LC 回路中出现微弱的瞬变电流,但是只有频率和回路谐振频率 f 0 相同的电流才能在回路两端产生较高的电压,这个电压通过变压器初次级 L1 、 L2 的耦合又送回到晶体管 V 的基极。从图 1 ( b )看到,只要接法没有错误,这个反馈信号电压是和输入信号电压相位相同的,也就是说,它是正反馈。因此电路的振荡迅速加强并最后稳定下来。
变压器反馈 LC 振荡电路的特点是: 频率范围宽、容易起振,但频率稳定度不高。它的振荡频率是:f 0 =1 / 2π LC 。常用于产生几十千赫到几十兆赫的正弦波信号。
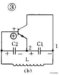
( 2 )电感三点式振荡电路


图 2 ( a )是另一种常用的电感三点式振荡电路。 图中电感 L1 、 L2 和电容 C 组成起选频作用的谐振电路。从 L2 上取出反馈电压加到晶体管 VT 的基极。从图 2 ( b )看到,晶体管的输入电压和反馈电压是同相的,满足相位平衡条件的,因此电路能起振。由于晶体管的 3 个极是分别接在电感的 3 个点上的,因此被称为电感三点式振荡电路。
电感三点式振荡电路的特点是: 频率范围宽、容易起振,但输出含有较多高次调波,波形较差。它的振荡频率是:f 0 =1/2π LC ,其中 L=L1 + L2 + 2M 。常用于产生几十兆赫以下的正弦波信号。
( 3 )电容三点式振荡电路


还有一种常用的振荡电路是电容三点式振荡电路,见图 3 ( a )。图中电感 L 和电容 C1 、 C2 组成起选频作用的谐振电路,从电容 C2 上取出反馈电压加到晶体管 VT 的基极。从图 3 ( b )看到,晶体管的输入电压和反馈电压同相,满足相位平衡条件,因此电路能起振。由于电路中晶体管的 3 个极分别接在电容 C1 、 C2 的 3 个点上,因此被称为电容三点式振荡电路。
电容三点式振荡电路的特点是:频率稳定度较高,输出波形好,频率可以高达 100 兆赫以上,但频率调节范围较小,因此适合于作固定频率的振荡器。它的振荡频率是:f 0 =1/2π LC ,其中 C= C 1 C 2 C 1 +C 2 。
上面 3 种振荡电路中的放大器都是用的共发射极电路。共发射极接法的振荡器增益较高,容易起振。也可以把振荡电路中的放大器接成共基极电路形式。共基极接法的振荡器振荡频率比较高,而且频率稳定性好。
RC 振荡器
RC 振荡器的选频网络是 RC 电路,它们的振荡频率比较低。常用的电路有两种。
( 1 ) RC 相移振荡电路


图 4 ( a )是 RC 相移振荡电路。电路中的 3 节 RC 网络同时起到选频和正反馈的作用。从图 4 ( b )的交流等效电路看到:因为是单级共发射极放大电路,晶体管 VT 的输出电压 U o 与输出电压 U i 在相位上是相差 180° 。当输出电压经过 RC 网络后,变成反馈电压 U f 又送到输入端时,由于 RC 网络只对某个特定频率 f 0 的电压产生 180° 的相移,所以只有频率为 f 0 的信号电压才是正反馈而使电路起振。可见 RC 网络既是选频网络,又是正反馈电路的一部分。
RC 相移振荡电路的特点是:电路简单、经济,但稳定性不高,而且调节不方便。一般都用作固定频率振荡器和要求不太高的场合。它的振荡频率是:当 3 节 RC 网络的参数相同时:f 0 = 1 2π 6RC 。频率一般为几十千赫。
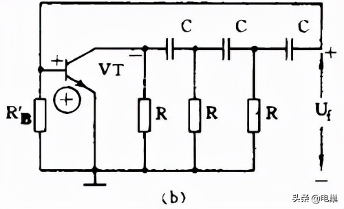
( 2 ) RC 桥式振荡电路


图 5 ( a )是一种常见的 RC 桥式振荡电路。 图中左侧的 R1C1 和 R2C2 串并联电路就是它的选频网络。这个选频网络又是正反馈电路的一部分。这个选频网络对某个特定频率为 f 0 的信号电压没有相移(相移为 0° ),其它频率的电压都有大小不等的相移。由于放大器有 2 级,从 V2 输出端取出的反馈电压 U f 是和放大器输入电压同相的( 2 级相移 360°=0° )。因此反馈电压经选频网络送回到 VT1 的输入端时,只有某个特定频率为 f 0 的电压才能满足相位平衡条件而起振。可见 RC 串并联电路同时起到了选频和正反馈的作用。
实际上为了提高振荡器的工作质量,电路中还加有由 R t 和 R E1 组成的串联电压负反馈电路。其中 R t 是一个有负温度系数的热敏电阻,它对电路能起到稳定振荡幅度和减小非线性失真的作用。从图 5 ( b )的等效电路看到,这个振荡电路是一个桥形电路。R1C1 、 R2C2 、 R t 和 R E1 分别是电桥的 4 个臂,放大器的输入和输出分别接在电桥的两个对角线上,所以被称为 RC 桥式振荡电路。
RC 桥式振荡电路的性能比 RC 相移振荡电路好。它的稳定性高、非线性失真小,频率调节方便。它的振荡频率是:当 R1=R2=R 、 C1=C2=C 时 f 0 = 1 2πRC 。它的频率范围从 1 赫~ 1 兆赫。
调幅和检波电路
广播和无线电通信是利用调制技术把低频声音信号加到高频信号上发射出去的。在接收机中还原的过程叫解调。其中低频信号叫做调制信号,高频信号则叫载波。常见的连续波调制方法有调幅和调频两种,对应的解调方法就叫检波和鉴频。
下面我们先介绍调幅和检波电路。
( 1 )调幅电路
调幅是使载波信号的幅度随着调制信号的幅度变化,载波的频率和相应不变。能够完成调幅功能的电路就叫调幅电路或调幅器。
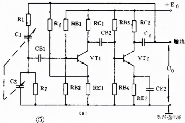
调幅是一个非线性频率变换过程,所以它的关键是必须使用二极管、三极管等非线性器件。根据调制过程在哪个回路里进行可以把三极管调幅电路分成集电极调幅、基极调幅和发射极调幅 3 种。下面举集电极调幅电路为例。

图 6 是集电极调幅电路, 由高频载波振荡器产生的等幅载波经 T1 加到晶体管基极。低频调制信号则通过 T3 耦合到集电极中。C1 、 C2 、 C3 是高频旁路电容, R1 、 R2 是偏置电阻。集电极的 LC 并联回路谐振在载波频率上。如果把三极管的静态工作点选在特性曲线的弯曲部分,三极管就是一个非线性器件。因为晶体管的集电极电流是随着调制电压变化的,所以集电极中的 2 个信号就因非线性作用而实现了调幅。由于 LC 谐振回路是调谐在载波的基频上,因此在 T2 的次级就可得到调幅波输出。
( 2 )检波电路
检波电路或检波器的作用是从调幅波中取出低频信号。它的工作过程正好和调幅相反。检波过程也是一个频率变换过程,也要使用非线性元器件。常用的有二极管和三极管。另外为了取出低频有用信号,还必须使用滤波器滤除高频分量,所以检波电路通常包含非线性元器件和滤波器两部分。下面举二极管检波器为例说明它的工作。

图 7 是一个二极管检波电路。 VD 是检波元件, C 和 R 是低通滤波器。当输入的已调波信号较大时,二极管 VD 是断续工作的。正半周时,二极管导通,对 C 充电;负半周和输入电压较小时,二极管截止, C 对 R 放电。在 R 两端得到的电压包含的频率成分很多,经过电容 C 滤除了高频部分,再经过隔直流电容 C 0 的隔直流作用,在输出端就可得到还原的低频信号。
调频和鉴频电路
调频是使载波频率随调制信号的幅度变化,而振幅则保持不变。鉴频则是从调频波中解调出原来的低频信号,它的过程和调频正好相反。
( 1 )调频电路
能够完成调频功能的电路就叫调频器或调频电路。常用的调频方法是直接调频法,也就是用调制信号直接改变载波振荡器频率的方法。图 8 画出了它的大意,图中用一个可变电抗元件并联在谐振回路上。用低频调制信号控制可变电抗元件参数的变化,使载波振荡器的频率发生变化。

( 2 )鉴频电路
能够完成鉴频功能的电路叫鉴频器或鉴频电路,有时也叫频率检波器。鉴频的方法通常分二步,第一步先将等幅的调频波变成幅度随频率变化的调频 — 调幅波,第二步再用一般的检波器检出幅度变化,还原成低频信号。常用的鉴频器有相位鉴频器、比例鉴频器等。
脉冲电路的用途和特点
在电子电路中,电源、放大、振荡和调制电路被称为模拟电子电路,因为它们加工和处理的是连续变化的模拟信号。电子电路中另一大类电路的数字电子电路。它加工和处理的对象是不连续变化的数字信号。数字电子电路又可分成脉冲电路和数字逻辑电路,它们处理的都是不连续的脉冲信号。脉冲电路是专门用来产生电脉冲和对电脉冲进行放大、变换和整形的电路。家用电器中的定时器、报警器、电子开关、电子钟表、电子玩具以及电子医疗器具等,都要用到脉冲电路。
电脉冲有各式各样的形状,有矩形、三角形、锯齿形、钟形、阶梯形和尖顶形的,最具有代表性的是矩形脉冲。要说明一个矩形脉冲的特性可以用脉冲幅度 Um 、脉冲周期 T 或频率 f 、脉冲前沿 t r 、脉冲后沿 t f 和脉冲宽度 t k 来表示。如果一个脉冲的宽度 t k =1 / 2T ,它就是一个方波。
脉冲电路和放大振荡电路最大的不同点,或者说脉冲电路的特点是:脉冲电路中的晶体管是工作在开关状态的。大多数情况下,晶体管是工作在特性曲线的饱和区或截止区的,所以脉冲电路有时也叫开关电路。从所用的晶体管也可以看出来,在工作频率较高时都采用专用的开关管,如 2AK 、 2CK 、DK 、 3AK 型管,只有在工作频率较低时才使用一般的晶体管。
就拿脉冲电路中最常用的反相器电路(图 1 )来说,从电路形式上看,它和放大电路中的共发射电路很相似。在放大电路中,基极电阻 R b2 是接到正电源上以取得基极偏压;而这个电路中,为了保证电路可靠地截止, R b2 是接到一个负电源上的,而且 R b1 和 R b2 的数值是按晶体管能可靠地进入饱和区或止区的要求计算出来的。不仅如此,为了使晶体管开关速度更快,在基极上还加有加速电容 C ,在脉前沿产生正向尖脉冲可使晶体管快速进入导通并饱和;在脉冲后沿产生负向尖脉冲使晶体管快速进入截止状态。除了射极输出器是个特例,脉冲电路中的晶体管都是工作在开关状态的,这是一个特点。

脉冲电路的另一个特点是一定有电容器(用电感较少)作关键元件,脉冲的产生、波形的变换都离不开电容器的充放电。
产生脉冲的多谐振荡器
脉冲有各种各样的用途,有对电路起开关作用的控制脉冲,有起统帅全局作用的时钟脉冲,有做计数用的计数脉冲,有起触发启动作用的触发脉冲等等。不管是什么脉冲,都是由脉冲信号发生器产生的,而且大多是短形脉冲或以矩形脉冲为原型变换成的。因为矩形脉冲含有丰富的谐波,所以脉冲信号发生器也叫自激多谐振荡器或简称多谐振荡器。如果用门来作比喻,多谐振荡器输出端时开时闭的状态可以把多谐振荡器比作宾馆的自动旋转门,它不需要人去推动,总是不停地开门和关门。
( 1 )集基耦合多谐振荡器
图 2 是一个典型的分立元件集基耦合多谐振荡器。 它由两个晶体管反相器经 RC 电路交叉耦合接成正反馈电路组成。两个电容器交替充放电使两管交替导通和截止,使电路不停地从一个状态自动翻转到另一个状态,形成自激振荡。从 A 点或 B 点可得到输出脉冲。当 R b1 =R b2 =R , C b1 =C b2 =C 时,输出是幅度接近 E 的方波,脉冲周期 T=1.4RC 。如果两边不对称,则输出是矩形脉冲。

( 2 ) RC 环形振荡器
图 4 是常用的 RC 环形振荡器。 它用奇数个门、首尾相连组成闭环形,环路中有 RC 延时电路。图中 RS 是保护电阻, R 和 C 是延时电路元件,它们的数值决定脉冲周期。输出脉冲周期 T=2.2RC 。如果把 R 换成电位器,就成为脉冲频率可调的多谐振荡器。因为这种电路简单可靠,使用方便,频率范围宽,可以从几赫变化到几兆赫,所以被广泛应用。

脉冲变换和整形电路
脉冲在工作中有时需要变换波形或幅度,如把矩形脉冲变成三角波或尖脉冲等,具有这种功能的电路就叫变换电路。脉冲在传送中会造成失真,因此常常要对波形不好的脉冲进行修整,使它整旧如新,具有这种功能的电路就叫整形电路。
( 1 )微分电路
微分电路是脉冲电路中最常用的波形变换电路,它和放大电路中的 RC 耦合电路很相似,见图 5 。当电路时间常数 τ=RC<<t k="" 时,输入矩形脉冲,由于电容器充放电极快,输出可得到一对尖脉冲。输入脉冲前沿则输出正向尖脉冲,输入脉冲后沿则输出负向尖脉冲。这种尖脉冲常被用作触发脉冲或计数脉冲。<="" font="" style="word-wrap: break-word; box-sizing: border-box;">

( 2 )积分电路
把图 5 中的 R 和 C 互换,并使 τ=RC>>t k ,电路就成为积分电路,见图 6 。当输入矩形脉冲时,由于电容器充放电很慢,输出得到的是一串幅度较低的近似三角形的脉冲波。

( 3 )限幅器
能限制脉冲幅值的电路称为限幅器或削波器。图 7 是用二极管和电阻组成的上限幅电路。它能把输入的正向脉冲削掉。如果把二极管反接,就成为削掉负脉冲的下限幅电路。

用二极带或三极管等非线性器件可组成各种限幅器,或是变换波形(如把输入脉冲变成方波、梯形波、尖脉冲等),或是对脉冲整形(如把输入高低不平的脉冲系列削平成为整齐的脉冲系列等)。
( 4 )箝位器
能把脉冲电压维持在某个数值上而使波形保持不变的电路称为箝位器。它也是整形电路的一种。例如电视信号在传输过程中会造成失真,为了使脉冲波形恢复原样,接收机里就要用箝位电路把波形顶部箝制在某个固定电平上。
图 8 中反相器输出端上就有一个箝位二极管 VD 。如果没有这个二极管,输出脉冲高电平应该是 12 伏,现在增加了箝位二极管,输出脉冲高电平被箝制在 3 伏上。

此外,象反相器、射极输出器等电路也有“整旧如新”的作用,也可认为是整形电路。
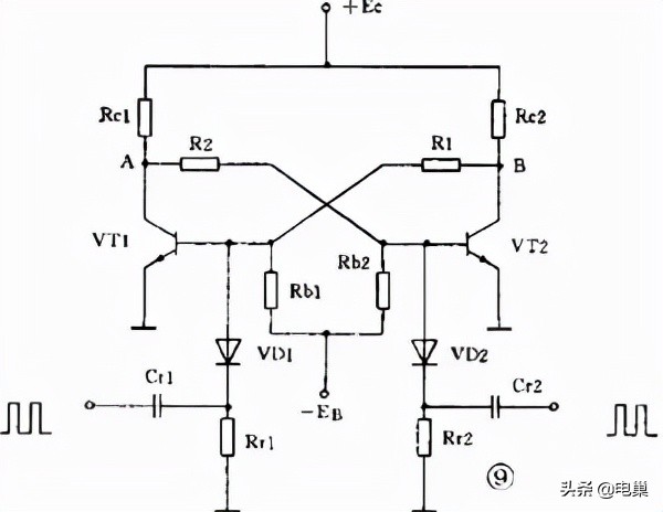
有记忆功能的双稳电路多谐振荡器的输出总是时高时低地变换,所以它也叫无稳态电路。另一种双稳态电路就绝然不同,双稳电路有两个输出端,它们总是处于相反的状态:一个是高电平,另一个必定是低电平。它的特点是如果没有外来的触发,输出状态能一直保持不变。所以常被用作寄存二进制数码的单元电路。
( 1 )集基耦合双稳电路
图 9 是用分立元件组成的集基耦合双稳电路。它由一对用电阻交叉耦合的反相器组成。它的两个管子总是一管截止一管饱和,例如当 VT1 管饱和时 VT2 管就截止,这时 A 点是低电平 B 点是高电平。如果没有外来的触发信号,它就保持这种状态不变。如把高电平表示数字信号“ 1 ”,低电平表示“ 0 ”,那么这时就可以认为双稳电路已经把数字信号“ 1 ”寄存在 B 端了。

电路的基极分别加有微分电路。如果在 VT1 基极加上一个负脉冲(称为触发脉冲),就会使 VT1 基极电位下降,由于正反馈的作用,使 VT1 很快从饱和转入截止, VT2 从截止转入饱和。于是双稳电路翻转成 A 端为“ 1 ”, B 端为“ 0 ”,并一直保持下去。
( 2 )触发脉冲的触发方式和极性
双稳电路的触发电路形式和触发脉冲极性选择比较复杂。从触发方式看,因为有直流触发(电位触发)和交流触发(边沿触发)的分别,所以触发电路形式各有不同。从脉冲极性看,也是随着晶体管极性、触发脉冲加在哪个管子(饱和管还是截止管)上、哪个极上(基极还是集电极)而变化的。在实际应用中,因为微分电路能容易地得到尖脉冲,触发效果较好,所以都用交流触发方式。触发脉冲所加的位置多数是加在饱和管的基极上。所以使用 NPN 管的双稳电路所加的是负脉冲,而 PNP 管双稳电路所加的是正脉冲。
( 3 )集成触发器除了用分立元件外,也可以用集成门电路组成双稳电路。但实际上因为目前有大量的集成化双稳触发器产品可供选用,如 R—S 触发器、 D 触发器、 J - K 触发器等等,所以一般不使用门电路搭成的双稳电路而直接选用现成产品。
有延时功能的单稳电路
无稳电路有 2 个暂稳态而没有稳态,双稳电路则有 2 个稳态而没有暂稳态。脉冲电路中常用的第 3 种电路叫单稳电路,它有一个稳态和一个暂稳态。如果也用门来作比喻,单稳电路可以看成是一扇弹簧门,平时它总是关着的,“关”是它的稳态。当有人推它或拉它时门就打开,但由于弹力作用,门很快又自动关上,恢复到原来的状态。所以“开”是它的暂稳态。单稳电路常被用作定时、延时控制以及整形等。
( 1 )集基耦合单稳电路
图 10 是一个典型的集基耦合单稳电路。它也是由两级反相器交叉耦合而成的正反馈电路。它的一半和多谐振荡器相似,另一半和双稳电路相似,再加它也有一个微分触发电路,所以可以想象出它是半个无稳电路和半个双稳电路凑合成的,它应该有一个稳态和一个暂稳态。平时它总是一管( VT1 )饱和,另一管( VT2 )截止,这就是它的稳态。当输入一个触发脉冲后,电路便翻转到另一种状态,但这种状态只能维持不长的时间,很快它又恢复到原来的状态。电路暂稳态的时间是由延时元件 R 和 C 的数值决定的:t t =0.7RC 。

( 2 )集成化单稳电路
用集成门电路也可组成单稳电路。图 11 是微分型单稳电路,它用 2 个与非门交叉连接,门 1 输出到门 2 是用微分电路耦合,门 2 输出到门 1 是直接耦合,触发脉冲加到门 1 的另一个输入端 U I 。它的暂稳态时间即定时时间为:t t = ( 0.7 ~ 1.3 ) RC 。

脉冲电路的读图要点
① 脉冲电路的特点是工作在开关状态,它的输入输出都是脉冲,因此分析时要抓住关键,把主次电路区分开,先认定主电路的功能,再分析辅助电路的作用。
② 从电路结构上抓关键找异同。前面介绍了集基耦合方式的三种基本单元电路,它们都由*管双**反相器构成正反馈电路,这是它们的相同点。但细分析起来它们还是各有特点的:无稳和双稳电路虽然都有对称形式,但无稳电路是用电容耦合,双稳是用电阻直接耦合(有时并联有加速电容,容量一般都很小);而且双稳电路一般都有触发电路(双端或单端触发);单稳电路就很好认,它是不对称的,兼有双稳和单稳的形式。这样一分析,三种电路就很好区别了。
③ 脉冲电路中,脉冲的生成、变换和整形都和电容器的充、放电有关,电路的时间常数即 R 和 C 的数值对确定电路的性质有极重要的意义,这一点尤为重要。
数字逻辑电路的用途和特点
数字电子电路中的后起之秀是数字逻辑电路。把它叫做数字电路是因为电路中传递的虽然也是脉冲,但这些脉冲是用来表示二进制数码的,例如用高电平表示“ 1 ”,低电平表示“ 0 ”。声音图像文字等信息经过数字化处理后变成了一串串电脉冲,它们被称为数字信号。能处理数字信号的电路就称为数字电路。
这种电路同时又被叫做逻辑电路,那是因为电路中的“ 1 ”和“ 0 ”还具有逻辑意义,例如逻辑“ 1 ”和逻辑“ 0 ”可以分别表示电路的接通和断开、事件的是和否、逻辑推理的真和假等等。电路的输出和输入之间是一种逻辑关系。这种电路除了能进行二进制算术运算外还能完成逻辑运算和具有逻辑推理能力,所以才把它叫做逻辑电路。
由于数字逻辑电路有易于集成、传输质量高、有运算和逻辑推理能力等优点,因此被广泛用于计算机、自动控制、通信、测量等领域。一般家电产品中,如定时器、告警器、控制器、电子钟表、电子玩具等都要用数字逻辑电路。
数字逻辑电路的第一个特点是为了突出“逻辑”两个字,使用的是独特的图形符号。数字逻辑电路中有门电路和触发器两种基本单元电路,它们都是以晶体管和电阻等元件组成的,但在逻辑电路中我们只用几个简化了的图形符号去表示它们,而不画出它们的具体电路,也不管它们使用多高电压,是 TTL 电路还是 CMOS 电路等等。按逻辑功能要求把这些图形符号组合起来画成的图就是逻辑电路图,它完全不同于一般的放大振荡或脉冲电路图。
数字电路中有关信息是包含在 0 和 1 的数字组合内的,所以只要电路能明显地区分开 0 和 1 , 0 和 1 的组合关系没有破坏就行,脉冲波形的好坏我们是不大理会的。所以数字逻辑电路的第二个特点是我们主要关心它能完成什么样的逻辑功能,较少考虑它的电气参数性能等问题。也因为这个原因,数字逻辑电路中使用了一些特殊的表达方法如真值表、特征方程等,还使用一些特殊的分析工具如逻辑代数、卡诺图等等,这些也都与放大振荡电路不同。
门电路和触发器
( 1 )门电路
门电路可以看成是数字逻辑电路中最简单的元件。目前有大量集成化产品可供选用。
最基本的门电路有 3 种:非门、与门和或门。非门就是反相器,它把输入的 0 信号变成 1 , 1 变成 0 。这种逻辑功能叫“非”,如果输入是 A ,输出写成 P=A 。与门有 2 个以上输入,它的功能是当输入都是 1 时,输出才是 1 。这种功能也叫逻辑乘,如果输入是 A 、 B ,输出写成 P=A·B 。或门也有 2 个以上输入,它的功能是输入有一个 1 时,输出就是 1 。这种功能也叫逻辑加,输出就写成 P=A + B 。
把这三种基本门电路组合起来可以得到各种复合门电路,如与门加非门成与非门,或门加非门成或非门。图 1 是它们的图形符号和真值表。此外还有与或非门、异或门等等。


数字集成电路有 TTL 、 HTL 、 CMOS 等多种,所用的电源电压和极性也不同,但只要它们有相同的逻辑功能,就用相同的逻辑符号。而且一般都规定高电平为 1 、低电平为 0 。
( 2 )触发器
触发器实际上就是脉冲电路中的双稳电路,它的电路和功能都比门电路复杂,它也可看成是数字逻辑电路中的元件。目前也已有集成化产品可供选用。常用的触发器有 D 触发器和 J—K 触发器。
D 触发器有一个输入端 D 和一个时钟信号输入端 CP ,为了区别在 CP 端加有箭头。它有两个输出端,一个是 Q 一个是 Q ,加有小圈的输出端是 Q 端。另外它还有两个预置端 R D 和 S D ,平时正常工作时要 R D 和 S D 端都加高电平 1 ,如果使 R D =0 ( S D 仍为 1 ),则触发器被置成 Q=0 ;如果使 S D =0 ( R D =1 ),则被置成 Q=1 。因此 R D 端称为置 0 端, S D 端称为置 1 端。D 触发器的逻辑符号见图 2 ,图中 Q 、 D 、 SD 端画在同一侧;Q 、R D 画在另一侧。R D 和 S D 都带小圆圈,表示要加上低电平才有效。

D 触发器是受 CP 和 D 端双重控制的, CP 加高电平 1 时,它的输出和 D 的状态相同。如 D=0 , CP 来到后, Q=0 ;如 D=1 , CP 来到后, Q=1 。CP 脉冲起控制开门作用,如果 CP=0 ,则不管 D 是什么状态,触发器都维持原来状态不变。这样的逻辑功能画成表格就称为功能表或特性表,见图 2 。表中 Q n+1 表示加上触发信号后变成的状态, Qn 是原来的状态。“ X ”表示是 0 或 1 的任意状态。
有的 D 触发器有几个 D 输入端: D 1 、 D 2 … 它们之间是逻辑与的关系,也就是只有当 D 1 、 D 2 … 都是 1 时,输出端 Q 才是 1 。
另一种性能更完善的触发器叫 J - K 触发器。 它有两个输入端:J 端和 K 端,一个 CP 端,两个预置端:R D 端和 S D 端,以及两个输出端:Q 和 Q 端。它的逻辑符号见图 3 。J - K 触发器是在 CP 脉冲的下阵沿触发翻转的,所以在 CP 端画一个小圆圈以示区别。图中, J 、 S D 、 Q 画在同一侧, K 、 R D 、 Q 画在另一侧。

J - K 触发器的逻辑功能见图 3 。 有 CP 脉冲时(即 CP=1 ):J 、 K 都为 0 ,触发器状态不变;Q n + 1 =Qn , J = 0 、 K=1 ,触发器被置 0 :Q n + 1 =0 ;J=1 、 K=0 , Q n+1 =1 ;J=1 、 K=1 ,触发器翻转一下:Q n + 1 =Qn 。如果不加时钟脉冲,即 CP=0 时,不管 J 、 K 端是什么状态,触发器都维持原来状态不变:Q n + 1 =Qn 。有的 J—K 触发器同时有好几个 J 端和 K 端, J 1 、 J 2 … 和 K 1 、 K 2 … 之间都是逻辑与的关系。有的 J - K 触发器是在 CP 的上升沿触发翻转的,这时它的逻辑符号图的 CP 端就不带小圆圈。也有的时候为了使图更简洁,常常把 R D 和 S D 端省略不画。
能够把数字、字母变换成二进制数码的电路称为编码器。反过来能把二进制数码还原成数字、字母的电路就称为译码器。
( 1 )编码器
图 4 ( a )是一个能把十进制数变成二进制码的编码器。一个十进制数被表示成二进制码必须 4 位,常用的码是使从低到高的每一位二进制码相当于十进制数的 1 、 2 、 4 、 8 ,这种码称为 8 - 4 - 2 - 1 码或简称 BCD 码。所以这种编码器就称为“ 10 线 -4 线编码器”或“ DEC / BCD 编码器”。


从图看到,它是由与非门组成的。有 10 个输入端,用按键控制,平时按键悬空相当于接高电平 1 。它有 4 个输出端 ABCD ,输出 8421 码。如果按下“ 1 ”键,与“ 1 ”键对应的线被接地,等于输入低电平 0 、于是门 D 输出为 1 ,整个输出成 0001 。
如按下“ 7 ”键,则 B 门、 C 门、 D 门输出为 1 ,整个输出成 0111 。如果把这些电路都做在一个集成片内,便得到集成化的 10 线 4 线编码器,它的逻辑符号见图 4 ( b )。左侧有 10 个输入端,带小圆圈表示要用低电平,右侧有 4 个输出端,从上到下按从低到高排列。使用时可以直接选用。
( 2 )译码器
要把二进制码还原成十进制数就要用译码器。它也是由门电路组成的,现在也有集成化产品供选用。图 5 是一个 4 线 —10 线译码器。它的左侧为 4 个二进制码的输入端,右侧有 10 个输出端,从上到下按 0 、 1 、 …9 排列表示 10 个十进制数。输出端带小圆圈表示低电平有效。平时 10 个输出端都是高电平 1 ,如输入为 1001 码,输出“ 9 ”端为低电平 0 ,其余 9 根线仍为高电平 1 ,这表示“ 9 ”线被译中。

如果要想把十进制数显示出来,就要使用数码管。现以共阳极发光二极管( LED )七段数码显示管为例,见图 6 。它有七段发光二极管,如每段都接低电平 0 ,七段都被点亮,显示出数字“ 8 ”;如 b 、 c 段接低电平 0 ,其余都接 1 ,显示的是“ 1 ”。可见要把十进制数用七段显示管显示出来还要经过一次译码。如果使用“ 4 线 —7 线译码器”和显示管配合使用,就很简单,输入二进制码可直接显示十进制数,见图 6 。译码器左侧有 4 个二进制码的输入端,右侧有 7 个输出可直接和数码管相连。左上侧另有一个灭灯控制端 I B ,正常工作时应加高电平 1 ,如不需要这位数字显示就在 I B 上加低电平 0 ,就可使这位数字熄灭。

寄存器和移位寄存器
( 1 )寄存器
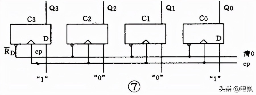
能够把二进制数码存贮起来的的部件叫数码寄存器,简称寄存器。图 7 是用 4 个 D 触发器组成的寄存器,它能存贮 4 位二进制数。4 个 CP 端连在一起作为控制端,只有 CP=1 时它才接收和存贮数码。4 个 R D 端连在一起成为整个寄存器的清零端。如果要存贮二进制码 1001 ,只要把它们分别加到触发器 D 端,当 CP 来到后 4 个触发器从高到低分别被置成 1 、 0 、 0 、 1 ,并一直保持到下一次输入数据之前。要想取出这串数码可以从触发器的 Q 端取出。

( 2 )移位寄存器
有移位功能的寄存器叫移位寄存器,它可以是左移的、右移的,也可是双向移位的。
图 8 是一个能把数码逐位左移的寄存器。它和一般寄存器不同的是:数码是逐位串行输入并加在最低位的 D 端,然后把低位的 Q 端连到高一位的 D 端。这时 CP 称为移位脉冲。

先从 R D 端送低电平清零,使寄存器成 0000 状态。假定要输入的数码是 1001 ,输入的次序是先高后低逐位输入。第 1 个 CP 后, 1 被打入第 1 个触发器,寄存器成 0001 ;第 2 个 CP 后, Qo 的 1 被移入 Q 1 ,新的 0 打入 D 1 ,成为 0010 ;第 3 个 CP 后,成为 0100 ;第 4 个 CP 后,成为 1001 。
可见经过 4 个 CP ,寄存器就寄存了 4 位二进制码 1001 。目前已有品种繁多的集成化寄存器供选用。
计数器和分频器
( 1 )计数器
能对脉冲进行计数的部件叫计数器。计数器品种繁多,有作累加计数的称为加法计数器,有作递减计数的称为减法计数器;按触发器翻转来分又有同步计数器和异步计数器;按数制来分又有二进制计数器、十进制计数器和其它进位制的计数器等等。
现举一个最简单的加法计数器为例,见图 9 。它是一个 16 进制计数器,最大计数值是 1111 ,相当于十进制数 15 。需要计数的脉冲加到最低位触发器的 CP 端上,所有的 J 、 K 端都接高电平 1 ,各触发器 Q 端接到相邻高一位触发器的 CP 端上。J—K 触发器的特性表告诉我们:当 J=1 、 K=1 时来一个 CP ,触发器便翻转一次。在全部清零后, ① 第 1 个 CP 后沿,触发器 C0 翻转成 Q0=1 ,其余 3 个触发器仍保持 0 态,整个计数器的状态是 0001 。② 第 2 个 CP 后沿,触发器 C0 又翻转成“ Q0=0 , C1 翻转成 Q1=1 ,计数器成 0010 。…… 到第 15 个 CP 后沿,计数器成 1111 。可见这个计数器确实能对 CP 脉冲计数。

( 2 )分频器
计数器的第一个触发器是每隔 2 个 CP 送出一个进位脉冲,所以每个触发器就是一个 2 分频的分频器, 16 进制计数器就是一个 16 分频的分频器。
为了提高电子钟表的精确度,普遍采用的方法是用晶体振荡器产生 32768 赫标准信号脉冲,经过 15 级 2 分频处理得到 1 赫的秒信号。因为晶体振荡器的准确度和稳定度很高,所以得到的秒脉冲信号也是精确可靠的。把它们做到一个集成片上便是电子手表专用集成电路产品,见图 10 。

数字逻辑电路读图要点和举例
数字逻辑电路的读图步骤和其它电路是相同的,只是在进行电路分析时处处要用逻辑分析的方法。读图时要:① 先大致了解电路的用途和性能。② 找出输入端、输出端和关键部件,区分开各种信号并弄清信号的流向。③ 逐级分析输出与输入的逻辑关系,了解各部分的逻辑功能。④ 最后统观全局得出分析结果。
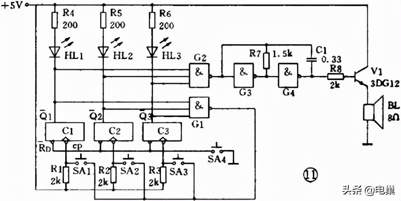
例 1 三路*答器抢**
图 11 是智力竞赛用的三路*答器抢**电路。裁判按下开关 SA4 ,触发器全部被置零,进入准备状态。这时 Q1 ~ Q3 均为 1 ,抢答灯不亮;门 1 和门 2 输出为 0 ,门 3 和门 4 组成的音频振荡器不振荡,扬声器无声。

竞赛开始,假定 1 号台抢先按下 SA1 ,触发器 C1 翻转成 Q1=1 、 Q1=0 。于是:① 门 2 输出为 1 ,振荡器振荡,扬声器发声;②HL1 灯点亮;③ 门 1 输出为 1 ,这时 2 号、 3 号台再按开关也不起作用。裁判宣布竞赛结果后,再按一下 SA4 ,电路又进入准备状态。
例 2 彩灯追逐电路
图 12 是 4 位移位寄存器控制的彩灯电路。开始时按下 SA ,触发器 C1 ~ C4 被置成 1000 ,彩灯 HL1 被点亮。CP 脉冲来到后,寄存器移 1 位,触发器 C1 ~ C4 成 0100 ,彩灯 HL2 点亮。第 2 个 CP 脉冲点亮 HL3 ,第 3 个点亮 HL4 ,第 4 个 CP 又把触发器 C1 ~ C4 置成 1000 ,又点亮 HL1 。如此循环往复,彩灯不停闪烁。只要增加触发器可使灯数增加,改变 CP 的频率可变化速度。

555 集成时基电路的特点
555 集成电路开始出现时是作定时器应用的,所以叫做 555 定时器或 555 时基电路。但是后来经过开发,它除了作定时延时控制外,还可以用于调光、调温、调压、调速等多种控制以及计量检测等作用;还可以组成脉冲振荡、单稳、双稳和脉冲调制电路,作为交流信号源以及完成电源变换、频率变换、脉冲调制等用途。由于它工作可靠、使用方便、价格低廉,因此目前被广泛用于各种小家电中。
555 集成电路内部有几十个元器件,有分压器、比较器、触发器、输出管和放电管等,电路比较复杂,是模拟电路和数字电路的混合体。它的性能和参数要在非线性模拟集成电路手册中才能查到。
555 集成电路是 8 脚封装,图 1 ( a )是双列直插型封装,按输入输出的排列可画成图 1 ( b )。其中 6 脚称阀值端( TH ),是上比较器的输入。2 脚称触发端(

),是下比较器的输入。3 脚是输出端( V O ),它有 0 和 1 两种状态,它的状态是由输入端所加的电平决定的。7 脚的放电端( DIS ),它是内部放电管的输出,它也有悬空和接地两种状态,也是由输入端的状态决定的。4 脚是复位端(

),加上低电砰(< 0.3 伏)时可使输出成低电平。5 脚称控制电压端( V C ),可以用它改变上下触发电平值。8 脚是电源, 1 脚为地端。


对于初学者来说,可以把 555 电路等效成一个带放电开关的 R - S 触发器,如图 2 ( a )。这个特殊的触发器有两个输入端;阈值端( TH )可看成是置零端 R ,要求高电平;触发端(

)可看成是置位端

,低电平有效。它只有 1 个输出端 V O , V O 可等效成触发器的 Q 端。放电端( DIS )可看成由内部的放电开关控制的一个接点,放电开关由触发器的 Q 端控制:

=1 时 DIS 端接地;

=0 时 DIS 端悬空。此外这个触发器还有复位端

,控制电压端 V C ,电源端 V DD 和地端 GND 。


这个特殊的 R - S 触发器有 2 个特点:( 1 )两个输入端的触发电平要求一高一低:置零端 R 即阈值端 TH 要求高电平,而置低端

S 即触发端

则要求低电平。( 2 )两个输入端的触发电平,也就是使它们翻转的阈值电压值也不同,当 V C 端不接控制电压时,对 TH ( R )端来讲, > 2 /3 V DD 是高电平 1 , < 2 /3 V DD 是低电平 0 ;而对

(

)端来讲,> 1/ 3 V DD 是高电平 1 ,< 1 /3 V DD 是低电平 0 。如果在控制端( V C )加上控制电压 V C ,这时上触发电平就变成 V C 值,而下触发电平则变成 1 /2 V C 。可见改变控制端的控制电压值可以改变上下触发电平值。
经过简化, 555 电路可以等效成一个触发器,它的功能表见图 2 ( b )。
555 集成电路有双极型和 CMOS 型两种。CMOS 型的优点是功耗低、电源电压低、输入阻抗高,但输出功率较小,输出驱动电流只有几毫安。双极型的优点是输出功率大,驱动电流达 200 毫安,其它指标则不如 CMOS 型的。
此外还有一种 556 双时基电路, 14 脚封装,内部包含有两个相同的时基电路单元。555 的应用电路很多,大体上可分为 555 单稳、 555 双稳和 555 无稳三类。555 单稳电路单稳电路有一个稳态和一个暂稳态。555 的单稳电路是利用电容的充放电形成暂稳态的,因此它的输入端都带有定时电阻和定时电容,常见的 555 单稳电路有两种。
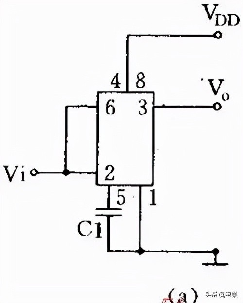
( 1 )人工启动型单稳
将 555 电路的 6 、 2 端并接起来接在 RC 定时电路上,在定时电容 C T 两端接按钮开关 SB ,就成为人工启动型 555 单稳电路,见图 3 ( a )。用等效触发器替代 555 ,并略去与单稳工作无关的部分后画成等效图 3 ( b )。下面分析它的工作:


① 稳态:接上电源后,电容 C T 很快充到 V DD ,从图 3 ( b )看到,触发器输入 R=1 ,

=1 ,从功能表查到输出 V o =0 ,这是它的稳态。
② 暂稳态:按下开关 SB , C T 上电荷很快放到零,相当于触发器输入 R=0 ,

=0 ,输出立即翻转成 V o =1 ,暂稳态开始。开关放开后,电源又向 C T 充电,经时间 t d 后, C T 上电压升到 > 2 /3 V DD 时,输出又翻转成 V =0 ,暂稳态结束。t d 就是单稳电路的定时时间或延时时间,它和定时电阻 R T 和定时电容 C T 的值有关;t d=1.1R T C T 。
( 2 )脉冲启动型单稳
把 555 电路的 6 、 7 端并接起来接到定时电容 C T 上,用 2 端作输入就成为脉冲启动型单稳电路,见图 4 ( a )。电路的 2 端平时接高电平,当输入接低电平或输入负脉冲时才启动电路。用等效触发器替代 555 电路后可画成图 4 ( b )。这个电路利用放电端使定时电容能快速放电。 下面分析它的工作状态:

① 稳态:通电后, R=1 ,

=1 ,输出 V o =0 , DIS 端接地, C T 上电压为 0 即 R=0 ,输出仍保持 V o =0 ,这是它的稳态。
② 暂稳态:输入负脉冲后,输入

=0 ,输出翻转成 V o =1 , DIS 端开路,电源通过 R T 向 C T 充电,暂稳态开始。经过 t d 后, C T 上电压升到> 2 /3 V DD ,这时负脉冲已经消失,输入又成为 R=1 ,

=1 ,输出又翻转成 V o =0 ,暂稳态结束。这时内部放电开关接通, DIS 端接地, C T 上电荷很快放到零,为下一次定时控制作准备。电路的定时时间 t d =1.1R T C T 。
这两种单稳电路常用作定时延时控制。
555 双稳电路
常见的 555 双稳电路有两种。
( 1 ) R-S 触发器型双稳
把 555 电路的 6 、 2 端作为两个控制输入端, 7 端不用,就成为一个 R - S 触发器。要注意的是两个输入端的电平要求和阈值电压都不同,见图 5 ( a )。有时可能只有一个控制端,这时另一个控制端要设法接死,根据电路要求可以把 R 端接到电源端,见图 5 ( b ),也可以把 S 端接地,用 R 端作输入。


有两个输入端的双稳电路常用作电机调速、电源上下限告警等用途,有一个输入端的双稳电路常作为单端比较器用作各种检测电路。
( 2 )施密特触发器型双稳
把 555 电路的 6 、 2 端并接起来成为只有一个输入端的触发器,见图 6 ( a )。这个触发器因为输出电压和输入电压的关系是一个长方形的回线形,见图 6 ( b ),所以被称为施密特触发器。从曲线看到,当输入 V i =0 时输出 V o =1 。当输入电压从 0 上升时,要升到> 2/ 3 V DD 以后, V o 才翻转成 0 。而当输入电压从最高值下降时,要降到 < 1 /3 V DD 以后, V o 才翻转成 1 。所以输出电压和输入电压之间是一个回线形曲线。由于它的输入有两个不同的阈值电压,所以这种电路被用作电子开关,各种控制电路,波形变换和整形的用途。


555 无稳电路
无稳电路有 2 个暂稳态,它不需要外触发就能自动从一种暂稳态翻转到另一种暂稳态,它的输出是一串矩形脉冲,所以它又称为自激多谐振荡器或脉冲振荡器。555 的无稳电路有多种,这里介绍常用的 3 种。
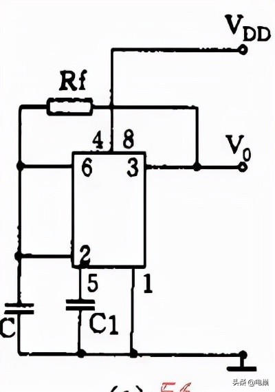
( 1 )直接反馈型 555 无稳
利用 555 施密特触发器的回滞特性,在它的输入端接电容 C ,再在输出 V 0 与输入之间接一个反馈电阻 R f ,就能组成直接反馈型多谐振荡器,见图 7 ( a )。用等效触发器替代 555 电路后可画成图 7 ( b )。 现在来看看它的振荡工作原理:



刚接通电源时, C 上电压为零,输出 V 0 =1 。通电后电源经内部电阻、 V 0 端、 R f 向 C 充电,当 C 上电压升到> 2 /3 V DD 时,触发器翻转 V 0 =0 ,于是 C 上电荷通过 R f 和 V 0 放电入地。当 C 上电压降到< 1 /3 V DD 时,触发器又翻转成 V 0 =1 。电源又向 C 充电,不断重复上述过程。由于施密特触发器有 2 个不同的阀值电压,因此 C 就在这 2 个阀值电压之间交替地充电和放电,输出得到的是一串连续的矩形脉冲,见图 7 ( c )。脉冲频率约为 f=0.722 / R f C 。
( 2 )间接反馈型无稳
另一路多谐振荡器是把反馈电阻接在放电端和电源上,如图 8 ( a ),这样做使振荡电路和输出电路分开,可以使负载能力加大,频率更稳定。这是目前使用最多的 555 振荡电路。

这个电路在刚通电时, V 0 =1 , DIS 端开路, C 的充电路径是:电源 →R A →DIS→R B →C ,当 C 上电压上升到> 2 /3 V DD 时, V 0 =1 , DIS 端接地, C 放电, C 放电的路径是:C→R B →DIS→ 地。可以看到充电和放电时间常数不等,输出不是方波。t 1 =0.693 ( R A + B B ) C 、 t 2 =0.693R B C ,脉冲频率 f=1.443 /( R A + 2R ) C
( 3 ) 555 方波振荡电路
要想得到方波输出,可以用图 9 的电路。它是在图 8 的电路基础上在 R B 两端并联一个二极管 VD 组成的。当 R A =R B 时, C 的充放电时间常数相等,输出就得到方波。方波的频率为 f=0.722 / R A C ( R A =R B )

在这个电路的基础上,在 R A 和 R B 回路内增加电位器以及采用串联或并联二极管的方法可以得到占空比可调的脉冲振荡电路。
555 脉冲振荡电路常被用作交流信号源,它的振荡频率范围大致在零点几赫到几兆赫之间。因为电路简单可靠,所以使用极广。
555 电路读图要点及举例
555 集成电路经多年的开发,实用电路多达几十种,几乎遍及各个技术领域。但对初学者来讲,常见的电路也不过是上述几种,因此在读图时,只要抓住关键,识别它们是不难的。
从电路结构上分析,三类 555 电路的区别或者说它们的结构特点主要在输入端。因此当我们拿到一张 555 电路图时,在大致了解电路的用途之后,先看一下电路是 CMOS 型还是双极型,再看复位端(

)和控制电压端( V c )的接法,如果复位端(

)是接高电平、控制电压端( V c )是接一个抗干扰电容的,那就可以按以下的次序先从输入端开始进行分析:
( 1 ) 6 、 2 端是分开的
①7 端悬空不用的一定是双稳电路。如有两个输入的则是双限比较器;如只有一个输入的则是单端比较器。这类电路一般都是作电子开关、控制和检测电路的用途。
②7 、 6 端短接并接有电阻电容、取 2 端作输入的一定是单稳电路。它的输入可以用开关人工启动,也可以用输入脉冲启动,甚至为了取得较好的启动效果在输入端带有 RC 微分电路。这类电路一般用作定时延时控制和检测的用途。
( 2 ) 6 、 2 端短接的
① 输入没有电容的是施密特触发器电路。这类电路常用作电子开关、告警、检测和整形的用途。
② 输入端有电阻电容而 7 端悬空的,这时要看电阻电容的接法:( a ) R 和 C 串联接在电源和地之间的是单稳电路, R 和 C 就是它的定时电阻和定时电容。( b ) R 在上 C 在下, R 的一端接在 V 0 端上的是直接反馈型无稳电路,这时 R 和 C 就是决定振荡频率的元件。
③7 端也接在输入端,成“ R A - 7 - R B - 6 、 2—C ”的形式的就是最常用的无稳电路。这时 R A 和 R B 及 C 就是决定振荡频率的元件。这类电路可以有很多种变型:如省去 R A ,把 7 端接在 V 0 上;或者在 R B 两端并联二极管 VD 以获得方波输出,或者用电阻和电位器组成 R A 和 R B ,而且在 R A 和 R B 两端并联有二极管以获得占空比可调的脉冲波等等。这类电路是用途最广的,常用于脉冲振荡、音响告警、家电控制、电子玩具、医疗电器以及电源变换等用途。
( 3 )如果控制电压( V c )端接有直流电压,则只是改变了上下两个阀值电压的数值,其它分析方法仍和上面的相同。
只要按上述步骤细心分析核对,一定能很快地识别 555 电路的类别和了解它的工作原理。下面的问题就比较好办了,例如定时时间、振荡频率等都可以按给出的公式进行估算。
例 1 相片曝光定时器
图 10 是用 555 电路制成的相片曝光定时器。从图看到,输入端 6 、 2 并接在 RC 串联电路中,所以这是一个单稳电路, R1 和 RP 是定时电阻, C1 是定时电容。

电路在通电后, C1 上电压被充到 6 伏,输出 V 0 =0 ,继电器 KA 不吸动,常开接点是打开的,曝光灯 HL 不亮。这是它的稳态。
按下 SB 后, C1 快速放电到零,输出 V 0 =1 ,继电器 KA 吸动,点亮曝光灯 HL ,暂稳态开始。SB 放开后电源向 C1 充电,当 C1 上电压升到 4 伏时,暂稳态结束,定时时间到,电路恢复到稳态。输出翻转成 V 0 =0 ,继电器 KA 释放,曝光灯熄灭。电路定时时间是可调的,大约是 1 秒~ 2 分钟。
例 2 光电告警电路
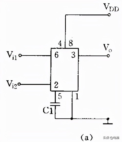
图 11 是 555 光电告警电路。它使用 556 双时基集成电路,有两个独立的 555 电路。前一个接成施密特触发器,后一个是间接反馈型无稳电路。图中引脚号码是 556 的引脚号码。

图中 R1 是光敏电阻,无光照时阻值为几~几十兆欧,所以 555a 的输入相当于 R=0 、 S=0 ,输出 V 0 =1 ,三极管 VT 导通, VT 的集电极电压只有 0.3 伏,加在 555b 的复位端( MR ),使 555b 处于复位状态,即无振荡输出。
当 R1 受光照后,阻值突然下降到只有几~几十千欧,于是 555a 的输入电压升到上阀值电压以上,输出翻转成 V 0 =0 , VT 截止, VT 集电极电压升高, 555b 被解除复位状态而振荡,于是扬声器 BL 发声告警。555b 的振荡频率大约是 1 千赫。
如果把整个装置放入公文包内,那么当打开公文包时,这个装置会发声告警而成为防盗告警装置。
单元电路图识图方法
单元电路是指某一级控制器电路,或某一级放大器电路,或某一个振荡器电路、变频器电路等,它是能够完成某一电路功能的最小电路单位。从广义角度上讲,一个集成电路的应用电路也是一个单元电路。
单元电路图是学习整机电子电路工作原理过程中,首先遇到具有完整功能的电路图,这一电路图概念的提出完全是为了方便电路工作原理分析之需要。
1.单元电路图功能
单元电路图具有下列一些功能:
①单元电路图主要用来讲述电路的工作原理。
②它能够完整地表达某一级电路的结构和工作原理,有时还全部标出电路中各元器件的参数,如标称阻值、标称容量和三极管型号等。
③它对深入理解电路的工作原理和记忆电路的结构、组成很有帮助。
2.单元电路图的特点
单元电路图具有下列一些特点:
①单元电路图主要是为了分析某个单元电路工作原理的方便而单独将这部分电路画出的电路,所以在图中已省去了与该单元电路无关的其他元器件和有关的连线、符号,这样单元电路图就显得比较简洁、清楚,识图时没有其他电路的干扰。单元电路图中对电源、输入端和输出端已经加以简化,如图1-6所示。
电路图中,用+v表示直流工作电压(其中正号表示采用正极性直流电压给电路供电,地端接电源的负极);vi表示输入信号,是这一单元电路所要放大或处理的信号;vo表示输出信号,是经过这一单元电路放大或处理后的信号。通过单元电路图中的这样标注可方便地找出电源端、输入端和输出端,而在实际电路中,这三个端点的电路均与整机电路中的其他电路相连,没有+v、vi、vo的标注,给初学者识图造成了一定的困难。
例如:见到vi可以知道信号是通过电容c2加到三极管vt1基极的;见到vo可以知道信号是从三极管vt1集电极输出的,这相当于在电路图中标出了放大器的输入端和输出端,无疑大大方便了电路工作原理的分析。
②单元电路图采用习惯画法,一看就明白,例如元器件采用习惯画法,各元器件之间采用最短的连线,而在实际的整机电路图中,由于受电路中其他单元电路中元器件的制约,有关元器件画得比较乱,有的在画法上不是常见的画法,有的个别元器件画得与该单元电路相距较远,这样电路中的连线很长且弯弯曲曲,造成识图和电路工作原理理解的不便。
③单元电路图只出现在讲解电路工作原理的书刊中,实用电路图中是不出现的。对单元电路的学习是学好电子电路工作原理的关键。只有掌握了单元电路的工作原理,才能去分析整机电路。
3.单元电路图的识图方法
单元电路的种类繁多,而各种单元电路的具体识图方法有所不同,这里只对共同性的问题说明几点:
(1)有源电路识图方法
所谓有源电路就是需要直流电压才能工作的电路,例如放大器电路。对有源电路的识图首先分析直流电压供给电路,此时将电路图中的所有电容器看成开路(因为电容器具有隔直特性),将所有电感器看成短路(电感器具体通直的特性)。直流电路的识图方向一般是先从右向左,再从上向下。
(2)信号传输过程分析
信号传输过程分析就是信号在该单元电路中如何从输入端传输到输出端,信号在这一传输过程中受到了怎样的处理(如放大、衰减、控制等)。信号传输的识图方向一般是从左向右进行。
(3)元器件作用分析
元器件作用分析就是电路中各元器件起什么作用,主要从直流和交流两个角度去分析。
(4)电路故障分析
电路故障分析就是当电路中元器件出现开路、短路、性能变劣后,对整个电路工作会造成什么样的不良影响,使输出信号出现什么故障现象(如没有输出信号、输出信号小、信号失真、出现噪声等)。在搞懂电路工作原理之后,元器件的故障分析才会变得比较简单。
整机电路中的各种功能单元电路繁多,许多单元电路的工作原理十分复杂,若在整机电路中直接进行分析就显得比较困难,通过单元电路图分析之后再去分析整机电路就显得比较简单,所以单元电路图的识图也是为整机电路分析服务的。
『本文转载自网络,版权归原作者所有,如有侵权请联系删除』