S7-200PLC要实现PLC与PLC之间的通信,可以使用PPI进行数据的交换,但是对于S7-200SMART的PLC来说PLC上自带的485通信口不支持PPI通信,如果我们需要通过这个485口实现S7-200SMART PLC之间的数据交换,那么我们可以通过这个口来做MODBUS通信,一个作为MODBUS主站,一个作为MODBUS从站,来进行数据交换。
如果两个PLC作为MODBUS通信来实现PLC与PLC之间的数据交换的或工作量会比较大,那么S7-200SMART PLC对于S7-200的PLC来说他有一个优势,就是在PLC的基本单元上带有一个以太网口,我们可以使用这个以太网口来实现S7-200SMART PLC之间是数据交换,使用以太网通信可以实现8台PLC之间的数据交换。
一、使用以太网实现S7-200SMART PLC之间的数据交换主要有以下几个步骤:
第一步、对PLC进行硬件组态,配置好每一个PLC的IP地址,使需要通信的PLC在同一个网络。

第二步、选择向导里面的GET/PUT操作,进行需要通信数据的组态,配置向导的工作只需要在本地站(主站)进行不需要在远程站(从站)进行。如图

第三步,选择第一操作(operation)进行数据交换的组态。

以同样的方法配置另外的一个操作,类型可以选择为PUT类型。
第四步、分配建议地址

第五步、向导成后,在本地站中调用生成的子程序。

超时:通信超时时间100表示为100s
周期:每次所有操作都完成后进行一次切换
错误,若出错该位为1
注意:子程序要保证每个扫描周期都是用,所用是用SM0.0调用子程序
二、S7-200 SMART 数字量I/O接线图
不同型号CPU输入/输出接线

图1. CPU SR20接线图

图2. CPU SR40接线图

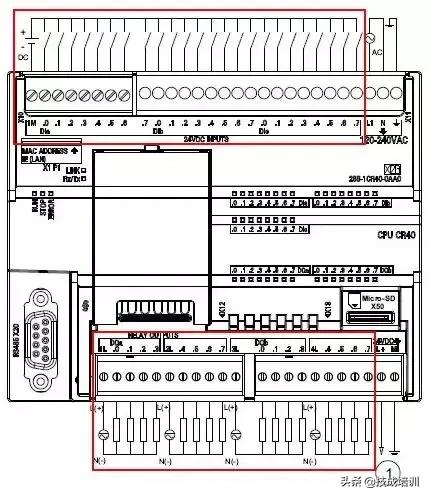
图3. CPU CR40接线图

图4. CPU ST40接线图

图5. CPU SR60接线图

图6. CPU ST60接线图
三、数字量输入接线

图7. 漏型输入接法 图8. 源型输入接法
对于大多数输入来讲,都是24VDC输入,其中ST CPU的 I0.0-I0.3 支持 5-24V 输入,另外ST20/30 的I0.6、I0.7也支持5-24V输入。如下表所示:

S7-200 SMART的数字量输入点内部为双向二级管,可以接成漏型(图7)或源型(图8),只要每一组接成一样就行。
对于数字量输入电路来说,关键是构成电流回路。输入点可以分组接不同的电源,这些电源之间没有联系也可以。
四、数字量输出接线

图9. 源型输出 图10. 继电器输出
晶体管输出只能接成源型输出(图9),不能接成漏型,即输出为24V。
继电器输出是一组共用一个公共端的干节点,可以接交流或直流,电压等级最高到220V。
例:可以接24V/110V/220V交直流信号。但要保证一组输出接同样的电压(一组共用一个公共端,如1L、2L)。对于弱小信号,如小于 5V 的信号,需要自己验证其输出的可靠性。继电器输出点(图10)接直流电源时,公共端接正或负都可以。
对于数字量输出电路来说,关键是构成电流回路。输出点可以分组接不同的电源,这些电源之间没有联系也可以。
1代表24VDC传感器电源输出
五、常问问题
1、同一个模块的数字量输入端可以同时接NPN和PNP两种信号的设备吗?
不可以,因为NPN和PNP两种类型的信号在DI端形成的回路中对于DI点的电流方向相反,同样地M点的电流方向也相反,如图7和图8,NPN和PNP回路的电流方向不同所示,如果把两种信号接到一个M端,则M端有两种电流流向,这是不正确的。因此不能在同一个模块的DI输入端同时接NPN和PNP两种信号的设备。
2、DO分成晶体管和继电器两种类型,它们的区别是什么?
继电器的负载电流比晶体管的大,但是输出频率受到机械装置的影响不能太快,同时存在机械寿命的限制。晶体管的负载电流比继电器的小,但是输出频率快,可以用于高速脉冲输出,没有机械寿命的限制。
3、S7-200 SMART CPU数字量输出可以接漏型的设备吗?
不可以,S7-200 SMART CPU 本体和扩展模块的DO端都只能接源型24V类型的设备,即集电极开路的PNP设备。
4、S7-200 SMART I/O扩展模块DIAG指示灯以红色闪烁的原因?
对于数字量扩展模块的DIAG指示灯以红色闪烁的原因主要是缺少24V直流供电电源,建议查看CPU的信息来确认具体报错原因,查看CPU信息的方法请见硬件诊断或诊断方法举例。
I/O扩展模块缺少24V直流供电电源时,所有通道指示灯也以红色闪烁。建议核对模块接线图,尤其是模块供电端含两排端子的,确定供电接线是否正确,以EM DR32为例,正确的接线方式如下图所示。

图11. EM DR32接线图
六、S7-200 SMART 开关量输出的典型抑制电路
S7-200 SMART 开关量输出驱动感性负载时,需要配备抑制电路。抑制电路可以限制开关量输出断开时感应电压升高,可保护输出,并防止切断感性负载时产生的高压导致CPU损坏或CPU内部固件错误。
此外,抑制电路还可以限制关断感性负载时产生的电气噪声。配备一个外部抑制电路,使其从电路上跨接在负载两端并且在位置上接近负载,这样对降低电气噪声最有效。
S7-200 SMART晶体管输出内部回路已经包括抑制电路,该电路足以满足大多数应用中感性负载的要求。
继电器输出触点由于可用于直流或交流负载,所以未提供内部保护。
注:给定抑制电路的有效性取决于具体应用,必须进行验证其是否适合您的具体应用。
开关直流感性负载的晶体管或继电器输出的典型抑制电路见表1所示:

开关交流感性负载的继电器输出的典型抑制电路见表2所示:

往期优秀文章回顾:
电气工程师专业概述modbus通讯,系列17