本规范主要起草人:
沈文杰(天津市计量监督检测科学研究院)
田昀(天津市计量监督检测科学研究院)
姚敏(北京市计量检测科学研究院)
参加起草人:
陈武卿(*疆新**维吾尔自治区计量测试研究院)
郭沈辉(青岛市计量技术研究院)
张炯(济南长峰致远仪表科技有限公司)
喻晓虎(深圳市计量质量检测研究院)
目 录
引言
1.范围
2引用文件
3术语.
4 概述.
5计量特性..
5.1示值误差.
5.2角度调整误差.
5.3设定点误差.
5.4切换差.
5.5绝缘电阻.
6校准条件.
6.1环境条件.
6.2 标准器及配套设备.
7校准项目和校准方法.
71校准、检查项目..
7.2校准方法.
73数据处理.
8校准结果表达.
9复校时间间品.
附录A校准记录参考格式.
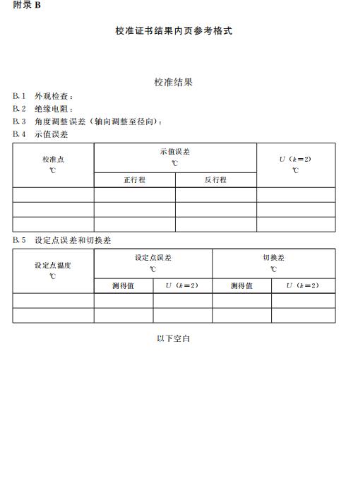
附录B校准证书结果内页参考格式
附录C双金属温度计示值误差不确定度评定示例
附录D电接点双金属温度计设定点误差不确定度评定示例 .
引言
本规范按JJF1071-2010《国家计量校准规范编写规则》进行编写,根据 JJF10591-2012《测量不确定度评定与表示》的要求评定不确定度,参考了 JJF1007-2007《温度计量名词术语及定义》和JB/T8803-2015《双金属温度计》中的相关定义和技术内容。
本规范代替JJG226-2001《双金属温度计》,与JJG226-2001相比,除编辑性修改外,主要技术变化如下:-删除了回差、示值重复性、切换重复性和热稳定性的校准要求; --校准用标准器进行了更新;--恒温设备技术要求发生了变化;-缩小了校准过程中恒温槽实际温度偏离校准点的程度; --简化了电接点温度计设定点误差的校准方法;-减小了设定点误差校准过程中,恒温槽的控温速率: --增加了标准铂电阻温度计作为测量标准的计算公式; --附录中更新了示值误差校准的不确定度评定示例; --附录中增加了设定点误差校准的不确定度评定示例。本规范的历次版本发布情况为: --JJG226-2001; --JJG226-1989。
双金属温度计校准规范
1.本规范适用于测量范围在(-80~500)℃内的双金属温度计的校准。
2 .引用文件
本规范引用了下列文件:JB/T8803-2015双金属温度计
凡是注日期的引用文件,仅注日期的版本适用于本规范:凡是不注日期的引用文件,其最新版本(包括所有的修改单)适用于本规范。
3 .术语
JB/T8803-2015界定的及以下术语和定义适用于本规范。
3.1可调角双金属温度计adiustable-angle bimetallic thermometer
可以调整指示装置与检测元件轴线之间角度(0~90°)的双金属温度计。[来源:JB/T8803-2015,3.1]
3.2电接点双金属温度计 electrical switch bimetallic thermometer
一种带电气接触装置的双金属温度计。[来源:JB/T8803-2015,3.2]
4.概述
双金属温度计是一种适合中低温测量的温度仪表,它用膨胀系数不同的两种纯金属片或合金片牢固结合在一起组成感温元件,一般绕制成螺旋形,其一端固定,另一端(自由端)装有指针。当温度变化时,感温元件曲率发生变化,自由端旋转,带动指针在度盘上指示出温度数值。双金属温度计感温元件的外部装有保护套管,且标度盘呈圆形,其典型结构如图1所示。

双金属温度计典型结构示意图











