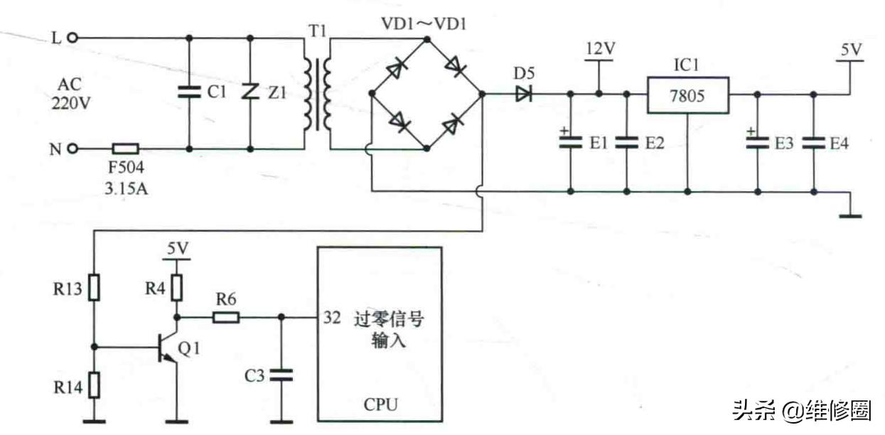
故障说明:海信KFR-23GW/56空调器,遥控器“制冷”模式开机后导风板自动打开, 但室内风机不运行。图1为过零检测电路原理图。

图1
1.室内风机不运行
见图2,使用遥控器制冷模式开机,室内风机不运行,使用万用表交流电压挡测量室 内风机线圈供电插座电压,正常值为交流90 ~ 170V,实测约为0V,说明室内机主板未输出 供电即光耦晶闸管次级侧没有导通。

图2
2.测量CPU输出端电压
使用万用表直流电压挡,黑表笔接地(实接按键开关铁壳)、红表笔接光耦晶闸管初级 侧负极测量电压,实测为4.98V,等于电源电压,见图3 (a)。
再用表笔测量光耦晶闸管初级侧两端,红表接发光二极管正极、黑表笔接负极测量电压 为0V ( 正常为0.2V左右),实测结果说明CPU没有输出PG电机控制电压,见图3 (b)。

图3
3.检测CPU过零信号输入引脚
正常运行时CPU只要接收到“制冷”模式的遥控信号,立即控制室内风机运行;分析 CPU没有输出PG电机驱动电压的原因,有可能为某些输人信号不正常,而室内风机正常运行 的前提为过零检测信号正常。
使用万用表直流电压挡,见图4 (a),黑表笔接地(实接7805的2脚)、红表笔接CPU过零检测信号引脚(本机为③脚)测量电压,正常电压为0.4V,实测为5V。见图4 (b),黑表笔不动,红表笔接过零检测三极管Q1集电极测量电压仍为5V,说 明三极管集电极和发射极未导通,应测量基极电压。

图4
4.测量三极管
见图5 (a),黑表笔不动接地、红表笔接基极测量电压为5.7V,此电压应能触发三极 管导通,但实测集电极电压说明三极管未导通,应断电检测三极管是否损坏。
使用万用表二极管档,见图5 (b),由于三极管为NPN型,因此红表笔接基极,黑表 笔接集电极和发射极,正常时为正向导通、反向无穷大,但实测结果均为无穷大,说明三极 管开路损坏。

图5
维修措施:更换三极管(型号: 2SC8050)后试机正常,见图6,更换后测量基极电压为0.7V,CPU过零检测引脚电压为0.4V。

图6
总结:
①本例由于过零检测三极管开路损坏,导致CPU②脚没有过零信号输入,CPU检测后控 制PG电机不运行。
②使用万用表交流电压挡测量PG电机供电电压时,要将线圈供电插头插在主板上,否 则测出的数值不准。图7为测量PG电机供电电压正确和错误的方法,均为空调器通上电源 但不开机时测得。

图7