
I:N-MOS是栅极高电平(Vgs>Vth)导通,低电平断开,可用来控制与地之间的导通;
II:P-MOS是栅极高电平(Vgs<Vth)导通,高电平断开,可用来控制与电源之间的导通;

典型应用
1、 开关应用

2、电平转换电路

该电路分析:
从左到右分析:
①IO_1.8V为高电平的时候时,MOS关断,体二极管反向截止,此时IO_3.3V为高电平;
② IO_1.8V为低电平的时候,Vgs=1.8V>Vgs(th),此时MOS管导通,此时IO_3.3V为低电平;
从右到左分析:
①IO_3.3V为高电平的时候,MOS关断,体二极管反向截止,此时IO_1.8V为高电平;
② IO_3.3V为低电平的时候,此时体二极管将会导通,此时IO_1.8V为低电平;
3、应用到DC-DC电路
4、电源防反接

二极管防反接

N-MOS防反接

P-MOS防反接
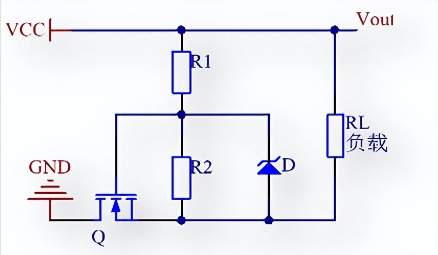
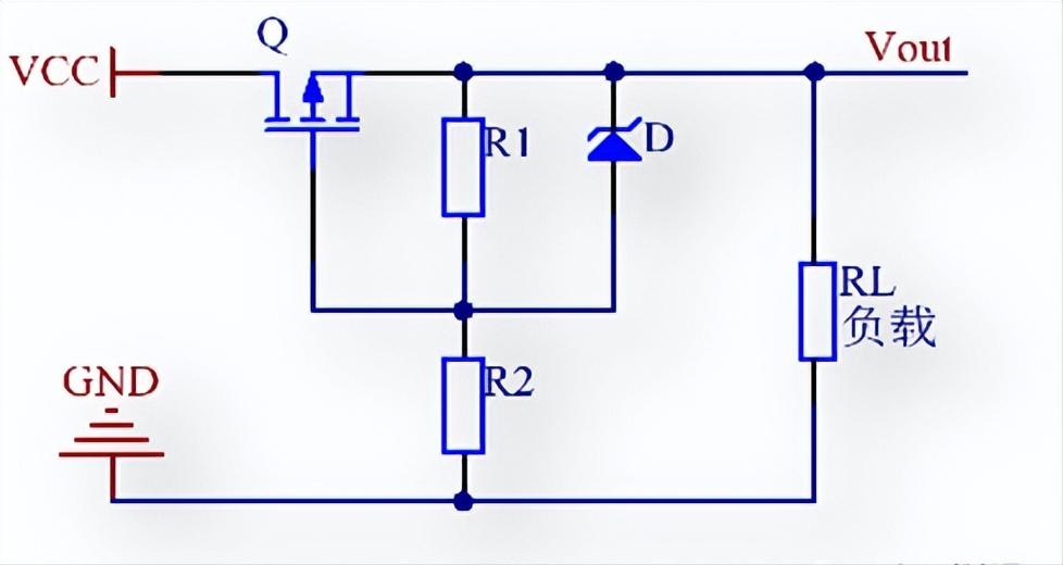
5、Load-Switch
