1、三极管的电流放大作用
三极管是一种电流放大器件,可制成交流或直流信号放大器,由基极输入一个很小的电流从而控制集电极输出很大的电流,如图所示。

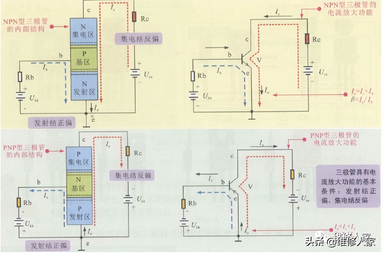
三极管基极(b)电流最小,且远小于另两个引脚的电流;发射极(e)电流最大(等于集电极电流和基极电流之和);集电极(c)电流与基极(b)电流之比即为三极管的放大倍数。
三极管的放大作用可以理解为一个水闸。水闸上方储存有水,存在水压,相当于集电极上的电压。水闸侧面流入的水流称为基极电流工。当,有水流流过,冲击闸门时,闸门便会开启,这样水闸侧面很小的水流流量(相当于电流)与水闸上方的大水流流量(相当于电流I)就汇集到一起流下(相当于发射极e的电流I),发射极便产生放大的电流。这就相当于三极管的放大作用,如图所示。

基极与发射极之间的 PN 结称为发射结,基区与集电极之间的PN结称为集电结。PN结两边外加正向电压,即P区接外电源正极,N区接外电源负极,这种接法又称正向偏置,简称正偏。PN结两边外加反向电压,即P区接外电源负极,N区接外电源正极,这种接法又称反向偏置,简称反偏。
三极管具有放大功能的基本条件是保证基极和发射极之间加正向电压(发射结正偏),基极与集电极之间加反向电压(集电结反偏)。基极相对于发射极为正极性电压,基极相对于集电极为负极性电压。
2、三极管的开关功能
三极管的集电极电流在一定范围内随基极电流呈线性变化,这就是放大特性。当基极电流高过此范围时,三极管集电极电流会达到饱和值(导通),基极电流低于此范围时,三极管会进入截止状态(断路),这种导通或截止的特性在电路中还可起到开关作用,如图所示。

3、三极管功能试验电路
下图为三极管的功能试验电路。该电路是为了理解三极管的功能而搭建的。

图(a)是用电池为灯泡供电,接通电路,电池电流流过灯泡,灯泡发光。图(b)是在灯泡供电电路中串入三极管。当三极管无控制电压时,接通开关。由于三极管处于截止状态,无电流,灯泡不亮。图(c)是在三极管的基极设置一个电池、一个开关和一个电阻器,当接通开关 SWB 时,电池经电阻 Rb有电压加到晶体管的基极,基极有电流,三极管就会产生集电极电流L,并流过灯泡,灯泡发光。如果断开 SWB,三极管基极失电,三极管截止,灯泡熄灭。这样就可以通过基极控制三极管的导通状态。
图(d)是在灯泡的供电电路中串入可变电阻器,该电阻器会消耗一定的电能,并有限流作用,串入电阻器的值越大,电路中的电流越小,灯泡亮度会变暗。图(e)是在三极管的基极电路中串入可变电阻器,调整该电阻器可改变基极电流,基极电流变化会使三极管集电极电流I发生变化,因为集电极电流I=hl,由此可理解三极管的放大功能。