iphone6s刷机错误代码9 (iphone6s刷机报错2怎么解决)

故障现象

iPhone 6s刷机时报错误代码“4014”。

继修过程

拆开手机接上稳压电源开机,电流定在57mA,插入数据线显示DFU模式,刷机时报

错误代码“4014”,与客户描述故障一致。iPhone6s刷机时报错误代码“4014”一般都是硬

盘、基带、CPU不正常导致的。

拆出主板检查,发现主板硬盘已被焊过,显微镜下观察发现硬盘芯片有损伤,拆掉硬盘

芯片,测量主板焊盘的二极体值、并无异常。

将硬盘芯片放入硬盘测试架中测试,显示已读不出任何信息,不出所料,硬盘芯片已经损坏。

iphone6s刷机报错2怎么解决,iphone未知错误4014怎么解决

将一块测机硬盘焊到主板上后再次刷机,依旧报错误代码“4014”。iPhone6s及以后的

机型的iPhone,刷机时报错误代码“4014”,基本都是硬盘、基带和CPU有问题。已经排除

硬盘的原因,那么剩下的就只有基带与CPU了。

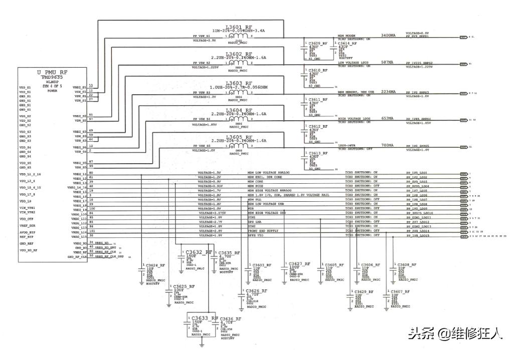
首先测量基带电源芯片LDO部分与S1-S5几路供电(见图)的二极体值,均无异常。

再次刷机,在屏幕出现白苹果图标时测靠S2与S4供电,发现两处均无供电。既然S2

与S4都无供电那么就有可能是基带电源芯片不工作,没有输出供电。

iphone6s刷机报错2怎么解决,iphone未知错误4014怎么解决

拆掉基带电源芯片后测量主板基带电源芯片焊盘的二极体值,发现55脚对地短路了。

基带电源芯片55脚相连的元器件如图所示。

iphone6s刷机报错2怎么解决,iphone未知错误4014怎么解决

55脚连到了19.2MH2时钟晶振Y_XO_RF,将主板放在显微镜观察Y_XO_RF处,发现

19.2Y_XO_RF的3脚与C3501_RF电容接地端连到了一起,如图

iphone6s刷机报错2怎么解决,iphone未知错误4014怎么解决

故障演示如图所示。

iphone6s刷机报错2怎么解决,iphone未知错误4014怎么解决

拆掉Y_XO_RF,处理好脚位连锡后。再次刷机,手机已经顺利走进度条,iTunes不再

报错误代码“4014”。维修到此结束。