iPhone7 7P花屏重启不触摸


故障描述
顾客发到维修部一部iPhone7机器 顾客描述机器之前正常使用 下雨进水后发现开机花屏 不触摸
故障分析
通过顾客描述这部iPhone7机器 是进水导致花屏 不触摸 进水机器首先考虑腐蚀 损坏 短路等 通过顾客这部机器花屏 不触摸 基本上可以锁定到显示触摸部分 进水腐蚀
解决步骤
1.进水机器首先观察哪些部位腐蚀
2.单板加电看电流变化 加电大电流 通过观察可以明显看到电容C3714S腐蚀
3.扣点电容加电测试电流正常 这个滤波显示模块5.7线路上的滤波电容 这课电容扣掉必须补回同样大小的电容
4.补回同样大小电容
5.装机测试机器正常显示触摸正常
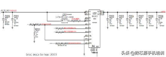
iPhone7 7P加点大电流


故障描述
顾客发到维修部一部iPhone7机器 顾客描述机器之前正常使用 摔过后不开机
故障分析
通过顾客描述这部机器是重摔后不开机 首先要拆机加电源线看电流判断故障 加点打表是主供电MAIN短路 这部机器通过测试发现加点大电流 加点大电流是BOOST升压管后短路 也就是俗称的第三端
解决步骤
1.拿到机器首先通过加电源线看电流判断故障 加电大电流BOOST升压管后短路
2.修这种故障有两种方法 一种松香打法 也就是通过松香的烟去熏白主板 加电源线看哪融化 一种感温法 用手去感受主板哪发烫
3.这部机器是升压管旁边电容C2303短路导致加电大电流
4捡钱成功