定时器指令
1. 几个基本概念:
1、 种类
a 、接通延时定时器 ( TON )
b、 有记忆通电延时定时器 (TONR )
c 、断电延时定时器(TOF )
2、 分辨率和定时时间的计算
什么是分辨率: 单位时间的时间增量为定时器的分辨率---又叫精度.
精度等级: 1ms, 10 ms, 100ms
定时时间
T= P T * S其中: T 为定时时间 PT 为设定值 S 为分辨率.
3、定时器的编号:
定时器的编号用定时器的名称和它的常数编号(最大为255)表示,即T*** ,
定时器的编号包含两方面的信息: 定时器位和定时器当前值.
定时器位: 当定时器的当前值达到设定值PT时,定时器触点动作。
定时器当前值:存储定时器当前累计的时间,它占用 16 位符号整数来表示,最大计数值为 32767。

2、 通电延时定时器(TON)

其中:IN是使能输入端,编程范围T0-T255;PT是预置输入端(0-32767)PT数据类型:INT。
使用说明:使能输入(IN)有效时,定时器开始计时,当值从0开始递增,大于或者等于预置值(PT)时,定时器输出状态位置 1(输出触点有效)
当前值的最大值为32767。使能端无效(断开)时,定时器复位(当前值清零,输出状态位置0)。
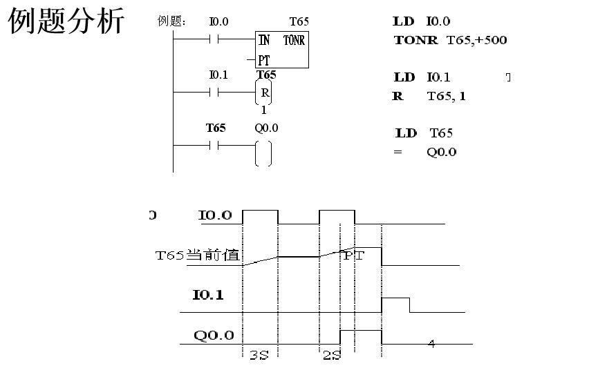
例 题:通电延时型定时器应用程序,程序运行结果见时序

三.有记忆通电延时定时器(TONR)
(1)梯形图(LAD):

(2)语句表(STL): TONR T65, +500
使用说明:使能输入端(IN)有效时(接通),定时器开始计时,当前值大于或等于预置值(PT)时,输出状态置 1 。使能端输入无效(断开)时,当前值保持(记忆),使能输入(IN)再次接通有效时,在原记忆值的基础上递增计时。有记忆通电延时型(TONR)定时器采用线圈复位指令(R)进行复位操作,当复位线圈有效时,定时器当前值清零,输出状态位置 0。

四.断电延时定时器(TOF)
(1)梯形图

(2)语句表(STL):TOF T37, +30
使用说明: 使能端(IN)输入有效时,定时器状态位立即置1,当前值复位(为0).使能端(IN)断开时,开始计时,当前值从0递增,当前值达到预置值时,定时 器状态位复位置0,并停止计时,当前值保持。

定时器的正确使用:

说明:对1ms定时器T32,在使用错误方法时,只有当定时器的刷新在T32的常闭触点执行以后到T32的常开触点执行以前的区间时Q0.0才能产生一个宽度为一个扫描周期的脉冲,而这种可能性是极小的。在其它情况,则这个脉冲产生不了。

说明:对10ms定时器T33,在使用错误方法时,Q0.0永远产生不了这个脉冲。定时器在每次扫描开始时刷新。该例中T33被置位,但执行到定时器指令时,定时器将被复位(当前值和位都被置0),当开触点T33被执行时,T33永远为OFF,Q0.0也将为OFF,即永远 会被置位ON。

100ms的定时器在执行指令时刷新,所以当定时器T37到达设定值时Q0.0肯定会产生这个脉冲。在使用定时器时,要弄清楚定时器的分辨率,否则,一般情况下不要 把定时器本身的常闭触点作为自身的复位条件
定时器指令的应用实例:
例 :报警电路。报警是电气自动控制中不可缺少的重要环节,标准的报警功能应该是专光报警。当故障发生时,报警指示灯闪烁,报警电铃或蜂鸣器响,操作人员知道故障发生后,按消铃按钮,把电铃关掉,报警指示灯从闪烁变为长亮。故障消失后,报警指示灯熄。另外还设有试灯、试铃按钮,用于平时检测报警指示灯和电铃的好坏。
输入信号设置:I0.0故障信号;I1.0为消铃按钮;I1.1为试灯按钮
输出信号设置: Q0.0为报警灯;Q0.7为报警电铃



