杭州工程造价预算培训机构哪里有?造价主要分土建造价课程,安装造价课程,市政造价课程,园林造价课程,精装修造价课程,大家可以根据自己的需求选择自己需要的课程。今天杭州高博教育老师接着来讲建筑面积计算规则及应用。

(6)窗台与室内楼地面高差在0.45m以下且结构净高在2.10m及以上的 凸(飘)窗,应按其围护结构外围水平面积计算1/2面积。
1)目前俗称的凸窗或飘窗,从外立面上看主要有两类:间断式、连续式;从室内看,也分两类:一类是凸(飘)窗地面与室内地面同标高,另一类是 凸(飘)窗与室内地面有高差。窗与室内地面无高差的凸(飘)窗,严格意义上讲已不能将其归为窗,而只是室内空间的延伸,应与主体建筑物一起按 自然层计算建筑面积。
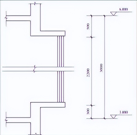
2)本规定中所指的凸(飘)窗, 必须同时满足两个条件,方能计算 建筑面积,一是结构高差在0.45m以下,二是结构净高在2.10m及 以上。如图10-8所示,高差 0.3m<0.45m,结构净高 2.2m >2.1m,两个条件均满足, 故该凸(飘)窗应计算建筑面积。


述(最多1
(7)有围护设施的室外走廊(挑廊),应按其结构底板水平投影面积计算1/2面积;有围护设施(或柱)的檐
廊,应按其围护设施(或柱)外围水平面积计算1/2面积,如图10-9所示。


1) 室外走廊(包括挑廊)、檐廊都是室外水平交通空间。其中挑廊是悬挑的水平交通空间;檐廊是底层的水平交通空间,由屋檐或挑檐作为顶盖,且一般有柱或栏杆、栏板等。底层无围护设施但有柱的室外走廊可参照檐廊的规则计算建筑面积。
2) 无论哪一种廊,除了必须有地面结构外,还必须有栏杆、栏板等围护设施或柱,这两个条件缺一不可,缺少任何一个条件都不计算建筑面积。
3) 室外走廊(挑廊)、檐廊虽然都算1/2面积,但取定的计算部位不同:室外走廊(挑廊)按结构底板计算,檐廊按围护设施(或柱)外围计算。
(8)门斗应按其围护结构外围水平面积计算建筑面积,且结构层高在2.20m及以上的,应计算全面积;结构层高在2.20m 以下的,应计算1/2面积。门斗是〃建筑物出入口两道门之间的空间",它是有顶盖和围护结构的全围合空间。

(9) 门廊应按其顶板的水平投影面积的1/2计算建筑面积;有柱雨篷应按其结构板水平投影面积的1/2计算建筑面积;无柱雨篷的结构外边线至外墙结构外边线的宽度在2.10m及以上的,应按雨篷结构板的水平投影面积的1/2计算面积。


1)有柱雨篷和无柱雨篷计算规则不同:
① 有柱雨篷,没有出挑宽度的限制;无柱雨篷,出挑宽度大于或等于2.10m 时才能计算建筑面积。出挑宽度系指雨篷结构外边线至外墙结构外边线的宽度,弧形或异形时,为最大宽度(见图10-1。中的b)。
② 有柱雨篷不受跨越层数的限制,均可计算建筑面积。有柱雨篷顶板跨层达到二层顶板标高处,仍可计算建筑面积。
③ 无柱雨篷,其结构顶板不能跨层。如顶板跨层,则不计算建筑面积。

3)廊是指在建筑物出入口,无门、三面或二面有墙,上部有板(或借用上部楼板)围护的部位。门廊划分为全凹式、半凹半凸式、全凸式, 如图10-11所示。
