随着物联网的发展,检测是否有人经过,或者检测人的动作,红外线人体感应器的应用原来越普及。
基本原理
红外线人体感应器是指当有人进入产品的感应范围之后用探测仪探测人体的变化。而本文将着重介绍红外线人体感应器的工作原理。

红外线人体感应器的外形图
红外智能节电开关是基于红外线技术的自动控制产品,当有人进入感应范围时,专用传感器探测到人体红外光谱的变化,自动接通负载,人不离开感应范围,将持续接通;人离开后,延时自动关闭负载。人到灯亮,人离灯熄,亲切方便,安全节能,更显示出人性化关怀。
所谓的人体红外感应开关是指一种当有人从红外感应探测区域经过而自动启动的开关。人体红外感应开关的主要器件为人体热释电红外传感器。人体都有恒定的体温,一般在37度,所以会发出特定波长10μm左右的红外线,被动式红外探头就是探测人体发射的10μm左右的红外线而进行工作的。

人体发射的10μm左右的红外线通过菲涅尔滤光片增强后聚集到红外感应源上。红外感应源通常采用热释电元件,这种元件在接收到人体红外辐射温度发生变化时就会失去电荷平衡,向外释放电荷,后续电路经检测处理后就能触发开关动作。人不离开感应范围,开关将持续接通;人离开后或在感应区域内长时间无动作,开关将自动延时关闭负载。

基于红外线技术的自动控制产品。过零检测功能:无触点电子开关,延长负载使用寿命。应用光敏控制,开关自动测光,光线强时不感应。以上是人体红外感应开关的特点的一些相关介绍,希望可以提供参考。
一些公共厕所里面的自动水龙头,是通过红外线反射原理,当人体的手或身体的某一部分在红外线人体感应器的红外线区域内,红外线发射管发出的红外线由于人体手或身体摭挡反射到红外线接收管,通过集成线路内的微电脑处理后的信号发送给脉冲电磁阀,电磁阀接受信号后按指定的指令打开阀芯来控制头出水;当人体的手或身体离开红外线感应范围,电磁阀没有接受信号,电磁阀阀芯则通过内部的弹簧进行复位来控制的关水。
红外线人体感应器性能稳定,真正做到了既节能又环保,可以说是声光控产品的完美替代产品。它是通过人体辐射、能自动快速开启各种灯具、防盗报警器、自动门等各种设备。特别适用于中、高级宾馆、公寓、企事业单位、商场、过道、走廊等。触发方式为一次触发及连续触发。
电路设计
BISS0001是一款具有较高性能的传感信号处理集成电路,它配以热释电红外传感器和少量外接元器件构成被动式的热释电红外开关。它能自动快速开启各类白炽灯、荧光灯、蜂鸣器、自动门、电风扇、烘干机和自动洗手池等装置,特别适用于企业、宾馆、商场、库房及家庭的过道、走廊等敏感区域,或用于安全区域的自动灯光、照明和报警系统。

特 点
1、CMOS工艺2、数模混合3、具有独立的高输入阻抗运算放大器4、内部的双向鉴幅器可有效抑制干扰5、内设延迟时间定时器和*锁封**时间定时器6、采用16脚DIP封装
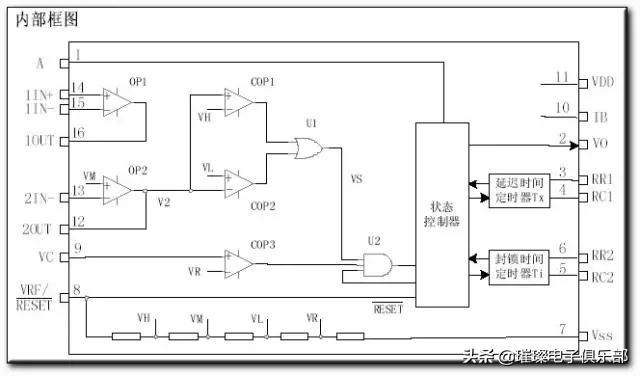
管脚图

管脚说明
引脚
名称
I/O
功能说明
1
A
I
可重复触发和不可重复触发选择端。当A为“1”时
,允许重复触发;反之,不可重复触发
2
VO
O
控制信号输出端。由VS的上跳变沿触发,使Vo
输出从低电平跳变到高电平时视为有效触发。在
输出延迟时间Tx之外和无VS的上跳变时,Vo保
持低电平状态。
3
RR1
--
输出延迟时间Tx的调节端
4
RC1
--
输出延迟时间Tx的调节端
5
RC2
--
触发*锁封**时间Ti的调节端
6
RR2
--
触发*锁封**时间Ti的调节端
7
VSS
--
工作电源负端
8
VRF
I
参考电压及复位输入端。通常接VDD,当接“0”时
可使定时器复位
9
VC
I
触发禁止端。当Vc<VR时禁止触发;当Vc>VR时
允许触发(VR≈0.2VDD)
10
IB
--
运算放大器偏置电流设置端
11
VDD
--
工作电源正端
12
2OUT
O
第二级运算放大器的输出端
13
2IN-
I
第二级运算放大器的反相输入端
14
1IN+
I
第一级运算放大器的同相输入端
15
1IN-
I
第一级运算放大器的反相输入端
16
1OUT
O
第一级运算放大器的输出端



工作原理BISS0001是由运算放大器、电压比较器、状态控制器、延迟时间定时器以及*锁封**时间定时器等构成的数模混合专用集成电路。

以下图所示的不可重复触发工作方式下的波形,来说明其工作过程。 不可重复触发工作方式下的波形1、利用运算放大器OP1组成传感信号预处理电路,将信号放大。
2、然后耦合给运算放大器OP2,再进行第二级放大,同时将直流电位抬高为VM(≈0.5VDD)后,将输出信号V2送到由比较器COP1和COP2组成的双向鉴幅器,检出有效触发信号Vs。
3、由于VH≈0.7VDD、VL≈0.3VDD,所以,当VDD=5V时,可有效抑制±1V的噪声干扰,提高系统的可靠性。
4、COP3是一个条件比较器。当输入电压Vc<VR(≈0.2VDD)时,COP3输出为低电平封住了与门U2,禁止触发信号Vs向下级传递;而当Vc>VR时,COP3输出为高电平,进入延时周期。
5、当A端接“0”电平时,在Tx时间内任何V2的变化都被忽略,直至Tx时间结束,即所谓不可重复触发工作方式。当Tx时间结束时,Vo下跳回低电平,同时启动*锁封**时间定时器而进入*锁封**周期Ti。在Ti时间内,任何V2的变化都不能使Vo跳变为有效状态(高电平),可有效抑制负载切换过程中产生的各种干扰。

以下图所示的可重复触发工作方式下的波形,来说明其工作过程。 可重复触发工作方式下的波形在Vc=“0”、A=“0”期间,信号Vs不能触发Vo为有效状态。在Vc=“1”、A=“1”时,Vs可重复触发Vo为有效状态,并可促使Vo在Tx周期内一直保持有效状态。 在Tx时间内,只要Vs发生上跳变,则Vo将从Vs上跳变时刻起继续延长一个Tx周期;若Vs保持为“1”状态,则Vo一直保持有效状态;若Vs保持为“0”状态,则在Tx周期结束后Vo恢复为无效状态,并且,同样在*锁封**时间Ti时间内,任何Vs的变化都不能触发Vo为有效状态。
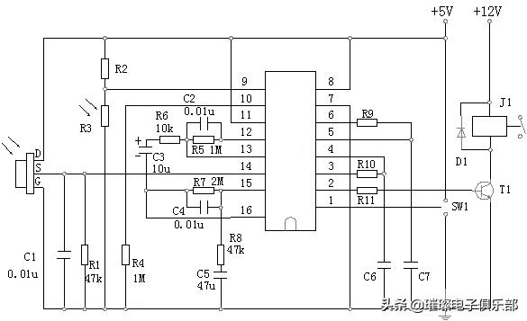
应用线路图

BISS0001的热释电红外开关应用电路图
上图中,运算放大器OP1将热释电红外传感器的输出信号作第一级放大,然后由C3耦合给运算放大器OP2进行第二级放大,再经由电压比较器COP1和COP2构成的双向鉴幅器处理后,检出有效触发信号Vs去启动延迟时间定时器,输出信号Vo经晶体管T1放大驱动继电器去接通负载。
R3为光敏电阻,用来检测环境照度。当作为照明控制时,若环境较明亮,R3的电阻值会降低,使9脚的输入保持为低电平,从而*锁封**触发信号Vs。SW1是工作方式选择开关,当SW1与1端连通时,芯片处于可重复触发工作方式;当SW1与2端连通时,芯片则处于不可重复触发工作方式。图中R6可以调节放大器增益的大小,原厂图纸选10K,实际使用时可以用3K,可以提高电路增益改善电路性能。输出延迟时间Tx由外部的R9和C7的大小调整,触发*锁封**时间Ti由外部的R10和C6的大小调整,R9/R10可以用470欧姆,C6/C7可以选0.1U。