开关电路是一种常用的功能电路,例如家庭中的照明电路中的开关,各种民用电器中的电源开关等。
在开关电路中有两大类的开关:
(1)机械式的开关,采用机械式的开关件作为开关电路中的元器件。
(2)电子开关,所谓的电子开关,不用机械式的开关件,而是采用二极管、三极管这类器件构成开关电路。
1 .开关二极管开关特性说明
开关二极管同普通的二极管一样,也是一个PN结的结构,不同之处是要求这种二极管的开关特性要好。
当给开关二极管加上正向电压时,二极管处于导通状态,相当于开关的通态;当给开关二极管加上反向电压时,二极管处于截止状态,相当于开关的断态。二极管的导通和截止状态完成开与关功能。
开关二极管就是利用这种特性,且通过制造工艺,开关特性更好,即开关速度更快,PN结的结电容更小,导通时的内阻更小,截止时的电阻很大。如表9-41所示是开关时间概念说明。
表6.19 开关时间概念说明

2.典型二极管开关电路工作原理
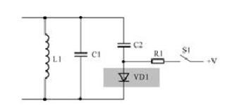
二极管构成的电子开关电路形式多种多样,如图9-46所示是一种常见的二极管开关电路。

通过观察这一电路,可以熟悉下列几个方面的问题,以利于对电路工作原理的分析:
(1)了解这个单元电路功能是第一步。从图8-14所示电路中可以看出,电感L1和电容C1并联,这显然是一个LC并联谐振电路,是这个单元电路的基本功能,明确这一点后可以知道,电路中的其他元器件应该是围绕这个基本功能的辅助元器件,是对电路基本功能的扩展或补充等,以此思路可以方便地分析电路中的元器件作用。
(2)C2和VD1构成串联电路,然后再与C1并联,从这种电路结构可以得出一个判断结果:C2和VD1这个支路的作用是通过该支路来改变与电容C1并联后的总容量大小,这样判断的理由是:C2和VD1支路与C1上并联后总电容量改变了,与L1构成的LC并联谐振电路其振荡频率改变了。所以,这是一个改变LC并联谐振电路频率的电路。
关于二极管电子开关电路分析思路说明如下几点:
(1)电路中,C2和VD1串联,根据串联电路特性可知,C2和VD1要么同时接入电路,要么同时断开。如果只是需要C2并联在C1上,可以直接将C2并联在C1上,可是串入二极管VD1,说明VD1控制着C2的接入与断开。
(2)根据二极管的导通与截止特性可知,当需要C2接入电路时让VD1导通,当不需要C2接入电路时让VD1截止,二极管的这种工作方式称为开关方式,这样的电路称为二极管开关电路。
(3)二极管的导通与截止要有电压控制,电路中VD1正极通过电阻R1、开关S1与直流电压 V端相连,这一电压就是二极管的控制电压。
(4)电路中的开关S1用来控制工作电压 V是否接入电路。根据S1开关电路更容易确认二极管VD1工作在开关状态下,因为S1的开、关控制了二极管的导通与截止。如表9-42所示是二极管电子开关电路工作原理说明。
表9-42 二极管电子开关电路工作原理说明

在上述两种状态下,由于LC并联谐振电路中的电容不同,一种情况只有C1,另一种情况是C1与C2并联,在电容量不同的情况下LC并联谐振电路的谐振频率不同。所以,VD1在电路中的真正作用是控制LC并联谐振电路的谐振频率。
关于二极管电子开关电路分析细节说明下列二点:
(1)当电路中有开关件时,电路的分析就以该开关接通和断开两种情况为例,分别进行电路工作状态的分析。所以,电路中出现开关件时能为电路分析提供思路。
(2)LC并联谐振电路中的信号通过C2加到VD1正极上,但是由于谐振电路中的信号幅度比较小,所以加到VD1正极上的正半周信号幅度很小,不会使VD1导通。
3.故障检测方法和电路故障分析
如图9-47所示是检测电路中开关二极管时接线示意图,在开关接通时测量二极管VD1两端直流电压降,应该为0.6V,如果远小于这个电压值说明VD1短路,如果远大小于这个电压值说明VD1开路。另外,如果没有明显发现VD1出现短路或开路故障时,可以用万用表欧姆档测量它的正向电阻,要很小,否则正向电阻大也不好。

如果这一电路中开关二极管开路或短路,都不能进行振荡频率的调整。开关二极管开路时,电容C2不能接入电路,此时振荡频率升高;开关二极管短路时,电容C2始终接入电路,此时振荡频率降低。
4.同类电路工作原理分析
同类电路工作原理分析

免责声明: 本文转自网络,版权归原作者所有,如涉及作品版权问题,请及时与我们联系,谢谢!