一辆行驶里程约8.5万km、配置2.4L发动机的别克君越轿车。用户反映:该车后备箱手动开关无法打开,使用遥控器也毫无反应。
故障诊断:检查发现,按压左前门后备箱开关没有动作。仔细倾听,在按下开关时可听到车身控制模块内继电器的工作声音,但站在后备箱处确实听不到后备箱电机动作的声音。
用遥控器操作,同样也无法开启。
根据故障验证的现象,技师初步判断造成该故障的可能大致有:
(1)车身控制模块故障;
(2)车身线束故障;
(3)后备箱锁块本身故障。
有了基本的诊断思路,技师先连接故障诊断仪进行自诊断测试,系统没有故障码储存。然后进入车身控制模块读取数据流,发现在按下开关时,行李箱开关状态变化为“打开”,释放开关后的状态恢复为“关闭”,正常,如图1所示。

上述诊断排除了后备箱开关的因素,通过数据流观察,基本判断为线路故障或后备箱电机本身故障。
技师从后排座位靠背处打开后备箱应急逃生按钮,使用拉线手动开启了后备箱,并拆下后备箱饰板准备对后备箱电机进行检测。
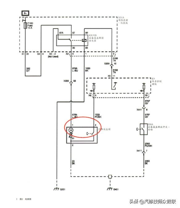
查阅相关资料,根据电路图首先对电机本身进行性能测试,在供电端直接给电机供电,发现动作正常,说明状态良好。电路图如图2所示。

随后用万用表测量后备箱电机1号和4号供电端子,在按下后备箱开关或遥控器按键后,显示端子无供电电压,由此确认是控制线路的故障。
观察线路走向后,决定对线路中来回弯曲的地方进行重点检查。将连接后备箱和车身之间的那段线束橡胶套下移,检查后发现内部线束似乎有问题,于是用手逐根轻轻地拉拽,结果发现车身控制模块至后行李箱锁的4号端子线路断路,同时在1号端子电机供电的连接上也发现了断路,如图3所示。至此,故障原因已经昭然若揭。

整理线束进行标记,用线束修理工具重新加长后焊接。随后固定线束并装复完毕,测试证明故障已经被排除。
故障总结:本案例的故障是后备箱无法开启,维修中的要点是根据故障现象弄懂后备箱开启模式和工作原理。查阅别克君越的线路可知,开关(S58A)将信号送至车身控制模块,由模块控制后备箱电机动作来开启后备箱。
在遥控器和后备箱释放开关开启后备箱时,能听到继电器响而后备箱锁电机无动作,最先应该考虑的就是后备箱锁和车身之间的线束。实际上技师也正是在逐一排查线路时发现内部线路断路,从而准确地找到了故障点,完成了这起维修任务。