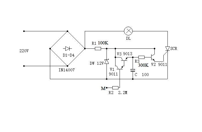
市面上一种触摸式延时节电开关广泛用于楼道、走廊等处的照明灯上,具有使用方便,节电的优点,经拆解画出了原理图说说它的工作原理。

电路工作原理如下图,D1一D4、SCR组成开关主控回路,R1、DW为降压、稳压电路,输出12V电压,V1、V2、V3、R3、C构成开关延时回路,

平时220V交流电经D1一D4整流后,一路直流电过DL加于SCR的A、K两端,由于SCR截止,电灯DL不亮。
另一路的12V直流电压供V1、V2.V3使用,当人手指摸到金属片M时,通过人体流入地端的交流信号加于V1基极,V1、V3、导通,正12V电压经V3ce极给C充电,

当C两端电压上升至V2导通电压时(约0.7V),V2导通,电流经V2ce极加于SCR的G极,触发可控硅导通工作,DL得电发亮,触摸后即使V1、V3截止,
C继续经R3向V2基极提供电流使其导通,约35秒后C放电完毕,V2截止,SCR的G极因无触发电流也截止,DL熄灭。

电路延时时间主要由电阻R3和电容C的数值决定,要延长或缩短延时时间,只要增减它们的数值即可。