【能源人都在看,点击右上角加'关注'】

北极星火力发电网讯:一、概述
机炉协调控制系统(Coordinated Control System,CCS)是机组重要的模拟量调节回路,机组自动程序启停系统(Automatic Procedure Start-up/Shut-down- APS)启、停机组过程中,CCS是实现APS全工况、全过程、全自动必不可少的支柱,而这根支柱的基础就是汽轮机旁路控制。APS启机升负荷后,退出时刻以锅炉不投油稳燃负荷为阈值,本文介绍的锅炉不投油稳燃负荷为35%ECR,机组从静止到35%ECR负荷即为APS启动机组的工作区间。常规(非APS)CCS设计有3种自动工作方式,即机炉协调(CC)、锅炉跟随(BF)、汽机跟随(TF)。为了APS,CCS创新和扩展了调节功能,引入汽轮机旁路控制,除了原有的锅炉自动跟随BF,还增加了两种APS独有的 “汽轮机高旁自动跟随”(BER)方式。一种是“高旁跟随压力控制”(BER FLW MODE,BER-2),在机组并网带负荷之前利用“高旁自动”代替锅炉主控器调压,相似于常规的BF,用于机组启动旁路开启至“初负荷+0.5MW”负荷阶段。第二种是“高旁跟随功率控制”(BER FLW MODE MW CONT,BER-1),同样是利用“高旁自动”代替锅炉主控器在“初负荷+0.5MW”~“高旁关闭”(机组实发负荷在11%左右)负荷阶段自动调压,与汽机主控器自动调功相配合,参与机组功率调节,相似于常规的CC方式。“高旁关闭”~100%ECR负荷阶段与常规CCS的CC功能相同。利用这种创新设计,APS启、停机组排除了过程间断和卡顿。
表1 APS的CCS与常规CCS的工作方式对比
二、CCS为APS创新策略
常规CCS的BF方式为锅炉主控器在“自动”,汽机主控器在“手动”,其控制手段和策略无法满足APS全程自动的要求。为此,CCS扩展了调节范围,把汽机旁路选为被控对象,专门为APS设计有三种BF方式。
1.旁路跟随(BER)
1)BER -1方式 高旁跟随功率控制
高旁跟随功率控制方式(BER FLW MODE MW CONT),汽机主控器自动调功,高旁压力调节自动调压。
同时满足3个条件:① 汽机主控器在自动(TURBINE MASTER AUTO);② 锅炉主控器非自动(not,BM AUTO);③ 高旁压力调节自动调压(HP T-BYPASS PCV AUTO)。
2)BER -2方式 高旁跟随压力控制
高旁跟随压力控制方式,汽轮机主控器手动调功,高旁压力调节自动调压。
同时满足2个条件:汽机主控器非自动(not,TURBINE MASTER AUTO);高旁压力调节自动调压(HP T-BYPASS PCV AUTO)。
3)BF方式 锅炉跟随调压
汽轮机手动调功,锅炉主控器自动调压。
同时满足4个条件:① 汽机主控器非自动(not,TURBINE MASTER AUTO);② 锅炉主控器在自动(BM AUTO);③ 高旁压力调节非自动调压(not,HP T-BYPASS PCV AUTO)。④ 高旁压力调节给定压力偏置0.8MPa(HP TB PR SET BIAS ON)
2.有图有真相
下面是一幅APS机组启动时CCS控制汽机高旁的趋势图(参阅图1),记录了机组启动过程中汽轮机高压旁路调节主汽压力的全过程。主汽压力5.5MPa高旁开启,经过一个多小时升压至8.4MPa(这是机组温态启动的主汽压力给定值),升压过程中,高旁阀为了抑制压力扰动,开度峰值曾接近过69%。为维持主汽压力稳定在8.4MPa,高旁阀连续调节,阀位开度变化幅度达39%(17%~56%)。观察主汽压力曲线趋势平稳,几处波动过渡平滑,对比高旁阀位的变化可以看出调节品质相当不错。机组并网带5%初负荷后,高旁压力调节仍然参与主汽压力调节30多分钟。这30多分钟的主汽压力控制,从“初负荷+0.5MW”开始就是APS下的CCS高旁跟随功率调节(BER-1),而从高旁开启那一刻开始到机组并网带“初负荷+0.5MW”区间则是CCS的高旁跟随压力调节(BER-2),两种调节工况都被归类在APS下CCS锅炉跟随(BF)方式中。高旁压力调节阀关闭,CCS从高旁跟随(BER-1)转为CC方式(机组实发功率7.4MW)。
这个过程中需要运行人员做什么呢?监视、监视还是监视。仅仅在机组启动前利用DCS操作员站显示画面调出汽轮机高旁压力调节回路、高旁喷水减温调节回路、低旁压力调节回路和低旁减温喷水调节回路等6个M/A站触发AUTO按键,剩下的事情都由APS来完成。趋势图显示的是高旁压力调节阀的变化,实际上是高、低旁压力和温度等6个自动调节回路协同调节的结果。看了上面的介绍,觉得疑惑吧?机组实发功率只有区区几兆瓦,CCS竟然已经投入运行了,怎么可能?没错,CCS已经投入运行,而且,两次变换调节方式(BER-2、BER-1、CC),逻辑设计结构复杂、调试难度高。这样做值吗?当然值得,没有这段自动调节何以有APS连贯的全程控制?
图1 APS启动汽机高旁调节趋势图

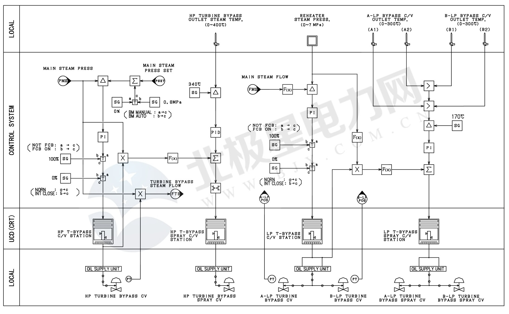
3.汽轮机高、低压旁路自动调节
汽轮机高、低压旁路系统总共设计有6个模拟量自动调节回路:① 高压旁路压力调节;② 高压旁路减温喷水调节;③ 低压旁路A侧压力调节;④ 低压旁路B侧压力调节;⑤ 低压旁路A侧减温喷水调节;⑥ 低压喷水B侧减温喷水调节。
这些调节回路全部具备支持APS控制的功能,高压旁路压力调节扩展了机炉协调控制机组并网前的主汽压力调节和并网初期低负荷功率控制。
1)高压旁路压力调节
高压旁路压力调节回路为单回路PI调节,主汽压力给定(MAIN SAEAM PRESS. SET)与高压旁路压力给定偏置的代数和作为调节器给定值SV,给定偏置设定0.8MPa或零值,由高旁压力偏置设定指令来选择。当锅炉主控器在手动方式(BM MANUAL),偏置为零。锅炉主汽压力(MAIN STEAM PRESS.)是过程测量值PV,SV与PV值形成偏差Δ作为高压旁路压力PI调节器的输入。机组并网带负荷后,待高旁阀关闭,锅炉主控器自举“自动”, SV值自动偏置0.8MPa,以使高旁阀关闭更为可靠。自动方式下,调节器输出经M/A站控制高旁压力调节阀。手动时,利用M/A站人工远方操作高旁压力调节阀。高旁阀还具有配合执行FCB动作的功能,FCB动作高旁即刻开启,3秒内阀位开度100%,随后转入压力调节。
2)高压旁路减温调节
高压旁路减温调节,PI单回路控制,SV值给定在340℃,PV值是高旁出口蒸汽温度(HP TURBINE BYPASS OUTLET STEAM TEMP.),主汽压力通过函数转换作为高旁减温调节的超前信号与高旁减温调节器输出相加后经M/A站控制高旁减温调节阀。
3)低压旁路压力调节
低压旁路压力调节,PI单回路控制,调节器输出同步控制两个低旁压力调节阀。SV值通过函数转换主汽流量(MAIN STEAM FLOW)而来,PV值取自锅炉再热器压力(REHATER STEAM PRESS.)。低压旁路压力调节回路也具有快开功能,同样参与FCB控制。
4)低压旁路减温调节
低压旁路减温调节,PI单回路控制,调节器输出同步控制两个低旁喷水调节阀。SV值设定170℃。从两只低旁压力调节阀出口测量得出蒸汽温度,两侧的低旁压力调节阀出口温度测量值经大值比较器取温度高值作为PV值。低旁压力调节阀位修正后的再热器压力函数是低旁减温调节的超前信号。

图2 汽机旁路调节原理框图
三、旁路选择
既然CCS是APS的支柱,汽轮机旁路又是CCS的基础,此汽机旁路不可谓不重要。甚至可以说,汽机旁路选择是否得当,关乎APS的成败。
本文介绍的汽轮机采用二级高、低压串联旁路,高压旁路压力调节为一只40%MCR容量的液压阀,跨接在汽轮机主汽管道和锅炉冷再蒸汽管道之间,旁路了汽轮机的高压缸,高压旁路打开时把主汽(经减温减压)直接引向锅炉冷再管道进入锅炉再热器。高压旁路减温水调节也是液压调节阀。再热蒸汽分成两路进入汽轮机中压缸,低压旁路跨接在热再管道和汽轮机凝汽器之间,旁路了汽轮机中压缸和低压缸。低压旁路总容量45%MCR容量,平均分配给两只安装在两路再热蒸汽管道上的液压调节阀,汽轮机低旁开启后(经减温减压)连通锅炉再热器出口和汽轮机凝汽器。低压旁路减温水同样是液压调节阀。高、低压旁路均具有快开功能。
流量平衡、功能全面、系统安全、造价低廉应该是界定旁路容量选择是否合理的标准。汽轮机旁路容量选择的三原则:① 最大容量不应超过按照热平衡设计的汽轮机凝汽器冷凝能力;② 最小容量应维持锅炉工作在不投油稳燃负荷以上;③ 高、低旁以及与再热器的匹配应能保证机组100%甩负荷时锅炉过热蒸汽顺畅的流通到汽机凝汽器,不应产生节流而造成局部超压,再热器和过热器安全门不应动作,但在机组负荷>75%ECR时,允许锅炉PCV阀即时主动开启。根据长期运行经验,汽包炉可参考不投油最低稳燃负荷在35%BMCR~45%BMCR之间取舍,低旁阀容量以大于高旁阀5%BMCR为宜,理论分析和实践都证明,40%BMCR高旁和45%BMCR低旁有比较好的经济性,既好用又省钱。直流炉可参考锅炉最低循环流量加上5%BMCR就是高旁阀容量的合理选择。兼顾到旁路快开功能,汽机旁路阀应优先选择液压执行机构。

图3 汽轮机二级高、低压串联旁路系统等效示意图
四、结语
机组启动后到不投油稳燃负荷之前,正是APS的导引范围,锅炉点火、升温升压,汽轮机冲转与带初负荷等过程,其间如果缺失CCS的主汽压力自动调节,等同APS半途而废。引入了汽轮机旁路控制,CCS为APS向负荷低端扩展了机炉协调控制,实现了CCS主汽压力调节的全程覆盖。机组启动,只要汽轮机高旁投入自动,CCS即刻参与调节。机组停运,CCS可以一直工作到锅炉油枪全部退出。CCS能够实现主汽压力全程自动调节,APS才具有成功的基础。
免责声明:以上内容转载自北极星火力发电网,所发内容不代表本平台立场。
全国能源信息平台联系电话:010-65367702,邮箱:hz@people-energy.com.cn,地址:北京市朝阳区金台西路2号人民日报社