LW80731-DE05 24键七彩遥控灯带芯片
一. 功能说明
上电工作,七彩渐明暗,RG,G,GB,B,BR,RGB.同FADE
加键:增加LED灯亮度,
减键:减弱LED灯亮度。
ON 按键:开启LED,具有记忆闪烁模式功能
OFF按键:关闭LED
W 按键:三灯同时亮(不闪)
FLASH按键:七彩跳闪,R,G,RG,B,BR,BG,BRG
STROBE按键:三灯同时渐明渐暗
FADE按键:七彩渐明暗,RG,G,GB,B,BR,RGB.R
SMOOTH按键:红绿蓝跑马闪
遥控器用户码为00FF的码

|
09 |
1d |
1F |
0d |
|
19 |
1b |
11 |
15 |
|
17 |
12 |
16 |
4d |
|
40 |
4C |
04 |
00 |
|
0A |
1E |
0E |
1A |
|
1C |
14 |
0F |
0C |
二. 电气参数 (VDD=3.0V TA=25℃)
|
参数 |
符号 |
最小值 |
典型值 |
最大值 |
单位 |
条件 |
|
工作电压 |
VDD |
2.2 |
3.0 |
5.0 |
V |
|
|
工作电流 |
IOP |
1.5 |
mA |
|||
|
静态电流 |
ISTB |
5 |
uA |
VDD=5.0V |
||
|
驱动电流低电平输出 |
IOL |
14 |
mA |
VDD=5.0V,VOL=0.7V |
||
|
驱动电流高电平输出 |
IOH |
6 |
mA |
VDD=5.0V,VOH=VDD-0.7 |
||
|
过VDD极限电流 |
IVDDmax |
50 |
mA |
|||
|
过GND极限电流 |
IGNDmax |
50 |
mA |
|||
|
工作温度 |
TA |
-10 |
25 |
70 |
℃ |
|
|
储存温度 |
Tstg |
-20 |
25 |
100 |
℃ |
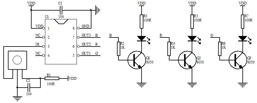
三. 脚位图(SOP-8)

24键红外遥控RGB调光调色灯串芯片
|
管脚号 |
符号 |
功能描述 |
|
1 |
VDD |
电源正 |
|
2 |
NC |
悬空 |
|
3 |
IR |
红外遥控输入 |
|
4 |
NC |
悬空 |
|
5 |
OUT1 |
绿灯输出,高电平有效 |
|
6 |
OUT2 |
红灯输出,高电平有效 |
|
7 |
OUT3 |
蓝灯输出,高电平有效 |
|
8 |
GND |
电源负 |
四. 电路图参考

LED流星雨灯串芯片方案
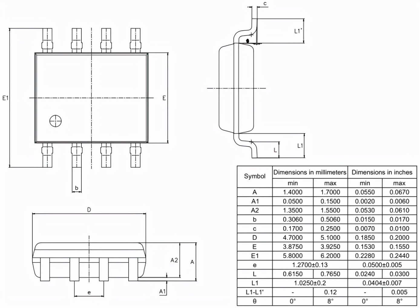
五. 封装尺寸图(SOP-8)

流星雨闪灯IC方案
六. 版本说明
|
版本 |
日期 |
描述 |
|
LW80724-DECO |
2018/8/22 |
初版 |
|
LW80731-DE05 |
2018/8/22 |
V02 改上电工作渐明渐暗 |

流星雨闪灯IC芯片