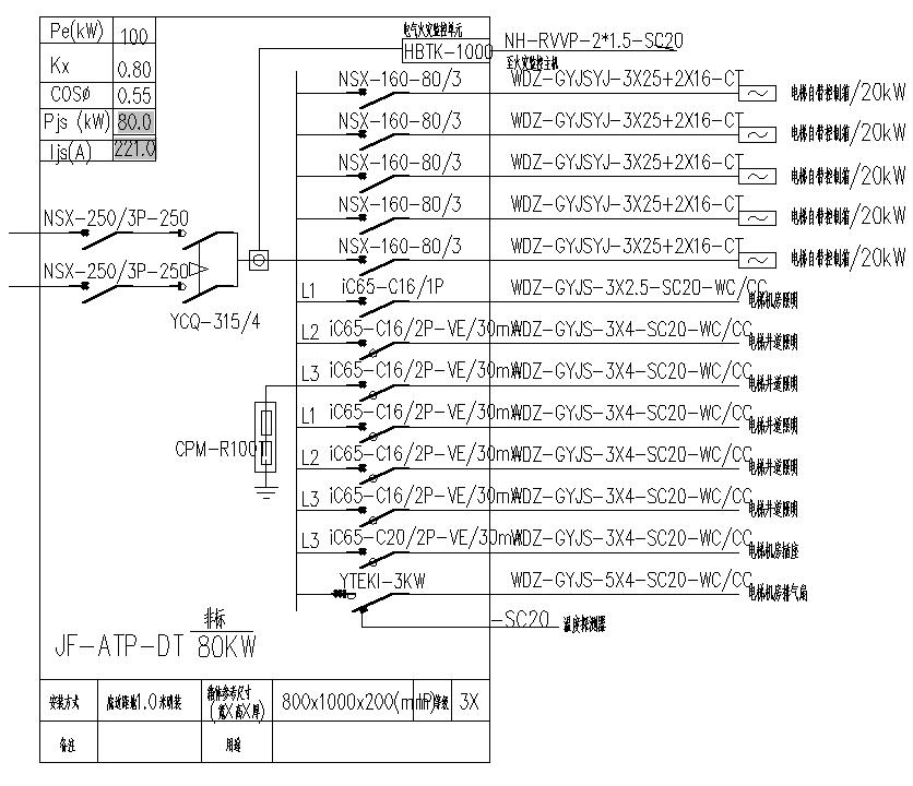
配电箱一次系统图
- 首先,我们看下下面这张配电箱的一次系统图,这是一台非标箱,配电箱编号JF-ATP-DT,配电箱的尺寸是800宽*1000高*200深;配电箱底边距离地边1米,明装;

配电箱一次系统图

配电箱参数的认识
- 大家知道图纸中的Pe,Kx,COSφ,pjs,Iis是什么意思吗,他们之间有什么关系,我们一起学习一下,Pe指的是该配电箱的额定功率, Kx是需要系数, cosO是功率因数, Pjs是 计算功率, Ijs是计算电流;
- 参数之间的关系:
- Pjs=Kx*Pe=0.8*100=80KWIjs=Pjs/(1.732*Ue*cosφ)=80/(1.732*0.38*0.55)=221 , 其中 Ue是配电箱的额定电压,ue=380v ;

配电箱系统图的认识

如何看懂配电箱一次图纸
- 首先,要看懂电气一次图纸,先要认识电气元件的图形符号,字母符号,因为电气一次图主要由电气元件的图形符号组成,其次,我们还需要懂得电气元件的作用,工作原理,这样我们才能完整的看懂电气一次系统图;当然除了这些,我们还需要认识电缆的型号,电缆敷设方式的字母代表;
- 配电箱的安装方式,配电箱的参数等;这样我们才能看懂图纸里面的全部内容;
备注:如果大家有什么疑问可以在下面留言,小编看到后会给大家解答,欢迎大家转发,谢谢大家;
