废话不多说,让我们通过一个实例来说明。
电动机的星三角起动电路,凡是从事于电气和工控的人,肯定不陌生。一般来说,这种电路都是用时间继电器、中间继电器和交流接触器来构建的。
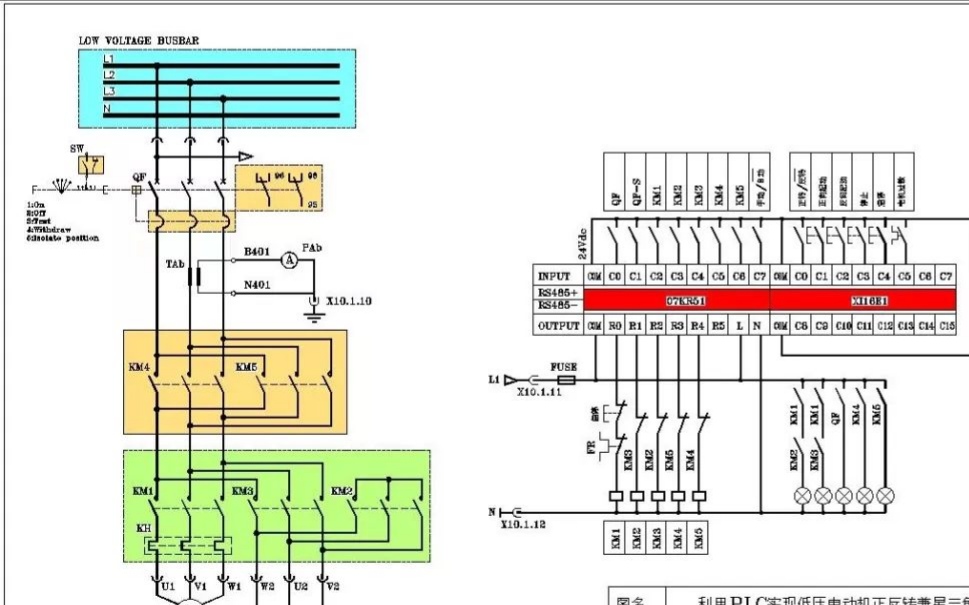
下图是用PLC构建的电动机星三角起动控制电路:

我们再看它的主程序:
上图中,TON是PLC内部的通电延时时间模块。每个模块的左上侧是开关量输入,左下是延迟时间,图中均是10毫秒;右上是对应的寄存器,右下是时间延迟终止。
上图中有许多开关量输入端,例如断路器状态开关量、控制按钮开关量、交流接触器状态开关量等等。之所以要延时,目的是消除开关量输入时的抖动。
下图是控制程序:
图中的程序工作原理我就不解释了。
由以上几张图我们看到,PLC的控制与继电器构建的电路有很大的不同。
1.继电器控制线路能实现的功能,PLC都能做到;反过来,PLC能做到的功能,继电器控制线路不一定能做到。
例如图2的触点防抖程序,虽然我们也可以用时间继电器来实现,但对如此众多的开关量做防抖操作,需要大量的时间继电器,成本很高,可靠性却不高。
这就是PLC的第一个优点,增加了许多特殊功能。
2.相对继电器电路,PLC的控制功能更加严密,性能更好。但是,PLC程序能看懂的人不多,于是PLC一旦发生问题,检修困难。
3.相对继电器电路,PLC能够方便地实现数据的瞬时采集,以及数据交换。
我们看下图:

上图是开关量变位和故障的时间标签SOE程序。SOE程序的测量精度是1毫秒。
SOE功能用继电器很难实现。
再看下图:

类似上图的功能,继电器是不可能做到的。
4.相对继电器电路,PLC当然比较贵。然而它的可靠性高和稳定性好,也是继电器电路无法比拟的。
主要就是这些。
另外再说一点,有的人认为某些领域单片机会逐步替代plc,这种观点是错误的。
PLC其实就是单片机应用系统,但PLC的技术参数比单片机不知高出多少倍。我们在工控现场看到的是各类PLC,而不是专门开发的单片机,为何?其原因就是PLC具有极强的抗干扰能力,即EMC抗电磁骚扰能力。
所谓EMC电磁骚扰,它有两个方面,第一是电气产品具有较高的抵御电磁骚扰的能力,第二是电气产品本身不会产生强电磁骚扰去影响周边的电磁环境。
在电磁骚扰测试中,最难过的是静电骚扰和EFT电快速脉冲群电磁骚扰。
下图是介绍电快速脉冲群电磁骚扰测试的情况:

前者是把电子产品的参考地与仪器的地连接起来,然后再把高电压加载在电子产品的外壳上,看看电子产品的抵御能力如何。许多时候,甚至电源滤波电容略微高了一点,电子产品当场就拉弧炸毁。
至于电快速脉冲群测试,工业产品必须过三级群脉冲的测试。若是普通的单片机系统当场就烧毁,而PLC若无其事。
为了提高PLC的抗干扰能力,PLC操作系统的基本程序采取读一条就执行一条的原则,不会原地等待。这样一来,PLC基本程序很难出现死循环,继而提高了PLC的抗干扰能力。
至于梯形图和模块化的编程语言,它们都是IEC61131下的标准编程高级语言,与PLC操作系统的基本语言无关。
以上这些是PLC必须满足的基本性能,与程序员没有任何关系!至于把单片机来代替PLC,纯属外行的幼稚想法和认识罢了。