RS-232(又称EIA RS-232)是常用的串行通信接口标准之一,由美国电子工业协会(EIA)联合贝尔系统公司、调制解调器厂家及计算机终端生产厂家于1970年共同制定。
它具有信号线少、灵活的波特率选择、采用负逻辑传送和传送距离较远等特点。

在串行通讯时,要求通讯双方都采用一个标准接口,使不同的设备可以方便地连接起来进行通讯。RS-232-C接口(又称EIARS-232-C)是目前最常用的一种串行通讯接口。(“RS-232-C”中的“-C”只不过表示RS-232的版本,所以与“RS-232”简称是一样的)
它是在1970年由美国电子工业协会(EIA)联合贝尔系统、调制解调器厂家及计算机终端生产厂家共同制定的用于串行通讯的标准。它的全名是“数据终端设备(DTE)和数据通讯设备(DCE)之间串行二进制数据交换接*技口**术标准”该标准规定采用一个25个脚的DB-25连接器,对连接器的每个引脚的信号内容加以规定,还对各种信号的电平加以规定。后来IBM的PC机将RS232简化成了DB-9连接器,从而成为事实标准。而工业控制的RS-232口一般只使用RXD、TXD、GND三条线。
一、串口协议标准
RS-232C 标准(协议)的全称是 EIA-RS-232C 标准,其中EIA (Electronic Industry Association)代表美国电子工业协会,RS(recommended standard)代表推荐标准,232是标识号,C代表RS232的最新一次修改(1969),在这之前,有RS232B、RS232A。它规定连接电缆和机械、电气特性、信号功能及传送过程。常用物理标准还有EIARS-422A、EIA RS-423A、EIARS-485。这里只介绍EIA RS-232C(简称232,RS232)。例如,目前在IBM PC机上的COM1、COM2接口,就是RS-232C接口。
一、串口的引脚定义:

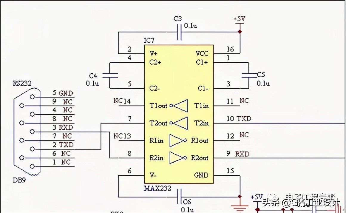
两个串口连接时,接收数据针脚与发送数据针脚相连,彼此交叉,信号地对应相接即可。 二、串口的电气特性: 1)RS-232串口通信最远距离是50英尺2)RS232可做到双向传输,全双工通讯,最高传输速率20kbps3)RS-232C上传送的数字量采用负逻辑,且与地对称逻辑1:-3 ~-15V 逻辑0:+3~+15V所以与单片机连接时常常需要加入电平转换芯片:

三、串口的机械特性:
连接器:由于RS-232C并未定义连接器的物理特性,因此,出现了DB-25、DB-15和DB-9各种类型的连接器,其引脚的定义也各不相同。下面分别介绍两种连接器。
(1)DB-25:PC和XT机采用DB-25型连接器。DB-25连接器定义了25根信号线,分为4组:
①异步通信的9个电压信号(含信号地SG)2,3,4,5,6,7,8,20,22
②20mA电流环信号 9个(12,13,14,15,16,17,19,23,24)
③空6个(9,10,11,18,21,25)
④保护地(PE)1个,作为设备接地端(1脚)
注意:20mA电流环信号仅IBM PC和IBM PC/XT机提供,至AT机及以后,已不支持。
(2)DB-9:
在AT机及以后,不支持20mA电流环接口,使用DB-9连接器,作为提供多功能I/O卡或主板上COM1和COM2两个串行接口的连接器。它只提供异步通信的9个信号。DB-9型连接器的引脚分配与DB-25型引脚信号完全不同。因此,若与配接DB-25型连接器的DCE设备连接,必须使用专门的电缆线。
电缆长度:在通信速率低于20kb/s时,RS-232C 所直接连接的最大物理距离为15m(50英尺)。
最大直接传输距离说明:RS-232C标准规定,若不使用MODEM,在码元畸变小于4%的情况下,DTE和DCE之间最大传输距离为15m(50英尺)。可见这个最大的距离是在码元畸变小于4%的前提下给出的。为了保证码元畸变小于4%的要求,接口标准在电气特性中规定,驱动器的负载电容应小于2500pF。
三、串口的接线 :
在工程当中经常会用到232口,一般是圆头8针与D型9针两种串口。在一定的条件下,必须要自己制作一个相应的"圆头或者是D型的"232串口。
RS232C串口通信接线方法(三线制)
首先,串口传输数据只要有接收数据针脚和发送针脚就能实现:同一个串口的接收脚和发送脚直接用线相连,两个串口相连或一个串口和多个串口相连
同一个串口的接收脚和发送脚直接用线相连对9针串口和25针串口,均是2与3直接相连;
两个不同串口(不论是同一台计算机的两个串口或分别是不同计算机的串口)
DB9-DB9
2-3,3-2,5-5
DB25-DB25
2-3,3-2,7-7
DB9-DB25
2-3,3-2,5-7
上面是对微机标准串行口而言的,还有许多非标准设备,如接收GPS数据或电子罗盘数据,只要记住一个原则:接收数据针脚(或线)与发送数据针脚(或线)相连,彼此交叉,信号地对应相接。
8针圆形串口接线:2"逻辑地",4"TXD",7"RXD"。
9针D型串口:2"RXD",3"TXD",5"逻辑地"。
RS-232-C的电气接口电路
RS-232-C的电气接口电路采取的是不平衡传输方式,即所谓单端通讯,其发送电平与接收电平的差只有2~3V,所以共模抑制能力较差,容易受到共地噪声和外部干扰的影响,再加上信号线之间的分布电容,因此其传送距离最大为约15米,最高数据传输速率为20kb/s。此外RS-232-C的接口电路的信号电平较高,容易损坏接口电路的芯片,与TTL电路的电平也不兼容,影响其通用性。为了弥补RS-232-C的不足,提高数据传输率和延长通信距离,EIA于1977年制订了RS-499串行通信标准,这个标准对RS-232-C的不足做了改进和补充。RS-422A是RS-499的标准子集之一。
二、串口的接口定义
25芯
1 屏蔽地线
2 发送数据 TXD
3 接收数据 RXD
4 发送请求RTS
5 发送清除 CTS
6 数据准备好 DSR
7 信号地 SG
8 载波检测 DCD
9 发送返回(+)
10 未定义
11 数据发送(-)
12~17 未定义
18 数据接收(+)
19 未定义
20数据终端准备好 DTR
21 未定义
22 振铃 RI
23~24 未定义
25 接收返回(-)
Pin 1 Protective Ground
Pin 2 Transmit Data
Pin 3 Received Data
Pin 4 Request To Send
Pin 5 Clear To Send
Pin 6 Data Set Ready
Pin 7 Signal Ground
Pin 8 Received Line Signal Detector
(Data Carrier Detect)
Pin 20 Data Terminal Ready
Pin 22 Ring Indicator

9芯针脚信号定义作用1DCD载波检测Received Line Signal Detector(Data Carrier Detect)2RXD接收数据Received Data3TXD发送数据Transmit Data4DTR数据终端准备好Data Terminal Ready5SGND信号地Signal Ground6DSR数据准备好Data Set Ready7RTS请求发送Request To Send8CTS清除发送Clear To Send9RI振铃提示Ring Indicator25芯接口9芯接口23324758667581204229
三、串口的缺点:
(1)接口的信号电平值较高,易损坏接口电路的芯片,又因为与TTL电平不兼容故需使用电平转换电路方能与TTL电路连接。
(2)传输速率较低,在异步传输时,波特率为20Kbps;因此在CPLD开发板中,综合程序波特率只能采用19200,也是这个原因。
(3)接口使用一根信号线和一根信号返回线而构成共地的传输形式,这种共地传输容易产生共模干扰,所以抗噪声干扰性弱。
(4)传输距离有限,最大传输距离标准值为50英尺,实际上也只能用在15米左右。