本文共分为以下内容:
1. 角钢法兰制作
2. 角钢法兰风管加固
3. 法兰铆接
4. 角钢法兰圆风管
5. 共板法兰风管——咬合
6. 共板法兰风管——平法兰、检查对角线
7. 共板法兰风管——安装角件
8. 共板法兰风管——成品
9. 共板法兰风管内支撑加固
10. 共板法兰风管角钢框加固
11. 圆角钢法兰软接头
12. 共板法兰软接头——法兰制作
13. 共板法兰软接头——铆压布料
14. 矩形弯头制作
15. 共板法兰弯头分节制作
16. 直角弯头加导流片
17. 矩形插接三通
18. 圆形插接三通
19. 共板法兰变径头制作
20. 天圆地方制作
21. 风管末端封头
22. 洁净风管封口
23. 平面弯头支吊架设置
24. 向下弯头处支吊架设置
25. 风管穿楼板
26. 风机吊装
27. 角钢法兰风管螺栓连接
28. 共板法兰风管连接
29. 高效风口二次吊
30. 风机进出口防护网
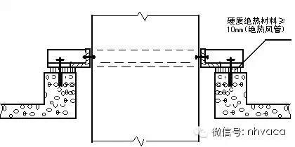
31. 风管防晃支架
32. 风管穿墙套管
33. 洁净室壁板上回风口安装
34. 穿屋面风管防雨罩
35. 风管支吊架木垫块绝热
36. 风管安装
37. 机房风管安装
1. 角钢法兰制作


要求:
1.角钢边宽、厚度偏差在允许范围,角度允许偏差≤b/100(b=角钢宽);
2.角钢下料后经过矫直工序,弯曲度不大于1mm;
3.焊接熔合良好、饱满,无夹渣、无假焊和孔洞、豁口,刷漆前药皮已除净;
4.平面交接处不平度允许偏差≤1mm;
5.对角线差值不超过3mm;
6.采用橡塑保温风管法兰角应磨成圆角,弧度R≥6mm;
7.法兰第一个铆钉孔距法兰角40mm;
8.螺栓、铆钉孔距符合要求。
2. 角钢法兰风管加固

要求:
1.加固框四角均为焊接,与风管连接不得采用燕尾丝;
2.连接点的间距不大于220mm。
3. 法兰铆接


要求:
1.不得手工冲孔;
2.铆钉头应铆成圆台形无脱铆、漏铆;
3.翻边平整、宽度7~10mm,宽度应一致,咬口缝处翻边无重叠;
4.净化风管翻边在角部不剪豁,翻圆弧边。
4. 角钢法兰圆风管


要求:
1.制成的法兰不得出现喇叭口状;
2.法兰与风管的间隙不得超过2mm;
3.法兰与风管须翻边铆接;
4.法兰面各点应垂直于风管轴线。
5. 共板法兰风管——咬合

要求:
1.两L型料片咬合时,侧立面要垂直于工作台面;
2.手工咬合要用专用工具---拍板;
3.咬合后紧密平整,不应有皱折,不得有榔头敲击痕迹。
6. 共板法兰风管——平法兰、检查对角线


要求:
1.法兰面不平时用小榔头找平;
2.对角线应符合要求。
7. 共板法兰风管——安装角件


要求:
1.压法兰角件的边不要砸的太狠,裹住即可;
2.用自制工具敲紧小包角。
8. 共板法兰风管——成品

要求:
1.法兰与风管本体、小折边角度应为90°允许偏差△≯0.5mm;
2.共板法兰弯曲度不大于2‰;
3.联合角咬口包边平整、宽度一致边宽8~10mm;
4.法兰面平整,四角无下垂变形;
5.风管端口对角线偏差在允许范围内。
9. 共板法兰风管内支撑加固

要求:
1.净化风管内支撑加固时,丝杆必须加镀锌套管;
2. 负压风管在内侧、正压风管在外侧应设置专用弧。
10. 共板法兰风管角钢框加固

要求:
角钢框的四角应为两个角焊接、两个角螺栓连接。
11. 圆角钢法兰软接头

要求:
1.布料、压条在法兰里侧;
2.压条的宽度应为法兰边宽+8mm。压条铆接后翻边;
3.铆钉间距应≤100mm;
4.不得用燕尾丝替代铆钉。
12. 共板法兰软接头——法兰制作

要求:
1.法兰的四个边宜为一整条;
2.料的一边应卷边,可在拼缝咬口机上轧制成型;
3.四条边的折弯处应折成死角;
4.法兰制成后四边在一个平面上,不扭。
13. 共板法兰软接头——铆压布料


要求:
1.铆压布料前用丝杆撑住四角;
2.布料、压条在法兰里侧;
3.压条应是折角的,且长边的宽度应≤法兰边宽;
4.离法兰角部40mm内应有铆接点;
5.铆钉间距应≤100mm;
6.不得用燕尾丝替代铆钉。
14. 矩形弯头制作


要求:
1.应做成内外同心弧形,且曲率半径为一个平面边长即R=A;
2.两端各加50mm直段。
15. 共板法兰弯头分节制作

要求:
1.共板法兰弯头的扇形料不允许拼接;
2.当料宽不能满足整体制作时,弯头应分节制作。
16. 直角弯头加导流片

要求:
1.平面边长大于500mm时必须设置导流片,弧长、数量、间距应符合JGJ141-2004/3.10.2-3的规定;
2.导流片先和连接板连接再和风管连接。
17. 矩形插接三通

要求:
1. 插接三通连接部位采用联合角咬口形式。
18. 圆形插接三通

要求:
1. 插接三通连接部位采用联合角咬口形式。
19. 共板法兰变径头制作

要求:
1.应在变径管两端各加50mm的直段;
2.长度=(大头尺寸-小头尺寸)×1.5;
3.当料宽不能满足变径管的长度要求时,变径管应分节制作;
4.最短尺寸不小于200mm。
20. 天圆地方制作

要求:
1. 两端必须加50mm直段;
2. 圆弧应煨制,不应有明显折线。
21. 风管末端封头

要求:
1.风管未端封堵应采用联合角咬口的形式;
2.盲板的四角应去方角,不得去斜角。
22. 洁净风管封口

要求:
1.风管清洗干燥后封口;
2.封塑料薄膜厚度≥0.1mm。宜采用松紧带结扎封口,采用胶带封口应绕整圈。
23. 平面弯头支吊架设置

要求:
1. 距弯头两端法兰500mm内应设置支吊架。
24. 向下弯头处支吊架设置

要求:
1. 距弯头法兰500mm内应设置支吊架。
25. 风管穿楼板


要求:
1.风管穿楼板处应设置支架;
2.支架与风管应连接,连接方式可铆接、螺栓连接,不得采用穿通丝的连接方式。
26. 风机吊装

要求:
1.采用2个套管型膨胀螺栓固定槽钢再转接丝杆,丝杆两端采用双螺母。条件允许的话可打穿楼板生根如右上图;
2.不得使用锥套型(三件套)膨胀螺栓吊装风机;
3.风机机壳应处于水平状态;
4.连接风管和风机的软接头不应出现偏心;
5.减振器应靠近顶部安装,高度应一致;
6.吊杆应垂直受力。
27. 角钢法兰风管螺栓连接

要求:
1.螺栓受力均匀、朝向一致、法兰无错口;螺栓无空缺、无松动
28. 共板法兰风管连接

要求:
1.法兰无错口;
2.弹簧夹两端打磨防腐、正反相间安装;
3.同一规格风管法兰上使用的弹簧夹长度一致,标准长度150mm,特殊情况可采用120mm;
4.弹簧夹间距均匀且符合系统要求。
29. 高效风口二次吊

要求:
1. 高效风口吊装遇上方有障碍时应实行二次吊。
30. 风机进出口防护网

要求:
1.风机直通大气的进出口必须装设不锈钢防护网;
2.防护网孔径应符合设计要求。
31. 风管防晃支架



要求:
1.绝热风管上下应垫木块;
2.丝杆距风管或绝热层距离30mm;
3.门形支架较长时应加斜撑。
32. 风管穿墙套管

要求:
1.板厚≥1.6mm,外面不刷漆,边长大时应加强;
2.套管与风管间间隙均匀,充填不燃绝热材料。
33. 洁净室壁板上回风口安装

要求:
1.洁净室回风百页页片应为竖向设置的;
2.回风口面板应紧贴壁板。
34. 穿屋面风管防雨罩

要求:
1.风管穿屋面需做防雨罩;
2.四面搭接处需用铆钉连接;
3.罩与风管连接处需做嵌胶密封。
35. 风管支吊架木垫块绝热

要求:
1.木垫块应与横担等宽,与绝热层等厚;
2.木垫块长度不小于风管底边长加4个绝热层厚度,与横担用钉连接固定。
36. 风管安装

要求:
1.顺直不弯不扭;
2.支吊架间距符合要求;
3.风管末端应设置支吊架,距风管端头不大于0.7m且不小于100mm。
37. 机房风管安装


要求:
1.横向风管安装应水平,管路不扭;
2.竖向下引管应测量准确、制作准确,与机组接口相接不偏心。