第一次搞装修的人对于装修时需要的施工图纸一定会很迷茫。设计图是家装中不可或缺的,在房子装修好之前,我们可以通过这些设计图来了解想象未来家的模样。也可以通过这些设计图让我们的家布置得更加合理,也能将提高居室的利用率。所以如果找设计师设计的话,记得一定要问他要这9张图纸。
家装施工图纸 : 1、原始结构图 2、墙体改动图 3、平面布置图 4、天花布置图 5、地面布置图 6、水路改造图 7、电路改造图 8、立面图 9、大样图
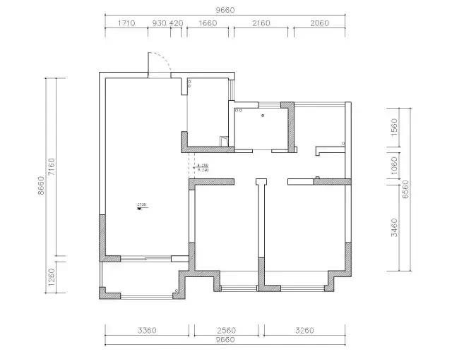
1、原始结构图
原始结构图就是原始房型结构图,图中包含的信息主要有:房间的具体尺寸、墙体厚度、层高、房间梁柱位置尺寸、门窗洞口的尺寸位置、各项管井的位置、功能、尺寸等项目,装修公司提供的后续的一切设计图纸都主要以这份原始图为基础,如果对于原始图的测量和标注出现偏差的话,会直接导致此后的设计和施工出现差错,因此,对于原始建筑测量图来说,最重要的就要是测量和标注准确无误。

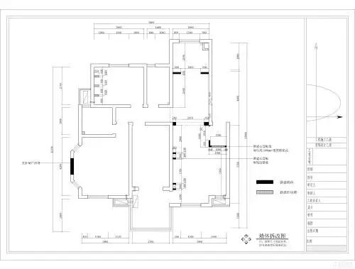
2、墙体改动图
针对于方案设计中出现的墙体新建和拆除的说明。在装修过程中,并不是随意一面墙,都可以被拆改的。
业主在进行墙体拆改时,要遵循以下几条墙体拆改原则: (1)预制板墙一定不能拆改 对于混砖结构的建筑来说,预制板墙一般就是整栋建筑的承重墙。而承重墙是不能轻易拆除和改造的,如果将承重墙进行了拆除或改造,可能会严重影响整栋房子的平衡性,带来严重的安全隐患。 (2)横梁下的轻体墙一定不能拆改 横梁下的轻体墙也不能随意拆改,因为该处的轻体墙也承担着一部分房屋的重量。如果将其进行了拆改,一样会破坏房屋的结构,影响房屋的安全性能。 (3)阳台边的矮墙一定不能拆 阳台边的矮墙也属于承重墙的一种,是承担阳台重量的主要承重物。如果将这堵墙拆除,很可能会出现阳台坠落事故。

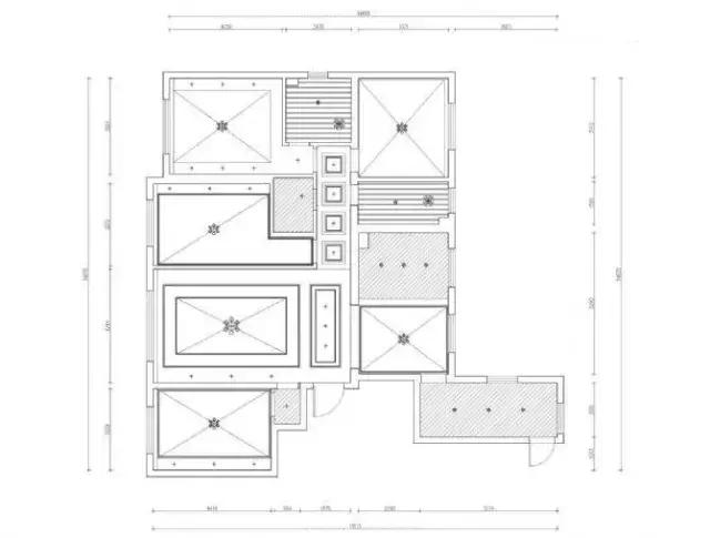
3、平面布局图
装饰平面布局图即通常所说的设计图,主要由装修公司根据业主的需求以及实际情况在原始房型结构图上进行的装饰设计或者改造。对于装饰平面布局图来说,我们需要的注意的是看装修公司提供的设计图上,每一处进行布置或者改造的地方是否有详细的标注,是否符合我们所提出的设计要求,是否存在安全隐患等等。

4、天花布置图
天花吊顶布置图的要求是需要标明天花造型的尺寸定位、灯具位置,以及天花底面相对于本层地面建筑面层的高度等。

5、地面布置图
地面材质图的主要要求是,标明需要铺设的地面材料种类、地面拼花、材料尺寸。

6 7、水,电路改造图
配电系统图在整个装修图纸中有着十分重要的地位,同时配电系统图相对来说也是最为复杂的设计图,业主们在看装修公司所提供的配电系统图的时候,需要特别注意,首先插座的数量是否能满足日常生活的需求,同时还要留出一定的富于空间,其次插座的位置安排是否合理,不能让插座被其他的家居装饰所遮挡,影响使用,最后还需要特别注意,线路所通过的区域是否存在潜在的安全隐患。


8、立面图
立面图是室内空间和装饰物平视角度等比例的正面投影,立面图中应有详细的尺寸,造型清晰准确,且相关材质必须标注清楚。立面图可以与效果图一起看,对于非专业人士可以更简单的捕捉到相关信息。

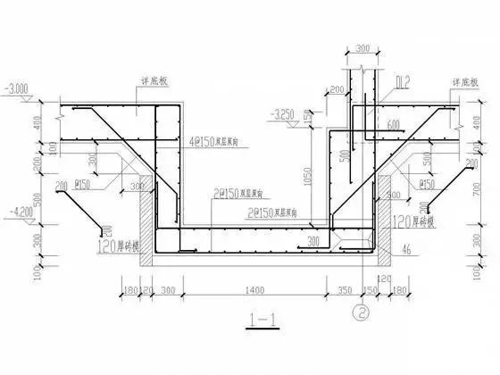
9、大样图
大样图是物品与其制作相关的结构图,通过大样图可以知道物品的结构及结构的相关的材质。
