
集成运算放大器LM324-NE5532的识别与检测方法图解


1、 集成运算放大器简称集成运放,是一种集成化的高增益的多级直接耦合放大器。集成运算放大器作为一种通用电子器件,在放大、振荡、电压比较、模拟运算、有源滤波等各种电子电路中得到了广泛的应用。图1为常见集成运算放大器的外形,其中双列直插应用较多。集成运放品种繁多,可分为:通用型、低功耗型、高阻型、高精度型、高速型、宽带型、低噪声型、高压型、程控型、电流型、跨导型等等。


2、 集成运算放大器的文字符号为“IC”,图形符号如图2所示。集成运放具有两个输入端(同相输入端U+、反相输入端U-)和一个输出端UO。


3、 集成运放的主要参数有电源电压范围、最大允许功耗、单位增益带宽、转换速率、输入阻抗等。单位增益带宽fC是指集成运放开环电压放大倍数A=1(0dB)时所对应的频率,如图3所示。一般通用型运放fC约1 MHz,宽带和高速运放fC可达10 MHz以上,应根据需要选用。


4、 转换速率SR是指在额定负载条件下,当输入边沿陡峭的大阶跃信号时,集成运放输出电压的单位时间最大变化率(单位为V/μs),即输出电压边沿的斜率,如图4所示。在高保真音响设备中,选用单位增益带宽fC和转换速率SR指标高的集成运放效果较好。


5、 集成运算放大器内部电路结构如图5所示,由高阻抗输入级、中间放大级、低阻抗输出级和偏置电路等组成。输入信号由同相输入端U+或反相输入端U-输入, 经中间放大级放大后,通过低阻输出级输出。中间放大级由若干级直接耦合放大器组成,提供极大的开环电压增益(100dB以上)。偏置电路为各级提供合适的工作点。


6、 集成运放的各种运用均基于三种基本放大电路:反相放大器、同相放大器和差动放大器。反相放大器电路如图6所示。Rf为反馈电阻,R1为输入电阻。由于集成运放开环电压放大倍数极大,因此其闭环放大倍数A=Rf/R1。输入电压Ui由反相输入端输入,其输出电压UO与输入电压Ui相位相反。


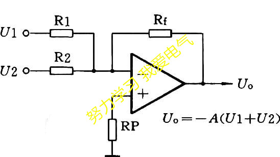
7、 图7所示为加法器电路,集成运放构成反相放大器,U1、U2为相加电压,UO为和电压。当取R1=R2=Rf时,A=1,输出电压UO=-(U1+U2),实现了加法运算。RP为平衡电阻,用于平衡输入偏置电流造成的失调。

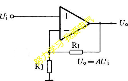
8、 同相放大器电路如图8所示,Rf为反馈电阻,R1为输入电阻,其闭环放大倍数A=1+Rf/R1。输入电压Ui由同相输入端输入,其输出电压UO与输入电压Ui相位相同。


9、 当Rf=0,R1=∞时,便构成了电压跟随器,如图9所示。这是同相放大器的一个特例,其电压放大倍数A=1,输出电压UO与输入电压Ui大小相等、相位相同。集成运放电压跟随器具有极高的输入阻抗和很小的输出阻抗,常用作阻抗变换器。


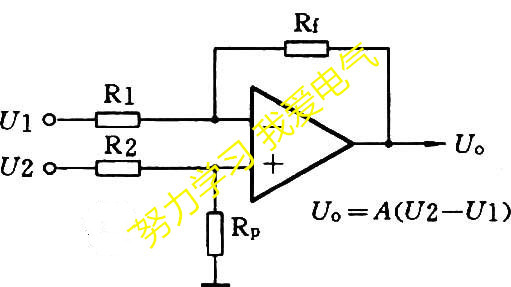
10、 差动放大器电路如图10所示,用来放大两个输入电压U1与U2的差值,其闭环放大倍数A=Rf/R1。这实际上是一个减法器电路,U1为减数电压,U2为被减数电压,UO为差电压。当取R1=R2=Rf时,A=1,输出电压UO=U2-U1,实现了减法运算。RP为平衡电阻。


11、 集成运算放大器的引脚有8脚、14脚等多种。图11所示为使用最普遍的双列直插式集成电路引脚排列示意图,将集成电路商标文字面朝上,缺口或圆点等定位标记在其左侧,则左下角为①脚。从①脚向右沿逆时针方向依次为②、③、④……脚。扁平封装的集成电路引脚识别方法与此相同。


12、 集成运放一般使用正、负对称双电源,如图12(a)所示。有些集成运放如LM158、LM324等,也可使用单电源,如图12(b)所示。


13、 根据一个集成电路封装内包含运放单元的数量,可分为单运放、双运放和四运放。单运放集成电路引脚排列如图13所示,③脚为同相输入端,②脚为反相输入端,⑥脚为输出端,①和⑤脚为外接调零端,⑦、④脚分别为正、负电源端。较常用的单运放有:TL081、LF351、LM318、NE5539等。


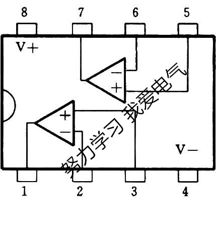
14、 双运放集成电路引脚排列如图14所示,内含两个参数一致、互相独立的运放单元。较常用的双运放有:LM158、TL082、LF353、NE5532、END-1等。


15、 四运放集成电路引脚排列如图15所示,内含四个参数一致、互相独立的运放单元。较常用的四运放有:LM324、TL084、LF347、OPA4131等。


16、 集成运放电压放大器实例如图16所示,这是一个话筒放大器,驻极体话筒BM输出的微弱电压信号经耦合电容C1输入集成运放IC,放大后的电压信号经C3耦合输出。电压放大倍数由集成运放外接电阻R4、R3决定,该电路放大倍数A=100倍(40dB)。


17、 图17所示为集成运放应用于磁头放大器。由于磁头输出电压随信号频率升高而增大,因此磁头放大器必须具有频率补偿功能。R2、R3、R4、C4组成频率补偿网络,作为集成运放IC的负反馈回路,使其放大倍数在中频段(f1与f2之间)具有6dB/倍频程的衰减。该电路输出频率特性曲线见图17右图,低频转折频率44Hz,高频转折频率1.3kHz。


18、 集成运放可以应用于振荡电路。图18所示为采用集成运放的800 Hz文氏桥式正弦波振荡器,R1、C1和R2、C2构成正反馈回路,并具有选频作用,使电路产生单一频率的振荡。R3、R4、R5等构成负反馈回路,以控制集成运放IC的闭环增益,并利用并联在R5上的二极管VD1、VD2的箝位作用进一步稳定振幅。


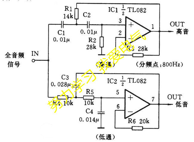
19、用集成运放可以方便地构成有源滤波器,包括低通滤波器、高通滤波器、带通滤波器等。图19所示为前级二分频电路,分频点为800 Hz。集成运放IC1等构成二阶高通滤波器,IC2等构成二阶低通滤波器,将前置放大器来的全音频信号分频后分别送入两个功率放大器,然后分别推动高音扬声器和低音扬声器。


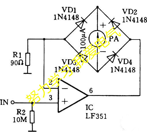
20、集成运放还可以用于精密整流电路。图20所示为10 mV有源交流电压表电路,这是一个精密全波整流电路,微安表头PA接在整流桥的对角线上。由于集成运放IC的高增益和高输入阻抗,消除了整流二极管的非线性影响,提高了测量精度。