工程师,在开发项目处理一些高频信号时,是否遇到过类似的问题:两个高频信号需要不断地切换,就相当于一个开关,不断地需要接通和关闭。
如何实现?
如果是换做普通的信号,工程师可以选择一个常规的模拟开关芯片,就能解决。但问题是,普通的模拟开关芯片,它的切换速度是低速的,达不到高频信号的频率要求。
比如,一些高频信号的频率已经超过500MHz,用20MHz开关速度的模拟开关芯片,显然是实现不了高频信号的切换。
但若使用高频模拟开关芯片呢?是不是可以解决模拟开关芯片,开关速度不够的问题呢?
LSW1179芯片,它是一个单刀双掷模拟开关芯片,它的工作频率可以支持100MHz ~ 3000MHz。

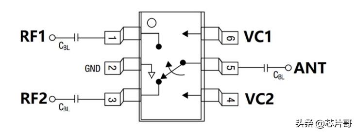
LSW1179芯片引脚功能图
RF1引脚和RF2引脚,是芯片两个高频信号的输入引脚;ANT引脚是芯片的开关输出引脚。
当VC1引脚为低电平,VC2引脚为高电平,模拟开关会接通RF1引脚和ANT引脚;
当VC2引脚为低电平,VC1引脚为高电平,模拟开关会接通RF2引脚和ANT引脚;

逻辑控制表
其中VC1引脚和VC2引脚,高低电平的电压幅值,芯片哥推荐使用3.3V。
我们来看一下它的具体应用电路

应用电路
在RF1引脚和RF2引脚的信号输入端,同时接入了两个
电容。这是因为LSW1179芯片,它处理的信号是高频信号,需要通过
电容把输入的直流部分信号去除掉。
芯片的ANT引脚连接的电容,功能是类似的。
另外一点,高频信号,对信号在传输的过程中产生的延时效应是非常敏感的。如果使用LSW1179芯片来切换信号,产生的延时超过了信号本身的要求,则是不可取的。
所幸,LSW1179芯片,它的信号延时只有2ns。即使是蓝牙信号和WIFI信号这样的高频信号,用它来做切换,也是完全没有问题的。
请持续关注芯片哥,后面会定期更新有关于电子元器件和芯片,包括一些电子产品项目开发案例的相关内容。