锂离子电池经过繁杂的工序,生成半成品电芯后,此时电芯还未完成激活,无法正常使用。半成品电芯还需要经过特定工序 激活 内部的活性物质,同时还需要对不同品质的电池进行 筛选 分类。
设备原理、分类及主要性能指标
1.1 设备原理
在化成这道工序中,会第一次对锂离子电池进行小电流充电,将其内部正负极活性物质激活,在负极表面形成一层SEI膜。SEI膜只允许锂离子通过,不溶于有机溶剂,故而可以防止电解液侵蚀电极,使负极电极在电解液中可以稳定地存在,从而大大提高了电池的循环性能和使用寿命。通常工艺会采用 0.05~0.1C 小电流充电方式进行预充,这种方法有助于形成稳定的SEI膜。
SEI膜的形成受诸多因素的影响,比如 化成电流 的大小,当化成电流较大时,电化学反应速度加快,SEI膜的生长速度加快,但这种条件下形成的SEI膜比较疏松,一致性不好且不稳定。当化成电流较小时,形成的SEI膜较致密、稳定。同样, 温度 也会对SEI膜的形成产生影响,当电芯处于适宜温度环境时,形成的SEI膜较致密,而高温化成时,SEI膜的生长速度较快,形成的SEI膜较疏松、不稳定。此外,当电芯以 开口方式 化成时,虽然便于化成时产生的气体排出,但此时电芯的注液口始终处于常压开放状态,如果环境控制不严格,可能使电池中的水分过高或杂质混入,会导致形成的SEI膜不稳定。所以化成过程中要有效地控制温度、电流和环境湿度等参数。
化成过程中形成的SEI膜并不是稳定不变的,SEI膜会在循环过程中缓慢增厚,SEI膜增厚不仅会导致电池内阻增大,而且增厚的过程要消耗锂离子和电解液,进一步造成不可逆的容量损失。此外,当电池使用不当,如过充、过放或者温度过高时,SEI膜会分解,新鲜负极表面与电解液发生剧烈的化学反应,放出大量的热,导致电池热失控引发起火爆炸。SEI膜的好坏会直接影响电池的循环寿命、稳定性、自放电性和安全性等电化学性能。电池只有经过化成后才能体现其真实性能,如果电芯不经过化成就不能正常地进行充放电。
分容可以简单地理解为容量分选、性能筛选分级 。主要通过使用电池充放电设备对每一只成品电池进行充放电测试和定容,即在设备上按工艺设定的充放电工步进行充满电、放空电(满电截止电压、空电截止电压)。通过放完电所用的时间乘以放电电流就是电池的容量。只有电池的测试容量大于等于设计容量时,电池才是合格的。而当测试容量小于设计容量时,则电池不合格。这个通过电池容量筛选出合格电池的过程叫分容。分容时若容量测试不准确,会导致电池组的容量一致性较差。
分容流程如图1所示。首先,清洗后的电池经过扫码装盘后由堆垛机转运上柜,分容柜压合压床进行分容,数据处理后弹开压床,堆垛机取出托盘下柜入库并静置一段时间,测量电池的OCV3,测出的OCV3若是不合格,需要二次装盘上柜,若是合格则需要静置一段时间测量电池的自放电后的OCV4,最后通过OCV4的测试结果完成对电池等级的筛选,若OCV4测试合格则判为A品电池,若是不合格则判为C品电池。

图1 分容流程
自放电 较高的电池是不合格的,且自放电速率的不一致也会导致电芯容量的不一致性。所以,电芯在出货前一定要对K值进行测试,即通过精确计算电压降速来判断电芯是否存在微短路情况。K值是用于描述电芯自放电速率的物理量,其计算方法为两次测试的开路电压差除以两次电压测试的时间间隔。理论上,只要测试K值之前电芯是充电的,那就不会出现负K值。实际上遇到的负K值,大多数是由测试温度的变化引起的,电芯温度越低,电压就会越低。K值也和电芯的A品有关,K值稍大的电芯只能进入B品及以下的电芯计算范围。
K值指的是单位时间内的电池的电压降 ,通常单位用mV/d表示,是用来衡量锂电池自放电率的一种指标。K值计算公式如下所示,做得比较好的电池K值一般小于 2mV/d 。

式中 OCV1第一次测量电池开路电压的电压值,mV;OCV2第二次测量电池开路电压的电压值,mV;T1第一次测量电池开路电压的时间,d;T2第一次测量电池开路电压的时间,d。
1.2 设备分类
按锂电行业的电池形状来区分,主要可分为圆柱电池、软包电池与方形电池。结合设备的化成与分容功能,设备细化有圆柱电池化成设备、圆柱电池分容设备、软包电池化成设备、软包电池分容设备、方形电池化成设备、方形电池分容设备。
1.3 设备主要性能指标
一次优率、最终优率(仅由设备故障造成的):表明产品可以无缺陷通过某一作业的概率值。


故障率(仅因设备故障导致):考核设备技术状态、故障强度、维修质量和效率的指标。

故障停机时间:发现设备故障开始到第一个合格产品产出时的时间。
负荷时间:设备按计划应开动的时间,一般以每天24h计算。
PPM:每分钟生产产品的数量。

CMK:临界机器能力指数,仅考虑设备本身的影响,同时考虑分布的平均值与规范中心值的偏移。

T:公差带(上差-下差)
MTBF:平均故障间隔时间,反映了产品的时间质量,是体现产品在规定时间内保持功能的一种能力。
软包化成分容设备
2.1 软包化成设备简介
软包化成设备是在高温加压的环境下对电池进行充电,设备由充电电源单元、高温加压单元、电气控制单元和后台监控软件等组成,下面分别对设备各部分进行简要介绍。图2为软包化成设备示意图。

图2 软包化成设备示意图
(1)充电电源单元
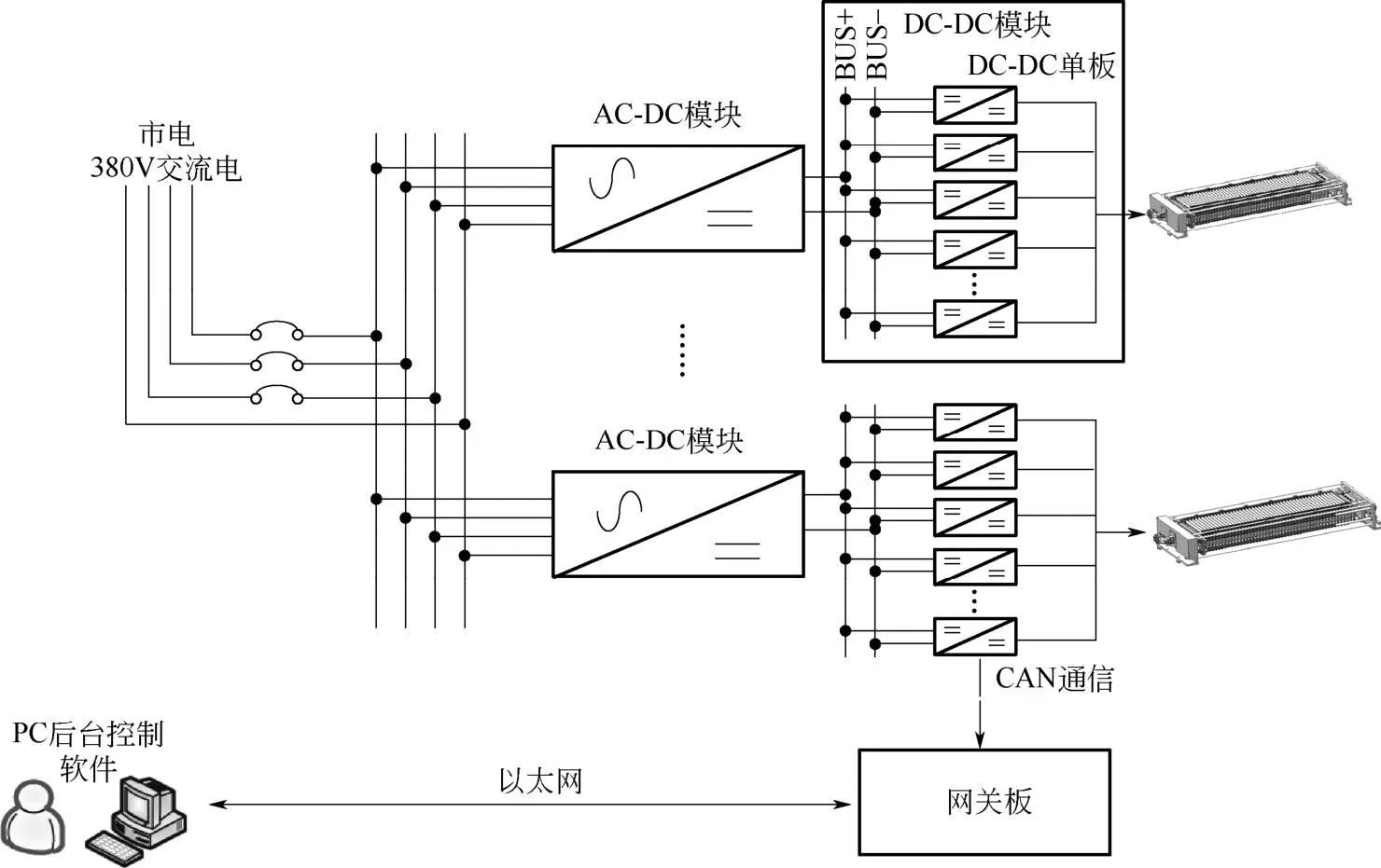
充电电源单元由交流-直流(AC-DC)模块、直流-直流(DC-DC)模块和监控用网关板组成。AC-DC模块将交流电变换为14V直流电,并为多个DC-DC通道提供能量。DC-DC通道采样开关电源技术将14V直流电变换为5V直流电,为电芯提供充电能量。为便于维护,DC-DC部分采用模块化设计,每8个DC-DC通道组成一个DC-DC模块。每个DC-DC通道与网关板之间采用控制器局域网络(CAN)总线进行通信,实现后台对各个通道的控制和数据管理。
图3是64通道系统原理框图。一个AC-DC模块带一个DC-DC模块(内含8个通道),AC-DC模块之间各自独立,当其中任一模块损坏时不影响其他通道工作,增强了系统的可靠性。

图3 软包化成设备64通道系统原理框图
(2)高温加压单元
设备由两组高温加压机械单元构成,采用卧式结构,每个单元由32层托盘组件和伺服电机以及固定支架组成,每层可放置一个电池,每个单元放置32个电池。
每个电池托盘组件包括铝板、加热板、温度传感器等。铝板在伺服电机的控制下实现对电池的加压;加热板可快速将电池加热到设定温度;温度传感器固定在铝板上,用来实时检测电池加热温度。图4为化成夹具示意图。

图4 化成夹具示意图
①极耳调节机构:设备极耳夹紧机构,在电池长度方向两侧可调,尾部的摇杆轻松调整,如图5所示。

图5 极耳调节机构
②夹具安装指示标尺,刻度指示方便调节,如图6所示。

图6 指示标尺
③接触探针:探针表面镀金,接触阻抗≤1mΩ,温升小于10℃。
(3)电池兼容
可同时兼容单侧极耳电池及双侧极耳电池,因具体电池的详细尺寸未给全,需要在设计阶段双方沟通确认详细设计方案。其中电池换型时,需同步更换电芯纸与硅胶板及垫厚的垫板。具体兼容的方案如图7与图8所示。

图7 单侧出极耳

图8 双侧出极耳
(4)电气控制单元
本设备由计算机后台监控软件实现对设备的监控,每台夹具配压力传感器,实时反馈压力;使用伺服电机控制夹具闭合及调整夹具压力,夹具压力可通过设置参数精密调节,夹具压力最大为5000kgf,压力稳定度150~1000kgf为±20kgf、1000~5000kgf为±2% RD(读数值),压力闭环控制,实时自动调整;压力显示分辨率为±1kgf。设备主要性能指标见表1。
表1 设备主要性能指标

(5)后台监控软件
①提供三级管理权限:管理员、工程师、操作员三种权限,便于对设备的不同使用权限进行管理。
②提供工艺编辑功能:可对工艺流程(恒流、恒压、恒流恒压、静止、循环)、工艺参数(充放电电流、电压、静止时间、温度、压力、跳转位置和循环次数等)、限值条件(时间、容量、电流、电压、温度、压力)进行设置。
③实时数据的显示和控制:软件通过列表方式实时显示各通道循环、工步、状态、电流、电压、工步时间、电池温度、容量、压力、文件位置等信息。并可对每个通道进行跳转、暂停/继续、接续、停止、数据文件打开、工艺信息查询等操作。
④来电恢复功能:当厂区停电时设备可自动保存并停在当前工步,来电后可从断点处接续执行。
⑤数据文件名称管理:可自定义每个通道的数据文件名称,并指定保存文件的路径。
⑥数据文件的导入功能:通过导入其他电脑或通道的数据文件,可以灵活转移被测试电池到其他设备上。
⑦数据文件导出功能:可以根据需求对工艺文件、曲线图形、工步汇总数据、详细记录数据等有取舍地导出到EXCEL,避免大量无用数据的反复处理。
⑧图形显示功能:可显示特定循环或全部循环的电压-时间、电流-时间、温度-时间、压力-时间、容量-电压的曲线,并提供打印、拷贝、缩放图形的功能。
⑨数据文件折叠/展开功能:可对数据文件进行三级的折叠/展开显示,以快速浏览测试数据,同时对每个循环进行充放电数据汇总和效率计算。
⑩远程监控:通过企业内部局域网,可对配置好的设备进行远程监控。
⑪日志管理:通过系统日志管理管理,可以实时记录系统的工作状态和故障信息,以追踪设备的使用问题和故障码,方便问题的分析。
⑫具备充放电电压、电流曲线实时监控功能及保护停止后故障信息(波动点数保护)功能。
⑬具有电池反接保护:出现电池正负极被接反时,系统自动将电池强制休眠并在软件界面提示;同时,出现反接时不会损伤设备自身。
⑭数据记录条件可设置为电压变化(≥0.1mV)、电流变化(≥1mA)和时间间隔(≥100ms)。
⑮删除工步文件时,可手动选择是否同时删除对应数据文件。
⑯分选功能:可依据不同阶段的充放电容量、平台电压等对电池进行分档。
2.2 软包分容设备
软包分容设备是在常温常压的环境下对电池进行充放电,设备由充电电源单元、极耳压合单元、电气控制单元和后台监控软件等组成,下面分别对设备各部分进行简要介绍。图9为软包分容设备示意图。

图9 软包分容设备示意图
(1)充电电源单元
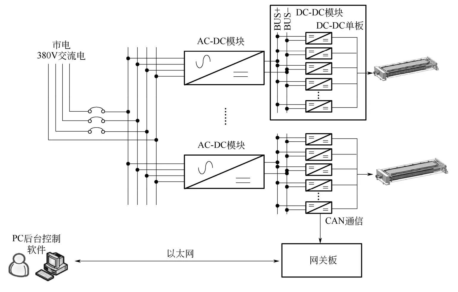
充电电源单元由AC-DC模块、DC-DC模块和监控用网关板组成。AC-DC模块将交流电变换为14V直流电,并为多个DC-DC通道提供能量。DC-DC通道采样开关电源技术将14V直流电变换为5V直流电,为电芯提供充电能量。为便于维护,DC-DC部分采用模块化设计,每8个DC-DC通道组成一个DC-DC模块。每个DC-DC通道与网关板之间采用CAN总线进行通信,实现后台对各个通道的控制和数据管理。
图10是64通道系统原理框图。一个AC-DC模块带一个DC-DC模块(内含8个通道),AC-DC模块之间各自独立,当其中任一模块损坏时不影响其他通道工作,增加了系统的可靠性。

图10 软包分容设备64通道系统原理框图
(2)极耳压合单元
设备由极耳压合机械单元构成,采用卧式结构,每个单元包含32通道,可放置32个电池。主要包含固定支架、定位机构、压接板组件和伺服电机等,电芯放置在托盘内整盘电芯上下料,上料定位完成后,将极耳与压接板压合,形成充电回路。极耳压合单元如图11所示。

图11 极耳压合单元
(3)电气控制单元
本设备由计算机后台监控软件实现对设备的监控,每台夹具配压力传感器,实时反馈压力;使用伺服电机控制夹具闭合及调整夹具压力,夹具压力可通过设置参数精密调节,夹具压力最大为5000kgf,压力稳定度150~1000kgf为±20kgf、1000~5000kgf为±2% RD,压力闭环控制,实时自动调整;压力显示分辨率为±1kgf。
(4)后台监控软件
后台监控软件参见2.1软包化成设备简介(5)后台监控软件的相关内容。
方壳化成分容设备
3.1 方壳化成设备
方壳化成设备是在高温负压的环境下对电池进行充电,设备由充电电源单元、针床单元、温控单元和后台监控软件等组成,下面分别对设备各部分进行简要介绍。方壳化成设备如图12所示。

图12 方壳化成设备
(1)充电电源单元
充电电源单元由AC-DC模块、DC-DC模块和监控用网关板组成。AC-DC模块将交流电变换为14V直流电压,并为多个DC-DC通道提供能量。DC-DC通道采样开关电源技术将14V直流电变换为5V直流电,为电芯提供充电能量。为便于维护,DC-DC部分采用模块化设计,每8个DC-DC通道组成一个DC-DC模块。每个DC-DC通道与网关板之间采用CAN总线进行通信,实现后台对各个通道的控制和数据管理。
图13是96通道系统原理框图。一个AC-DC模块带一个DC-DC模块(内含8个通道),AC-DC模块之间各自独立,当其中任一模块损坏时不影响其他通道工作,增加了系统的可靠性。

图13 方壳化成设备96通道系统原理框图
(2)针床单元
根据总体技术规划需求,压床模块置于高温箱内,高温箱库位3层2列,总共包含6个压床,共96个通道。每个针床的托盘电芯由人工+小推车送入压床架,并实现电池的初定位和精定位,每个库位放2个托盘,每托盘放置8支电芯。针床整体外形如图14所示。

图14 针床整体外形
①压床包括上层组件、中层组件、下层组件、负压系统、消防系统和控制单元。
②上层组件包括探针、温度探头和负压吸嘴等。下层组件对托盘进行初定位,中层组件对托盘进行精定位,带动托盘上抬,探针与电芯极柱直接压接,温度探头在两个电极中间,测试电池壳体温度,负压吸嘴和注液嘴直接对接。
③负压化成系统。负压化成系统采用开架式且附带真空负压系统的分体式系统,即电源柜与针床柜独立分开。每个托盘单元的上下料都是由小推车加人工完成,针床内部设有托盘定位装置,可以对来料托盘进行定位判别。托盘上压并与针床可靠接触后,测试系统根据指令开始抽真空,达到相应工艺要求真空度后,再进行充电化成,化成工步完成后将储液杯内的电解液打回到电池内。
负压回路:该负压化成系统为双负压回路,即高负压回路与低负压回路并联后与电解液过滤器相连,后端与真空泵相连。提供了一种能量损耗低、电池电解液流失量小、使用灵活的锂电池双路负压化成系统。
微正压回路:干燥氮气管路在化成流程结束后破坏真空,同时使化成过程中吸出的电解液回流到电池中。
④消防系统。库位内消防管路为水气共用,水和气分开时都配有单向阀,防止水和气串到一起。气体消防由烟感和温感的组合逻辑启动控制,水消防由手动控制,并且底部有配置接水盘。
(3)温控单元
根据化成工艺的加热需求,设备设计有高温箱加热保温功能,高温箱库位3层2列共6个,高温箱可整体控制温度,也可单独库位控制温度(单独库位控制由于库位需做隔热处理,设备整体尺寸会大一点),整体外形如图15所示。

图15 温控整体外形示意框图
①温度控制范围:(室温+10℃)~最大70℃;温度控制精度:±3℃。
②超温保护:炉膛内设有一个主温控器用于温度控制,另需安装一个专门用于超温保护的温控器;加热管附近需要设立一个机械式温控器,用于防止风机出故障时引起的加热管干烧,在加热用固态继电器的主电源输入端需安装接触器,其线圈由温控器的报警点控制。
③安全防护:高温箱顶部开一个(最小)150mm×100mm泄压口,底部开一个400mm×400mm泄压口,泄压口的结构为铜箔/岩棉/铜箔,破坏压力为4kgf,以便在箱内有电池意外爆炸时起到泄压作用。高温箱底部外面前端增加防护挡板,以避免电池意外爆炸泄压时汽化的电解液等对人员的伤害。
(4)后台监控软件
后台监控软件参见4.8.2.1软包化成设备简介(5)后台监控软件的相关内容。
3.2 方壳分容设备
方壳分容设备是在常温常压的环境下对电池进行充放电,设备由充电电源单元、针床单元、电气控制单元和后台监控软件等组成,下面分别对设备各部分进行简要介绍。图16为方壳分容设备示意图。

图16 方壳分容设备示意图
(1)充电电源单元
充电电源单元由AC-DC模块、DC-DC模块和监控用网关板组成。AC-DC模块将交流电变换为14V直流电,并为多个DC-DC通道提供能量。DC-DC通道采样开关电源技术将14V直流电变换为5V直流电,为电芯提供充电能量。为便于维护,DC-DC部分采用模块化设计,每8个DC-DC通道组成一个DC-DC模块。每个DC-DC通道与网关板之间采用CAN总线进行通信,实现后台对各个通道的控制和数据管理。
图17是方壳分容设备电源系统96通道系统原理框图。一个AC-DC模块带一个DC-DC模块(内含8个通道),AC-DC模块之间各自独立,当其中任一模块损坏时不影响其他通道工作,增加了系统的可靠性。

图17 方壳分容设备电源系统96通道系统原理框图
(2)针床单元
根据总体技术规划需求,共设计3层6个压床模块,96个通道。每个针床的托盘电芯由人工+小推车手动方式送入压床架,并实现电池的初定位和精定位,每托盘放置8支电芯。
①方壳分容设备针床模块整体外形图如图18所示。

图18 方壳分容设备针床模块整体外形图
②针床包括上层组件、中层组件、下层组件、消防系统和控制单元。
③上层组件包括探针、烟雾、温度探头等。下层组件对托盘进行初定位,中层组件对托盘进行精定位,带动托盘上抬,探针与电芯极柱直接压接,温度探头在两个电极中间,测试电池壳体温度。
④消防系统。
库位内消防管路为水气共用,水和气分开时都配有单向阀,防止水气串到一起。当库位内出现情况时1230气体由系统控制启动灭火,灭火不完全才启动水喷淋灭火,并且每个库位配备接水盘。
(3)电气控制单元
电气控制单元参见4.8.2.2软包分容设备(3)电气控制单元的相关内容。
(4)后台监控软件
后台监控软件参见4.8.2.1软包化成设备简介(5)后台监控软件的相关内容。
设备选择与应用案例
在选择具体的化成设备时,需要对客户的产能、化成分容规格、产品规格、设备配置需求等进行明确,针对性制定化成分容方案。具体如下:
①明确化成分容规格:
a.确认化成分容的产能需求。
b.电池的化成分容规格:电压、电流。
c.了解客户的化成分容工艺:化成时间、分容时间、静置时间。
②明确产品规格:
a.确认产品规格:蓝本电芯尺寸、兼容范围。
b.极耳情况:单侧极耳、双侧极耳、极柱与注液口间距离。
③明确技术要求:电压电流精度、充放电效率、温度精度、接触阻抗、温度精度、压力精度、关键元器件寿命、换型要求等。
④电气以及机械通用规范:参阅相关一般机械、电气规范。
设备使用与维护
由于高温加压化成柜支持单、双侧出极耳软包电芯,由于电芯极耳方式不同,层板极耳压头探针板配置不同,电芯的取放操作也不同。
5.1 单侧出极耳电芯放入操作
单侧出极耳电芯放入如图19所示。

图19 单侧出极耳电芯放入示意图
①在夹具完全张开状态下松开夹具尾端极耳压头手轮锁紧装置,转动手轮分别将两个极耳压头组件调整至标尺对应尺寸位置,调节完毕锁紧手轮。整个操作过程必须在夹具完全张开状态下进行,禁止在夹具闭合或半闭合状态下操作。
②按设计要求依次更换对应尺寸规格的硅胶垫、绝缘膜等辅料。
③手提气袋竖直向下放入电芯,放入时电芯尾端(非极耳侧)必须靠近正极极耳压头,完全保证电芯极耳不接触正/负极极耳压头。
④待电芯底部接触到绝缘膜时,手提气袋向正/负极极耳压头侧(人站立侧)平移电芯,待电芯极耳移入正/负极极耳压头范围且电芯该侧铝塑膜边沿距探针板边沿3~5mm即可停止继续平移(切记铝塑膜不可伸入极耳压头)。
⑤待单组夹具32个通道放满电芯后即可进行后续操作。严禁在不放电芯或单组夹具没有放满电芯状态下进行空压操作。
单侧出极耳电芯放入步骤如图20所示。

图20 单侧出极耳电芯放入步骤
5.2 双侧出极耳电芯放入操作
双侧出极耳电芯放入如图21所示。

图21 双侧出极耳电芯放入示意图
①在夹具完全张开状态下松开夹具尾端极耳压头手轮锁紧装置,转动手轮分别将两个极耳压头组件调整至标尺对应尺寸位置,调节完毕锁紧手轮。整个操作过程必须在夹具完全张开状态下进行,严禁在夹具闭合或半闭合状态下操作。
②依次更换对应尺寸规格的硅胶垫、绝缘膜等辅料。
③手提气袋竖直向下正确放入电芯,尽量保证电芯位于两极耳压头之间的中央位置处。
④待单组夹具32个通道放满电芯后即可进行后续操作。严禁在不放电芯或没有放满电芯状态下进行空压操作。
调节机构组件如图22所示。

图22 调节机构组件
5.3 单侧出极耳电芯取出操作
由于单侧出极耳压头探针板的特殊设计,严格禁止出现不经其他操作而直接向上提取电芯的取出操作(水平方向上电芯极耳未完全脱离探针板而直接向上提取电芯的操作有严重的电芯短路风险,应严格杜绝),具体操作规范如下:
①在夹具完全张开且层板完全停止移动的状态下,手握气袋向正极极耳压头侧水平移动电芯至电芯极耳完全脱离探针板,切忌此过程中向上提取电芯,否则有严重的电芯短路风险(亦可通过摇动手轮将极耳压头分别向两侧调节至电芯极耳完全脱离探针板状态)。
②待电芯极耳完全脱离探针板,竖直向上提取电芯。
单侧出极耳电芯取出步骤如图23所示。

图23 单侧出极耳电芯取出步骤
5.4 双侧出极耳电芯取出操作
在夹具完全张开且层板完全停止移动的状态下,手提电芯气袋直接向上抽出电芯即可。
5.5 使用前设备检查
在设备首次通电前,需要对设备线路做检查,保证人身安全,以防止运输过程中有线路短路、松动等现象。具体方式如下:
①使用万用表测量设备是否有短路、线路有无松动。
②检查电源指示灯是否亮起。
③合上电源输入空开。
④设备开机自检完成后,若急停按钮处于旋起状态,则接触器自动吸合。
⑤设备上电完成。
设备断电方式,确认设备不在工作状态,关断电源输入空开,在紧急状况下可以按下急停按钮,动力电源及电源模块电源会被切断,仅照明/PLC/触摸屏等控制电源会保留。
5.6 设备操作与维护
(1)手动操作
将“手动/自动”旋钮切换到手动位置,点击HMI“手动操作”键,进入手动操作界面(图24)。

图24 手动操作界面
1)点动操作(门开时允许操作)
①点动张开:设置“点动速度”,按住“松开方向”按钮,夹具向张开方向运行,松开后夹具减速停止。
②点动闭合:设置“点动速度”及“压力限制”保护参数,按住“闭合方向”按钮,夹具向夹紧方向运行,松开后夹具减速停止。
2)单步操作(门开时禁止操作)
①张开启动:设置张开“速度”及“位置”参数,点击“张开启动”按钮,张开中箭头变“绿”,夹具按设置的“速度”自动张开到设置的“位置”。
②张开停止:点击“张开停止”,张开中箭头变“灰”,夹具减速停止。
③压合启动:(注:所有通道均需放入电池,电池数量不足以假电池代替,不允许非满通道压合,否则会造成机构损坏)设置压合“速度”“位置”“压力”参数,点击“压合启动”按钮,压合中箭头变“绿”,夹具按设置的“速度”自动压合到设置的“位置”,再运行至设置的“压力”,进入保压状态。
④压合停止:点击“压合停止”,压合中箭头变“灰”,夹具卸压后停止。
⑤加温启动:设置“温度值”参数,点击“加温启动”按钮,加温中箭头变“绿”,加热板自动加热到设置的温度值。
⑥加温停止:点击“加温停止”,加温中箭头变“灰”,加温立即停止。
(2)自动操作
所有通道均需放入电池,电池数量不足以假电池代替,不允许非满通道压合,否则会造成机构损坏。
①自动启动:将“手动/自动”旋钮切换到自动位置,按下“启动”按钮,指示灯亮绿灯,设备自动运行上位机编制的默认工艺。
②自动停止:按下“停止”按钮,设备停止自动运行。
(3)门禁功能
除“手动点动操作”外,其他所有操作均需在门关闭的情况下进行,如需屏蔽安全门,需要“技术员”以上操作权限,在“功能选择”界面,点击“安全门已开启”进入“安全门已屏蔽”状态。
(4)操作帮助
各种操作允许状态,可在“操作帮助”界面(图25)查看禁用状态信息。

图25 操作帮助界面
(5)设备故障及处理
设备运行中发生故障时,除三色灯会根据故障类型变换不同报警提示外,HMI中“报警信息”界面(图26)有详细故障信息;一部分故障可能会触发蜂鸣器接通,如短时间无法排除故障又不想蜂鸣器接通,可在“功能选择”界面选择“屏蔽蜂鸣器”。

图26 报警信息界面
当排除设备故障后,按“复位”按钮,清除故障后,方可重新操作设备。
化成设备发展趋势
6.1 串联化成
因锂电池市场的发展,对动力锂电池的价格有大幅下降的需求。而锂电池化成设备,是锂电池后段生产工序中重要组成部分。于是,电池厂家就对设备厂家提出了降低化成设备成本的要求,以降低设备采购成本。另外对化成电源设备的充放电效率也提出了更高的要求,因为更高的效率意味着生产中单个电池的电能消耗更少,能有效降低厂家生产成本。
市面上现有结构的化成设备,一块电池必须对应化成电路的一个通道,每个通道均必须有独立的恒压、恒流源电路以及相应功率配线,才能对电池进行充放电,以完成电池化成工序。经过多年的降成本技术改进,成本上已经没有多大的下降空间。同时每个电池均需要较长的功率电缆连接化成设备和电池,这些电缆在电池进行化成工序充放电时,会产生大量无谓的功率损耗,降低了化成设备整体充放电效率,加大了电能消耗,抬高了生产成本。
目前,泰坦、恒翼能、吉阳等厂家已经开始采用串联化成,几家主流电池厂都开始小规模生产,验证串联化成技术与化成工艺,串联化成未来将迅速成为主流。相比于传统并联化成设备,串联化成设备主要有以下几点优势:
①可大幅降低能耗损耗,提升充放电效率。
②减少设备连接线缆,方便维护。
③串联化成可提高电池一致性。
④客户设备投入可大幅减少。
6.2 容量预测
电池容量(capacity)实时动态、准确、稳定、可靠地预测是预测电池剩余电量(SOC)的关键环节之一,若不能准确预测电池的实际容量,则在充电容量超过电池的实际容量时容易发生电动汽车起火爆炸,而放电时若超出电池的实际容量则易对电池造成不可逆的严重破坏。
目前,通常采用以下两种方式预测电池的实际容量:
①直接利用电池厂商提供的额定容量或者成品电池安装电动车出厂时的实测电池容量,该方法没有考虑电池随着使用,容量会逐渐衰减的情况,特别是在电池使用后期,电池容量衰减较大,若利用该方法预测,则会严重影响后续SOC的预测精度。
②定期对电池容量做修正、校准,该方法没有考虑电池运行过程中的实时温度、电池的充电和放电状态、电池的充电和放电电流以及电池的SOC等可逆因素对电池实际容量的影响。
总之,现有的预测都仅考虑个别因素对电池容量的单一影响,不能全面精确地预测电池的实际容量,从而造成对后续SOC预测的误差。因此在电池的实际使用过程中,如何精准地进行容量预测是至关重要的,精准预测也可以为电池管理系统提供可靠的数据,如图27所示。

图27 容量预测示意图
BMS—电池管理系统;MCU—微控制单元
6.3 大数据分析
近年来,全球电动汽车市场正在加速成长,但动力电池技术的性能以及一致性差的问题依旧制约着电动汽车的发展。因此持续提高电芯品质是未来电池制造过程中的重点工作,由于电池制造过程中工序繁多、设备种类多、性能影响因素多等,很难对电池存在的问题进行针对性的改进与优化,目前厂家也在制造过程中做系统互通互联,进行数据绑定与追根溯源,做整个制造过程中的数据闭环。
利用制造过程中收集的大数据,可以结合电池的运行情况,运用这个数据进行分析,分析电芯制造前工序问题对电池性能的影响,针对各个影响因素进行优化改善,提升电芯的制造品质;同时可以利用大数据来指导锂电池未来智能化与数据化生产。
【每日分享一点知识,有益点赞收藏关注】