
▲ 3秒即可烧红铁棒

▲ 实物图

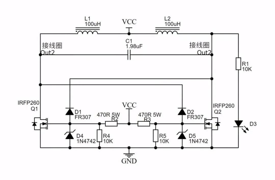
▲ 电路原理图

▲ PCB顶层和底层

▲ 元器件清单
清单:0.33uf 1200V电容*6, 100uh电感*2,IRFP260场效应管*2, 470Ω5W水泥电阻*2,FR307二极管*2, 1N4742二极管*2, 10K电阻*2,LED,接线端子*4, 48V20A开关电源,铜管。

▲ 散热片
注意:场效应管不可直接接触散热片,中间需要加硅胶导热片绝缘。

▲ 线圈(铜管)

▲ 感应加热要使用的电源

感兴趣的朋友可以动手制作一下。

▲ 3秒即可烧红铁棒

▲ 实物图

▲ 电路原理图

▲ PCB顶层和底层

▲ 元器件清单
清单:0.33uf 1200V电容*6, 100uh电感*2,IRFP260场效应管*2, 470Ω5W水泥电阻*2,FR307二极管*2, 1N4742二极管*2, 10K电阻*2,LED,接线端子*4, 48V20A开关电源,铜管。

▲ 散热片
注意:场效应管不可直接接触散热片,中间需要加硅胶导热片绝缘。

▲ 线圈(铜管)

▲ 感应加热要使用的电源

感兴趣的朋友可以动手制作一下。