模拟量信号隔离器是用于将输入的电压或电流等非电量转换成便于处理的电信号的装置,其作用是将输入的电压或电流等非电量转换成易于处理的高质量电信号。

模拟量输入信号隔离器的类型
一、回路供电型
信号隔离器俗称无源信号隔离器,其输入输出均为二线,接线十分方便,它把dcs、plc或显示表提供电源经隔离给二线制变送器配电,同时,二线制变送器产生4-20mA信号隔离输入到DCS、PLC或显示表。

无源信号隔离器的缺点:
1、无源信号隔离器相当于一个负载,经过隔离器在隔离两端之间有一个不大于6V的压降,因此它给二线制变送器配电工作电压会降低,一般要求变送器12V供电能工作。
2、无源信号隔离器传输精度相对独立供电的隔离器要差一点,为0.4%F.S.,选用时要特别注意。

二、独立供电型
这是最为常用的配二线制变送器的信号隔离器SWP9034A,它需要对隔离器独立供电,其特点是:
1、信号隔离器传输精度高,达到0.1% F.S.。
2、信号隔离器SWP9034A接线方式灵活,可以接二线制变送器、三线制变送器或电流源信号,使用灵活方便。
3、电源、输入、输出之间完全隔离,保证高抗干扰性能。

(一进二出信号分配隔离器)
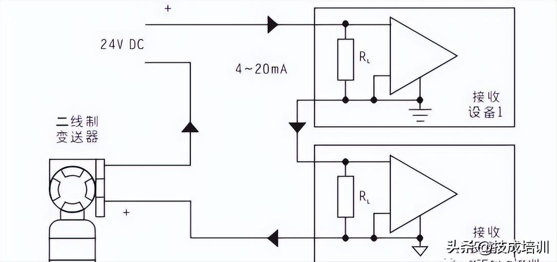
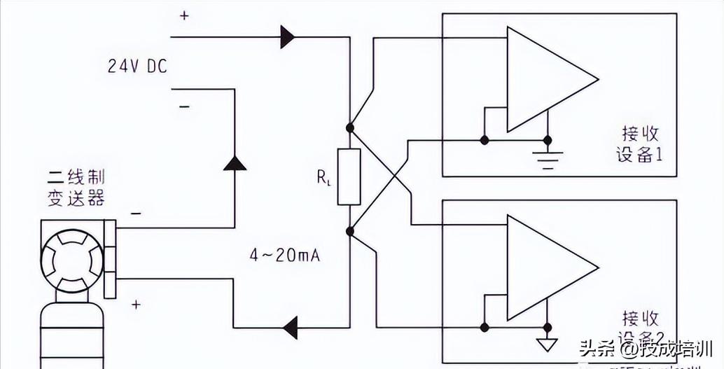
在应用中经常遇到将一个变送器信号接入两个或两个以上接收装置的情况,若采用串联环路,则环路中任一处开路都会造成整个环路上的仪表无信号,而且负载电阻之和很容易超过变送器的负载能力 还必须保证两个负载信号之间参考点不一样。

因此,我们通常采用的方法是:在环路中串接一个电阻,再将负载并联在电阻上取电压信号,如串联一个250Ω电阻将4-20mA电流信号转换成1-5V电压信号。

但是这种方法也有缺陷,在遇到问题时,我们一般会把一路输入转换成隔离二路输出,精度高、隔离能力强:

需注意:
1、通过信号隔离器SWP9034A输出的两路信号既可相同也可不同,变送器和各个接收设备间完全隔离。
2、任一接收设备出现的故障不会影响整个环路及另一个接收设备。

模拟量输入隔离器的品种比较多,从输入通道数来分有单路和双路,以及一路输入、二路输出信号分配功能的品种。供电方式来分又有:回路供电型和独立供电型。搞懂模拟量以后,PLC也变得很简单了!
免责声明:本文转自网络,版权归原作者所有,如涉及作品版权问题,请及时与我们联系删除,谢谢!