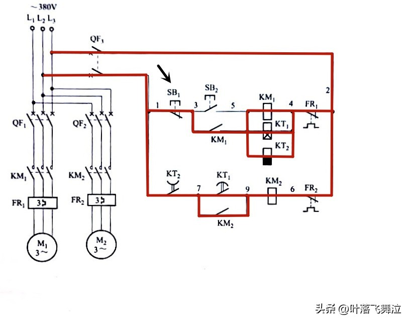
时间继电器控制顺序启动顺序停止电路

今天我们来了解一下,利用时间继电器控制顺序启动、顺序停止的电路。

首先,按下启动按钮SB2,接触器KM1、通电延时继电器KT1、断电延时时间继电器KT2同时通电,接触器KM1常开触点闭合形成自锁。

断电时间继电器,延时断开常开触点瞬间闭合,为接触器KM2通电做准备。

经过一段时间延时后,通电延时动作时间继电器KT1触点动作,接触器KM2吸合并自锁。

此时电路启动完成。

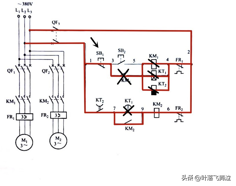
停止时,按下停止按钮SB2。

接触器KM1自锁点断开,接触器KM1,时间继电器KT1、KT2同时断电。

通电延时动作继电器KT1,触点瞬间断开。

经过一段时间后,断电延时动作时间继电器KT2触点动作,接触器KM2失电。