来源 | 赛柏蓝(未经授权,禁止转载)
作者 | 颜色
河南14省联盟38个大品种带量采购报价即将开始,近百家企业展开竞争
01
38个大品种联盟采购开始报价
12月23日晚间, 河南省医保局发布《豫晋蒙赣粤桂渝贵滇陕青宁新兵团十四省(区、市、兵团)药品联盟采购公告(五)》。

公告对于各采购品种的需求量(见文末“附件”)、基准价以及拟采购金额不超过200万的品种给出了明确的标准。
根据医疗机构报量情况和企业报名情况,现将阿替洛尔代表品规规格修改为25mg,企业须按照25mg进行报价。
基准价方面,阿替洛尔口服常释剂型(25mg)一般仿制药基准价为0.1699元/支,阿魏酸钠口服常释剂型(50mg)一般仿制药基准价为0.5115元/支,可以看出,一些药品的单价已经低至几毛钱。
公告规定,申报企业报价不得超过该品种基准价。符合A组申报要求的企业自愿到B组的,基准价仍以A组的为准。
A组:国家药监局发布的仿制药质量和疗效一致性评价参比制剂(含原研药)、通过质量和疗效一致性评价的仿制药、根据2016年第51号新注册分类批准的仿制药品以及纳入《中国上市药品目录集》的药品;
B组:其他药品。
各采购品种基准价

其中,拟采购金额不超过200万的品种有阿替洛尔口服常释剂型(25mg)、吉非罗齐口服常释剂型(0.3g)、萘哌地尔口服常释剂型(25mg)等。

值得注意的是,根据此前采购文件,拟采购金额不高于200万元的品种最多中选2家。

不到一周前,河南省医保局牵头的14省联盟采购小组发布《豫晋蒙赣粤桂渝贵滇陕青宁新兵团十四省(区、市、兵团)药品联盟采购公告(四)》,正式启动38个大品种的带量采购工作。
参与的省份有河南、山西、内蒙古、江西、广东、广西、重庆、贵州、云南、陕西、青海、宁夏、*疆新**等十三省(区、市)和*疆新**生产建设兵团组成的省际联盟。
公告给出了报价不同阶段的时间,模拟报价为12月25日8:00-10:00;模拟报价解密为12月25日10:00-11:00;正式报价为12月25日14:00-16:00;正式报价解密为12月30日上午9:00-10:00;议价谈判、价格纠偏为12月30日13:00开始。
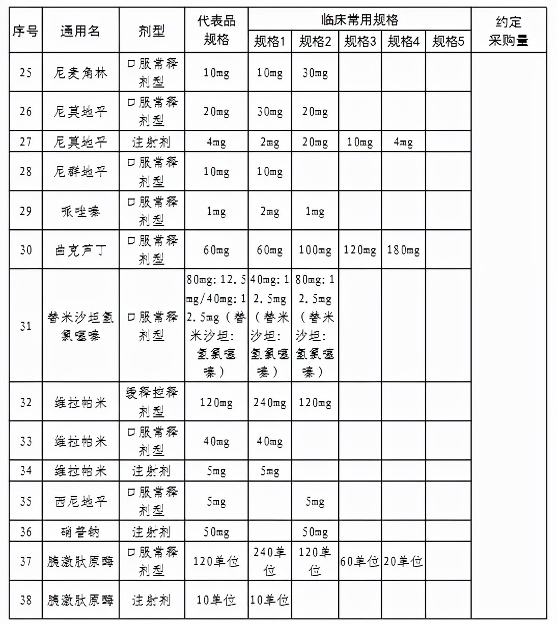
河南38个大品种




02
相关药企迎考
河南省医保局在《豫晋蒙赣粤桂渝贵滇陕青宁新兵团十四省(区、市、兵团)药品联合带量采购文件(征求意见稿)》中明确提到,符合申报要求但未参与集采的企业,将影响其所涉药品在联盟区域内的挂网采购。
为了保障供给量,上述意见稿还要求申报药品属于采购品种目录范围,且产能需达到该品种本次采购数量2倍及以上(企业需提供承诺函)。可以看出,河南14省联盟在药品的供给保障上对企业提出了更高的要求,供应链成本控制以及产能的布局均受考验。
和很多联盟采购要求有所相同的是,对于不履行供货承诺的企业,将取消相关企业本次药品区域带量采购的申报、中选、配送资格,情节严重的将取消上述企业在列入“违规名单”之日起2年内参与联盟地区药品采购活动的资格。
从采购需求看,河南14省联盟药品采购的需求量不容小觑。例如,由成都亨达药业生产的阿魏酸钠口服常释剂型(100mg)十四省医疗机构需求量为2203039支,河南省零售连锁药店需求量为12130支;石药集团欧意药业生产的尼群地平口服常释剂型(10mg)十四省医疗机构需求量为2845820支,河南省零售连锁药店需求量为143210支。
如果药企的产能无法满足其相应需求,相关药企将在2年内均失去相关品种的大半市场,这也再次对药企在产能布局上提出了更高的要求。
03
联盟采购辅助集采工作开展
年关将至,各大联盟采购频频传出最新消息,仅在本周内,湖北19省联盟就完成了从开标到公布集采结果。同时,鲁晋省际联盟带量采购的拟中选结果也已公布,今天是其公示期的最后一天。
今年来,省际联盟带量采购工作进行的如火如荼,引起业界广泛关注。从化药延伸到中成药领域,不仅是品种,一些省份甚至出现了参与多联盟采购的现象。
以陕西省为例,除了积极参加各省的联盟,本省还单独开展药品带量采购,而广东已经牵头了4个联盟采购,分别是广东头孢氨苄药品联盟、广东阿莫西林等45个药品联盟、广东中成药联盟、广东联盟。
国务院办公厅发布的《关于推动药品集中带量采购工作常态化制度化开展的意见》中,提到了推进构建区域性、全国性联盟采购机制。相较于单一区域的带量采购,联盟采购更加具备集团和规模化的特点。在“以量换价”的大背景下,联盟采购可以使得采购的需求更加聚焦,增强药品降价的驱动力。
从省际联盟带量采购的结果来看,以价换量的成功率较高。湖北19省中成药集采拟中选结果达到了60%的成功率;重庆牵头的9省联盟带量采购中,参与其中报价的15个药品20个分组全部中选,中选率达100%。
联盟带量采购不仅可以降低政府行政成本,还可以降低企业负担。随着带量采购的常态化,对国采的开展也将起到一定的辅助作用。
附:各采购品种需求量






