今后陆续分享一些Word版标准,可复制可搜索,工作效率杠杠的,幸福指数蹭蹭往上涨~(文末附*载下**链接)
建筑电气工程施工质量验收规范 GB 50303-2015 (含条文说明)
- 1 总 则
- 2 术语和代号
- 2.1 术 语
- 2.2 代 号
- 3 基本规定
- 3.1 一般规定
- 3.2 主要设备、材料、成品和半成品进场验收
- 3.3 工序交接确认
- 3.4 分部(子分部)工程划分及验收
- 4 变压器、箱式变电所安装
- 4.1 主控项目
- 4.2 一般项目
- 5 成套配电柜、控制柜(台、箱)和配电箱(盘)安装
- 5.1 主控项目
- 5.2 一般项目
- 6 电动机、电加热器及电动执行机构检查接线
- 6.1 主控项目
- 6.2 一般项目
- 7 柴油发电机组安装
- 7.1 主控项目
- 7.2 一般项目
- 8 UPS及EPS安装
- 8.1 主控项目
- 8.2 一般项目
- 9 电气设备试验和试运行
- 9.1 主控项目
- 9.2 一般项目
- 10 母线槽安装
- 10.1 主控项目
- 10.2 一般项目
- 11 梯架、托盘和槽盒安装
- 11.1 主控项目
- 11.2 一般项目
- 12 导管敷设
- 12.1 主控项目
- 12.2 一般项目
- 13 电缆敷设
- 13.1 主控项目
- 13.2 一般项目
- 14 导管内穿线和槽盒内敷线
- 14.1 主控项目
- 14.2 一般项目
- 15 塑料护套线直敷布线
- 15.1 主控项目
- 15.2 一般项目
- 16 钢索配线
- 16.1 主控项目
- 16.2 一般项目
- 17 电缆头制作、导线连接和线路绝缘测试
- 17.1 主控项目
- 17.2 一般项目
- 18 普通灯具安装
- 18.1 主控项目
- 18.2 一般项目
- 19 专用灯具安装
- 19.1 主控项目
- 19.2 一般项目
- 20 开关、插座、风扇安装
- 20.1 主控项目
- 20.2 一般项目
- 21 建筑物照明通电试运行
- 22 接地装置安装
- 22.1 主控项目
- 22.2 一般项目
- 23 变配电室及电气竖井内接地干线敷设
- 23.1 主控项目
- 23.2 一般项目
- 24 防雷引下线及接闪器安装
- 24.1 主控项目
- 24.2 一般项目
- 25 建筑物等电位联结
- 25.1 主控项目
- 25.2 一般项目
- 附录A 各子分部工程所含的分项工程和检验批
- 附录B 发电机交接试验
- 附录C 低压电器交接试验
- 附录D 母线螺栓搭接尺寸
- 附录E 母线搭接螺栓的拧紧力矩
- 附录F 母线槽及电缆梯架、托盘和槽盒与管道的最小净距
- 附录G 导管或配线槽盒与热水管、蒸汽管间的最小距离
- 附录H 螺纹型接线端子的拧紧力矩
- 本规范用词说明
- 引用标准名录
- 1 总 则
- 2 术语和代号
- 3 基本规定
- 3.1 一般规定
- 3.2 主要设备、材料、成品和半成品进场验收
- 3.3 工序交接确认
- 3.4 分部(子分部)工程划分及验收
- 4 变压器、箱式变电所安装
- 4.1 主控项目
- 4.2 一般项目
- 5 成套配电柜、控制柜(台、箱)和配电箱(盘)安
- 5.1 主控项目
- 5.2 一般项目
- 6 电动机、电加热器及电动执行机构检查接线
- 6.1 主控项目
- 6.2 一般项目
- 7 柴油发电机组安装
- 7.1 主控项目
- 7.2 一般项目
- 8 UPS及EPS安装
- 8.1 主控项目
- 8.2 一般项目
- 9 电气设备试验和试运行
- 9.1 主控项目
- 9.2 一般项目
- 10 母线槽安装
- 10.1 主控项目
- 10.2 一般项目
- 11 梯架、托盘和槽盒安装
- 11.1 主控项目
- 11.2 一般项目
- 12 导管敷设
- 12.1 主控项目
- 12.2 一般项目
- 13 电缆敷设
- 13.1 主控项目
- 13.2 一般项目
- 14 导管内穿线和槽盒内敷线
- 14.1 主控项目
- 14.2 一般项目
- 15 塑料护套线直敷布线
- 16 钢索配线
- 17 电缆头制作、导线连接和线路绝缘测试
- 17.1 主控项目
- 17.2 一般项目
- 18 普通灯具安装
- 18.1 主控项目
- 18.2 一般项目
- 19 专用灯具安装
- 19.1 主控项目
- 19.2 一般项目
- 20 开关、插座、风扇安装
- 20.1 主控项目
- 20.2 一般项目
- 21 建筑物照明通电试运行
- 22 接地装置安装
- 23 变配电室及电气竖井内接地干线敷设
- 24 防雷引下线及接闪器安装
- 25 建筑物等电位联结
中华人民共和国国家标准建筑电气工程施工质量验收规范
Code for acceptance of construction quality of building electrical engineering GB 50303-2015 主编部门:浙江省住房和城乡建设厅批准部门:中华人民共和国住房和城乡建设部施行日期:2016年8月1日 中华人民共和国住房和城乡建设部公告第994号 住房城乡建设部关于发布国家标准《建筑电气工程施工质量验收规范》的公告
现批准《建筑电气工程施工质量验收规范》为国家标准,编号为GB 50303-2015,自2016年8月1日起实施。其中,第3.1.5、3.1.7、6.1.1、10.1.1、11.1.1、12.1.2、13.1.1、13.1.5、14.1.1、15.1.1、18.1.1、18.1.5、19.1.1、19.1.6、20.1.3、23.1.1、24.1.3条为强制性条文,必须严格执行。原国家标准《建筑电气工程施工质量验收规范》GB 50303-2002同时废止。本规范由我部标准定额研究所组织中国计划出版社出版发行。
中华人民共和国住房和城乡建设部2015年12月3日
前言
根据住房和城乡建设部《关于印发2012年工程建设标准规范制订修订计划的通知》(建标[2012]5号)的要求,规范编制组经广泛调查研究,认真总结实践经验,参考有关国际标准和国外先进标准,并在广泛征求意见的基础上,修订了本规范。本规范共分25章和8个附录,主要内容包括总则,术语和代号,基本规定,变压器、箱式变电所安装,成套配电柜、控制柜(台、箱)和配电箱(盘)安装,电动机、电加热器及电动执行机构检查接线,柴油发电机组安装,UPS及EPS安装,电气设备试验和试运行,母线槽安装,梯架、托盘和槽盒安装,导管敷设,电缆敷设,导管内穿线和槽盒内敷线,塑料护套线直敷布线,钢索配线,电缆头制作、导线连接和线路绝缘测试,普通灯具安装,专用灯具安装,开关、插座、风扇安装,建筑物照明通电试运行,接地装置安装,变配电室及电气竖井内接地干线敷设,防雷引下线及接闪器安装,建筑物等电位联结等。本规范修订的主要技术内容是:
1.将规范适用范围从电压等级10kV及以下修改为35kV及以下;
2.取消了架空线路及杆上电气设备安装和槽板配线章节,裸母线安装,配电(控制)屏、盘安装及部分属于设计规范的内容;
3.增加了塑料护套线直敷布线章节;
4.补充了低压和特低电压配电线路的安装技术要求;
5.补充了剩余电流动作保护器和接地故障回路阻抗等测试要求;
6.补充了高压设备、电缆的安装技术要求;
7.补充了电涌保护器(SPD)的检查内容;
8.补充了材料进场验收、工程过程验收的检查方法和检查数量;
9.明确了钢导管连接处保护联结导体的材质、规格;
10.将原规范的第28章“分部(子分部)工程验收”与第3章“基本规定”合并为第3章“基本规定”中的第4节“分部(子分部)工程划分及验收”,并结合规范要求增加了相关质量控制资料;
11.将原规范的第25章“避雷引下线和变配电室接地干线敷设”拆分为两个章节,将避雷引下线的安装纳入接闪器安装内容中,为第24章“防雷引下线及接闪器安装”,变配电室接地干线敷设内容中增加了电气竖井内的接地干线敷设要求,修改后为第23章“变配电室及电气竖井内接地干线敷设”;
12.对原规范部分条文进行了补充、完善和调整。
本规范中以黑体字标志的条文为强制性条文,必须严格执行。
本规范由住房和城乡建设部负责管理和对强制性条文的解释,由浙江省住房和城乡建设厅负责日常管理,由浙江省工业设备安装集团有限公司负责具体技术内容的解释。执行过程中如有意见或建议,请寄送浙江省工业设备安装集团有限公司(地址:浙江省杭州市开元路21号,邮政编码:310001)。
本规范主编单位、参编单位、主要起草人和主要审查人:
主编单位 :浙江省工业设备安装集团有限公司
参编单位 :
宁波建工工程集团有限公司杭州市建设工程质量安全监督总站北京双圆工程咨询监理有限公司上海市安装工程集团有限公司北京市设备安装工程集团有限公司浙江省建筑设计研究院施耐德电气(中国)有限公司珠海光乐电力母线槽有限公司加铝(天津)铝合金产品有限公司上海高桥电缆厂
主要起草人 :傅慈英 余立成 沈志桥 吴丽胜 周卫新 任长宁 朱跃忠 颜勇 武伟 杨彤 冯成华 郑光乐 詹宇欣 张志立 钱大治 主要审查人 :王金元 史均社 王振生 孙成群 刀利民 丁锐 张晓东 于文杰 荆津 于刚 周淳
1 总 则
1.0.1 为加强建筑工程质量管理,统一建筑电气工程施工质量验收,保证工程质量,制定本规范。 1.0.2 本规范适用于电压等级为35kV及以下建筑电气安装工程的施工质量验收。 1.0.3 建筑电气工程施工质量验收除应符合本规范外,尚应符合国家现行有关标准的规定。
2 术语和代号 2.1 术 语
2.1.1 布线系统 wiring system由一根或几根绝缘导线、电缆或母线及其固定部分、机械保护部分构成的组合。 2.1.2 用电设备 current-using equipment用于将电能转换成其他形式能量的电气设备。 2.1.3 电气设备 electrical equipment用于发电、变电、输电、配电或利用电能的设备。 2.1.4 电气装置 electrical installation由相关电气设备组成的,具有为实现特定目的所需的相互协调的特性的组合。 2.1.5 建筑电气工程 building electrical engineering为实现一个或几个具体目的且特性相配合的,由电气装置、布线系统和用电设备电气部分构成的组合。 2.1.6 特低电压 extra-low voltage相间电压或相对地电压不超过交流方均根值50V的电压。 2.1.7 SELV系统 SELV system在正常条件下不接地,且电压不超过特低电压的电气系统。 2.1.8 PELV系统 PELV system在正常条件下接地,且电压不超过特低电压的电气系统。 2.1.9 FELV系统 FELV system非安全目的而为运行需要的电压不超过特低电压的电气系统。 2.1.10 母线槽 busway由母线构成并通过型式试验的成套设备,这些母线经绝缘材料支撑或隔开固定走线槽或类似的壳体中。 2.1.11 电缆梯架 cable ladder带有牢固地固定在纵向主支撑组件上的一系列横向支撑构件的电缆支撑物。 2.1.12 电缆托盘 cable tray带有连续底盘和侧边,但没有盖子的电缆支撑物。 2.1.13 槽盒 trunking用于围护绝缘导线和电缆,带有底座和可移动盖子的封闭壳体。 2.1.14 电缆支架 cable bearer用于支持和固定电缆的支撑物,由型钢制作而成,但不包括梯架、托盘或槽盒。 2.1.15 导管 conduit布线系统中用于布设绝缘导线、电缆的,横截面通常为圆形的管件。 2.1.16 可弯曲金属导管 pliable metal conduit徒手施以适当的力即可弯曲的金属导管。 2.1.17 柔性导管 flexible conduit无须用力即可任意弯曲、频繁弯曲的导管。 2.1.18 保护导体 protective conductor由保护联结导体、保护接地导体和接地导体组成,起安全保护作用的导体。 2.1.19 接地导体 earth conductor在布线系统、电气装置或用电设备的给定点与接地极或接地网之间,提供导电通路或部分导电通路的导体。 2.1.20 总接地端子 main earthing terminal,main eartbing busbar电气装置接地配置的一部分,并能用于与多个接地用导体实现电气连接的端子或总母线。又称总接地母线。 2.1.21 接地干线 earthing busbar与总接地母线(端子)、接地极或接地网直接连接的保护导体。 2.1.22 保护接地导体(PE) protective earthing conductor用于保护接地的导体。 2.1.23 保护联结导体 protective bonding conductor用于保护等电位联结的导体。 2.1.24 中性导体(N) neutral conductor与中性点连接并用于配电的导体。 2.1.25 外露可导电部分 exposed-conductive-part用电设备上能触及的可导电部分。 2.1.26 外界可导电部分 extraneous-conductive-part非电气装置的组成部分,且易于引入电位的可导电部分。 2.1.27 景观照明 landscape lighting除体育场场地、建筑工地和道路照明等功能性照明以外,所有室外公共活动空间或景物的夜间景观的照明。 2.1.28 剩余电流动作保护器(RCD) residual current device在正常运行条件下能接通、承载和分断电流,并且当剩余电流达到规定值时能使触头断开的机械开关电器或组合电器。 2.1.29 额定剩余动作电流(I△n) rated residual operating current剩余电流动作保护器额定的剩余动作电流值。 2.1.30 联锁式铠装 interlocked armour采用金属带按联锁式结构制作的,为电缆线芯提供机械防护的包覆层。 2.1.31 接闪器 air-termination system由接闪杆、接闪带、接闪线、接闪网及金属屋面、金属构件等组成的,用于拦截雷电闪击的装置。 2.1.32 导线连接器 wire connection device由一个或多个端子及绝缘体、附件等组成的,能连接两根或多根导线的器件。
2 术语和代号 2.1 术 语
2.1.1 布线系统 wiring system由一根或几根绝缘导线、电缆或母线及其固定部分、机械保护部分构成的组合。 2.1.2 用电设备 current-using equipment用于将电能转换成其他形式能量的电气设备。 2.1.3 电气设备 electrical equipment用于发电、变电、输电、配电或利用电能的设备。 2.1.4 电气装置 electrical installation由相关电气设备组成的,具有为实现特定目的所需的相互协调的特性的组合。 2.1.5 建筑电气工程 building electrical engineering为实现一个或几个具体目的且特性相配合的,由电气装置、布线系统和用电设备电气部分构成的组合。 2.1.6 特低电压 extra-low voltage相间电压或相对地电压不超过交流方均根值50V的电压。 2.1.7 SELV系统 SELV system在正常条件下不接地,且电压不超过特低电压的电气系统。 2.1.8 PELV系统 PELV system在正常条件下接地,且电压不超过特低电压的电气系统。 2.1.9 FELV系统 FELV system非安全目的而为运行需要的电压不超过特低电压的电气系统。 2.1.10 母线槽 busway由母线构成并通过型式试验的成套设备,这些母线经绝缘材料支撑或隔开固定走线槽或类似的壳体中。 2.1.11 电缆梯架 cable ladder带有牢固地固定在纵向主支撑组件上的一系列横向支撑构件的电缆支撑物。 2.1.12 电缆托盘 cable tray带有连续底盘和侧边,但没有盖子的电缆支撑物。 2.1.13 槽盒 trunking用于围护绝缘导线和电缆,带有底座和可移动盖子的封闭壳体。 2.1.14 电缆支架 cable bearer用于支持和固定电缆的支撑物,由型钢制作而成,但不包括梯架、托盘或槽盒。 2.1.15 导管 conduit布线系统中用于布设绝缘导线、电缆的,横截面通常为圆形的管件。 2.1.16 可弯曲金属导管 pliable metal conduit徒手施以适当的力即可弯曲的金属导管。 2.1.17 柔性导管 flexible conduit无须用力即可任意弯曲、频繁弯曲的导管。 2.1.18 保护导体 protective conductor由保护联结导体、保护接地导体和接地导体组成,起安全保护作用的导体。 2.1.19 接地导体 earth conductor在布线系统、电气装置或用电设备的给定点与接地极或接地网之间,提供导电通路或部分导电通路的导体。 2.1.20 总接地端子 main earthing terminal,main eartbing busbar电气装置接地配置的一部分,并能用于与多个接地用导体实现电气连接的端子或总母线。又称总接地母线。 2.1.21 接地干线 earthing busbar与总接地母线(端子)、接地极或接地网直接连接的保护导体。 2.1.22 保护接地导体(PE) protective earthing conductor用于保护接地的导体。 2.1.23 保护联结导体 protective bonding conductor用于保护等电位联结的导体。 2.1.24 中性导体(N) neutral conductor与中性点连接并用于配电的导体。 2.1.25 外露可导电部分 exposed-conductive-part用电设备上能触及的可导电部分。 2.1.26 外界可导电部分 extraneous-conductive-part非电气装置的组成部分,且易于引入电位的可导电部分。 2.1.27 景观照明 landscape lighting除体育场场地、建筑工地和道路照明等功能性照明以外,所有室外公共活动空间或景物的夜间景观的照明。 2.1.28 剩余电流动作保护器(RCD) residual current device在正常运行条件下能接通、承载和分断电流,并且当剩余电流达到规定值时能使触头断开的机械开关电器或组合电器。 2.1.29 额定剩余动作电流(I△n) rated residual operating current剩余电流动作保护器额定的剩余动作电流值。 2.1.30 联锁式铠装 interlocked armour采用金属带按联锁式结构制作的,为电缆线芯提供机械防护的包覆层。 2.1.31 接闪器 air-termination system由接闪杆、接闪带、接闪线、接闪网及金属屋面、金属构件等组成的,用于拦截雷电闪击的装置。 2.1.32 导线连接器 wire connection device由一个或多个端子及绝缘体、附件等组成的,能连接两根或多根导线的器件。
2.2 代 号
SPD——电涌保护器;IMD——绝缘监测器;UPS——不间断电源装置;EPS——应急电源装置。
3 基本规定 3.1 一般规定
3.1.1 建筑电气工程施工现场的质量管理除应符合现行国家标准《建筑工程施工质量验收统一标准》GB 50300的有关规定外,尚应符合下列规定:1 安装电工、焊工、起重吊装工和电力系统调试等人员应持证上岗;2 安装和调试用各类计量器具应检定合格,且使用时应在检定有效期内。 3.1.2 电气设备、器具和材料的额定电压区段划分应符合表3.1.2的规定。
表3.1.2 额定电压区段划分
|
额定电压区段 |
交流 |
直流 |
|
特低压 |
50V及以下 |
120V及以下 |
|
低压 |
50V~1.0kV(含1.0kV) |
120V~1.5kV(含1.5kV) |
|
高压 |
1.0kV以上 |
1.5kV以上 |
3.1.3 电气设备上的计量仪表、与电气保护有关的仪表应检定合格,且当投入运行时,应在检定有效期内。 3.1.4 建筑电气动力工程的空载试运行和建筑电气照明工程负荷试运行前,应根据电气设备及相关建筑设备的种类、特性和技术参数等编制试运行方案或作业指导书,并应经施工单位审核同意、经监理单位确认后执行。 3.1.5 高压的电气设备、布线系统以及继电保护系统必须交接试验合格。 3.1.6 低压和特低压的电气设备和布线系统的检测或交接试验应符合本规范的规定。 3.1.7 电气设备的外露可导电部分应单独与保护导体相连接,不得串联连接,连接导体的材质、截面积应符合设计要求。 3.1.8 除采取下列任一间接接触防护措施外,电气设备或布线系统应与保护导体可靠连接:1 采用Ⅱ类设备;2 已采取电气隔离措施;3 采用特低电压供电;4 将电气设备安装在非导电场所内;5 设置不接地的等电位联结。
3 基本规定 3.1 一般规定
3.1.1 建筑电气工程施工现场的质量管理除应符合现行国家标准《建筑工程施工质量验收统一标准》GB 50300的有关规定外,尚应符合下列规定:1 安装电工、焊工、起重吊装工和电力系统调试等人员应持证上岗;2 安装和调试用各类计量器具应检定合格,且使用时应在检定有效期内。 3.1.2 电气设备、器具和材料的额定电压区段划分应符合表3.1.2的规定。
表3.1.2 额定电压区段划分
|
额定电压区段 |
交流 |
直流 |
|
特低压 |
50V及以下 |
120V及以下 |
|
低压 |
50V~1.0kV(含1.0kV) |
120V~1.5kV(含1.5kV) |
|
高压 |
1.0kV以上 |
1.5kV以上 |
3.1.3 电气设备上的计量仪表、与电气保护有关的仪表应检定合格,且当投入运行时,应在检定有效期内。 3.1.4 建筑电气动力工程的空载试运行和建筑电气照明工程负荷试运行前,应根据电气设备及相关建筑设备的种类、特性和技术参数等编制试运行方案或作业指导书,并应经施工单位审核同意、经监理单位确认后执行。 3.1.5 高压的电气设备、布线系统以及继电保护系统必须交接试验合格。 3.1.6 低压和特低压的电气设备和布线系统的检测或交接试验应符合本规范的规定。 3.1.7 电气设备的外露可导电部分应单独与保护导体相连接,不得串联连接,连接导体的材质、截面积应符合设计要求。 3.1.8 除采取下列任一间接接触防护措施外,电气设备或布线系统应与保护导体可靠连接:1 采用Ⅱ类设备;2 已采取电气隔离措施;3 采用特低电压供电;4 将电气设备安装在非导电场所内;5 设置不接地的等电位联结。
3.2 主要设备、材料、成品和半成品进场验收
3.2.1 主要设备、材料、成品和半成品应进场验收合格,并应做好验收记录和验收资料归档。当设计有技术参数要求时,应核对其技术参数,并应符合设计要求。 3.2.2 实行生产许可证或强制性认证(CCC认证)的产品,应有许可证编号或CCC认证标志,并应抽查生产许可证或CCC认证证书的认证范围、有效性及真实性。 3.2.3 新型电气设备、器具和材料进场验收时应提供安装、使用、维修和试验要求等技术文件。 3.2.4 进口电气设备、器具和材料进场验收时应提供质量合格证明文件,性能检测报告以及安装、使用、维修、试验要求和说明等技术文件;对有商检规定要求的进口电气设备,尚应提供商检证明。 3.2.5 当主要设备、材料、成品和半成品的进场验收需进行现场抽样检测或因有异议送有资质试验室抽样检测时,应符合下列规定:1 现场抽样检测:对于母线槽、导管、绝缘导线、电缆等,同厂家、同批次、同型号、同规格的,每批至少应抽取1个样本;对于灯具、插座、开关等电器设备,同厂家、同材质、同类型的,应各抽检3%,自带蓄电池的灯具应按5%抽检,且均不应少于1个(套)。2 因有异议送有资质的试验室而抽样检测:对于母线槽、绝缘导线、电缆、梯架、托盘、槽盒、导管、型钢、镀锌制品等,同厂家、同批次、不同种规格的,应抽检10%,且不应少于2个规格;对于灯具、插座、开关等电器设备,同厂家、同材质、同类型的,数量500个(套)及以下时应抽检2个(套),但应各不少于1个(套),500个(套)以上时应抽检3个(套)。3 对于由同一施工单位施工的同一建设项目的多个单位工程,当使用同一生产厂家、同材质、同批次、同类型的主要设备、材料、成品和半成品时,其抽检比例宜合并计算。4 当抽样检测结果出现不合格,可加倍抽样检测,仍不合格时,则该批设备、材料、成品或半成品应判定为不合格品,不得使用。5 应有检测报告。 3.2.6 变压器、箱式变电所、高压电器及电瓷制品的迸场验收应包括下列内容:1 查验合格证和随带技术文件:变压器应有出厂试验记录;2 外观检查:设备应有铭牌,表面涂层应完整,附件应齐全,绝缘件应无缺损、裂纹,充油部分不应渗漏,充气高压设备气压指示应正常。 3.2.7 高压成套配电柜、蓄电池柜、UPS柜、EPS柜、低压成套配电柜(箱)、控制柜(台、箱)的进场验收应符合下列规定:1 查验合格证和随带技术文件:高压和低压成套配电柜、蓄电池柜、UPS柜、EPS柜等成套柜应有出厂试验报告;2 核对产品型号、产品技术参数:应符合设计要求;3 外观检查:设备应有铭牌,表面涂层应完整、无明显碰撞凹陷,设备内元器件应完好无损、接线无脱落脱焊,绝缘导线的材质、规格应符合设计要求,蓄电池柜内电池壳体应无碎裂、漏液,充油、充气设备应无泄漏。 3.2.8 柴油发电机组的进场验收应包括下列内容:1 核对主机、附件、专用工具、备品备件和随机技术文件:合格证和出厂试运行记录应齐全、完整,发电机及其控制柜应有出厂试验记录;2 外观检查:设备应有铭牌,涂层应完整,机身应无缺件。 3.2.9 电动机、电加热器、电动执行机构和低压开关设备等的进场验收应包括下列内容:1 查验合格证和随机技术文件:内容应填写齐全、完整;2 外观检查:设备应有铭牌,涂层应完整,设备器件或附件应齐全、完好、无缺损。 3.2.10 照明灯具及附件的进场验收应符合下列规定:1 查验合格证:合格证内容应填写齐全、完整,灯具材质应符合设计要求和产品标准要求;新型气体放电灯应随带技术文件;太阳能灯具的内部短路保护、过载保护、反向放电保护、极性反接保护等功能性试验资料应齐全,并应符合设计要求。2 外观检查:1)灯具涂层应完整、无损伤,附件应齐全,Ⅰ类灯具的外露可导电部分应具有专用的PE端子;2)固定灯具带电部件及提供防触电保护的部位应为绝缘材料,且应耐燃烧和防引燃;3)消防应急灯具应获得消防产品型式试验合格评定,且具有认证标志;4)疏散指示标志灯具的保护罩应完整、无裂纹;5)游泳池和类似场所灯具(水下灯及防水灯具)的防护等级应符合设计要求,当对其密闭和绝缘性能有异议时,应按批抽样送有资质的试验室检测;6)内部接线应为铜芯绝缘导线,其截面积应与灯具功率相匹配,且不应小于0.5mm2。3 自带蓄电池的供电时间检测:对于自带蓄电池的应急灯具,应现场检测蓄电池最少持续供电时间,且应符合设计要求。4 绝缘性能检测:对灯具的绝缘性能进行现场抽样检测,灯具的绝缘电阻值不应小于2MΩ,灯具内绝缘导线的绝缘层厚度不应小于0.6mm。 3.2.11 开关、插座、接线盒和风扇及附件的进场验收应包括下列内容:1 查验合格证:合格证内容填写应齐全、完整。2 外观检查:开关、插座的面板及接线盒盒体应完整、无碎裂、零件齐全,风扇应无损坏、涂层完整,调速器等附件应适配。3 电气和机械性能检测:对开关、插座的电气和机械性能应进行现场抽样检测,并应符合下列规定:1)不同极性带电部件间的电气间隙不应小于3mm,爬电距离不应小于3mm;2)绝缘电阻值不应小于5MΩ;3)用自攻锁紧螺钉或自切螺钉安装的,螺钉与软塑固定件旋合长度不应小于8mm,绝缘材料固定件在经受10次拧紧退出试验后,应无松动或掉渣,螺钉及螺纹应无损坏现象;4)对于金属间相旋合的螺钉螺母,拧紧后完全退出,反复5次后,应仍然能正常使用。4 对开关、插座、接线盒及面板等绝缘材料的耐非正常热、耐燃和耐漏电起痕性能有异议时,应按批抽样送有资质的试验室检测。 3.2.12 绝缘导线、电缆的进场验收应符合下列规定:1 查验合格证:合格证内容填写应齐全、完整。2 外观检查:包装完好,电缆端头应密封良好,标识应齐全。抽检的绝缘导线或电缆绝缘层应完整无损,厚度均匀。电缆无压扁、扭曲,铠装不应松卷。绝缘导线、电缆外护层应有明显标识和制造厂标。3 检测绝缘性能:电线、电缆的绝缘性能应符合产品技术标准或产品技术文件规定。4 检查标称截面积和电阻值:绝缘导线、电缆的标称截面积应符合设计要求,其导体电阻值应符合现行国家标准《电缆的导体》GB/T 3956的有关规定。当对绝缘导线和电缆的导电性能、绝缘性能、绝缘厚度、机械性能和阻燃耐火性能有异议时,应按批抽样送有资质的试验室检测。检测项目和内容应符合国家现行有关产品标准的规定。 3.2.13 导管的进场验收应符合下列规定:1 查验合格证:钢导管应有产品质量证明书,塑料导管应有合格证及相应检测报告。2 外观检查:钢导管应无压扁,内壁应光滑;非镀锌钢导管不应有锈蚀,油漆应完整;镀锌钢导管镀层覆盖应完整、表面无锈斑;塑料导管及配件不应碎裂、表面应有阻燃标记和制造厂标。3 应按批抽样检测导管的管径、壁厚及均匀度,并应符合国家现行有关产品标准的规定。4 对机械连接的钢导管及其配件的电气连续性有异议时,应按现行国家标准《电气安装用导管系统》GB 20041的有关规定进行检验。5 对塑料导管及配件的阻燃性能有异议时,应按批抽样送有资质的试验室检测。 3.2.14 型钢和电焊条的进场验收应符合下列规定:1 查验合格证和材质证明书:有异议时,应按批抽样送有资质的试验室检测;2 外观检查:型钢表面应无严重锈蚀、过度扭曲和弯折变形;电焊条包装应完整,拆包检查焊条尾部应无锈斑。 3.2.15 金属镀锌制品的进场验收应符合下列规定:1 查验产品质量证明书:应按设计要求查验其符合性;2 外观检查:镀锌层应覆盖完整、表面无锈斑,金具配件应齐全,无砂眼;3 埋入土壤中的热浸镀锌钢材应检测其镀锌层厚度不应小于63μm;4 对镀锌质量有异议时,应按批抽样送有资质的试验室检测。 3.2.16 梯架、托盘和槽盒的进场验收应符合下列规定:1 查验合格证及出厂检验报告:内容填写应齐全、完整;2 外观检查:配件应齐全,表面应光滑、不变形;钢制梯架、托盘和槽盒涂层应完整、无锈蚀;塑料槽盒应无破损、色泽均匀,对阻燃性能有异议时,应按批抽样送有资质的试验室检测;铝合金梯架、托盘和槽盒涂层应完整,不应有扭曲变形、压扁或表面划伤等现象。 3.2.17 母线槽的进场验收应符合下列规定:1 查验合格证和随带安装技术文件,并应符合下列规定:1)CCC型式试验报告中的技术参数应符合设计要求,导体规格及相应温升值应与CCC型式试验报告中的导体规格一致,当对导体的载流能力有异议时,应送有资质的试验室做极限温升试验,额定电流的温升应符合国家现行有关产品标准的规定;2)耐火母线槽除应通过CCC认证外,还应提供由国家认可的检测机构出具的型式检验报告,其耐火时间应符合设计要求;3)保护接地导体(PE)应与外壳有可靠的连接,其截面积应符合产品技术文件规定;当外壳兼作保护接地导体(PE)时,CCC型式试验报告和产品结构应符合国家现行有关产品标准的规定。2 外观检查:防潮密封应良好,各段编号应标志清晰,附件应齐全、无缺损,外壳应无明显变形,母线螺栓搭接面应平整、镀层覆盖应完整、无起皮和麻面;插接母线槽上的静触头应无缺损、表面光滑、镀层完整;对有防护等级要求的母线槽尚应检查产品及附件的防护等级与设计的符合性,其标识应完整。 3.2.18 电缆头部件、导线连接器及接线端子的进场验收应符合下列规定:1 查验合格证及相关技术文件,并应符合下列规定:1)铝及铝合金电缆附件应具有与电缆导体匹配的检测报告;2)矿物绝缘电缆的中间连接附件的耐火等级不应低于电缆本体的耐火等级;3)导线连接器和接线端子的额定电压、连接容量及防护等级应满足设计要求。2 外观检查:部件应齐全,包装标识和产品标志应清晰,表面应无裂纹和气孔,随带的袋装涂料或填料不应泄漏;铝及铝合金电缆用接线端子和接头附件的压接圆筒内表面应有抗氧化剂;矿物绝缘电缆专用终端接线端子规格应与电缆相适配;导线连接器的产品标识应清晰明了、经久耐用。 3.2.19 金属灯柱的进场验收应符合下列规定:1 查验合格证:合格证应齐全、完整;2 外观检查:涂层应完整,根部接线盒盒盖紧固件和内置熔断器、开关等器件应齐全,盒盖密封垫片应完整。金属灯柱内应设有专用接地螺栓,地脚螺孔位置应与提供的附图尺寸一致,允许偏差应为±2mm。 3.2.20 使用的降阻剂材料应符合设计及国家现行有关标准的规定,并应提供经国家相应检测机构检验检测合格的证明。
3.3 工序交接确认
3.3.1 变压器、箱式变电所的安装应符合下列规定:1 变压器、箱式变电所安装前,室内顶棚、墙体的装饰面应完成施工,无渗漏水,地面的找平层应完成施工,基础应验收合格,埋入基础的导管和变压器进线、出线预留孔及相关预埋件等经检查应合格;2 变压器、箱式变电所通电前,变压器及系统接地的交接试验应合格。 3.3.2 成套配电柜、控制柜(台、箱)和配电箱(盘)的安装应符合下列规定:1 成套配电柜(台)、控制柜安装前,室内顶棚、墙体的装饰工程应完成施工,无渗漏水,室内地面的找平层应完成施工,基础型钢和柜、台、箱下的电缆沟等经检查应合格,落地式柜、台、箱的基础及埋入基础的导管应验收合格;2 墙上明装的配电箱(盘)安装前,室内顶棚、墙体、装饰面应完成施工,暗装的控制(配电)箱的预留孔和动力、照明配线的线盒及导管等经检查应合格;3 电源线连接前,应确认电涌保护器(SPD)型号、性能参数符合设计要求,接地线与PE排连接可靠;4 试运行前,柜、台、箱、盘内PE排应完成连接,柜、台、箱、盘内的元件规格、型号应符合设计要求,接线应正确且交接试验合格。 3.3.3 电动机、电加热器及电动执行机构接线前,应与机械设备完成连接,且经手动操作检验符合工艺要求,绝缘电阻应测试合格。 3.3.4 柴油发电机组的安装应符合下列规定:1 机组安装前,基础应验收合格。2 机组安放后,采取地脚螺栓固定的机组应初平,螺栓孔灌浆、精平、紧固地脚螺栓、二次灌浆等安装合格;安放式的机组底部应垫平、垫实。3 空载试运行前,油、气、水冷、风冷、烟气排放等系统和隔振防噪声设施应完成安装,消防器材应配置齐全、到位且符合设计要求,发电机应进行静态试验,随机配电盘、柜接线经检查应合格,柴油发电机组接地经检查应符合设计要求。4 负荷试运行前,空载试运行和试验调整应合格。5 投入备用状态前,应在规定时间内,连续无故障负荷试运行合格。 3.3.5 UPS或EPS接至馈电线路前,应按产品技术要求进行试验调整,并应经检查确认。 3.3.6 电气动力设备试验和试运行应符合下列规定:1 电气动力设备试验前,其外露可导电部分应与保护导体完成连接,并经检查应合格;2 通电前,动力成套配电(控制)柜、台、箱的交流工频耐压试验和保护装置的动作试验应合格;3 空载试运行前,控制回路模拟动作试验应合格,盘车或手动操作检查电气部分与机械部分的转动或动作应协调一致。 3.3.7 母线槽安装应符合下列规定:1 变压器和高低压成套配电柜上的母线槽安装前,变压器、高低压成套配电柜、穿墙套管等应安装就位,并应经检查合格;2 母线槽支架的设置应在结构封顶、室内底层地面完成施工或确定地面标高、清理场地、复核层间距离后进行;3 母线槽安装前,与母线槽安装位置有关的管道、空调及建筑装修工程应完成施工;4 母线槽组对前,每段母线的绝缘电阻应经测试合格,且绝缘电阻值不应小于20MΩ;5 通电前,母线槽的金属外壳应与外部保护导体完成连接,且母线绝缘电阻测试和交流工频耐压试验应合格。 3.3.8 梯架、托盘和槽盒安装应符合下列规定:1 支架安装前,应先测量定位;2 梯架、托盘和槽盒安装前,应完成支架安装,且顶棚和墙面的喷浆、油漆或壁纸等应基本完成。 3.3.9 导管敷设应符合下列规定:1 配管前,除埋入混凝土中的非镀锌钢导管的外壁外,应确认其他场所的非镀锌钢导管内、外壁均已做防腐处理;2 埋设导管前,应检查确认室外直埋导管的路径、沟槽深度、宽度及垫层处理等符合设计要求;3 现浇混凝土板内的配管,应在底层钢筋绑扎完成,上层钢筋未绑扎前进行,且配管完成后应经检查确认后,再绑扎上层钢筋和浇捣混凝土;4 墙体内配管前,现浇混凝土墙体内的钢筋绑扎及门、窗等位置的放线应已完成;5 接线盒和导管在隐蔽前,经检查应合格;6 穿梁、板、柱等部位的明配导管敷设前,应检查其套管、埋件、支架等设置符合要求;7 吊顶内配管前,吊顶上的灯位及电气器具位置应先进行放样,并应与土建及各专业施工协调配合。 3.3.10 电缆敷设应符合下列规定:1 支架安装前,应先清除电缆沟、电气竖井内的施工临时设施、模板及建筑废料等,并应对支架进行测量定位;2 电缆敷设前,电缆支架、电缆导管、梯架、托盘和槽盒应完成安装,并已与保护导体完成连接,且经检查应合格;3 电缆敷设前,绝缘测试应合格;4 通电前,电缆交接试验应合格,检查并确认线路去向、相位和防火隔堵措施等应符合设计要求。 3.3.11 绝缘导线、电缆穿导管及槽盒内敷线应符合下列规定:1 焊接施工作业应已完成,检查导管、槽盒安装质量应合格;2 导管或槽盒与柜、台、箱应已完成连接,导管内积水及杂物应已清理干净;3 绝缘导线、电缆的绝缘电阻应经测试合格;4 通电前,绝缘导线、电缆交接试验应合格,检查并确认接线去向和相位等应符合设计要求。 3.3.12 塑料护套线直敷布线应符合下列规定:1 弹线定位前,应完成墙面、顶面装饰工程施工;2 布线前,应确认穿梁、墙、楼板等建筑结构上的套管已安装到位,且塑料护套线经绝缘电阻测试合格。 3.3.13 钢索配线的钢索吊装及线路敷设前,除地面外的装修工程应已结束,钢索配线所需的预埋件及预留孔应已预埋、预留完成。 3.3.14 电缆头制作和接线应符合下列规定:1 电缆头制作前,电缆绝缘电阻测试应合格,检查并确认电缆头的连接位置、连接长度应满足要求;2 控制电缆接线前,应确认绝缘电阻测试合格,校线正确;3 电力电缆或绝缘导线接线前,电缆交接试验或绝缘电阻测试应合格,相位核对应正确。 3.3.15 照明灯具安装应符合下列规定:1 灯具安装前,应确认安装灯具的预埋螺栓及吊杆、吊顶上安装嵌入式灯具用的专用支架等已完成,对需做承载试验的预埋件或吊杆经试验应合格;2 影响灯具安装的模板、脚手架应已拆除,顶棚和墙面喷浆、油漆或壁纸等及地面清理工作应已完成;3 灯具接线前,导线的绝缘电阻测试应合格;4 高空安装的灯具,应先在地面进行通断电试验合格。 3.3.16 照明开关、插座、风扇安装前,应检查吊扇的吊钩已预埋完成、导线绝缘电阻测试应合格,顶棚和墙面的喷浆、油漆或壁纸等已完工。 3.3.17 照明系统的测试和通电试运行应符合下列规定:1 导线绝缘电阻测试应在导线接续前完成;2 照明箱(盘)、灯具、开关、插座的绝缘电阻测试应在器具就位前或接线前完成;3 通电试验前,电气器具及线路绝缘电阻应测试合格,当照明回路装有剩余电流动作保护器时,剩余电流动作保护器应检测合格;4 备用照明电源或应急照明电源做空载自动投切试验前,应卸除负荷,有载自动投切试验应在空载自动投切试验合格后进行;5 照明全负荷试验前,应确认上述工作应已完成。 3.3.18 接地装置安装应符合下列规定:1 对于利用建筑物基础接地的接地体,应先完成底板钢筋敷设,然后按设计要求进行接地装置施工,经检查确认后,再支模或浇捣混凝土。2 对于人工接地的接地体,应按设计要求利用基础沟槽或开挖沟槽,然后经检查确认,再埋入或打入接地极和敷设地下接地干线。3 降低接地电阻的施工应符合下列规定:1)采用接地模块降低接地电阻的施工,应先按设计位置开挖模块坑,并将地下接地干线引到模块上,经检查确认,再相互焊接;2)采用添加降阻剂降低接地电阻的施工,应先按设计要求开挖沟槽或钻孔垂直埋管,再将沟槽清理干净,检查接地体埋入位置后,再灌注降阻剂;3)采用换土降低接地电阻的施工,应先按设计要求开挖沟槽,并将沟槽清理干净,再在沟槽底部铺设经确认合格的低电阻率土壤,经检查铺设厚度达到设计要求后,再安装接地装置;接地装置连接完好,并完成防腐处理后,再覆盖上一层低电阻率土壤。4 隐蔽装置前,应先检查验收合格后,再覆土回填。 3.3.19 防雷引下线安装应符合下列规定:1 当利用建筑物柱内主筋作引下线时,应在柱内主筋绑扎或连接后,按设计要求进行施工,经检查确认,再支模;2 对于直接从基础接地体或人工接地体暗敷埋入粉刷层内的引下线,应先检查确认不外露后,再贴面砖或刷涂料等;3 对于直接从基础接地体或人工接地体引出明敷的引下线,应先埋设或安装支架,并经检查确认后,再敷设引下线。 3.3.20 接闪器安装前,应先完成接地装置和引下线的施工,接闪器安装后应及时与引下线连接。 3.3.21 防雷接地系统测试前,接地装置应完成施工且测试合格;防雷接闪器应完成安装,整个防雷接地系统应连成回路。 3.3.22 等电位联结应符合下列规定:1 对于总等电位联结,应先检查确认总等电位联结端子的接地导体位置,再安装总等电位联结端子板,然后按设计要求作总等电位联结;2 对于局部等电位联结,应先检查确认连接端子位置及连接端子板的截面积,再安装局部等电位联结端子板,然后按设计要求作局部等电位联结;3 对特殊要求的建筑金属屏蔽网箱,应先完成网箱施工,经检查确认后,再与PE连接。
3.4 分部(子分部)工程划分及验收
3.4.1 建筑电气分部工程的质量验收,应按检验批、分项工程、子分部工程逐级进行验收,各子分部工程、分项工程和检验批的划分应符合本规范附录A的规定。 3.4.2 建筑电气分部工程检验批的划分应符合下列规定:1 变配电室安装工程中分项工程的检验批,主变配电室应作为1个检验批;对于有数个分变配电室,且不属于子单位工程的子分部工程,应分别作为1个检验批,其验收记录应汇入所有变配电室有关分项工程的验收记录中;当各分变配电室属于各子单位工程的子分部工程时,所属分项工程应分别作为1个检验批,其验收记录应作为分项工程验收记录,且应经子分部工程验收记录汇总后纳入分部工程验收记录中。2 供电干线安装工程中分项工程的检验批,应按供电区段和电气竖井的编号划分。3 对于电气动力和电气照明安装工程中分项工程的检验批,其界区的划分应与建筑土建工程一致。4 自备电源和不间断电源安装工程中分项工程,应分别作为1个检验批。5 对于防雷及接地装置安装工程中分项工程的检验批,人工接地装置和利用建筑物基础钢筋的接地体应分别作为1个检验批,且大型基础可按区块划分成若个检验批;对于防雷引下线安装工程,6层以下的建筑应作为1个检验批,高层建筑中依均压环设置间隔的层数应作为1个检验批;接闪器安装同一屋面,应作为1个检验批;建筑物的总等电位联结应作为1个检验批,每个局部等电位联结应作为1个检验批,电子系统设备机房应作为1个检验批。6 对于室外电气安装工程中分项工程的检验批,应按庭院大小、投运时间先后、功能区块等进行划分。 3.4.3 当验收建筑电气工程时,应核查下列各项质量控制资料,且资料内容应真实、齐全、完整:1 设计文件和图纸会审记录及设计变更与工程洽商记录;2 主要设备、器具、材料的合格证和进场验收记录;3 隐蔽工程检查记录;4 电气设备交接试验检验记录;5 电动机检查(抽芯)记录;6 接地电阻测试记录;7 绝缘电阻测试记录;8 接地故障回路阻抗测试记录;9 剩余电流动作保护器测试记录;10 电气设备空载试运行和负荷试运行记录;11 EPS应急持续供电时间记录;12 灯具固定装置及悬吊装置的载荷强度试验记录;13 建筑照明通电试运行记录;14 接闪线和接闪带固定支架的垂直拉力测试记录;15 接地(等电位)联结导通性测试记录;16 工序交接合格等施工安装记录。 3.4.4 建筑电气分部(子分部)工程和所含分项工程的质量验收记录应无遗漏缺项、填写正确。 3.4.5 技术资料应齐全,且应符合工序要求、有可追溯性;责任单位和责任人均应确认且签章齐全。 3.4.6 检验批验收时应按本规范主控项目和一般项目中规定的检查数量和抽查比例进行检查,施工单位过程检查时应进行全数检查。 3.4.7 单位工程质量验收时,建筑电气分部(子分部)工程实物质量应抽检下列部位和设施,且抽检结果应符合本规范的规定:1 变配电室,技术层、设备层的动力工程,电气竖井,建筑顶部的防雷工程,电气系统接地,重要的或大面积活动场所的照明工程,以及5%自然间的建筑电气动力、照明工程;2 室外电气工程的变配电室,以及灯具总数的5%。 3.4.8 变配电室通电后可抽测下列项目,抽测结果应符合本规范的规定和设计要求:1 各类电源自动切换或通断装置;2 馈电线路的绝缘电阻;3 接地故障回路阻抗;4 开关插座的接线正确性;5 剩余电流动作保护器的动作电流和时间;6 接地装置的接地电阻;7 照度。
4 变压器、箱式变电所安装 4.1 主控项目
4.1.1 变压器安装应位置正确,附件齐全,油浸变压器油位正常,无渗油现象。检查数量:全数检查。检查方法:观察检查。 4.1.2 变压器中性点的接地连接方式及接地电阻值应符合设计要求。检查数量:全数检查。检查方法:观察检查并用接地电阻测试仪测试。 4.1.3 变压器箱体、干式变压器的支架、基础型钢及外壳应分别单独与保护导体可靠连接,紧固件及防松零件齐全。检查数量:紧固件及防松零件抽查5%,其余全数检查。检查方法:观察检查。 4.1.4 变压器及高压电气设备应按本规范第3.1.5条的规定完成交接试验且合格。检查数量:全数检查。检查方法:试验时观察检查或查阅交接试验记录。 4.1.5 箱式变电所及其落地式配电箱的基础应高于室外地坪,周围排水通畅。用地脚螺栓固定的螺帽应齐全,拧紧牢固;自由安放的应垫平放正。对于金属箱式变电所及落地式配电箱,箱体应与保护导体可靠连接,且有标识。检查数量:全数检查。检查方法:观察检查和手感检查。 4.1.6 箱式变电所的交接试验应符合下列规定:1 由高压成套开关柜、低压成套开关柜和变压器三个独立单元组合成的箱式变电所高压电气设备部分,应按本规范第3.1.5条的规定完成交接试验且合格;2 对于高压开关、熔断器等与变压器组合在同一个密闭油箱内的箱式变电所,交接试验应按产品提供的技术文件要求执行;3 低压成套配电柜和馈电线路的每路配电开关及保护装置的相间和相对地间的绝缘电阻值不应小于0.5MΩ;当国家现行产品标准未做规定时,电气装置的交流工频耐压试验电压应为1000V,试验持续时间应为1min,当绝缘电阻值大于10MΩ时,宜采用2500V兆欧表摇测。检查数量:全数检查。检查方法:用绝缘电阻测试仪测试、试验并查阅交接试验记录。 4.1.7 配电间隔和静止补偿装置栅栏门应采用裸编织铜线与保护导体可靠连接.其截面积不应小于4mm2。检查数量:全数检查。检查方法:观察检查。
4 变压器、箱式变电所安装 4.1 主控项目
4.1.1 变压器安装应位置正确,附件齐全,油浸变压器油位正常,无渗油现象。检查数量:全数检查。检查方法:观察检查。 4.1.2 变压器中性点的接地连接方式及接地电阻值应符合设计要求。检查数量:全数检查。检查方法:观察检查并用接地电阻测试仪测试。 4.1.3 变压器箱体、干式变压器的支架、基础型钢及外壳应分别单独与保护导体可靠连接,紧固件及防松零件齐全。检查数量:紧固件及防松零件抽查5%,其余全数检查。检查方法:观察检查。 4.1.4 变压器及高压电气设备应按本规范第3.1.5条的规定完成交接试验且合格。检查数量:全数检查。检查方法:试验时观察检查或查阅交接试验记录。 4.1.5 箱式变电所及其落地式配电箱的基础应高于室外地坪,周围排水通畅。用地脚螺栓固定的螺帽应齐全,拧紧牢固;自由安放的应垫平放正。对于金属箱式变电所及落地式配电箱,箱体应与保护导体可靠连接,且有标识。检查数量:全数检查。检查方法:观察检查和手感检查。 4.1.6 箱式变电所的交接试验应符合下列规定:1 由高压成套开关柜、低压成套开关柜和变压器三个独立单元组合成的箱式变电所高压电气设备部分,应按本规范第3.1.5条的规定完成交接试验且合格;2 对于高压开关、熔断器等与变压器组合在同一个密闭油箱内的箱式变电所,交接试验应按产品提供的技术文件要求执行;3 低压成套配电柜和馈电线路的每路配电开关及保护装置的相间和相对地间的绝缘电阻值不应小于0.5MΩ;当国家现行产品标准未做规定时,电气装置的交流工频耐压试验电压应为1000V,试验持续时间应为1min,当绝缘电阻值大于10MΩ时,宜采用2500V兆欧表摇测。检查数量:全数检查。检查方法:用绝缘电阻测试仪测试、试验并查阅交接试验记录。 4.1.7 配电间隔和静止补偿装置栅栏门应采用裸编织铜线与保护导体可靠连接.其截面积不应小于4mm2。检查数量:全数检查。检查方法:观察检查。
4.2 一般项目
4.2.1 有载调压开关的传动部分润滑应良好。动作应灵活,点动给定位置与开关实际位置应一致,自动调节应符合产品的技术文件要求。检查数量:全数检查。检查方法:观察检查或操作检查。 4.2.2 绝缘件应无裂纹、缺损和瓷件瓷釉损坏等缺陷,外表应清洁,测温仪表指示应准确。检查数量:各种规格各抽查10%,且不得少于1件。检查方法:观察检查。 4.2.3 装有滚轮的变压器就位后,应将滚轮用能拆卸的制动部件固定。检查数量:全数检查。检查方法:观察检查。 4.2.4 变压器应按产品技术文件要求进行器身检查,当满足下列条件之一时,可不检查器身。1 制造厂规定不检查器身;2 就地生产仅作短途运输的变压器,且在运输过程中有效监督,无紧急制动、剧烈振动、冲撞或严重颠簸等异常情况。检查数量:全数检查。检查方法:核对产品技术文件、查阅运输过程资料。 4.2.5 箱式变电所内、外涂层应完整、无损伤,对于有通风口的,其风口防护网应完好。检查数量:全数检查。检查方法:观察检查。 4.2.6 箱式变电所的高压和低压配电柜内部接线应完整、低压输出回路标记应清晰,回路名称应准确。检查数量:按回路数量抽查10%,且不得少于1个回路。检查方法:观察检查。 4.2.7 对于油浸变压器顶盖,沿气体继电器的气流方向应有1.0%~1.5%的升高坡度。除与母线槽采用软连接外,变压器的套管中心线应与母线槽中心线在同一轴线上。检查数量:全数检查。检查方法:观察检查并采用水平仪测试。 4.2.8 对有防护等级要求的变压器,在其高压或低压及其他用途的绝缘盖板上开孔时,应符合变压器的防护等级要求。检查数量:全数检查。检查方法:观察检查。
5 成套配电柜、控制柜(台、箱)和配电箱(盘)安装 5.1 主控项目
5.1.1 柜、台、箱的金属框架及基础型钢应与保护导体可靠连接;对于装有电器的可开启门,门和金属框架的接地端子间应选用截面积不小于4mm2的黄绿色绝缘铜芯软导线连接,并应有标识。检查数量:全数检查。检查方法:观察检查。 5.1.2 柜、台、箱、盘等配电装置应有可靠的防电击保护;装置内保护接地导体(PE)排应有裸露的连接外部保护接地导体的端子,并应可靠连接。当设计未做要求时,连接导体最小截面积应符合现行国家标准《低压配电设计规范》GB 50054的规定。检查数量:全数检查。检查方法:观察检查并采用力矩扳手检查。 5.1.3 手车、抽屉式成套配电柜推拉应灵活,无卡阻碰撞现象。动触头与静触头的中心线应一致,且触头接触应紧密,投入时,接地触头应先于主触头接触;退出时,接地触头应后于主触头脱开。检查数量:全数检查。检查方法:观察检查。 5.1.4 高压成套配电柜应按本规范第3.1.5条的规定进行交接试验,并应合格,且应符合下列规定:1 继电保护元器件、逻辑元件、变送器和控制用计算机等单体校验应合格,整组试验动作应正确,整定参数应符合设计要求;2 新型高压电气设备和继电保护装置投入使用前,应按产品技术文件要求进行交接试验。检查数量:全数检查。检查方法:模拟试验检查或查阅交接试验记录。 5.1.5 低压成套配电柜交接试验应符合本规范第4.1.6条第3款的规定。检查数量:全数检查。检查方法:用绝缘电阻测试仪测试、试验时观察检查或查阅交接试验记录。 5.1.6 对于低压成套配电柜、箱及控制柜(台、箱)间线路的线间和线对地间绝缘电阻值,馈电线路不应小于0.5MΩ,二次回路不应小于1MΩ;二次回路的耐压试验电压应为1000V,当回路绝缘电阻值大于10MΩ时,应采用2500V兆欧表代替,试验持续时间应为1min或符合产品技术文件要求。检查数量:按每个检验批的配线回路数量抽查20%,且不得少于1个回路。检查方法:用绝缘电阻测试仪测试或试验、测试时观察检查或查阅绝缘电阻测试记录。 5.1.7 直流柜试验时,应将屏内电子器件从线路上退出,主回路线间和线对地间绝缘电阻值不应小于0.5MΩ,直流屏所附蓄电池组的充、放电应符合产品技术文件要求;整流器的控制调整和输出特性试验应符合产品技术文件要求。检查数量:全数检查。检查方法:用绝缘电阻测试仪测试,调整试验时观察检查或查阅试验记录。 5.1.8 低压成套配电柜和配电箱(盘)内末端用电回路中,所设过电流保护电器兼作故障防护时,应在回路末端测量接地故障回路阻抗,且回路阻抗应满足下式要求:

式中:Zs(m)——实测接地故障回路阻抗(Ω);U0——相导体对接地的中性导体的电压(V);Ia——保护电器在规定时间内切断故障回路的动作电流(A)。检查数量:按末级配电箱(盘、柜)总数量抽查20%,每个被抽查的末级配电箱至少应抽查1个回路,且不应少于1个末级配电箱。检查方法:仪表测试并查阅试验记录。 5.1.9 配电箱(盘)内的剩余电流动作保护器(RCD)应在施加额定剩余动作电流(I△n)的情况下测试动作时间,且测试值应符合设计要求。检查数量:每个配电箱(盘)不少于1个。检查方法:仪表测试并查阅试验记录。 5.1.10 柜、箱、盘内电涌保护器(SPD)安装应符合下列规定:1 SPD的型号规格及安装布置应符合设计要求;2 SPD的接线形式应符合设计要求,接地导线的位置不宜靠近出线位置;3 SPD的连接导线应平直、足够短,且不宜大于0.5m。检查数量:按每个检验批电涌保护器(SPD)的数量抽查20%,且不得少于1个。检查方法:观察检查。 5.1.11 IT系统绝缘监测器(IMD)的报警功能应符合设计要求。检查数量:全数检查。检查方法:仪表测试。 5.1.12 照明配电箱(盘)安装应符合下列规定:1 箱(盘)内配线应整齐、无绞接现象;导线连接应紧密、不伤线芯、不断股;垫圈下螺丝两侧压的导线截面积应相同,同一电器器件端子上的导线连接不应多于2根,防松垫圈等零件应齐全;2 箱(盘)内开关动作应灵活可靠;3 箱(盘)内宜分别设置中性导体(N)和保护接地导体(PE)汇流排,汇流排上同一端子不应连接不同回路的N或PE。检查数量:按照明配电箱(盘)数量抽查10%,且不得少于1台。检查方法:观察检查及操作检查,螺丝刀拧紧检查。 5.1.13 送至建筑智能化工程变送器的电量信号精度等级应符合设计要求,状态信号应正确;接收建筑智能化工程的指令应使建筑电气工程的断路器动作符合指令要求,且手动、自动切换功能均应正常。检查数量:全数检查。检查方法:模拟试验时观察检查或查阅检查记录。
5 成套配电柜、控制柜(台、箱)和配电箱(盘)安装 5.1 主控项目
5.1.1 柜、台、箱的金属框架及基础型钢应与保护导体可靠连接;对于装有电器的可开启门,门和金属框架的接地端子间应选用截面积不小于4mm2的黄绿色绝缘铜芯软导线连接,并应有标识。检查数量:全数检查。检查方法:观察检查。 5.1.2 柜、台、箱、盘等配电装置应有可靠的防电击保护;装置内保护接地导体(PE)排应有裸露的连接外部保护接地导体的端子,并应可靠连接。当设计未做要求时,连接导体最小截面积应符合现行国家标准《低压配电设计规范》GB 50054的规定。检查数量:全数检查。检查方法:观察检查并采用力矩扳手检查。 5.1.3 手车、抽屉式成套配电柜推拉应灵活,无卡阻碰撞现象。动触头与静触头的中心线应一致,且触头接触应紧密,投入时,接地触头应先于主触头接触;退出时,接地触头应后于主触头脱开。检查数量:全数检查。检查方法:观察检查。 5.1.4 高压成套配电柜应按本规范第3.1.5条的规定进行交接试验,并应合格,且应符合下列规定:1 继电保护元器件、逻辑元件、变送器和控制用计算机等单体校验应合格,整组试验动作应正确,整定参数应符合设计要求;2 新型高压电气设备和继电保护装置投入使用前,应按产品技术文件要求进行交接试验。检查数量:全数检查。检查方法:模拟试验检查或查阅交接试验记录。 5.1.5 低压成套配电柜交接试验应符合本规范第4.1.6条第3款的规定。检查数量:全数检查。检查方法:用绝缘电阻测试仪测试、试验时观察检查或查阅交接试验记录。 5.1.6 对于低压成套配电柜、箱及控制柜(台、箱)间线路的线间和线对地间绝缘电阻值,馈电线路不应小于0.5MΩ,二次回路不应小于1MΩ;二次回路的耐压试验电压应为1000V,当回路绝缘电阻值大于10MΩ时,应采用2500V兆欧表代替,试验持续时间应为1min或符合产品技术文件要求。检查数量:按每个检验批的配线回路数量抽查20%,且不得少于1个回路。检查方法:用绝缘电阻测试仪测试或试验、测试时观察检查或查阅绝缘电阻测试记录。 5.1.7 直流柜试验时,应将屏内电子器件从线路上退出,主回路线间和线对地间绝缘电阻值不应小于0.5MΩ,直流屏所附蓄电池组的充、放电应符合产品技术文件要求;整流器的控制调整和输出特性试验应符合产品技术文件要求。检查数量:全数检查。检查方法:用绝缘电阻测试仪测试,调整试验时观察检查或查阅试验记录。 5.1.8 低压成套配电柜和配电箱(盘)内末端用电回路中,所设过电流保护电器兼作故障防护时,应在回路末端测量接地故障回路阻抗,且回路阻抗应满足下式要求:

式中:Zs(m)——实测接地故障回路阻抗(Ω);U0——相导体对接地的中性导体的电压(V);Ia——保护电器在规定时间内切断故障回路的动作电流(A)。检查数量:按末级配电箱(盘、柜)总数量抽查20%,每个被抽查的末级配电箱至少应抽查1个回路,且不应少于1个末级配电箱。检查方法:仪表测试并查阅试验记录。 5.1.9 配电箱(盘)内的剩余电流动作保护器(RCD)应在施加额定剩余动作电流(I△n)的情况下测试动作时间,且测试值应符合设计要求。检查数量:每个配电箱(盘)不少于1个。检查方法:仪表测试并查阅试验记录。 5.1.10 柜、箱、盘内电涌保护器(SPD)安装应符合下列规定:1 SPD的型号规格及安装布置应符合设计要求;2 SPD的接线形式应符合设计要求,接地导线的位置不宜靠近出线位置;3 SPD的连接导线应平直、足够短,且不宜大于0.5m。检查数量:按每个检验批电涌保护器(SPD)的数量抽查20%,且不得少于1个。检查方法:观察检查。 5.1.11 IT系统绝缘监测器(IMD)的报警功能应符合设计要求。检查数量:全数检查。检查方法:仪表测试。 5.1.12 照明配电箱(盘)安装应符合下列规定:1 箱(盘)内配线应整齐、无绞接现象;导线连接应紧密、不伤线芯、不断股;垫圈下螺丝两侧压的导线截面积应相同,同一电器器件端子上的导线连接不应多于2根,防松垫圈等零件应齐全;2 箱(盘)内开关动作应灵活可靠;3 箱(盘)内宜分别设置中性导体(N)和保护接地导体(PE)汇流排,汇流排上同一端子不应连接不同回路的N或PE。检查数量:按照明配电箱(盘)数量抽查10%,且不得少于1台。检查方法:观察检查及操作检查,螺丝刀拧紧检查。 5.1.13 送至建筑智能化工程变送器的电量信号精度等级应符合设计要求,状态信号应正确;接收建筑智能化工程的指令应使建筑电气工程的断路器动作符合指令要求,且手动、自动切换功能均应正常。检查数量:全数检查。检查方法:模拟试验时观察检查或查阅检查记录。
5.2 一般项目
5.2.1 基础型钢安装允许偏差应符合表5.2.1的规定。检查数量:按总数抽查20%,且不得少于1台。检查方法:水平仪或拉线尺量检查。
表5.2.1 基础型钢安装允许偏差
|
项目 |
允许偏差(mm) |
|
|
每米 |
全长 |
|
|
不直度 |
1.0 |
5.0 |
|
水平度 |
1.0 |
5.0 |
|
不平行度 |
— |
5.0 |
5.2.2 柜、台、箱、盘的布置及安全间距应符合设计要求。检查数量:全数检查。检查方法:尺量检查。 5.2.3 柜、台、箱相互间或与基础型钢间应用镀锌螺栓连接,且防松零件应齐全;当设计有防火要求时,柜、台、箱的进出口应做防火封堵,并应封堵严密。检查数量:按柜、台、箱总数抽查10%,且各不得少于1台。检查方法:观察检查。 5.2.4 室外安装的落地式配电(控制)柜、箱的基础应高于地坪,周围排水应通畅,其底座周围应采取封闭措施。检查数量:全数检查。检查方法:观察检查。 5.2.5 柜、台、箱、盘应安装牢固,且不应设置在水管的正下方。柜、台、箱、盘安装垂直度允许偏差不应大于1.5‰,相互间接缝不应大于2mm,成列盘面偏差不应大于5mm。检查数量:按总数抽查10%,且不得少于1台。检查方法:线坠尺量检查、塞尺检查、拉线尺量检查。 5.2.6 柜、台、箱、盘内检查试验应符合下列规定:1 控制开关及保护装置的规格、型号应符合设计要求;2 闭锁装置动作应准确、可靠;3 主开关的辅助开关切换动作应与主开关动作一致;4 柜、台、箱、盘上的标识器件应标明被控设备编号及名称或操作位置,接线端子应有编号,且清晰、工整、不易脱色;5 回路中的电子元件不应参加交流工频耐压试验,50V及以下回路可不做交流工频耐压试验。检查数量:按柜、台、箱、盘总数抽查10%,且不得少于1台。检查方法:观察检查并按设计图核对规格型号。 5.2.7 低压电器组合应符合下列规定:1 发热元件应安装在散热良好的位置;2 熔断器的熔体规格、断路器的整定值应符合设计要求;3 切换压板应接触良好,相邻压板间应有安全距离,切换时不应触及相邻的压板;4 信号回路的信号灯、按钮、光字牌、电铃、电笛、事故电钟等动作和信号显示应准确;5 金属外壳需做电击防护时,应与保护导体可靠连接;6 端子排应安装牢固,端子应有序号,强电、弱电端子应隔离布置,端子规格应与导线截面积大小适配。检查数量:按低压电器组合完成后的总数抽查10%,且不得少于1台。检查方法:观察检查并按设计图核对电器技术参数。 5.2.8 柜、台、箱、盘间配线应符合下列规定:1 二次回路接线应符合设计要求,除电子元件回路或类似回路外,回路的绝缘导线额定电压不应低于450/750V;对于铜芯绝缘导线或电缆的导体截面积,电流回路不应小于2.5mm2,其他回路不应小于1.5mm2。2 二次回路连线应成束绑扎,不同电压等级、交流、直流线路及计算机控制线路应分别绑扎,且应有标识;固定后不应妨碍手车开关或抽出式部件的拉出或推入。3 线缆的弯曲半径不应小于线缆允许弯曲半径。4 导线连接不应损伤线芯。检查数量:按柜、台、箱、盘总数抽查10%,且不得少于1台。检查方法:观察检查。 5.2.9 柜、台、箱、盘面板上的电器连接导线应符合下列规定:1 连接导线应采用多芯铜芯绝缘软导线,敷设长度应留有适当裕量;2 线束宜有外套塑料管等加强绝缘保护层;3 与电器连接时,端部应绞紧、不松散、不断股,其端部可采用不开口的终端端子或搪锡;4 可转动部位的两端应采用卡子固定。检查数量:按柜、台、箱、盘总数抽查10%,且不得少于1台。检查方法:观察检查。 5.2.10 照明配电箱(盘)安装应符合下列规定:1 箱体开孔应与导管管径适配,暗装配电箱箱盖应紧贴墙面,箱(盘)涂层应完整;2 箱(盘)内回路编号应齐全,标识应正确;3 箱(盘)应采用不燃材料制作;4 箱(盘)应安装牢固、位置正确、部件齐全,安装高度应符合设计要求,垂直度允许偏差不应大于1.5‰。检查数量:按照明配电箱(盘)总数抽查10%,且不得少于1台。检查方法:观察检查并用线坠尺量检查。
6 电动机、电加热器及电动执行机构检查接线 6.1 主控项目
6.1.1 电动机、电加热器及电动执行机构的外露可导电部分必须与保护导体可靠连接。 检查数量:电动机、电加热器全数检查,电动执行机构按总数抽查10%,且不得少于1台。检查方法:观察检查并用工具拧紧检查。 6.1.2 低压电动机、电加热器及电动执行机构的绝缘电阻值不应小于0.5MΩ。检查数量:按设备各抽查50%,且各不得少于1台。检查方法:用绝缘电阻测试仪测试并查阅绝缘电阻测试记录。 6.1.3 高压及100kW以上电动机的交接试验应符合现行国家标准《电气装置安装工程 电气设备交接试验标准》GB 50150的规定。检查数量:全数检查。检查方法:用仪表测量并查阅相关试验或测量记录。
6 电动机、电加热器及电动执行机构检查接线 6.1 主控项目
6.1.1 电动机、电加热器及电动执行机构的外露可导电部分必须与保护导体可靠连接。 检查数量:电动机、电加热器全数检查,电动执行机构按总数抽查10%,且不得少于1台。检查方法:观察检查并用工具拧紧检查。 6.1.2 低压电动机、电加热器及电动执行机构的绝缘电阻值不应小于0.5MΩ。检查数量:按设备各抽查50%,且各不得少于1台。检查方法:用绝缘电阻测试仪测试并查阅绝缘电阻测试记录。 6.1.3 高压及100kW以上电动机的交接试验应符合现行国家标准《电气装置安装工程 电气设备交接试验标准》GB 50150的规定。检查数量:全数检查。检查方法:用仪表测量并查阅相关试验或测量记录。
6.2 一般项目
6.2.1 电气设备安装应牢固,螺栓及防松零件齐全,不松动。防水防潮电气设备的接线入口及接线盒盖等应做密封处理。检查数量:按设备总数抽查10%,且不得少于1台。检查方法:观察检查并用工具拧紧检查。 6.2.2 除电动机随机技术文件不允许在施工现场抽芯检查外,有下列情况之一的电动机应抽芯检查:1 出厂时间已超过制造厂保证期限;2 外观检查、电气试验、手动盘转和试运转有异常情况。检查数量:按设备总数抽查20%,且不得少于1台。检查方法:观察检查并查阅设备进场验收记录。 6.2.3 电动机抽芯检查应符合下列规定:1 电动机内部应清洁、无杂物;2 线圈绝缘层应完好、无伤痕,端部绑线不应松动,槽楔应固定、无断裂、无凸出和松动,引线应焊接饱满,内部应清洁、通风孔道无堵塞;3 轴承应无锈斑,注油(脂)的型号、规格和数量应正确,转子平衡块应紧固、平衡螺丝锁紧,风扇叶片应无裂纹;4 电动机的机座和端盖的止口部位应无砂眼和裂纹;5 连接用紧固件的防松零件应齐全完整;6 其他指标应符合产品技术文件的要求。检查数量:全数检查。检查方法:查阅抽芯检查记录并核对产品技术文件要求。 6.2.4 电动机电源线与出线端子接触应良好、清洁,高压电动机电源线紧固时不应损伤电动机引出线套管。检查数量:全数检查。检查方法:观察检查。 6.2.5 在设备接线盒内裸露的不同相间和相对地间电气间隙应符合产品技术文件要求,或采取绝缘防护措施。检查数量:按设备总数抽查20%,各不得少于1台,且应覆盖不同的电压等级。检查方法:观察检查、尺量检查并查阅电动机检查记录。
7 柴油发电机组安装 7.1 主控项目
7.1.1 发电机的试验应符合本规范附录B的规定。检查数量:全数检查。检查方法:试验时观察检查并查阅发电机交接试验记录。 7.1.2 对于发电机组至配电柜馈电线路的相间、相对地间的绝缘电阻值,低压馈电线路不应小于0.5MΩ,高压馈电线路不应小于1MΩ/kV;绝缘电缆馈电线路直流耐压试验应符合现行国家标准《电气装置安装工程 电气设备交接试验标准》GB 50150的规定。检查数量:全数检查。检查方法:用绝缘电阻测试仪测试检查,试验时观察检查并查阅测试、试验记录。 7.1.3 柴油发电机馈电线路连接后,两端的相序应与原供电系统的相序一致。检查数量:全数检查。检查方法:核相时观察检查并查阅核相记录。 7.1.4 当柴油发电机并列运行时,应保证其电压、频率和相位一致。检查数量:全数检查。检查方法:观察检查并查阅运行记录。 7.1.5 发电机的中性点接地连接方式及接地电阻值应符合设计要求,接地螺栓防松零件齐全,且有标识。检查数量:全数检查。检查方法:观察检查并用接地电阻测试仪测试。 7.1.6 发电机本体和机械部分的外露可导电部分应分别与保护导体可靠连接,并应有标识。检查数量:全数检查。检查方法:观察检查。 7.1.7 燃油系统的设备及管道的防静电接地应符合设计要求。检查数量:全数检查。检查方法:观察检查。
7 柴油发电机组安装 7.1 主控项目
7.1.1 发电机的试验应符合本规范附录B的规定。检查数量:全数检查。检查方法:试验时观察检查并查阅发电机交接试验记录。 7.1.2 对于发电机组至配电柜馈电线路的相间、相对地间的绝缘电阻值,低压馈电线路不应小于0.5MΩ,高压馈电线路不应小于1MΩ/kV;绝缘电缆馈电线路直流耐压试验应符合现行国家标准《电气装置安装工程 电气设备交接试验标准》GB 50150的规定。检查数量:全数检查。检查方法:用绝缘电阻测试仪测试检查,试验时观察检查并查阅测试、试验记录。 7.1.3 柴油发电机馈电线路连接后,两端的相序应与原供电系统的相序一致。检查数量:全数检查。检查方法:核相时观察检查并查阅核相记录。 7.1.4 当柴油发电机并列运行时,应保证其电压、频率和相位一致。检查数量:全数检查。检查方法:观察检查并查阅运行记录。 7.1.5 发电机的中性点接地连接方式及接地电阻值应符合设计要求,接地螺栓防松零件齐全,且有标识。检查数量:全数检查。检查方法:观察检查并用接地电阻测试仪测试。 7.1.6 发电机本体和机械部分的外露可导电部分应分别与保护导体可靠连接,并应有标识。检查数量:全数检查。检查方法:观察检查。 7.1.7 燃油系统的设备及管道的防静电接地应符合设计要求。检查数量:全数检查。检查方法:观察检查。
7.2 一般项目
7.2.1 发电机组随机的配电柜、控制柜接线应正确,紧固件紧固状态良好,无遗漏脱落。开关、保护装置的型号、规格正确,验证出厂试验的锁定标记应无位移,有位移的应重新试验标定。检查数量:全数检查。检查方法:观察检查。 7.2.2 受电侧配电柜的开关设备、自动或手动切换装置和保护装置等的试验应合格,并应按设计的自备电源使用分配预案进行负荷试验,机组应连续运行无故障。检查数量:全数检查。检查方法:试验时观察检查并查阅电器设备试验记录和发电机负荷试运行记录。
8 UPS及EPS安装 8.1 主控项目
8.1.1 UPS及EPS的整流、逆变、静态开关、储能电池或蓄电池组的规格、型号应符合设计要求。内部接线应正确、可靠不松动,紧固件应齐全。检查数量:全数检查。检查方法:核对设计图并观察检查。 8.1.2 UPS及EPS的极性应正确,输入、输出各级保护系统的动作和输出的电压稳定性、波形畸变系数及频率、相位、静态开关的动作等各项技术性能指标试验调整应符合产品技术文件要求,当以现场的最终试验替代出厂试验时,应根据产品技术文件进行试验调整,且应符合设计文件要求。检查数量:全数检查。检查方法:试验调整时观察检查并查阅设计文件和产品技术文件及试验调整记录。 8.1.3 EPS应按设计或产品技术文件的要求进行下列检查:1 核对初装容量,并应符合设计要求;2 核对输入回路断路器的过载和短路电流整定值,并应符合设计要求;3 核对各输出回路的负荷量,且不应超过EPS的额定最大输出功率;4 核对蓄电池备用时间及应急电源装置的允许过载能力,并应符合设计要求;5 当对电池性能、极性及电源转换时间有异议时,应由制造商负责现场测试,并应符合设计要求;6 控制回路的动作试验,并应配合消防联动试验合格。检查数量:全数检查。检查方法:按设计或产品技术文件核对相关技术参数,查阅相关试验记录。 8.1.4 UPS及EPS的绝缘电阻值应符合下列规定:1 UPS的输入端、输出端对地间绝缘电阻值不应小于2MΩ;2 UPS及EPS连线及出线的线间、线对地间绝缘电阻值不应小于0.5MΩ。检查数量:第1款全数检查;第2款按回路数各抽查20%,且各不得少于1个回路。检查方法:用绝缘电阻测试仪测试并查阅绝缘电阻测试记录。 8.1.5 UPS输出端的系统接地连接方式应符合设计要求。检查数量:全数检查。检查方法:按设计图核对检查。
8 UPS及EPS安装 8.1 主控项目
8.1.1 UPS及EPS的整流、逆变、静态开关、储能电池或蓄电池组的规格、型号应符合设计要求。内部接线应正确、可靠不松动,紧固件应齐全。检查数量:全数检查。检查方法:核对设计图并观察检查。 8.1.2 UPS及EPS的极性应正确,输入、输出各级保护系统的动作和输出的电压稳定性、波形畸变系数及频率、相位、静态开关的动作等各项技术性能指标试验调整应符合产品技术文件要求,当以现场的最终试验替代出厂试验时,应根据产品技术文件进行试验调整,且应符合设计文件要求。检查数量:全数检查。检查方法:试验调整时观察检查并查阅设计文件和产品技术文件及试验调整记录。 8.1.3 EPS应按设计或产品技术文件的要求进行下列检查:1 核对初装容量,并应符合设计要求;2 核对输入回路断路器的过载和短路电流整定值,并应符合设计要求;3 核对各输出回路的负荷量,且不应超过EPS的额定最大输出功率;4 核对蓄电池备用时间及应急电源装置的允许过载能力,并应符合设计要求;5 当对电池性能、极性及电源转换时间有异议时,应由制造商负责现场测试,并应符合设计要求;6 控制回路的动作试验,并应配合消防联动试验合格。检查数量:全数检查。检查方法:按设计或产品技术文件核对相关技术参数,查阅相关试验记录。 8.1.4 UPS及EPS的绝缘电阻值应符合下列规定:1 UPS的输入端、输出端对地间绝缘电阻值不应小于2MΩ;2 UPS及EPS连线及出线的线间、线对地间绝缘电阻值不应小于0.5MΩ。检查数量:第1款全数检查;第2款按回路数各抽查20%,且各不得少于1个回路。检查方法:用绝缘电阻测试仪测试并查阅绝缘电阻测试记录。 8.1.5 UPS输出端的系统接地连接方式应符合设计要求。检查数量:全数检查。检查方法:按设计图核对检查。
8.2 一般项目
8.2.1 安放UPS的机架或金属底座的组装应横平竖直、紧固件齐全,水平度、垂直度允许偏差不应大于1.5‰。检查数量:按设备总数抽查20%,且各不得少于1台。检查方法:观察检查并用拉线尺量检查、线坠尺量检查。 8.2.2 引入或引出UPS及EPS的主回路绝缘导线、电缆和控制绝缘导线、电缆应分别穿钢导管保护,当在电缆支架上或在梯架、托盘和线槽内平行敷设时,其分隔间距应符合设计要求;绝缘导线、电缆的屏蔽护套接地应连接可靠、紧固件齐全,与接地干线应就近连接。检查数量:按装置的主回路总数抽查10%,且不得少于1个回路。检查方法:观察检查并用尺量检查,查阅相关隐蔽工程检查记录。 8.2.3 UPS及EPS的外露可导电部分应与保护导体可靠连接,并应有标识。检查数量:按设备总数抽查20%,且不得少于1台。检查方法:观察检查。 8.2.4 UPS正常运行时产生的A声级噪声应符合产品技术文件要求。检查数量:全数检查。检查方法:用A声级计测量检查。
9 电气设备试验和试运行 9.1 主控项目
9.1.1 试运行前,相关电气设备和线路应按本规范的规定试验合格。检查数量:全数检查。检查方法:试验时观察检查并查阅相关试验、测试记录。 9.1.2 现场单独安装的低压电器交接试验项目应符合本规范附录C的规定。检查数量:全数检查。检查方法:试验时观察检查并查阅交接试验检验记录。 9.1.3 电动机应试通电,并应检查转向和机械转动情况,电动机试运行应符合下列规定:1 空载试运行时间宜为2h,机身和轴承的温升、电压和电流等应符合建筑设备或工艺装置的空载状态运行要求,并应记录电流、电压、温度、运行时间等有关数据;2 空载状态下可启动次数及间隔时间应符合产品技术文件的要求;无要求时,连续启动2次的时间间隔不应小于5min,并应在电动机冷却至常温下进行再次启动。检查数量:按设备总数抽查10%,且不得少于1台。检查方法:轴承温度采用测温仪测量,其他参数可在试验时观察检查并查阅电动机空载试运行记录。
9 电气设备试验和试运行 9.1 主控项目
9.1.1 试运行前,相关电气设备和线路应按本规范的规定试验合格。检查数量:全数检查。检查方法:试验时观察检查并查阅相关试验、测试记录。 9.1.2 现场单独安装的低压电器交接试验项目应符合本规范附录C的规定。检查数量:全数检查。检查方法:试验时观察检查并查阅交接试验检验记录。 9.1.3 电动机应试通电,并应检查转向和机械转动情况,电动机试运行应符合下列规定:1 空载试运行时间宜为2h,机身和轴承的温升、电压和电流等应符合建筑设备或工艺装置的空载状态运行要求,并应记录电流、电压、温度、运行时间等有关数据;2 空载状态下可启动次数及间隔时间应符合产品技术文件的要求;无要求时,连续启动2次的时间间隔不应小于5min,并应在电动机冷却至常温下进行再次启动。检查数量:按设备总数抽查10%,且不得少于1台。检查方法:轴承温度采用测温仪测量,其他参数可在试验时观察检查并查阅电动机空载试运行记录。
9.2 一般项目
9.2.1 电气动力设备的运行电压、电流应正常,各种仪表指示应正常。检查数量:全数检查。检查方法:观察检查。 9.2.2 电动执行机构的动作方向及指示应与工艺装置的设计要求保持一致。检查数量:按设备总数抽查10%,且不得少于1台。检查方法:观察检查。
10 母线槽安装 10.1 主控项目
10.1.1 母线槽的金属外壳等外露可导电部分应与保护导体可靠连接,并应符合下列规定: 1 每段母线槽的金属外壳间应连接可靠,且母线槽全长与保护导体可靠连接不应少于2处; 2 分支母线槽的金属外壳末端应与保护导体可靠连接; 3 连接导体的材质、截面积应符合设计要求。 检查数量:全数检查。检查方法:观察检查并用尺量检查。 10.1.2 当设计将母线槽的金属外壳作为保护接地导体(PE)时,其外壳导体应具有连续性且应符合现行国家标准《低压成套开关设备和控制设备 第1部分:总则》GB 7251.1的规定。检查数量:全数检查。检查方法:观察检查并查验材料合格证明文件、CCC型式试验报告和材料进场验收记录。 10.1.3 当母线与母线、母线与电器或设备接线端子采用螺栓搭接连接时,应符合下列规定:1 母线的各类搭接连接的钻孔直径和搭接长度应符合本规范附录D的规定,连接螺栓的力矩值应符合本规范附录E的规定;当一个连接处需要多个螺栓连接时,每个螺栓的拧紧力矩值应一致。2 母线接触面应保持清洁,宜涂抗氧化剂,螺栓孔周边应无毛刺。3 连接螺栓两侧应有平垫圈,相邻垫圈间应有大于3mm的间隙,螺母侧应装有弹簧垫圈或锁紧螺母。4 螺栓受力应均匀,不应使电器或设备的接线端子受额外应力。检查数量:按每检验批的母线连接端数量抽查20%,且不得少于2个连接端。检查方法:观察检查并用尺量检查和用力矩测试仪测试紧固度。 10.1.4 母线槽安装应符合下列规定:1 母线槽不宜安装在水管正下方;2 母线应与外壳同心,允许偏差应为±5mm;3 当母线槽段与段连接时,两相邻段母线及外壳宜对准,相序应正确,连接后不应使母线及外壳受额外应力;4 母线的连接方法应符合产品技术文件要求;5 母线槽连接用部件的防护等级应与母线槽本体的防护等级一致。检查数量:第1款全数检查,其余按每检验批的母线连接端数量抽查20%,且不得少于2个连接端。检查方法:观察检查并用尺量检查,查阅母线槽安装记录。 10.1.5 母线槽通电运行前应进行检验或试验,并应符合下列规定:1 高压母线交流工频耐压试验应按本规范第3.1.5条的规定交接试验合格;2 低压母线绝缘电阻值不应小于0.5MΩ;3 检查分接单元插入时,接地触头应先于相线触头接触,且触头连接紧密,退出时,接地触头应后于相线触头脱开;4 检查母线槽与配电柜、电气设备的接线相序应一致。检查数量:全数检查。检查方法:用绝缘电阻测试仪测试,试验时观察检查并查阅交接试验记录、绝缘电阻测试记录。
10 母线槽安装 10.1 主控项目
10.1.1 母线槽的金属外壳等外露可导电部分应与保护导体可靠连接,并应符合下列规定: 1 每段母线槽的金属外壳间应连接可靠,且母线槽全长与保护导体可靠连接不应少于2处; 2 分支母线槽的金属外壳末端应与保护导体可靠连接; 3 连接导体的材质、截面积应符合设计要求。 检查数量:全数检查。检查方法:观察检查并用尺量检查。 10.1.2 当设计将母线槽的金属外壳作为保护接地导体(PE)时,其外壳导体应具有连续性且应符合现行国家标准《低压成套开关设备和控制设备 第1部分:总则》GB 7251.1的规定。检查数量:全数检查。检查方法:观察检查并查验材料合格证明文件、CCC型式试验报告和材料进场验收记录。 10.1.3 当母线与母线、母线与电器或设备接线端子采用螺栓搭接连接时,应符合下列规定:1 母线的各类搭接连接的钻孔直径和搭接长度应符合本规范附录D的规定,连接螺栓的力矩值应符合本规范附录E的规定;当一个连接处需要多个螺栓连接时,每个螺栓的拧紧力矩值应一致。2 母线接触面应保持清洁,宜涂抗氧化剂,螺栓孔周边应无毛刺。3 连接螺栓两侧应有平垫圈,相邻垫圈间应有大于3mm的间隙,螺母侧应装有弹簧垫圈或锁紧螺母。4 螺栓受力应均匀,不应使电器或设备的接线端子受额外应力。检查数量:按每检验批的母线连接端数量抽查20%,且不得少于2个连接端。检查方法:观察检查并用尺量检查和用力矩测试仪测试紧固度。 10.1.4 母线槽安装应符合下列规定:1 母线槽不宜安装在水管正下方;2 母线应与外壳同心,允许偏差应为±5mm;3 当母线槽段与段连接时,两相邻段母线及外壳宜对准,相序应正确,连接后不应使母线及外壳受额外应力;4 母线的连接方法应符合产品技术文件要求;5 母线槽连接用部件的防护等级应与母线槽本体的防护等级一致。检查数量:第1款全数检查,其余按每检验批的母线连接端数量抽查20%,且不得少于2个连接端。检查方法:观察检查并用尺量检查,查阅母线槽安装记录。 10.1.5 母线槽通电运行前应进行检验或试验,并应符合下列规定:1 高压母线交流工频耐压试验应按本规范第3.1.5条的规定交接试验合格;2 低压母线绝缘电阻值不应小于0.5MΩ;3 检查分接单元插入时,接地触头应先于相线触头接触,且触头连接紧密,退出时,接地触头应后于相线触头脱开;4 检查母线槽与配电柜、电气设备的接线相序应一致。检查数量:全数检查。检查方法:用绝缘电阻测试仪测试,试验时观察检查并查阅交接试验记录、绝缘电阻测试记录。
10.2 一般项目
10.2.1 母线槽支架安装应符合下列规定:1 除设计要求外,承力建筑钢结构构件上不得熔焊连接母线槽支架,且不得热加工开孔。2 与预埋铁件采用焊接固定时,焊缝应饱满;采用膨胀螺栓固定时,选用的螺栓应适配,连接应牢固。3 支架应安装牢固、无明显扭曲,采用金属吊架固定时应有防晃支架,配电母线槽的圆钢吊架直径不得小于8mm;照明母线槽的圆钢吊架直径不得小于6mm。4 金属支架应进行防腐,位于室外及潮湿场所的应按设计要求做处理。检查数量:第1款全数检查,第2款~第4款按每个检验批的支架总数抽查10%,且各不得少于1处并应覆盖支架的不同固定形式。检查方法:观察检查并用尺量或卡尺检查。 10.2.2 对于母线与母线、母线与电器或设备接线端子搭接,搭接面的处理应符合下列规定:1 铜与铜:当处于室外、高温且潮湿的室内时,搭接面应搪锡或镀银;干燥的室内,可不搪锡、不镀银。2 铝与铝:可直接搭接。3 钢与钢:搭接面应搪锡或镀锌。4 铜与铝:在干燥的室内,铜导体搭接面应搪锡;在潮湿场所,铜导体搭接面应搪锡或镀银,且应采用铜铝过渡连接。5 钢与铜或铝:钢搭接面应镀锌或搪锡。检查数量:按每个检验批的母线搭接端子总数抽查10%,且各不得少于1处,并应覆盖不同材质的不同连接方式。检查方法:观察检查。 10.2.3 当母线采用螺栓搭接时,连接处距绝缘子的支持夹板边缘不应小于50mm。检查数量:连接头总数量抽查20%,且不得少于1处。检查方法:观察检查并用尺量检查。 10.2.4 当设计无要求时,母线的相序排列及涂色应符合下列规定:1 对于上、下布置的交流母线,由上至下或由下至上排列应分别为L1、L2、L3;直流母线应正极在上、负极在下。2 对于水平布置的交流母线,由柜后向柜前或由柜前向柜后排列应分别为L1、L2、L3;直流母线应正极在后、负极在前。3 对于面对引下线的交流母线,由左至右排列应分别为L1、L2、L3;直流母线应正极在左、负极在右。4 对于母线的涂色,交流母线L1、L2、L3应分别为黄色、绿色和红色,中性导体应为淡蓝色;直流母线应正极为赭色、负极为蓝色;保护接地导体PE应为黄绿双色组合色,保护中性导体(PEN)应为全长黄-绿双色、终端用淡蓝色或全长淡蓝色、终端用黄-绿双色;在连接处或支持件边缘两侧10mm以内不应涂色。检查数量:按直流和交流的不同布置形式回路各抽查20%,且各不得少于1个回路。检查方法:观察检查。 10.2.5 母线槽安装应符合下列规定:1 水平或垂直敷设的母线槽固定点应每段设置一个,且每层不得少于一个支架,其间距应符合产品技术文件的要求,距拐弯0.4m~0.6m处应设置支架,固定点位置不应设置在母线槽的连接处或分接单元处。2 母线槽段与段的连接口不应设置在穿越楼板或墙体处,垂直穿越楼板处应设置与建(构)筑物固定的专用部件支座,其孔洞四周应设置高度为50mm及以上的防水台,并应采取防火封堵措施。3 母线槽跨越建筑物变形缝处时,应设置补偿装置;母线槽直线敷设长度超过80m,每50m~60m宜设置伸缩节。4 母线槽直线段安装应平直,水平度与垂直度偏差不宜大于1.5‰,全长最大偏差不宜大于20mm;照明用母线槽水平偏差全长不应大于5mm,垂直偏差不应大于10mm。5 外壳与底座间、外壳各连接部位及母线的连接螺栓应按产品技术文件要求选择正确、连接紧固。6 母线槽上无插接部件的接插口及母线端部应采用专用的封板封堵完好。7 母线槽与各类管道平行或交叉的净距应符合本规范附录F的规定。检查数量:第3款、第6款、第7款全数检查,其余按每个检验批的母线槽数量抽查20%,且各不得少于1处,并应覆盖不同的敷设形式。检查方法:观察检查并用水平仪、线坠尺量检查。
11 梯架、托盘和槽盒安装 11.1 主控项目
11.1.1 金属梯架、托盘或槽盒本体之间的连接应牢固可靠,与保护导体的连接应符合下列规定: 1 梯架、托盘和槽盒全长不大于30m时,不应少于2处与保护导体可靠连接;全长大于30m时,每隔20m~30m应增加一个连接点。起始端和终点端均应可靠接地。 2 非镀锌梯架、托盘和槽盒本体之间连接板的两端应跨接保护联结导体,保护联结导体的截面积应符合设计要求。 3 镀锌梯架、托盘和槽盒本体之间不跨接保护联结导体时,连接板每端不应少于2个有防松螺帽或防松垫圈的连接固定螺栓。 检查数量:第1款全数检查,第2款和第3款按每个检验批的梯架或托盘或槽盒的连接点数量各抽查10%,且各不得少于2个点。检查方法:观察检查并用尺量检查。 11.1.2 电缆梯架、托盘和槽盒转弯、分支处宜采用专用连接配件,其弯曲半径不应小于梯架、托盘和槽盒内电缆最小允许弯曲半径,电缆最小允许弯曲半径应符合表11.1.2的规定。
表11.1.2 电缆最小允许弯曲半径


往:D为电缆外径。检查数量:按每个检验批的梯架、托盘或槽盒的弯头数量各抽查10%,且各不得少于1个弯头。检查方法:观察检查并用尺量检查。
11 梯架、托盘和槽盒安装 11.1 主控项目
11.1.1 金属梯架、托盘或槽盒本体之间的连接应牢固可靠,与保护导体的连接应符合下列规定: 1 梯架、托盘和槽盒全长不大于30m时,不应少于2处与保护导体可靠连接;全长大于30m时,每隔20m~30m应增加一个连接点。起始端和终点端均应可靠接地。 2 非镀锌梯架、托盘和槽盒本体之间连接板的两端应跨接保护联结导体,保护联结导体的截面积应符合设计要求。 3 镀锌梯架、托盘和槽盒本体之间不跨接保护联结导体时,连接板每端不应少于2个有防松螺帽或防松垫圈的连接固定螺栓。 检查数量:第1款全数检查,第2款和第3款按每个检验批的梯架或托盘或槽盒的连接点数量各抽查10%,且各不得少于2个点。检查方法:观察检查并用尺量检查。 11.1.2 电缆梯架、托盘和槽盒转弯、分支处宜采用专用连接配件,其弯曲半径不应小于梯架、托盘和槽盒内电缆最小允许弯曲半径,电缆最小允许弯曲半径应符合表11.1.2的规定。
表11.1.2 电缆最小允许弯曲半径


往:D为电缆外径。检查数量:按每个检验批的梯架、托盘或槽盒的弯头数量各抽查10%,且各不得少于1个弯头。检查方法:观察检查并用尺量检查。
11.2 一般项目
11.2.1 当直线段钢制或塑料梯架、托盘和槽盒长度超过30m,铝合金或玻璃钢制梯架、托盘和槽盒长度超过15m时,应设置伸缩节;当梯架、托盘和槽盒跨越建筑物变形缝处时,应设置补偿装置。检查数量:全数检查。检查方法:观察检查并用尺量检查。 11.2.2 梯架、托盘和槽盒与支架间及与连接板的固定螺栓应紧固无遗漏,螺母应位于梯架、托盘和槽盒外侧;当铝合金梯架、托盘和槽盒与钢支架固定时,应有相互间绝缘的防电化腐蚀措施。检查数量:按每个检验批的梯架或托盘或槽盒的固定点数量各抽查10%,且各不得少于2个点。检查方法:观察检查。 11.2.3 当设计无要求时,梯架、托盘、槽盒及支架安装应符合下列规定:1 电缆梯架、托盘和槽盒宜敷设在易燃易爆气体管道和热力管道的下方,与各类管道的最小净距应符合本规范附录F的规定。2 配线槽盒与水管同侧上下敷设时,宜安装在水管的上方;与热水管、蒸气管平行上下敷设时,应敷设在热水管、蒸气管的下方,当有困难时,可敷设在热水管、蒸气管的上方;相互间的最小距离宜符合本规范附录G的规定。3 敷设在电气竖井内穿楼板处和穿越不同防火区的梯架、托盘和槽盒,应有防火隔堵措施。4 敷设在电气竖井内的电缆梯架或托盘,其固定支架不应安装在固定电缆的横担上,且每隔3层~5层应设置承重支架。5 对于敷设在室外的梯架、托盘和槽盒,当进入室内或配电箱(柜)时应有防雨水措施,槽盒底部应有泄水孔。6 承力建筑钢结构构件上不得熔焊支架,且不得热加工开孔。7 水平安装的支架间距宜为1.5m~3.0m,垂直安装的支架间距不应大于2m。8 采用金属吊架固定时,圆钢直径不得小于8mm,并应有防晃支架,在分支处或端部0.3m~0.5m处应有固定支架。检查数量:第1款~第5款全数检查,其余按每个检验批的支架总数抽查10%,且各不得少于1处并应覆盖支架的安装形式。检查方法:观察检查并用尺量和卡尺检查。 11.2.4 支吊架设置应符合设计或产品技术文件要求,支吊架安装应牢固、无明显扭曲;与预埋件焊接固定时,焊缝应饱满;膨胀螺栓固定时,螺栓应选用适配、防松零件齐全、连接紧固。检查数量:按每个检验批的支架总数抽查10%,且各不得少于1处,并应覆盖支架的安装形式。检查方法:观察检查。 11.2.5 金属支架应进行防腐,位于室外及潮湿场所的应按设计要求做处理。检查数量:按每个检验批的金属支架总数抽查10%,且不得少于1处。检查方法:观察检查。
12 导管敷设 12.1 主控项目
12.1.1 金属导管应与保护导体可靠连接,并应符合下列规定:1 镀锌钢导管、可弯曲金属导管和金属柔性导管不得熔焊连接;2 当非镀锌钢导管采用螺纹连接时,连接处的两端应熔焊焊接保护联结导体;3 镀锌钢导管、可弯曲金属导管和金属柔性导管连接处的两端宜采用专用接地卡固定保护联结导体;4 机械连接的金属导管,管与管、管与盒(箱)体的连接配件应选用配套部件,其连接应符合产品技术文件要求,当连接处的接触电阻值符合现行国家标准《电气安装用导管系统 第1部分:通用要求》GB/T 20041.1的相关要求时,连接处可不设置保护联结导体,但导管不应作为保护导体的接续导体;5 金属导管与金属梯架、托盘连接时,镀锌材质的连接端宜用专用接地卡固定保护联结导体,非镀锌材质的连接处应熔焊焊接保护联结导体;6 以专用接地卡固定的保护联结导体应为铜芯软导线,截面积不应小于4mm2;以熔焊焊接的保护联结导体宜为圆钢,直径不应小于6mm,其搭接长度应为圆钢直径的6倍。检查数量:按每个检验批的导管连接头总数抽查10%,且各不得少于1处,并应能覆盖不同的检查内容。检查方法:施工时观察检查并查阅隐蔽工程检查记录。 12.1.2 钢导管不得采用对口熔焊连接;镀锌钢导管或壁厚小于或等于2mm的钢导管,不得采用套管熔焊连接。 检查数量:按每个检验批的钢导管连接头总数抽查20%,并应能覆盖不同的连接方式,且各不得少于1处。检查方法:施工时观察检查。 12.1.3 当塑料导管在砌体上剔槽埋设时,应采用强度等级不小于M10的水泥砂浆抹面保护,保护层厚度不应小于15mm。检查数量:按每个检验批的配管回路数量抽查20%,且不得少于1个回路。检查方法:观察检查并用尺量检查,查阅隐蔽工程检查记录。 12.1.4 导管穿越密闭或防护密闭隔墙时,应设置预埋套管,预埋套管的制作和安装应符合设计要求,套管两端伸出墙面的长度宜为30mm~50mm,导管穿越密闭穿墙套管的两侧应设置过线盒,并应做好封堵。检查数量:按套管数量抽查20%,且不得少于1个。检查方法:观察检查,查阅隐蔽工程检查记录。
12 导管敷设 12.1 主控项目
12.1.1 金属导管应与保护导体可靠连接,并应符合下列规定:1 镀锌钢导管、可弯曲金属导管和金属柔性导管不得熔焊连接;2 当非镀锌钢导管采用螺纹连接时,连接处的两端应熔焊焊接保护联结导体;3 镀锌钢导管、可弯曲金属导管和金属柔性导管连接处的两端宜采用专用接地卡固定保护联结导体;4 机械连接的金属导管,管与管、管与盒(箱)体的连接配件应选用配套部件,其连接应符合产品技术文件要求,当连接处的接触电阻值符合现行国家标准《电气安装用导管系统 第1部分:通用要求》GB/T 20041.1的相关要求时,连接处可不设置保护联结导体,但导管不应作为保护导体的接续导体;5 金属导管与金属梯架、托盘连接时,镀锌材质的连接端宜用专用接地卡固定保护联结导体,非镀锌材质的连接处应熔焊焊接保护联结导体;6 以专用接地卡固定的保护联结导体应为铜芯软导线,截面积不应小于4mm2;以熔焊焊接的保护联结导体宜为圆钢,直径不应小于6mm,其搭接长度应为圆钢直径的6倍。检查数量:按每个检验批的导管连接头总数抽查10%,且各不得少于1处,并应能覆盖不同的检查内容。检查方法:施工时观察检查并查阅隐蔽工程检查记录。 12.1.2 钢导管不得采用对口熔焊连接;镀锌钢导管或壁厚小于或等于2mm的钢导管,不得采用套管熔焊连接。 检查数量:按每个检验批的钢导管连接头总数抽查20%,并应能覆盖不同的连接方式,且各不得少于1处。检查方法:施工时观察检查。 12.1.3 当塑料导管在砌体上剔槽埋设时,应采用强度等级不小于M10的水泥砂浆抹面保护,保护层厚度不应小于15mm。检查数量:按每个检验批的配管回路数量抽查20%,且不得少于1个回路。检查方法:观察检查并用尺量检查,查阅隐蔽工程检查记录。 12.1.4 导管穿越密闭或防护密闭隔墙时,应设置预埋套管,预埋套管的制作和安装应符合设计要求,套管两端伸出墙面的长度宜为30mm~50mm,导管穿越密闭穿墙套管的两侧应设置过线盒,并应做好封堵。检查数量:按套管数量抽查20%,且不得少于1个。检查方法:观察检查,查阅隐蔽工程检查记录。
12.2 一般项目
12.2.1 导管的弯曲半径应符合下列规定:1 明配导管的弯曲半径不宜小于管外径的6倍,当两个接线盒间只有一个弯曲时,其弯曲半径不宜小于管外径的4倍;2 埋设于混凝土内的导管的弯曲半径不宜小于管外径的6倍,当直埋于地下时,其弯曲半径不宜小于管外径的10倍;3 电缆导管的弯曲半径不应小于电缆最小允许弯曲半径,电缆最小允许弯曲半径应符合本规范表11.1.2的规定。检查数量:按每个检验批的导管弯头总数抽查10%,且各不得少于1个弯头,并应覆盖不同规格和不同敷设方式的导管。检查方法:观察检查并用尺量检查,查阅隐蔽工程检查记录。 12.2.2 导管支架安装应符合下列规定:1 除设计要求外,承力建筑钢结构构件上不得熔焊导管支架,且不得热加工开孔;2 当导管采用金属吊架固定时,圆钢直径不得小于8mm,并应设置防晃支架,在距离盒(箱)、分支处或端部0.3m~0.5m处应设置固定支架;3 金属支架应进行防腐,位于室外及潮湿场所的应按设计要求做处理;4 导管支架应安装牢固、无明显扭曲。检查数量:第1款全数检查,第2款~第4款按每个检验批的支吊架总数抽查10%,且各不得少于1处。检查方法:观察检查并用尺量检查。 12.2.3 除设计要求外,对于暗配的导管,导管表面埋设深度与建筑物、构筑物表面的距离不应小于15mm。检查数量:按每个检验批的配管回路数量抽查10%,且不得少于1个回路。检查方法:观察检查并用尺量检查。 12.2.4 进入配电(控制)柜、台、箱内的导管管口,当箱底无封板时,管口应高出柜、台、箱、盘的基础面50mm~80mm。检查数量:按每个检验批的落地式柜、台、箱、盘总数抽查10%,且不得少于1台。检查方法:观察检查并用尺量检查,查阅隐蔽工程检查记录。 12.2.5 室外导管敷设应符合下列规定:1 对于埋地敷设的钢导管,埋设深度应符合设计要求,钢导管的壁厚应大于2mm;2 导管的管口不应敞口垂直向上,导管管口应在盒、箱内或导管端部设置防水弯;3 由箱式变电所或落地式配电箱引向建筑物的导管,建筑物一侧的导管管口应设在建筑物内;4 导管的管口在穿入绝缘导线、电缆后应做密封处理。检查数量:按每个检验批各种敷设形式的总数抽查20%,且各不得少于1处。检查方法:观察检查并用尺量检查,查阅隐蔽工程检查记录。 12.2.6 明配的电气导管应符合下列规定:1 导管应排列整齐、固定点间距均匀、安装牢固;2 在距终端、弯头中点或柜、台、箱、盘等边缘150mm~500mm范围内应设有固定管卡,中间直线段固定管卡间的最大距离应符合表12.2.6的规定;3 明配管采用的接线或过渡盒(箱)应选用明装盒(箱)。检查数量:按每个检验批的导管固定点或盒(箱)的总数各抽查20%,且各不得少于1处。检查方法:观察检查并用尺量检查。
表12.2.6 管卡间的最大距离

12.2.7 塑料导管敷设应符合下列规定:1 管口应平整光滑,管与管、管与盒(箱)等器件采用插入法连接时,连接处结合面应涂专用胶合剂,接口应牢固密封;2 直埋于地下或楼板内的刚性塑料导管,在穿出地面或楼板易受机械损伤的一段应采取保护措施;3 当设计无要求时,埋设在墙内或混凝土内的塑料导管应采用中型及以上的导管;4 沿建筑物、构筑物表面和在支架上敷设的刚性塑料导管,应按设计要求装设温度补偿装置。检查数量:第2款、第4款全数检查,其余按每个检验批的接头或导管数量各抽查10%,且各不得少于1处。检查方法:观察检查和手感检查,查阅隐蔽工程检查记录,核查材料合格证明文件和材料进场验收记录。 12.2.8 可弯曲金属导管及柔性导管敷设应符合下列规定:1 刚性导管经柔性导管与电气设备、器具连接时,柔性导管的长度在动力工程中不宜大于0.8m,在照明工程中不宜大于1.2m。2 可弯曲金属导管或柔性导管与刚性导管或电气设备、器具间的连接应采用专用接头;防液型可弯曲金属导管或柔性导管的连接处应密封良好,防液覆盖层应完整无损。3 当可弯曲金属导管有可能受重物压力或明显机械撞击时,应采取保护措施。4 明配的金属、非金属柔性导管固定点间距应均匀,不应大于1m,管卡与设备、器具、弯头中点、管端等边缘的距离应小于0.3m。5 可弯曲金属导管和金属柔性导管不应做保护导体的接续导体。检查数量:第1款、第2款、第5款按每个检验批的导管连接点或导管总数抽查10%,且各不得少于1处;第3款全数检查;第4款按每个检验批的导管固定点总数抽查10%,且各不得少于1处并应能覆盖不同的导管和不同的固定部位。检查方法:观察检查并用尺量检查,查阅隐蔽工程检查记录。 12.2.9 导管敷设应符合下列规定:1 导管穿越外墙时应设置防水套管,且应做好防水处理;2 钢导管或刚性塑料导管跨越建筑物变形缝处应设置补偿装置;3 除埋设于混凝土内的钢导管内壁应防腐处理,外壁可不防腐处理外,其余场所敷设的钢导管内、外壁均应做防腐处理;4 导管与热水管、蒸气管平行敷设时,宜敷设在热水管、蒸气管的下面,当有困难时,可敷设在其上面;相互间的最小距离宜符合本规范附录G的规定。检查数量:第1款、第2款全数检查,第3款、第4款按每个检验批的导管总数抽查10%,且各不得少于1根(处),并应覆盖不同的敷设场所及不同规格的导管。检查方法:观察检查并查阅隐蔽工程检查记录。
13 电缆敷设 13.1 主控项目
13.1.1 金属电缆支架必须与保护导体可靠连接。 检查数量:明敷的全数检查,暗敷的按每个检验批抽查20%,且不得少于2处。检查方法:观察检查并查阅隐蔽工程检查记录。 13.1.2 电缆敷设不得存在绞拧、铠装压扁、护层断裂和表面严重划伤等缺陷。检查数量:全数检查。检查方法:观察检查。 13.1.3 当电缆敷设存在可能受到机械外力损伤、振动、浸水及腐蚀性或污染物质等损害时,应采取防护措施。检查数量:全数检查。检查方法:观察检查。 13.1.4 除设计要求外,并联使用的电力电缆的型号、规格、长度应相同。检查数量:全数检查。检查方法:核对设计图观察检查。 13.1.5 交流单芯电缆或分相后的每相电缆不得单根独穿于钢导管内,固定用的夹具和支架不应形成闭合磁路。 检查数量:全数检查。检查方法:核对设计图观察检查。 13.1.6 当电缆穿过零序电流互感器时,电缆金属护层和接地线应对地绝缘。对穿过零序电流互感器后制作的电缆头,其电缆接地线应回穿互感器后接地;对尚未穿过零序电流互感器的电缆接地线应在零序电流互感器前直接接地。检查数量:按电缆穿过零序电流互感器的总数抽查5%,且不得少于1处。检查方法:观察检查。 13.1.7 电缆的敷设和排列布置应符合设计要求,矿物绝缘电缆敷设在温度变化大的场所、振动场所或穿越建筑物变形缝时应采取“S”或“Ω”弯。检查数量:全数检查。检查方法:观察检查。
13 电缆敷设 13.1 主控项目
13.1.1 金属电缆支架必须与保护导体可靠连接。 检查数量:明敷的全数检查,暗敷的按每个检验批抽查20%,且不得少于2处。检查方法:观察检查并查阅隐蔽工程检查记录。 13.1.2 电缆敷设不得存在绞拧、铠装压扁、护层断裂和表面严重划伤等缺陷。检查数量:全数检查。检查方法:观察检查。 13.1.3 当电缆敷设存在可能受到机械外力损伤、振动、浸水及腐蚀性或污染物质等损害时,应采取防护措施。检查数量:全数检查。检查方法:观察检查。 13.1.4 除设计要求外,并联使用的电力电缆的型号、规格、长度应相同。检查数量:全数检查。检查方法:核对设计图观察检查。 13.1.5 交流单芯电缆或分相后的每相电缆不得单根独穿于钢导管内,固定用的夹具和支架不应形成闭合磁路。 检查数量:全数检查。检查方法:核对设计图观察检查。 13.1.6 当电缆穿过零序电流互感器时,电缆金属护层和接地线应对地绝缘。对穿过零序电流互感器后制作的电缆头,其电缆接地线应回穿互感器后接地;对尚未穿过零序电流互感器的电缆接地线应在零序电流互感器前直接接地。检查数量:按电缆穿过零序电流互感器的总数抽查5%,且不得少于1处。检查方法:观察检查。 13.1.7 电缆的敷设和排列布置应符合设计要求,矿物绝缘电缆敷设在温度变化大的场所、振动场所或穿越建筑物变形缝时应采取“S”或“Ω”弯。检查数量:全数检查。检查方法:观察检查。
13.2 一般项目
13.2.1 电缆支架安装应符合下列规定:1 除设计要求外,承力建筑钢结构构件上不得熔焊支架,且不得热加工开孔。2 当设计无要求时,电缆支架层间最小距离不应小于表13.2.1-1的规定,层间净距不应小于2倍电缆外径加10mm,35kV电缆不应小于2倍电缆外径加50mm。
表13.2.1-1 电缆支架层间最小距离(mm)

注:h为槽盒高度。3 最上层电缆支架距构筑物顶板或梁底的最小净距应满足电缆引接至上方配电柜、台、箱、盘时电缆弯曲半径的要求,且不宜小于表13.2.1-1所列数再加80mm~150mm;距其他设备的最小净距不应小于300mm,当无法满足要求时应设置防护板。4 当设计无要求时,最下层电缆支架距沟底、地面的最小距离不应小于表13.2.1-2的规定。
表13.2.1-2 最下层电缆支架距沟底、地面的最小净距(mm)

5 当支架与预埋件焊接固定时,焊缝应饱满;当采用膨胀螺栓固定时,螺栓应适配、连接紧固、防松零件齐全,支架安装应牢固、无明显扭曲。6 金属支架应进行防腐,位于室外及潮湿场所的应按设计要求做处理。检查数量:第1款全数检查,第2款~第6款按每个检验批的支架总数抽查10%,且各不得少于1处。检查方法:观察检查,并用尺量检查。 13.2.2 电缆敷设应符合下列规定:1 电缆的敷设排列应顺直、整齐,并宜少交叉;2 电缆转弯处的最小弯曲半径应符合表11.1.2的规定;3 在电缆沟或电气竖井内垂直敷设或大于45°倾斜敷设的电缆应在每个支架上固定;4 在梯架、托盘或槽盒内大于45°倾斜敷设的电缆应每隔2m固定,水平敷设的电缆,首尾两端、转弯两侧及每隔5m~10m处应设固定点;5 当设计无要求时,电缆支持点间距不应大于表13.2.2的规定;
表13.2.2 电缆支持点间距(mm)

6 当设计无要求时,电缆与管道的最小净距应符合本规范附录F的规定;7 无挤塑外护层电缆金属护套与金属支(吊)架直接接触的部位应采取防电化腐蚀的措施;8 电缆出入电缆沟,电气竖井,建筑物,配电(控制)柜、台、箱处以及管子管口处等部位应采取防火或密封措施;9 电缆出入电缆梯架、托盘、槽盒及配电(控制)柜、台、箱、盘处应做固定;10 当电缆通过墙、楼板或室外敷设穿导管保护时,导管的内径不应小于电缆外径的1.5倍。检查数量:按每检验批电缆线路抽查20%,且不得少于1条电缆线路并应能覆盖上述不同的检查内容。检查方法:观察检查并用尺量检查,查阅电缆敷设记录。 13.2.3 直埋电缆的上、下应有细沙或软土,回填土应无石块、砖头等尖锐硬物。检查数量:全数检查。检查方法:施工中观察检查并查阅隐蔽工程检查记录。 13.2.4 电缆的首端、末端和分支处应设标志牌,直埋电缆应设标示桩。检查数量:按每检验批的电缆线路抽查20%,且不得少于1条电缆线路。检查方法:观察检查。
14 导管内穿线和槽盒内敷线 14.1 主控项目
14.1.1 同一交流回路的绝缘导线不应敷设于不同的金属槽盒内或穿于不同金属导管内。 检查数量:按每个检验批的配线总回路数抽查20%,且不得少于1个回路。检查方法:观察检查。 14.1.2 除设计要求以外,不同回路、不同电压等级和交流与直流线路的绝缘导线不应穿于同一导管内。检查数量:按每个检验批的配线总回路数抽查20%,且不得少于1个回路。检查方法:观察检查。 14.1.3 绝缘导线接头应设置在专用接线盒(箱)或器具内,不得设置在导管和槽盒内,盒(箱)的设置位置应便于检修。检查数量:按每个检验批的配线回路总数抽查10%,且不得少于1个回路。检查方法:观察检查并用尺量检查。
14 导管内穿线和槽盒内敷线 14.1 主控项目
14.1.1 同一交流回路的绝缘导线不应敷设于不同的金属槽盒内或穿于不同金属导管内。 检查数量:按每个检验批的配线总回路数抽查20%,且不得少于1个回路。检查方法:观察检查。 14.1.2 除设计要求以外,不同回路、不同电压等级和交流与直流线路的绝缘导线不应穿于同一导管内。检查数量:按每个检验批的配线总回路数抽查20%,且不得少于1个回路。检查方法:观察检查。 14.1.3 绝缘导线接头应设置在专用接线盒(箱)或器具内,不得设置在导管和槽盒内,盒(箱)的设置位置应便于检修。检查数量:按每个检验批的配线回路总数抽查10%,且不得少于1个回路。检查方法:观察检查并用尺量检查。
14.2 一般项目
14.2.1 除塑料护套线外,绝缘导线应采取导管或槽盒保护,不可外露明敷。检查数量:按每个检验批的绝缘导线配线回路数抽查10%,且不得少于1个回路。检查方法:观察检查。 14.2.2 绝缘导线穿管前,应清除管内杂物和积水,绝缘导线穿入导管的管口在穿线前应装设护线口。检查数量:按每个检验批的绝缘导线穿管数抽查10%,且不得少于1根导管。检查方法:施工中观察检查。 14.2.3 与槽盒连接的接线盒(箱)应选用明装盒(箱);配线工程完成后,盒(箱)盖板应齐全、完好。检查数量:全数检查。检查方法:观察检查。 14.2.4 当采用多相供电时,同一建(构)筑物的绝缘导线绝缘层颜色应一致。检查数量:按每个检验批的绝缘导线配线总回路数抽查10%,且不得少于1个回路。检查方法:观察检查。 14.2.5 槽盒内敷线应符合下列规定:1 同一槽盒内不宜同时敷设绝缘导线和电缆。2 同一路径无防干扰要求的线路,可敷设于同一槽盒内;槽盒内的绝缘导线总截面积(包括外护套)不应超过槽盒内截面积的40%,且载流导体不宜超过30根。3 当控制和信号等非电力线路敷设于同一槽盒内时,绝缘导线的总截面积不应超过槽盒内截面积的50%。4 分支接头处绝缘导线的总截面面积(包括外护层)不应大于该点盒(箱)内截面面积的75%。5 绝缘导线在槽盒内应留有一定余量,并应按回路分段绑扎,绑扎点间距不应大于1.5m;当垂直或大于45°倾斜敷设时,应将绝缘导线分段固定在槽盒内的专用部件上,每段至少应有一个固定点;当直线段长度大于3.2m时,其固定点间距不应大于1.6m;槽盒内导线排列应整齐、有序。6 敷线完成后,槽盒盖板应复位,盖板应齐全、平整、牢固。检查数量:按每个检验批的槽盒总长度抽查10%,且不得少于1m。检查方法:观察检查并用尺量检查。
15 塑料护套线直敷布线 15.1 主控项目
15.1.1 塑料护套线严禁直接敷设在建筑物顶棚内、墙体内、抹灰层内、保温层内或装饰面内。 检查数量:全数检查。检查方法:施工中观察检查。 15.1.2 塑料护套线与保护导体或不发热管道等紧贴和交叉处及穿梁、墙、楼板处等易受机械损伤的部位,应采取保护措施。检查数量:全数检查。检查方法:观察检查。 15.1.3 塑料护套线在室内沿建筑物表面水平敷设高度距地面不应小于2.5m,垂直敷设时距地面高度1.8m以下的部分应采取保护措施。检查数量:全数检查。检查方法:观察检查并用尺量检查。
15 塑料护套线直敷布线 15.1 主控项目
15.1.1 塑料护套线严禁直接敷设在建筑物顶棚内、墙体内、抹灰层内、保温层内或装饰面内。 检查数量:全数检查。检查方法:施工中观察检查。 15.1.2 塑料护套线与保护导体或不发热管道等紧贴和交叉处及穿梁、墙、楼板处等易受机械损伤的部位,应采取保护措施。检查数量:全数检查。检查方法:观察检查。 15.1.3 塑料护套线在室内沿建筑物表面水平敷设高度距地面不应小于2.5m,垂直敷设时距地面高度1.8m以下的部分应采取保护措施。检查数量:全数检查。检查方法:观察检查并用尺量检查。
15.2 一般项目
15.2.1 当塑料护套线侧弯或平弯时,其弯曲处护套和导线绝缘层均应完整无损伤,侧弯和平弯弯曲半径应分别不小于护套线宽度和厚度的3倍。检查数量:按侧弯及平弯的总数量抽查20%,且各不得少于1处。检查方法:尺量检查、观察检查。 15.2.2 塑料护套线进入盒(箱)或与设备、器具连接,其护套层应进入盒(箱)或设备、器具内,护套层与盒(箱)入口处应密封。检查数量:全数检查。检查方法:观察检查。 15.2.3 塑料护套线的固定应符合下列规定:1 固定应顺直、不松弛、不扭绞;2 护套线应采用线卡固定,固定点间距应均匀、不松动,固定点间距宜为150mm~200mm;3 在终端、转弯和进入盒(箱)、设备或器具等处,均应装设线卡固定,线卡距终端、转弯中点、盒(箱)、设备或器具边缘的距离宜为50mm~100mm;4 塑料护套线的接头应设在明装盒(箱)或器具内,多尘场所应采用IP5X等级的密闭式盒(箱),潮湿场所应采用IPX5等级的密闭式盒(箱),盒(箱)的配件应齐全,固定应可靠。检查数量:按每检验批的配线回路数量抽查20%,且不得少于1处。检查方法:观察检查。 15.2.4 多根塑料护套线平行敷设的间距应一致,分支和弯头处应整齐,弯头应一致。检查数量:按多根塑料护套线平行敷设的数量抽查20%,且不得少于1处。检查方法:观察检查。
16 钢索配线 16.1 主控项目
16.1.1 钢索配线应采用镀锌钢索,不应采用含油芯的钢索。钢索的钢丝直径应小于0.5mm,钢索不应有扭曲和断股等缺陷。检查数量:全数检查。检查方法:尺量检查、观察检查,查验材料证明文件及材料进场验收记录。 16.1.2 钢索与终端拉环套接应采用心形环,固定钢索的线卡不应少于2个,钢索端头应用镀锌铁线绑扎紧密,且应与保护导体可靠连接。检查数量:全数检查。检查方法:施工中观察检查并查阅隐蔽工程检查记录。 16.1.3 钢索终端拉环埋件应牢固可靠,并应能承受在钢索全部负荷下的拉力,在挂索前应对拉环做过载试验,过载试验的拉力应为设计承载拉力的3.5倍。检查数量:全数检查。检查方法:试验时观察检查并查阅过载试验记录。 16.1.4 当钢索长度小于或等于50m时,应在钢索一端装设索具螺旋扣紧固;当钢索长度大于50m时,应在钢索两端装设索具螺旋扣紧固。检查数量:全数检查。检查方法:观察检查。
16 钢索配线 16.1 主控项目
16.1.1 钢索配线应采用镀锌钢索,不应采用含油芯的钢索。钢索的钢丝直径应小于0.5mm,钢索不应有扭曲和断股等缺陷。检查数量:全数检查。检查方法:尺量检查、观察检查,查验材料证明文件及材料进场验收记录。 16.1.2 钢索与终端拉环套接应采用心形环,固定钢索的线卡不应少于2个,钢索端头应用镀锌铁线绑扎紧密,且应与保护导体可靠连接。检查数量:全数检查。检查方法:施工中观察检查并查阅隐蔽工程检查记录。 16.1.3 钢索终端拉环埋件应牢固可靠,并应能承受在钢索全部负荷下的拉力,在挂索前应对拉环做过载试验,过载试验的拉力应为设计承载拉力的3.5倍。检查数量:全数检查。检查方法:试验时观察检查并查阅过载试验记录。 16.1.4 当钢索长度小于或等于50m时,应在钢索一端装设索具螺旋扣紧固;当钢索长度大于50m时,应在钢索两端装设索具螺旋扣紧固。检查数量:全数检查。检查方法:观察检查。
16.2 一般项目
16.2.1 钢索中间吊架间距不应大于12m,吊架与钢索连接处的吊钩深度不应小于20mm,并应有防止钢索跳出的锁定零件。检查数量:按钢索总数抽查50%,且不得少于1道钢索。检查方法:观察检查并用尺量检查。 16.2.2 绝缘导线和灯具在钢索上安装后,钢索应承受全部负载,且钢索表面应整洁、无锈蚀。检查数量:全数检查。检查方法:观察检查。 16.2.3 钢索配线的支持件之间及支持件与灯头盒之间最大距离应符合表16.2.3的规定。检查数量:按支持件和灯头盒的总数抽查20%,且不得少于1处。检查方法:观察检查。
表16.2.3 钢索配线的支持件之间及支持件与灯头盒之间最大距离(mm)
|
配线类别 |
支持件之间最大间距 |
支持件与灯头盒之间的最大距离 |
|
钢管 |
1500 |
200 |
|
塑料导管 |
1000 |
150 |
|
塑料护套线 |
200 |
100 |
17 电缆头制作、导线连接和线路绝缘测试 17.1 主控项目
17.1.1 电力电缆通电前应按现行国家标准《电气装置安装工程电气设备交接试验标准》GB 50150的规定进行耐压试验,并应合格。检查数量:全数检查。检查方法:试验时观察检查并查阅交接试验记录。 17.1.2 低压或特低电压配电线路线间和线对地间的绝缘电阻测试电压及绝缘电阻值不应小于表17.1.2的规定,矿物绝缘电缆线间和线对地间的绝缘电阻应符合国家现行有关产品标准的规定。
表17.1.2 低压或特低电压配电线路绝缘电阻测试电压及绝缘电阻最小值

检查数量:按每检验批的线路数量抽查20%,且不得少于1条线路,并应覆盖不同型号的电缆或电线。检查方法:用绝缘电阻测试仪测试并查阅绝缘电阻测试记录。 17.1.3 电力电缆的铜屏蔽层和铠装护套及矿物绝缘电缆的金属护套和金属配件应采用铜绞线或镀锡铜编织线与保护导体做连接,其连接导体的截面积不应小于表17.1.3的规定。当铜屏蔽层和铠装护套及矿物绝缘电缆的金属护套和金属配件作保护导体时,其连接导体的截面积应符合设计要求。
表17.1.3 电缆终端保护联结导体的截面(mm2)
|
电缆相导体截面积 |
保护联结导体截面积 |
|
≤16 |
与电缆导体截面相同 |
|
>16,且≤120 |
16 |
|
≥150 |
25 |
检查数量:按每检验批的电缆线路数量抽查20%,且不得少于1条电缆线路并应覆盖不同型号的电缆。检查方法:观察检查。 17.1.4 电缆端子与设备或器具连接应符合本规范第10.1.3条和第10.2.2条的规定。检查数量:按每检验批的电缆线路数量抽查20%,且不得少于1条电缆线路。检查方法:观察检查并用力矩测试仪测试紧固度。
17 电缆头制作、导线连接和线路绝缘测试 17.1 主控项目
17.1.1 电力电缆通电前应按现行国家标准《电气装置安装工程电气设备交接试验标准》GB 50150的规定进行耐压试验,并应合格。检查数量:全数检查。检查方法:试验时观察检查并查阅交接试验记录。 17.1.2 低压或特低电压配电线路线间和线对地间的绝缘电阻测试电压及绝缘电阻值不应小于表17.1.2的规定,矿物绝缘电缆线间和线对地间的绝缘电阻应符合国家现行有关产品标准的规定。
表17.1.2 低压或特低电压配电线路绝缘电阻测试电压及绝缘电阻最小值

检查数量:按每检验批的线路数量抽查20%,且不得少于1条线路,并应覆盖不同型号的电缆或电线。检查方法:用绝缘电阻测试仪测试并查阅绝缘电阻测试记录。 17.1.3 电力电缆的铜屏蔽层和铠装护套及矿物绝缘电缆的金属护套和金属配件应采用铜绞线或镀锡铜编织线与保护导体做连接,其连接导体的截面积不应小于表17.1.3的规定。当铜屏蔽层和铠装护套及矿物绝缘电缆的金属护套和金属配件作保护导体时,其连接导体的截面积应符合设计要求。
表17.1.3 电缆终端保护联结导体的截面(mm2)
|
电缆相导体截面积 |
保护联结导体截面积 |
|
≤16 |
与电缆导体截面相同 |
|
>16,且≤120 |
16 |
|
≥150 |
25 |
检查数量:按每检验批的电缆线路数量抽查20%,且不得少于1条电缆线路并应覆盖不同型号的电缆。检查方法:观察检查。 17.1.4 电缆端子与设备或器具连接应符合本规范第10.1.3条和第10.2.2条的规定。检查数量:按每检验批的电缆线路数量抽查20%,且不得少于1条电缆线路。检查方法:观察检查并用力矩测试仪测试紧固度。
17.2 一般项目
17.2.1 电缆头应可靠固定,不应使电器元器件或设备端子承受额外应力。检查数量:按每检验批的电缆线路数量抽查20%,且不得少于1条电缆线路。检查方法:观察检查。 17.2.2 导线与设备或器具的连接应符合下列规定:1 截面积在10mm2及以下的单股铜芯线和单股铝/铝合金芯线可直接与设备或器具的端子连接。2 截面积在2.5mm2及以下的多芯铜芯线应接续端子或拧紧搪锡后再与设备或器具的端子连接。3 截面积大于2.5mm2的多芯铜芯线,除设备自带插接式端子外,应接续端子后与设备或器具的端子连接;多芯铜芯线与插接式端子连接前,端部应拧紧搪锡。4 多芯铝芯线应接续端子后与设备、器具的端子连接,多芯铝芯线接续端子前应去除氧化层并涂抗氧化剂,连接完成后应清洁干净。5 每个设备或器具的端子接线不多于2根导线或2个导线端子。检查数量:按每检验批的配线回路数量抽查5%,且不得少于1条配线回路,并应覆盖不同型号和规格的导线。检查方法:观察检查。 17.2.3 截面积6mm2及以下铜芯导线间的连接应采用导线连接器或缠绕搪锡连接,并应符合下列规定:1 导线连接器应符合现行国家标准《家用和类似用途低压电路用的连接器件》GB 13140的相关规定,并应符合下列规定:1)导线连接器应与导线截面相匹配;2)单芯导线与多芯软导线连接时,多芯软导线宜搪锡处理;3)与导线连接后不应明露线芯;4)采用机械压紧方式制作导线接头时,应使用确保压接力的专用工具;5)多尘场所的导线连接应选用IP5X及以上的防护等级连接器;潮湿场所的导线连接应选用IPX5及以上的防护等级连接器。2 导线采用缠绕搪锡连接时,连接头缠绕搪锡后应采取可靠绝缘措施。检查数量:按每检验批的线间连接总数抽查5%,且各不得少于1个型号及规格的导线,并应覆盖其连接方式。检查方法:观察检查。 17.2.4 铝/铝合金电缆头及端子压接应符合下列规定:1 铝/铝合金电缆的联锁铠装不应作为保护接地导体(PE)使用,联锁铠装应与保护接地导体(PE)连接;2 线芯压接面应去除氧化层并涂抗氧化剂,压接完成后应清洁表面;3 线芯压接工具及模具应与附件相匹配。检查数量:按每个检验批电缆头数量抽查20%,且不得少于1个。检查方法:观察检查。 17.2.5 当采用螺纹型接线端子与导线连接时,其拧紧力矩值应符合产品技术文件的要求,当无要求时,应符合本规范附录H的规定。检查数量:按每检验批的螺纹型接线端子的数量抽查10%,且不得少于1个端子,并应覆盖不同的导线。检查方法:核对产品技术文件,观察检查并用力矩测试仪测试紧固度。 17.2.6 绝缘导线、电缆的线芯连接金具(连接管和端子),其规格应与线芯的规格适配,且不得采用开口端子,其性能应符合国家现行有关产品标准的规定。检查数量:按每检验批的线芯连接数量抽查10%,且不得少于2个连接点。检查方法:观察检查,并查验材料合格证明文件和材料进场验收记录。 17.2.7 当接线端子规格与电气器具规格不配套时,不应采取降容的转接措施。检查数量:按每个检验批的不同接线端子规格的总数量抽查20%,且各不得少于1个。检查方法:观察检查。
18 普通灯具安装 18.1 主控项目
18.1.1 灯具固定应符合下列规定: 1 灯具固定应牢固可靠,在砌体和混凝土结构上严禁使用木楔、尼龙塞或塑料塞固定; 2 质量大于10kg的灯具,固定装置及悬吊装置应按灯具重量的5倍恒定均布载荷做强度试验,且持续时间不得少于15min。 检查数量:第1款按每检验批的灯具数量抽查5%,且不得少于1套;第2款全数检查。 检查方法:施工或强度试验时观察检查,查阅灯具固定装置及悬吊装置的载荷强度试验记录。 18.1.2 悬吊式灯具安装应符合下列规定: 1 带升降器的软线吊灯在吊线展开后,灯具下沿应高于工作台面0.3m; 2 质量大于0.5kg的软线吊灯,灯具的电源线不应受力; 3 质量大于3kg的悬吊灯具,固定在螺栓或预埋吊钩上,螺栓或预埋吊钩的直径不应小于灯具挂销直径,且不应小于6mm; 4 当采用钢管作灯具吊杆时,其内径不应小于10mm,壁厚不应小于1.5mm; 5 灯具与固定装置及灯具连接件之间采用螺纹连接的,螺纹啮合扣数不应少于5扣。 检查数量:按每检验批的不同灯具型号各抽查5%,且各不得少于1套。 检查方法:观察检查并用尺量检查。 18.1.3 吸顶或墙面上安装的灯具,其固定用的螺栓或螺钉不应少于2个,灯具应紧贴饰面。 检查数量:按每检验批的不同安装形式各抽查5%,且各不得少于1套。 检查方法:观察检查。 18.1.4 由接线盒引至嵌入式灯具或槽灯的绝缘导线应符合下列规定: 1 绝缘导线应采用柔性导管保护,不得裸露,且不应在灯槽内明敷; 2 柔性导管与灯具壳体应采用专用接头连接。 检查数量:按每检验批的灯具数量抽查5%,且不得少于1套。 检查方法:观察检查。 18.1.5 普通灯具的Ⅰ类灯具外露可导电部分必须采用铜芯软导线与保护导体可靠连接,连接处应设置接地标识,铜芯软导线的截面积应与进入灯具的电源线截面积相同。 检查数量:按每检验批的灯具数量抽查5%,且不得少于1套。 检查方法:尺量检查、工具拧紧和测量检查。 18.1.6 除采用安全电压以外,当设计无要求时,敞开式灯具的灯头对地面距离应大于2.5m。 检查数量:按每检验批的灯具数量抽查10%,且各不得少于1套。 检查方法:观察检查并用尺量检查。 18.1.7 埋地灯安装应符合下列规定: 1 埋地灯的防护等级应符合设计要求; 2 埋地灯的接线盒应采用防护等级为IPX7的防水接线盒,盒内绝缘导线接头应做防水绝缘处理。 检查数量:按灯具总数抽查5%,且不得少于1套。 检查方法:观察检查,查阅产品进场验收记录及产品质量合格证明文件。 18.1.8 庭院灯、建筑物附属路灯安装应符合下列规定: 1 灯具与基础固定应可靠,地脚螺栓备帽应齐全;灯具接线盒应采用防护等级不小于IPX5的防水接线盒,盒盖防水密封垫应齐全、完整。 2 灯具的电器保护装置应齐全,规格应与灯具适配。 3 灯杆的检修门应采取防水措施,且闭锁防盗装置完好。 检查数量:按灯具型号各抽查5%,且各不得少于1套。 检查方法:观察检查、工具拧紧及用手感检查,查阅产品进场验收记录及产品质量合格证明文件。 18.1.9 安装在公共场所的大型灯具的玻璃罩,应采取防止玻璃罩向下溅落的措施。 检查数量:全数检查。 检查方法:观察检查。 18.1.10 LED灯具安装应符合下列规定: 1 灯具安装应牢固可靠,饰面不应使用胶类粘贴。 2 灯具安装位置应有较好的散热条件,且不宜安装在潮湿场所。 3 灯具用的金属防水接头密封圈应齐全、完好。 4 灯具的驱动电源、电子控制装置室外安装时,应置于金属箱(盒)内;金属箱(盒)的IP防护等级和散热应符合设计要求,驱动电源的极性标记应清晰、完整; 5 室外灯具配线管路应按明配管敷设,且应具备防雨功能,IP防护等级应符合设计要求。 检查数量:按灯具型号各抽查5%,且各不得少于1套。 检查方法:观察检查,查阅产品进场验收记录及产品质量合格证明文件。
18 普通灯具安装 18.1 主控项目
18.1.1 灯具固定应符合下列规定: 1 灯具固定应牢固可靠,在砌体和混凝土结构上严禁使用木楔、尼龙塞或塑料塞固定; 2 质量大于10kg的灯具,固定装置及悬吊装置应按灯具重量的5倍恒定均布载荷做强度试验,且持续时间不得少于15min。 检查数量:第1款按每检验批的灯具数量抽查5%,且不得少于1套;第2款全数检查。 检查方法:施工或强度试验时观察检查,查阅灯具固定装置及悬吊装置的载荷强度试验记录。 18.1.2 悬吊式灯具安装应符合下列规定: 1 带升降器的软线吊灯在吊线展开后,灯具下沿应高于工作台面0.3m; 2 质量大于0.5kg的软线吊灯,灯具的电源线不应受力; 3 质量大于3kg的悬吊灯具,固定在螺栓或预埋吊钩上,螺栓或预埋吊钩的直径不应小于灯具挂销直径,且不应小于6mm; 4 当采用钢管作灯具吊杆时,其内径不应小于10mm,壁厚不应小于1.5mm; 5 灯具与固定装置及灯具连接件之间采用螺纹连接的,螺纹啮合扣数不应少于5扣。 检查数量:按每检验批的不同灯具型号各抽查5%,且各不得少于1套。 检查方法:观察检查并用尺量检查。 18.1.3 吸顶或墙面上安装的灯具,其固定用的螺栓或螺钉不应少于2个,灯具应紧贴饰面。 检查数量:按每检验批的不同安装形式各抽查5%,且各不得少于1套。 检查方法:观察检查。 18.1.4 由接线盒引至嵌入式灯具或槽灯的绝缘导线应符合下列规定: 1 绝缘导线应采用柔性导管保护,不得裸露,且不应在灯槽内明敷; 2 柔性导管与灯具壳体应采用专用接头连接。 检查数量:按每检验批的灯具数量抽查5%,且不得少于1套。 检查方法:观察检查。 18.1.5 普通灯具的Ⅰ类灯具外露可导电部分必须采用铜芯软导线与保护导体可靠连接,连接处应设置接地标识,铜芯软导线的截面积应与进入灯具的电源线截面积相同。 检查数量:按每检验批的灯具数量抽查5%,且不得少于1套。 检查方法:尺量检查、工具拧紧和测量检查。 18.1.6 除采用安全电压以外,当设计无要求时,敞开式灯具的灯头对地面距离应大于2.5m。 检查数量:按每检验批的灯具数量抽查10%,且各不得少于1套。 检查方法:观察检查并用尺量检查。 18.1.7 埋地灯安装应符合下列规定: 1 埋地灯的防护等级应符合设计要求; 2 埋地灯的接线盒应采用防护等级为IPX7的防水接线盒,盒内绝缘导线接头应做防水绝缘处理。 检查数量:按灯具总数抽查5%,且不得少于1套。 检查方法:观察检查,查阅产品进场验收记录及产品质量合格证明文件。 18.1.8 庭院灯、建筑物附属路灯安装应符合下列规定: 1 灯具与基础固定应可靠,地脚螺栓备帽应齐全;灯具接线盒应采用防护等级不小于IPX5的防水接线盒,盒盖防水密封垫应齐全、完整。 2 灯具的电器保护装置应齐全,规格应与灯具适配。 3 灯杆的检修门应采取防水措施,且闭锁防盗装置完好。 检查数量:按灯具型号各抽查5%,且各不得少于1套。 检查方法:观察检查、工具拧紧及用手感检查,查阅产品进场验收记录及产品质量合格证明文件。 18.1.9 安装在公共场所的大型灯具的玻璃罩,应采取防止玻璃罩向下溅落的措施。 检查数量:全数检查。 检查方法:观察检查。 18.1.10 LED灯具安装应符合下列规定: 1 灯具安装应牢固可靠,饰面不应使用胶类粘贴。 2 灯具安装位置应有较好的散热条件,且不宜安装在潮湿场所。 3 灯具用的金属防水接头密封圈应齐全、完好。 4 灯具的驱动电源、电子控制装置室外安装时,应置于金属箱(盒)内;金属箱(盒)的IP防护等级和散热应符合设计要求,驱动电源的极性标记应清晰、完整; 5 室外灯具配线管路应按明配管敷设,且应具备防雨功能,IP防护等级应符合设计要求。 检查数量:按灯具型号各抽查5%,且各不得少于1套。 检查方法:观察检查,查阅产品进场验收记录及产品质量合格证明文件。
18.2 一般项目
18.2.1 引向单个灯具的绝缘导线截面积应与灯具功率相匹配,绝缘铜芯导线的线芯截面积不应小于1mm2。检查数量:按每检验批的灯具数量抽查5%,且不得少于1套。检查方法:观察检查。 18.2.2 灯具的外形、灯头及其接线应符合下列规定:1 灯具及其配件应齐全,不应有机械损伤、变形、涂层剥落和灯罩破裂等缺陷;2 软线吊灯的软线两端应做保护扣,两端线芯应搪锡;当装升降器时,应采用安全灯头;3 除敞开式灯具外,其他各类容量在100W及以上的灯具,引入线应采用瓷管、矿棉等不燃材料作隔热保护;4 连接灯具的软线应盘扣、搪锡压线,当采用螺口灯头时,相线应接于螺口灯头中间的端子上;5 灯座的绝缘外壳不应破损和漏电;带有开关的灯座,开关手柄应无裸露的金属部分。检查数量:按每检验批的灯具型号各抽查5%,且各不得少于1套。检查方法:观察检查。 18.2.3 灯具表面及其附件的高温部位靠近可燃物时,应采取隔热、散热等防火保护措施。检查数量:按每检验批的灯具总数量抽查20%,且各不得少于1套。检查方法:观察检查。 18.2.4 高低压配电设备、裸母线及电梯曳引机的正上方不应安装灯具。检查数量:全数检查。检查方法:观察检查。 18.2.5 投光灯的底座及支架应牢固,枢轴应沿需要的光轴方向拧紧固定。检查数量:按灯具总数抽查10%,且不得少于1套。检查方法:观察检查和手感检查。 18.2.6 聚光灯和类似灯具出光口面与被照物体的最短距离应符合产品技术文件要求。检查数量:按灯具型号各抽查10%,且各不得少于1套。检查方法:尺量检查,并核对产品技术文件。 18.2.7 导轨灯的灯具功率和载荷应与导轨额定载流量和最大允许载荷相适配。检查数量:按灯具总数抽查10%,且不得少于1台。检查方法:观察检查并核对产品技术文件。 18.2.8 露天安装的灯具应有泄水孔,且泄水孔应设置在灯具腔体的底部。灯具及其附件、紧固件、底座和与其相连的导管、接线盒等应有防腐蚀和防水措施。检查数量:按灯具数量抽查10%,且不得少于1套。检查方法:观察检查。 18.2.9 安装于槽盒底部的荧光灯具应紧贴槽盒底部,并应固定牢固。检查数量:按每检验批的灯具数量抽查10%,且不得少于1套。检查方法:观察检查和手感检查。 18.2.10 庭院灯、建筑物附属路灯安装应符合下列规定:1 灯具的自动通、断电源控制装置应动作准确;2 灯具应固定可靠、灯位正确,紧固件应齐全、拧紧。检查数量:按灯具型号各抽查10%,且各不得少于1套。检查方法:模拟试验、观察检查和手感检查。
19 专用灯具安装 19.1 主控项目
19.1.1 专用灯具的Ⅰ类灯具外露可导电部分必须用铜芯软导线与保护导体可靠连接,连接处应设置接地标识,铜芯软导线的截面积应与进入灯具的电源线截面积相同。 检查数量:按每检验批的灯具数量抽查5%,且不得少于1套。检查方法:尺量检查、工具拧紧和测量检查。 19.1.2 手术台无影灯安装应符合下列规定:1 固定灯座的螺栓数量不应少于灯具法兰底座上的固定孔数,且螺栓直径应与底座孔径相适配;螺栓应采用双螺母锁固。2 无影灯的固定装置除应按本规范第18.1.1条第2款进行均布载荷试验外,尚应符合产品技术文件的要求。检查数量:全数检查。检查方法:施工或强度试验时观察检查,查阅灯具固定装置的载荷强度试验记录。 19.1.3 应急灯具安装应符合下列规定:1 消防应急照明回路的设置除应符合设计要求外,尚应符合防火分区设置的要求,穿越不同防火分区时应采取防火隔堵措施:2 对于应急灯具、运行中温度大于60℃的灯具,当靠近可燃物时,应采取隔热、散热等防火措施;3 EPS供电的应急灯具安装完毕后,应检验EPS供电运行的最少持续供电时间,并应符合设计要求;4 安全出口指示标志灯设置应符合设计要求;5 疏散指示标志灯安装高度及设置部位应符合设计要求;6 疏散指示标志灯的设置不应影响正常通行,且不应在其周围设置容易混同疏散标志灯的其他标志牌等;7 疏散指示标志灯工作应正常,并应符合设计要求;8 消防应急照明线路在非燃烧体内穿钢导管暗敷时,暗敷钢导管保护层厚度不应小于30mm。检查数量:第2款全数检查;第1款、第3款~第7款按每检验批的灯具型号各抽查10%,且均不得少于1套;第8款按检验批数量抽查10%,且不得少于1个检验批。检查方法:第1款、第2款、第4款~第7款观察检查,第3款试验检验并核对设计文件,第8款尺量检查、查阅隐蔽工程检查记录。 19.1.4 霓虹灯安装应符合下列规定:1 霓虹灯管应完好、无破裂;2 灯管应采用专用的绝缘支架固定,且牢固可靠;灯管固定后,与建(构)筑物表面的距离不宜小于20mm;3 霓虹灯专用变压器应为双绕组式,所供灯管长度不应大于允许负载长度,露天安装的应采取防雨措施;4 霓虹灯专用变压器的二次侧和灯管间的连接线应采用额定电压大于15kV的高压绝缘导线,导线连接应牢固,防护措施应完好;高压绝缘导线与附着物表面的距离不应小于20mm。检查数量:全数检查。检查方法:观察检查并用尺量和手感检查。 19.1.5 高压钠灯、金属卤化物灯安装应符合下列规定:1 光源及附件应与镇流器、触发器和限流器配套使用,触发器与灯具本体的距离应符合产品技术文件的要求;2 电源线应经接线柱连接,不应使电源线靠近灯具表面。检查数量:按灯具型号各抽查10%,且均不得少于1套。检查方法:观察检查并用尺量检查,核对产品技术文件。 19.1.6 景观照明灯具安装应符合下列规定: 1 在人行道等人员来往密集场所安装的落地式灯具,当无围栏防护时,灯具距地面高度应大于2.5m; 2 金属构架及金属保护管应分别与保护导体采用焊接或螺栓连接,连接处应设置接地标识。 检查数量:全数检查。检查方法:观察检查并用尺量检查,查阅隐蔽工程检查记录。 19.1.7 航空障碍标志灯安装应符合下列规定:1 灯具安装应牢固可靠,且应有维修和更换光源的措施;2 当灯具在烟囱顶上装设时,应安装在低于烟囱口1.5m~3m的部位且应呈正三角形水平排列;3 对于安装在屋面接闪器保护范围以外的灯具,当需设置接闪器时,其接闪器应与屋面接闪器可靠连接。检查数量:全数检查。检查方法:观察检查,查阅隐蔽工程检查记录。 19.1.8 太阳能灯具安装应符合下列规定:1 太阳能灯具与基础固定应可靠,地脚螺栓有防松措施,灯具接线盒盖的防水密封垫应齐全、完整;2 灯具表面应平整光洁、色泽均匀,不应有明显的裂纹、划痕、缺损、锈蚀及变形等缺陷。检查数量:按灯具数量抽查10%,且不得少于1套。检查方法:观察检查和手感检查。 19.1.9 洁净场所灯具嵌入安装时,灯具与顶棚之间的间隙应用密封胶条和衬垫密封,密封胶条和衬垫应平整,不得扭曲、折叠。检查数量:按灯具数量抽查10%,且不得少于1套。检查方法:观察检查。 19.1.10 游泳池和类似场所灯具(水下灯及防水灯具)安装应符合下列规定:1 当引入灯具的电源采用导管保护时,应采用塑料导管;2 固定在水池构筑物上的所有金属部件应与保护联结导体可靠连接,并应设置标识。检查数量:全数检查。检查方法:观察检查和手感检查,查阅隐蔽工程检查记录和等电位联结导通性测试记录。
19 专用灯具安装 19.1 主控项目
19.1.1 专用灯具的Ⅰ类灯具外露可导电部分必须用铜芯软导线与保护导体可靠连接,连接处应设置接地标识,铜芯软导线的截面积应与进入灯具的电源线截面积相同。 检查数量:按每检验批的灯具数量抽查5%,且不得少于1套。检查方法:尺量检查、工具拧紧和测量检查。 19.1.2 手术台无影灯安装应符合下列规定:1 固定灯座的螺栓数量不应少于灯具法兰底座上的固定孔数,且螺栓直径应与底座孔径相适配;螺栓应采用双螺母锁固。2 无影灯的固定装置除应按本规范第18.1.1条第2款进行均布载荷试验外,尚应符合产品技术文件的要求。检查数量:全数检查。检查方法:施工或强度试验时观察检查,查阅灯具固定装置的载荷强度试验记录。 19.1.3 应急灯具安装应符合下列规定:1 消防应急照明回路的设置除应符合设计要求外,尚应符合防火分区设置的要求,穿越不同防火分区时应采取防火隔堵措施:2 对于应急灯具、运行中温度大于60℃的灯具,当靠近可燃物时,应采取隔热、散热等防火措施;3 EPS供电的应急灯具安装完毕后,应检验EPS供电运行的最少持续供电时间,并应符合设计要求;4 安全出口指示标志灯设置应符合设计要求;5 疏散指示标志灯安装高度及设置部位应符合设计要求;6 疏散指示标志灯的设置不应影响正常通行,且不应在其周围设置容易混同疏散标志灯的其他标志牌等;7 疏散指示标志灯工作应正常,并应符合设计要求;8 消防应急照明线路在非燃烧体内穿钢导管暗敷时,暗敷钢导管保护层厚度不应小于30mm。检查数量:第2款全数检查;第1款、第3款~第7款按每检验批的灯具型号各抽查10%,且均不得少于1套;第8款按检验批数量抽查10%,且不得少于1个检验批。检查方法:第1款、第2款、第4款~第7款观察检查,第3款试验检验并核对设计文件,第8款尺量检查、查阅隐蔽工程检查记录。 19.1.4 霓虹灯安装应符合下列规定:1 霓虹灯管应完好、无破裂;2 灯管应采用专用的绝缘支架固定,且牢固可靠;灯管固定后,与建(构)筑物表面的距离不宜小于20mm;3 霓虹灯专用变压器应为双绕组式,所供灯管长度不应大于允许负载长度,露天安装的应采取防雨措施;4 霓虹灯专用变压器的二次侧和灯管间的连接线应采用额定电压大于15kV的高压绝缘导线,导线连接应牢固,防护措施应完好;高压绝缘导线与附着物表面的距离不应小于20mm。检查数量:全数检查。检查方法:观察检查并用尺量和手感检查。 19.1.5 高压钠灯、金属卤化物灯安装应符合下列规定:1 光源及附件应与镇流器、触发器和限流器配套使用,触发器与灯具本体的距离应符合产品技术文件的要求;2 电源线应经接线柱连接,不应使电源线靠近灯具表面。检查数量:按灯具型号各抽查10%,且均不得少于1套。检查方法:观察检查并用尺量检查,核对产品技术文件。 19.1.6 景观照明灯具安装应符合下列规定: 1 在人行道等人员来往密集场所安装的落地式灯具,当无围栏防护时,灯具距地面高度应大于2.5m; 2 金属构架及金属保护管应分别与保护导体采用焊接或螺栓连接,连接处应设置接地标识。 检查数量:全数检查。检查方法:观察检查并用尺量检查,查阅隐蔽工程检查记录。 19.1.7 航空障碍标志灯安装应符合下列规定:1 灯具安装应牢固可靠,且应有维修和更换光源的措施;2 当灯具在烟囱顶上装设时,应安装在低于烟囱口1.5m~3m的部位且应呈正三角形水平排列;3 对于安装在屋面接闪器保护范围以外的灯具,当需设置接闪器时,其接闪器应与屋面接闪器可靠连接。检查数量:全数检查。检查方法:观察检查,查阅隐蔽工程检查记录。 19.1.8 太阳能灯具安装应符合下列规定:1 太阳能灯具与基础固定应可靠,地脚螺栓有防松措施,灯具接线盒盖的防水密封垫应齐全、完整;2 灯具表面应平整光洁、色泽均匀,不应有明显的裂纹、划痕、缺损、锈蚀及变形等缺陷。检查数量:按灯具数量抽查10%,且不得少于1套。检查方法:观察检查和手感检查。 19.1.9 洁净场所灯具嵌入安装时,灯具与顶棚之间的间隙应用密封胶条和衬垫密封,密封胶条和衬垫应平整,不得扭曲、折叠。检查数量:按灯具数量抽查10%,且不得少于1套。检查方法:观察检查。 19.1.10 游泳池和类似场所灯具(水下灯及防水灯具)安装应符合下列规定:1 当引入灯具的电源采用导管保护时,应采用塑料导管;2 固定在水池构筑物上的所有金属部件应与保护联结导体可靠连接,并应设置标识。检查数量:全数检查。检查方法:观察检查和手感检查,查阅隐蔽工程检查记录和等电位联结导通性测试记录。
19.2 一般项目
19.2.1 手术台无影灯安装应符合下列规定:1 底座应紧贴顶板、四周无缝隙;2 表面应保持整洁、无污染,灯具镀、涂层应完整无划伤。检查数量:全数检查。检查方法:观察检查。 19.2.2 当应急电源或镇流器与灯具分离安装时,应固定可靠,应急电源或镇流器与灯具本体之间的连接绝缘导线应用金属柔性导管保护,导线不得外露。检查数量:按每检验批的灯具数量抽查10%,且不得少于1套。检查方法:观察检查和手感检查。 19.2.3 霓虹灯安装应符合下列规定:1 明装的霓虹灯变压器安装高度低于3.5m时应采取防护措施;室外安装距离晒台、窗口、架空线等不应小于1m,并应有防雨措施。2 霓虹灯变压器应固定可靠,安装位置宜方便检修,且应隐蔽在不易被非检修人触及的场所。3 当橱窗内装有霓虹灯时,橱窗门与霓虹灯变压器一次侧开关应有联锁装置,开门时不得接通霓虹灯变压器的电源。4 霓虹灯变压器二次侧的绝缘导线应采用高绝缘材料的支持物固定,对于支持点的距离,水平线段不应大于0.5m,垂直线段不应大于0.75m。5 霓虹灯管附着基面及其托架应采用金属或不燃材料制作,并应固定可靠,室外安装应耐风压。检查数量:按灯具安装部位各抽查10%,且各不得少于1套。检查方法:观察检查并用尺量和手感检查。 19.2.4 高压钠灯、金属卤化物灯安装应符合下列规定:1 灯具的额定电压、支架形式和安装方式应符合设计要求;2 光源的安装朝向应符合产品技术文件的要求。检查数量:按灯具型号各抽查10%,且各不得少于1套。检查方法:观察检查并查验产品技术文件、核对设计文件。 19.2.5 建筑物景观照明灯具构架应固定可靠、地脚螺栓拧紧、备帽齐全;灯具的螺栓应紧固、无遗漏。灯具外露的绝缘导线或电缆应有金属柔性导管保护。检查数量:按灯具数量抽查10%,且不得少于1套。检查方法:观察检查和手感检查。 19.2.6 航空障碍标志灯安装位置应符合设计要求,灯具的自动通、断电源控制装置应动作准确。检查数量:全数检查。检查方法:模拟试验和观察检查。 19.2.7 太阳能灯具的电池板朝向和仰角调整应符合地区纬度,迎光面上应无遮挡物,电池板上方应无直射光源。电池组件与支架连接应牢固可靠,组件的输出线不应裸露,并应用扎带绑扎固定。检查数量:按灯具总数抽查10%,且不得少于1套。检查方法:观察检查。
20 开关、插座、风扇安装 20.1 主控项目
20.1.1 当交流、直流或不同电压等级的插座安装在同一场所时,应有明显的区别,插座不得互换;配套的插头应按交流、直流或不同电压等级区别使用。检查数量:按每检验批的插座数量抽查20%,且不得少于1个。检查方法:观察检查并用插头进行试插检查。 20.1.2 不间断电源插座及应急电源插座应设置标识。检查数量:按插座总数抽查10%,且不得少于1套。检查方法:观察检查。 20.1.3 插座接线应符合下列规定: 1 对于单相两孔插座,面对插座的右孔或上孔应与相线连接,左孔或下孔应与中性导体(N)连接;对于单相三孔插座,面对插座的右孔应与相线连接,左孔应与中性导体(N)连接。 2 单相三孔、三相四孔及三相五孔插座的保护接地导体(PE)应接在上孔;插座的保护接地导体端子不得与中性导体端子连接;同一场所的三相插座,其接线的相序应一致。 3 保护接地导体(PE)在插座之间不得串联连接。 4 相线与中性导体(N)不应利用插座本体的接线端子转接供电。 检查数量:按每检验批的插座型号各抽查5%,且均不得少于1套。检查方法:观察检查并用专用测试工具检查。 20.1.4 照明开关安装应符合下列规定:1 同一建(构)筑物的开关宜采用同一系列的产品,单控开关的通断位置应一致,且应操作灵活、接触可靠;2 相线应经开关控制;3 紫外线杀菌灯的开关应有明显标识,并应与普通照明开关的位置分开。检查数量:第3款全数检查,第1款和第2款按每检验批的开关数量抽查5%,且按规格型号各不得少于1套。检查方法:观察检查、用电笔测试检查和手动开启开关检查。 20.1.5 温控器接线应正确,显示屏指示应正常,安装标高应符合设计要求。检查数量:按每检验批的数量抽查10%,且不得少于1套。检查方法:观察检查。 20.1.6 吊扇安装应符合下列规定:1 吊扇挂钩安装应牢固,吊扇挂钩的直径不应小于吊扇挂销直径,且不应小于8mm;挂钩销钉应有防振橡胶垫;挂销的防松零件应齐全、可靠。2 吊扇扇叶距地高度不应小于2.5m。3 吊扇组装不应改变扇叶角度,扇叶的固定螺栓防松零件应齐全。4 吊杆间、吊杆与电机间螺纹连接,其啮合长度不应小于20mm,且防松零件应齐全紧固。5 吊扇应接线正确,运转时扇叶应无明显颤动和异常声响。6 吊扇开关安装标高应符合设计要求。检查数量:按吊扇数量抽查5%,且不得少于1套。检查方法:听觉检查、观察检查、尺量检查和卡尺检查。 20.1.7 壁扇安装应符合下列规定:1 壁扇底座应采用膨胀螺栓或焊接固定,固定应牢固可靠;膨胀螺栓的数量不应少于3个,且直径不应小于8mm。2 防护罩应扣紧、固定可靠,当运转时扇叶和防护罩应无明显颤动和异常声响。检查数量:按壁扇数量抽查5%,且不得少于1套。检查方法:听觉检查、观察检查和手感检查。
20 开关、插座、风扇安装 20.1 主控项目
20.1.1 当交流、直流或不同电压等级的插座安装在同一场所时,应有明显的区别,插座不得互换;配套的插头应按交流、直流或不同电压等级区别使用。检查数量:按每检验批的插座数量抽查20%,且不得少于1个。检查方法:观察检查并用插头进行试插检查。 20.1.2 不间断电源插座及应急电源插座应设置标识。检查数量:按插座总数抽查10%,且不得少于1套。检查方法:观察检查。 20.1.3 插座接线应符合下列规定: 1 对于单相两孔插座,面对插座的右孔或上孔应与相线连接,左孔或下孔应与中性导体(N)连接;对于单相三孔插座,面对插座的右孔应与相线连接,左孔应与中性导体(N)连接。 2 单相三孔、三相四孔及三相五孔插座的保护接地导体(PE)应接在上孔;插座的保护接地导体端子不得与中性导体端子连接;同一场所的三相插座,其接线的相序应一致。 3 保护接地导体(PE)在插座之间不得串联连接。 4 相线与中性导体(N)不应利用插座本体的接线端子转接供电。 检查数量:按每检验批的插座型号各抽查5%,且均不得少于1套。检查方法:观察检查并用专用测试工具检查。 20.1.4 照明开关安装应符合下列规定:1 同一建(构)筑物的开关宜采用同一系列的产品,单控开关的通断位置应一致,且应操作灵活、接触可靠;2 相线应经开关控制;3 紫外线杀菌灯的开关应有明显标识,并应与普通照明开关的位置分开。检查数量:第3款全数检查,第1款和第2款按每检验批的开关数量抽查5%,且按规格型号各不得少于1套。检查方法:观察检查、用电笔测试检查和手动开启开关检查。 20.1.5 温控器接线应正确,显示屏指示应正常,安装标高应符合设计要求。检查数量:按每检验批的数量抽查10%,且不得少于1套。检查方法:观察检查。 20.1.6 吊扇安装应符合下列规定:1 吊扇挂钩安装应牢固,吊扇挂钩的直径不应小于吊扇挂销直径,且不应小于8mm;挂钩销钉应有防振橡胶垫;挂销的防松零件应齐全、可靠。2 吊扇扇叶距地高度不应小于2.5m。3 吊扇组装不应改变扇叶角度,扇叶的固定螺栓防松零件应齐全。4 吊杆间、吊杆与电机间螺纹连接,其啮合长度不应小于20mm,且防松零件应齐全紧固。5 吊扇应接线正确,运转时扇叶应无明显颤动和异常声响。6 吊扇开关安装标高应符合设计要求。检查数量:按吊扇数量抽查5%,且不得少于1套。检查方法:听觉检查、观察检查、尺量检查和卡尺检查。 20.1.7 壁扇安装应符合下列规定:1 壁扇底座应采用膨胀螺栓或焊接固定,固定应牢固可靠;膨胀螺栓的数量不应少于3个,且直径不应小于8mm。2 防护罩应扣紧、固定可靠,当运转时扇叶和防护罩应无明显颤动和异常声响。检查数量:按壁扇数量抽查5%,且不得少于1套。检查方法:听觉检查、观察检查和手感检查。
20.2 一般项目
20.2.1 暗装的插座盒或开关盒应与饰面平齐,盒内干净整洁,无锈蚀,绝缘导线不得裸露在装饰层内;面板应紧贴饰面、四周无缝隙、安装牢固,表面光滑、无碎裂、划伤,装饰帽(板)齐全。检查数量:按每检验批的盒子数量抽查10%,且不得少于1个。检查方法:观察检查和手感检查。 20.2.2 插座安装应符合下列规定:1 插座安装高度应符合设计要求,同一室内相同规格并列安装的插座高度宜一致;2 地面插座应紧贴饰面,盖板应固定牢固、密封良好。检查数量:按每个检验批的插座总数抽查10%,且按型号各不得少于1个。检查方法:观察检查并用尺量和手感检查。 20.2.3 照明开关安装应符合下列规定:1 照明开关安装高度应符合设计要求;2 开关安装位置应便于操作,开关边缘距门框边缘的距离宜为0.15m~0.20m;3 相同型号并列安装高度宜一致,并列安装的拉线开关的相邻间距不宜小于20mm。检查数量:按每检验批的开关数量抽查10%,且不得少于1个。检查方法:观察检查并用尺量检查。 20.2.4 温控器安装高度应符合设计要求;同一室内并列安装的温控器高度宜一致,且控制有序不错位。检查数量:按每检验批数量抽查10%,且不得少于1个。检查方法:观察检查并用尺量检查。 20.2.5 吊扇安装应符合下列规定:1 吊扇涂层应完整、表面无划痕、无污染,吊杆上、下扣碗安装应牢固到位;2 同一室内并列安装的吊扇开关高度宜一致,并应控制有序、不错位。检查数量:按吊扇数量抽查10%,且不得少于1套。检查方法:观察检查,用尺量和手感检查。 20.2.6 壁扇安装应符合下列规定:1 壁扇安装高度应符合设计要求;2 涂层应完整、表面无划痕、无污染,防护罩应无变形。检查数量:按壁扇数量抽查10%,且不得少于1套。检查方法:观察检查并用尺量检查。 20.2.7 换气扇安装应紧贴饰面、固定可靠。无专人管理场所的换气扇宜设置定时开关。检查数量:按换气扇数量抽查10%,且不得少于1套。检查方法:观察检查和手感检查。
21 建筑物照明通电试运行
21.1 主控项目
21.1.1 灯具回路控制应符合设计要求,且应与照明控制柜、箱(盘)及回路的标识一致;开关宜与灯具控制顺序相对应,风扇的转向及调速开关应正常。检查数量:按每检验批的末级照明配电箱数量抽查20%,且不得少于1台配电箱及相应回路。检查方法:核对技术文件,观察检查并操作检查。 21.1.2 公共建筑照明系统通电连续试运行时间应为24h,住宅照明系统通电连续试运行时间应为8h。所有照明灯具均应同时开启,且应每2h按回路记录运行参数,连续试运行时间内应无故障。检查数量:按每检验批的末级照明配电箱总数抽查5%,且不得少于1台配电箱及相应回路。检查方法:试验运行时观察检查或查阅建筑照明通电试运行记录。 21.1.3 对设计有照度测试要求的场所,试运行时应检测照度,并应符合设计要求。检查数量:全数检查。检查方法:用照度测试仪测试,并查阅照度测试记录。
22 接地装置安装 22.1 主控项目
22.1.1 接地装置在地面以上的部分,应按设计要求设置测试点,测试点不应被外墙饰面遮蔽,且应有明显标识。检查数量:全数检查。检查方法:观察检查。 22.1.2 接地装置的接地电阻值应符合设计要求。检查数量:全数检查。检查方法:用接地电阻测试仪测试,并查阅接地电阻测试记录。 22.1.3 接地装置的材料规格、型号应符合设计要求。检查数量:全数检查。检查方法:观察检查或查阅材料进场验收记录。 22.1.4 当接地电阻达不到设计要求需采取措施降低接地电阻时,应符合下列规定:1 采用降阻剂时,降阻剂应为同一品牌的产品,调制降阻剂的水应无污染和杂物;降阻剂应均匀灌注于垂直接地体周围。2 采取换土或将人工接地体外延至土壤电阻率较低处时,应掌握有关的地质结构资料和地下土壤电阻率的分布,并应做好记录。3 采用接地模块时,接地模块的顶面埋深不应小于0.6m,接地模块间距不应小于模块长度的3倍~5倍。接地模块埋设基坑宜为模块外形尺寸的1.2倍~1.4倍,且应详细记录开挖深度内的地层情况;接地模块应垂直或水平就位,并应保持与原土层接触良好。检查数量:全数检查。检查方法:施工中观察检查,并查阅隐蔽工程检查记录及相关记录。
22 接地装置安装 22.1 主控项目
22.1.1 接地装置在地面以上的部分,应按设计要求设置测试点,测试点不应被外墙饰面遮蔽,且应有明显标识。检查数量:全数检查。检查方法:观察检查。 22.1.2 接地装置的接地电阻值应符合设计要求。检查数量:全数检查。检查方法:用接地电阻测试仪测试,并查阅接地电阻测试记录。 22.1.3 接地装置的材料规格、型号应符合设计要求。检查数量:全数检查。检查方法:观察检查或查阅材料进场验收记录。 22.1.4 当接地电阻达不到设计要求需采取措施降低接地电阻时,应符合下列规定:1 采用降阻剂时,降阻剂应为同一品牌的产品,调制降阻剂的水应无污染和杂物;降阻剂应均匀灌注于垂直接地体周围。2 采取换土或将人工接地体外延至土壤电阻率较低处时,应掌握有关的地质结构资料和地下土壤电阻率的分布,并应做好记录。3 采用接地模块时,接地模块的顶面埋深不应小于0.6m,接地模块间距不应小于模块长度的3倍~5倍。接地模块埋设基坑宜为模块外形尺寸的1.2倍~1.4倍,且应详细记录开挖深度内的地层情况;接地模块应垂直或水平就位,并应保持与原土层接触良好。检查数量:全数检查。检查方法:施工中观察检查,并查阅隐蔽工程检查记录及相关记录。
22.2 一般项目
22.2.1 当设计无要求时,接地装置顶面埋设深度不应小于0.6m,且应在冻土层以下。圆钢、角钢、钢管、铜棒、铜管等接地极应垂直埋入地下。间距不应小于5m;人工接地体与建筑物的外墙或基础之间的水平距离不宜小于1m。检查数量:全数检查。检查方法:施工中观察检查并用尺量检查,查阅隐蔽工程检查记录。 22.2.2 接地装置的焊接应采用搭接焊,除埋设在混凝土中的焊接接头外,应采取防腐措施,焊接搭接长度应符合下列规定:1 扁钢与扁钢搭接不应小于扁钢宽度的2倍,且应至少三面施焊;2 圆钢与圆钢搭接不应小于圆钢直径的6倍,且应双面施焊;3 圆钢与扁钢搭接不应小于圆钢直径的6倍,且应双面施焊;4 扁钢与钢管,扁钢与角钢焊接,应紧贴角钢外侧两面,或紧贴3/4钢管表面,上下两侧施焊。检查数量:按不同搭接类别各抽查10%,且均不得少于1处。检查方法:施工中观察检查并用尺量检查,查阅相关隐蔽工程检查记录。 22.2.3 当接地极为铜材和钢材组成,且铜与铜或铜与钢材连接采用热剂焊时,接头应无贯穿性的气孔且表面平滑。检查数量:按焊接接头总数量抽查10%,且不得少于1个。检查方法:观察检查并查阅施工记录。 22.2.4 采取降阻措施的接地装置应符合下列规定:1 接地装置应被降阻剂或低电阻率土壤所包覆;2 接地模块应集中引线,并应采用干线将接地模块并联焊接成一个环路,干线的材质应与接地模块焊接点的材质相同,钢制的采用热浸镀锌材料的引出线不应少于2处。检查数量:全数检查。检查方法:观察检查,并查阅隐蔽工程检查记录。
23 变配电室及电气竖井内接地干线敷设 23.1 主控项目
23.1.1 接地干线应与接地装置可靠连接。 检查数量:全数检查。检查方法:观察检查。 23.1.2 接地干线的材料型号、规格应符合设计要求。检查数量:全数检查。检查方法:观察检查,查阅材料进场验收记录和隐蔽工程检查记录。
23 变配电室及电气竖井内接地干线敷设 23.1 主控项目
23.1.1 接地干线应与接地装置可靠连接。 检查数量:全数检查。检查方法:观察检查。 23.1.2 接地干线的材料型号、规格应符合设计要求。检查数量:全数检查。检查方法:观察检查,查阅材料进场验收记录和隐蔽工程检查记录。
23.2 一般项目
23.2.1 接地干线的连接应符合下列规定:1 接地干线搭接焊应符合本规范第22.2.2条的规定;2 采用螺栓搭接的连接应符合本规范第10.2.2条的规定,搭接的钻孔直径和搭接长度应符合本规范附录D的规定,连接螺栓的力矩值应符合本规范附录E的规定;3 铜与铜或铜与钢采用热剂焊(放热焊接)时,应符合本规范第22.2.3的规定。检查数量:按不同连接方式的总数量各抽查5%,且均不得少于2处。检查方法:观察检查并用力矩扳手拧紧测试,查阅相关施工记录。 23.2.2 明敷的室内接地干线支持件应固定可靠,支持件间距应均匀,扁形导体支持件固定间距宜为500mm;圆形导体支持件固定间距宜为1000mm;弯曲部分宜为0.3m~0.5m。检查数量:按不同部位各抽查10%,且均不得少于1处。检查方法:观察检查并用尺量和手感检查。 23.2.3 接地干线在穿越墙壁、楼板和地坪处应加套钢管或其他坚固的保护套管,钢套管应与接地干线做电气连通,接地干线敷设完成后保护套管管口应封堵。检查数量:按不同部位各抽查10%,且均不得少于1处。检查方法:观察检查。 23.2.4 接地干线跨越建筑物变形缝时,应采取补偿措施。检查数量:全数检查。检查方法:观察检查。 23.2.5 对于接地干线的焊接接头,除埋入混凝土内的接头外,其余均应做防腐处理,且无遗漏。检查数量:按焊接接头总数抽查10%,且不得少于2处。检查方法:施工中观察检查,并查阅施工记录。 23.2.6 室内明敷接地干线安装应符合下列规定:1 敷设位置应便于检查,不应妨碍设备的拆卸、检修和运行巡视,安装高度应符合设计要求;2 当沿建筑物墙壁水平敷设时,与建筑物墙壁间的间隙宜为10mm~20mm;3 接地干线全长度或区间段及每个连接部位附近的表面,应涂以15mm~100mm宽度相等的黄色和绿色相间的条纹标识;4 变压器室、高压配电室、发电机房的接地于线上应设置不少于2个供临时接地用的接线柱或接地螺栓。检查数量:按不同场所各抽查1处。检查方法:观察检查,并用尺量检查。
24 防雷引下线及接闪器安装 24.1 主控项目
24.1.1 防雷引下线的布置、安装数量和连接方式应符合设计要求。检查数量:明敷的引下线全数检查,利用建筑结构内钢筋敷设的引下线或抹灰层内的引下线按总数量各抽查5%,且均不得少于2处。检查方法:明敷的观察检查,暗敷的施工中观察检查并查阅隐蔽工程检查记录。 24.1.2 接闪器的布置、规格及数量应符合设计要求。检查数量:全数检查。检查方法:观察检查并用尺量检查,核对设计文件。 24.1.3 接闪器与防雷引下线必须采用焊接或卡接器连接,防雷引下线与接地装置必须采用焊接或螺栓连接。 检查数量:全数检查。检查方法:观察检查,并采用专用工具拧紧检查。 24.1.4 当利用建筑物金属屋面或屋顶上旗杆、栏杆、装饰物、铁塔、女儿墙上的盖板等永久性金属物做接闪器时,其材质及截面应符合设计要求,建筑物金属屋面板间的连接、永久性金属物各部件之间的连接应可靠、持久。检查数量:全数检查。检查方法:观察检查,核查材质产品质量证明文件和材料进场验收记录,并核对设计文件。
24 防雷引下线及接闪器安装 24.1 主控项目
24.1.1 防雷引下线的布置、安装数量和连接方式应符合设计要求。检查数量:明敷的引下线全数检查,利用建筑结构内钢筋敷设的引下线或抹灰层内的引下线按总数量各抽查5%,且均不得少于2处。检查方法:明敷的观察检查,暗敷的施工中观察检查并查阅隐蔽工程检查记录。 24.1.2 接闪器的布置、规格及数量应符合设计要求。检查数量:全数检查。检查方法:观察检查并用尺量检查,核对设计文件。 24.1.3 接闪器与防雷引下线必须采用焊接或卡接器连接,防雷引下线与接地装置必须采用焊接或螺栓连接。 检查数量:全数检查。检查方法:观察检查,并采用专用工具拧紧检查。 24.1.4 当利用建筑物金属屋面或屋顶上旗杆、栏杆、装饰物、铁塔、女儿墙上的盖板等永久性金属物做接闪器时,其材质及截面应符合设计要求,建筑物金属屋面板间的连接、永久性金属物各部件之间的连接应可靠、持久。检查数量:全数检查。检查方法:观察检查,核查材质产品质量证明文件和材料进场验收记录,并核对设计文件。
24.2 一般项目
24.2.1 暗敷在建筑物抹灰层内的引下线应有卡钉分段固定;明敷的引下线应平直、无急弯,并应设置专用支架固定,引下线焊接处应刷油漆防腐且无遗漏。检查数量:抽查引下线总数的10%,且不得少于2处。检查方法:明敷的观察检查,暗敷的施工中观察检查并查阅隐蔽工程检查记录。 24.2.2 设计要求接地的幕墙金属框架和建筑物的金属门窗,应就近与防雷引下线连接可靠,连接处不同金属间应采取防电化学腐蚀措施。检查数量:按接地点总数抽查10%,且不得少于1处。检查方法:施工中观察检查并查阅隐蔽工程检查记录。 24.2.3 接闪杆、接闪线或接闪带安装位置应正确,安装方式应符合设计要求,焊接固定的焊缝应饱满无遗漏,螺栓固定的应防松零件齐全,焊接连接处应防腐完好。检查数量:全数检查。检查方法:观察检查。 24.2.4 防雷引下线、接闪线、接闪网和接闪带的焊接连接搭接长度及要求应符合本规范第22.2.2条的规定。检查数量:全数检查。检查方法:观察检查并用尺量检查,查阅隐蔽工程检查记录。 24.2.5 接闪线和接闪带安装应符合下列规定:1 安装应平正顺直、无急弯,其固定支架应间距均匀、固定牢固;2 当设计无要求时,固定支架高度不宜小于150mm,间距应符合表24.2.5的规定;3 每个固定支架应能承受49N的垂直拉力。检查数量:第1款、第2款全数检查,第3款按支持件总数抽查30%,且不得少于3个。检查方法:观察检查并用尺量、用测力计测量支架的垂直受力值。
表24.2.5 明敷引下线及接闪导体固定支架的间距(mm)

24.2.6 接闪带或接闪网在过建筑物变形缝处的跨接应有补偿措施。检查数量:全数检查。检查方法:观察检查。
25 建筑物等电位联结 25.1 主控项目
25.1.1 建筑物等电位联结的范围、形式、方法、部位及联结导体的材料和截面积应符合设计要求。检查数量:全数检查。检查方法:施工中核对设计文件观察检查并查阅隐蔽工程检查记录。核查产品质量证明文件、材料进场验收记录。 25.1.2 需做等电位联结的外露可导电部分或外界可导电部分的连接应可靠。采用焊接时,应符合本规范第22.2.2条的规定;采用螺栓连接时,应符合本规范第23.2.1条第2款的规定,其螺栓、垫圈、螺母等应为热镀锌制品,且应连接牢固。检查数量:按总数抽查10%,且不得少于1处。检查方法:观察检查。
25 建筑物等电位联结 25.1 主控项目
25.1.1 建筑物等电位联结的范围、形式、方法、部位及联结导体的材料和截面积应符合设计要求。检查数量:全数检查。检查方法:施工中核对设计文件观察检查并查阅隐蔽工程检查记录。核查产品质量证明文件、材料进场验收记录。 25.1.2 需做等电位联结的外露可导电部分或外界可导电部分的连接应可靠。采用焊接时,应符合本规范第22.2.2条的规定;采用螺栓连接时,应符合本规范第23.2.1条第2款的规定,其螺栓、垫圈、螺母等应为热镀锌制品,且应连接牢固。检查数量:按总数抽查10%,且不得少于1处。检查方法:观察检查。
25.2 一般项目
25.2.1 需做等电位联结的卫生间内金属部件或零件的外界可导电部分,应设置专用接线螺栓与等电位联结导体连接,并应设置标识;连接处螺帽应紧固、防松零件应齐全。检查数量:按连接点总数抽查10%,且不得少于1处。检查方法:观察检查和手感检查。 25.2.2 当等电位联结导体在地下暗敷时,其导体间的连接不得采用螺栓压接。检查数量:全数检查。检查方法:施工中观察检查并查阅隐蔽工程检查记录。
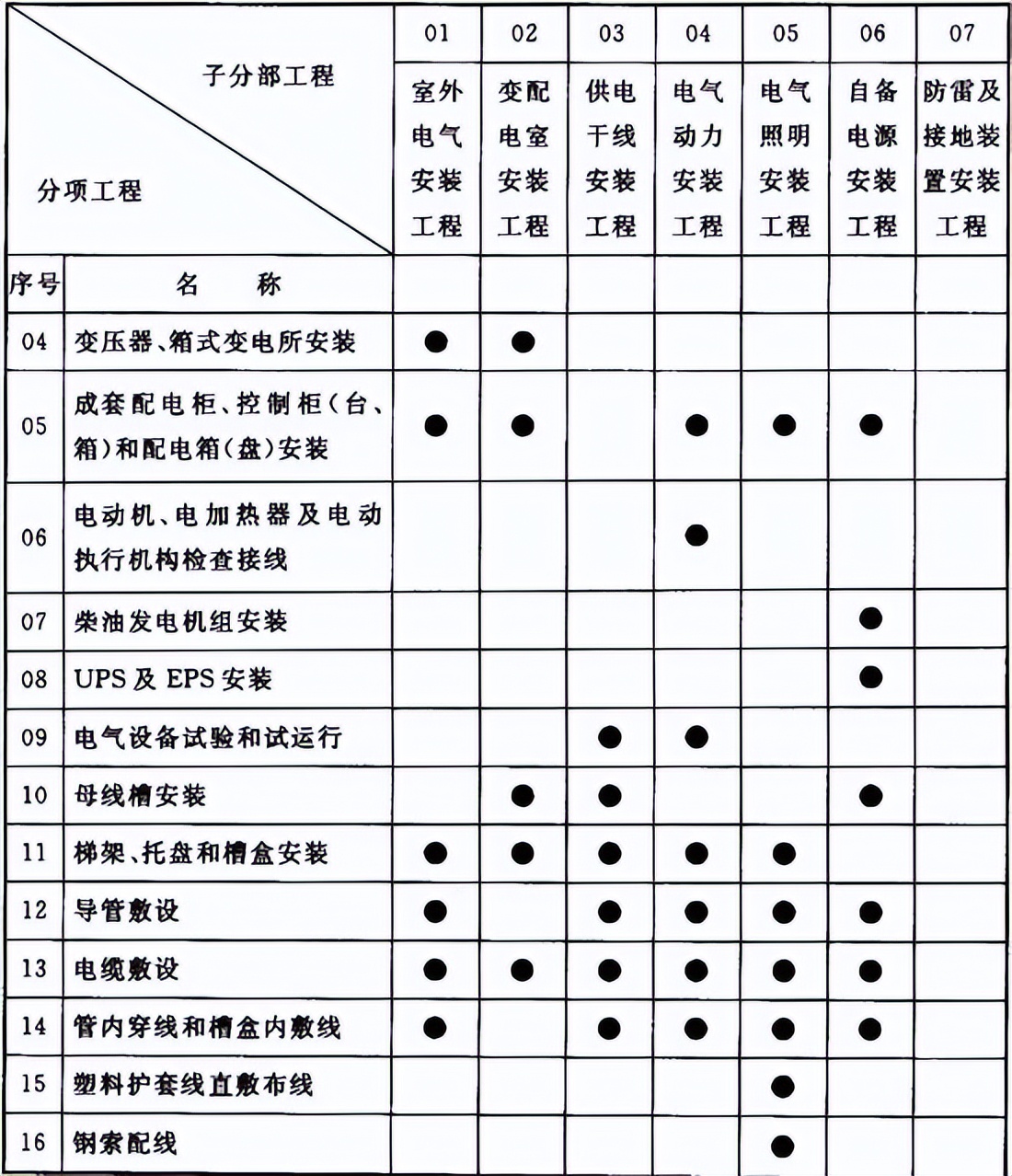
附录A 各子分部工程所含的分项工程和检验批
表A 各子分部工程所含的分项工程和检验批


注:1 本表有●符号者为该子分部工程所含的分项工程;2 每个分项工程至少含1个及以上检验批。
附录B 发电机交接试验
表B 发电机交接试验



附录C 低压电器交接试验
表C 低压电器交接试验

附录D 母线螺栓搭接尺寸
表D 母线螺栓搭接尺寸


附录E 母线搭接螺栓的拧紧力矩
表E 母线搭接螺栓的拧紧力矩

附录F 母线槽及电缆梯架、托盘和槽盒与管道的最小净距
表F 母线槽及电缆梯架、托盘和槽盒与管道的最小净距(mm)

附录G 导管或配线槽盒与热水管、蒸汽管间的最小距离
表G 导管或配线槽盒与热水管、蒸汽管间的最小距离(mm)

注:1 对有保温措施的热水管、蒸汽管,其最小距离不宜小于200mm;2 导管或配线槽盒与不含可燃及易燃易爆气体的其他管道的距离,平行或交叉敷设不应小于100mm;3 导管或配线槽盒与可燃及易燃易爆气体不宜平行敷设,交叉敷设处不应小于100mm;4 达不到规定距离时应采取可靠有效的隔离保护措施。
附录H 螺纹型接线端子的拧紧力矩
表H 螺纹型接线端子的拧紧力矩

注:第Ⅰ列:适用于拧紧时不突出孔外的无头螺钉和不能用刀口宽度大于螺钉顶部直径的螺丝刀拧紧的其他螺钉;第Ⅱ列:适用于可用螺丝刀拧紧的螺钉和螺母;第Ⅲ列:适用于不可用螺丝刀拧紧的螺钉和螺母。
本规范用词说明
1 为便于在执行本规范条文时区别对待,对要求严格程度不同的用词说明如下:1)表示很严格,非这样做不可的:正面词采用“必须”,反面词采用“严禁”;2)表示严格,在正常情况下均应这样做的:正面词采用“应”,反面词采用“不应”或“不得”;3)表示允许稍有选择,在条件许可时首先应这样做的:正面词采用“宜”,反面词采用“不宜”;4)表示有选择,在一定条件下可以这样做的,采用“可”。 2 条文中指明应按其他有关标准执行的写法为:“应符合……的规定”或“应按……执行”。
引用标准名录
《低压配电设计规范》GB 50054《电气装置安装工程 电气设备交接试验标准》GB 50150《建筑工程施工质量验收统一标准》GB 50300《电缆的导体》GB/T 3956《低压成套开关设备和控制设备 第1部分:总则》GB 7251.1《家用和类似用途低压电路用的连接器件》GB 13140《电气安装用导管系统 第1部分:通用要求》GB/T 20041.1
中华人民共和国国家标准 建筑电气工程施工质量验收规范
GB 50303-2015 条文说明 修订说明
《建筑电气工程施工质量验收规范》GB 50303-2015,经住房和城乡建设部2015年12月3日以第994号公告批准发布。本规范是在《建筑电气工程质量验收规范》GB 50303-2002的基础上修订而成,上一版的主编单位是浙江省开元安装集团有限公司,参编单位是北京市建设工程质量监督总站、杭州市建筑工程质量监督站、浙江省建筑设计研究院、上海市建设工程质量监督总站,主要起草人员是钱大治、王振生、傅慈英、刘波平、林翰、徐乃一、李维瑜。本规范在编制过程中。编写组经广泛调查研究,认真总结我国建筑电气工程施工质量控制和质量验收几十年的实践经验,并与现行国家标准《建筑工程施工质量验收统一标准》GB 50300协调一致,在广泛征求了设计、质监、监理、业主、施工等有关单位意见的基础上,形成本规范。为了便于广大设计、施工和生产单位有关人员在使用本规范时正确理解和执行条文规定,《建筑电气工程施工质量验收规范》编制组按章、节、条顺序编制了本规范的条文说明,对条文的目的、依据以及执行中需要注意的有关事项进行了说明,还着重对强制性条文的强制性理由进行了解释。但是本条文说明不具备与规范正文同等的法律效力,仅供使用者作为理解和把握规范规定的参考。
1 总 则
1.0.1 本条明确了规范制订的目的,是为了在对建筑电气安装工程施工质量实施验收时,提供判断质量是否合格的标准,即符合规范为合格,反之为不合格;换言之,要求施工时,对照规范来执行,因而规范起到保证工程质量的作用。 1.0.2 本条说明了适用范围和适用的电压等级,将本规范的适用电压等级由10kV及以下修改为35kV及以下。随着我国国民经济水平的提高,建筑工程的用电量在不断上升,建筑工程中已大量采用35kV电压等级的变配电设备,因此对电压等级进行了调整。 1.0.3 本条规定有两层含义:第一,虽然制订规范时,已注意到相关法律、法规、技术标准和管理标准的有关规定,使之不违反且协调一致,但不可能全部反映出来,尤其是国家颁发的产品制造技术标准、技术条件中,对安装、试验和使用要求部分,更是不可能全部、完整反映。所以制订本规范时,已注意到这个情况,对新产品安装、新技术应用的施工质量验收作了比较灵活的描述。第二,随着我国经济发展和技术进步的加快,新的生产力发展迅猛。自我国加入世贸组织以来,经济、技术管理更趋向于国际化,与规范相关的法律、法规、技术标准和管理标准更迭或修正已趋于常态化,本规范也在所难免,这层含义是说明要有动态观念,密切注意变化,能及时顺利执行本规范,尤其在产品质量的验收上应符合国家现行有关标准的规定。
2 术语和代号 2.1 术 语
2.1.1 根据现行国家标准《电工术语 电气装置》GB/T 2900.71-2008/IEC60050-826:2004第826-15-01条修改。 2.1.2 摘自现行国家标准《电工术语 电气装置》GB/T 2900.71-2008/IEC60050-826:2004第826-16-02条。其他能量包括光能、热能和机械能。 2.1.3 本术语是在现行国家标准《电工术语 电气装置》GB/T 2900.71-2008/IEC60050-826:2004第826-16-01条的基础上作出的修改,电气设备包括发电机、变压器、开关设备和控制设备、测量仪器、保护器件、布线系统和用电设备。考虑到电机属于用电设备,而发电机应属发电设备,故将原定义中的“电机”改为“发电机”更确切。 2.1.4 摘自现行国家标准《电工术语 电气装置》GB/T 2900.71-2008/IEC60050-826:2004第826-10-01条。 2.1.5 本条文是在原规范基础上进行了简化,需要说明的是:由电气装置、布线系统和用电设备电气部分构成的组合应能满足建筑物预期的使用功能和安全要求,也能满足使用建筑物的人的安全需要。 2.1.6 摘自现行国家标准《低压配电设计规范》GB 50054-2011第2.0.14条。 2.1.7 摘自现行国家标准《低压配电设计规范》GB 50054-2011第2.0.15条。 2.1.8 摘自现行国家标准《低压配电设计规范》GB 50054-2011第2.0.16条。 2.1.9 摘自现行国家标准《低压配电设计规范》GB 50054-2011第2.0.17条。 2.1.10 本术语是在国家标准《低压成套开关设备和控制设备第2部分:对母线干线系统(母线槽)的特殊要求》GB 7251.2-2006/IEC60439-2:1987第2.3.4条基础上作出的修改。该成套设备包括:带分接装置或不带分接装置的母线单元、换相单元、膨胀单元、弯曲单元、馈电单元和变容单元及分接单元。 2.1.11 摘自现行国家标准《低压配电设计规范》GB 50054-2011第2.0.28条。 2.1.12 摘自现行国家标准《低压配电设计规范》GB 50054-2011第2.0.27条。电缆托盘可以是带孔的或是网格状的。 2.1.13 本术语引自现行国家标准《低压配电设计规范》GB 50054-2011第2.0.26条电缆槽盒的定义,但对其进行了修改,主要考虑到槽盒一般用于绝缘导线的敷设,而并不仅仅用于电缆的敷设;另一方面,电线电缆的分类中软电线是属于绝缘导线的,故未将软电线单独划分出来。 2.1.14 本规范所定义的电缆支架是指直接固定电缆的支撑支架。 2.1.15 本术语在现行国家标准《电工术语 电气装置》GB/T 2900.71-2008/IEC 60050-826:2004第826-15-03条的基础上略作了修改,又考虑到本规范未涉及电信装置,故将其删除。 2.1.16 本术语根据国家标准《电气安装用导管系统 第1部分:通用要求》GB/T 20041.1-2005/ICE61386-1:1996第3.11条定义,本规范主要采用的是可弯曲金属导管,故在原定义上略作了修改。 2.1.17 根据现行国家标准《1kV及以下配线工程施工与验收规范》GB 50575-2010第2.0.6条进行修改。 2.1.18 根据现行国家标准《电工术语 电气装置》GB/T 2900.71-2008/IEC 60050-826:2004第826-13-22条进行修改。 2.1.19 摘自现行国家标准《电工术语 电气装置》GB/T 2900.71-2008/IEC60050-826:2004第826-13-12条。 2.1.20 根据现行国家标准《电工术语 电气装置》GB/T 2900.71-2008/IEC60050-826:2004第826-13-15条进行修改。 2.1.21 该接地干线是为多个电气设备外露可导电部分集中设置的保护导体,能实现电击防护和等电位联结。 2.1.22 根据现行国家标准《电工术语 电气装置》GB/T 2900.71-2008/IEC60050-826:2004第826-13-23条进行修改。 2.1.23 根据现行国家标准《电工术语 电气装置》GB/T 2900.71-2008/IEC60050-826:2004第826-13-24条进行修改。 2.1.24 摘自现行国家标准《电工术语 电气装置》GB/T 2900.71-2008/IEC60050-826:2004第826-14-07条。 2.1.25 摘自现行国家标准《电工术语 电气装置》GB/T 2900.71-2008/IEC60050-826:2004第826-12-10条。 2.1.26 摘自现行国家标准《电工术语 电气装置》GB/T 2900.71-2008/IEC60050-826:2004第826-12-11条。 2.1.28 摘自现行国家标准《剩余电流动作保护电器的一般要求》GB/Z 6829-2008第3.3.1条。 2.1.29 摘自现行国家标准《剩余电流动作保护装置安装和运行》GB 13955-2005第3.5条。 2.1.30 根据美国《国家电气规范》NEC(2011版)第330.2条进行修改。 2.1.31 摘自现行国家标准《建筑物防雷设计规范》GB 50057-2010第2.0.8条。 2.1.32 根据现行国家标准《家用和类似用途低压电路用的连接器件 第1部分:通用要求》GB 13140.1-2008第3.4条连接器件的定义进行修改。
3 基本规定 3.1 一般规定
3.1.1 现行国家标准《建筑工程施工质量验收统一标准》GB 50300-2013第3.0.1条对施工现场应有的质量管理体系、制度和遵循的施工技术标准及其检查内容(见现行国家标准《建筑工程施工质量验收统一标准》GB 50300-2013附录A)作出了明确的规定;第3.0.2条对未实行监理时,规定监理职责由建设单位相关人员履行。但考虑到各规范的专业性质不同,故结合本专业特点,在符合现行国家标准《建筑工程施工质量验收统一标准》GB 50300-2013第3.0.1条及第3.0.2条规定的前提下,本条作了必要的补充和说明。 3.1.2 本条是对建筑电气工程高压、低压和特低压的定义说明,其额定电压的区段划分引自现行国家标准《建筑物电气装置的电压区段》GB/T 18379-2001/IEC 60449:1973,是与国际标准相同的。 3.1.3 这些仪表的指示或信号准确与否,关系到正确判断电气设备和其他建筑设备的运行状态,以及预期的功能和安全要求。 3.1.4 建筑电气动力工程的空载试运行,是指通电,不带负载;照明工程一般不做空载试运行,通电试灯即为负荷试运行。动力工程的空载试运行则有两层含义,一是电动机或其他电动执行机构等与建筑设备脱离,无机械上的连接单独通电运转,这对电气线路、开关、保护系统等是有载的,不过负荷很小,而电动机或其他电动执行机构等是空载的;二是电动机或其他电动执行机构等与建筑设备相连接,通电运转,但建筑设备既不输入,也不输出,如泵不打水,空压机不输气等。这时建筑设备处于空载状态,如建筑设备有输入输出,则就成为负荷试运行,本规范指的负荷试运行就是建筑设备有输入输出情况下的试运行。 3.1.5 本条与本规范修订前一致,是原规范的强制性条文。交接试验包括高压的电气设备、高压的布线系统以及继电保护系统。继电保护系统包括二次接线部分。高压的电气设备、布线系统以及继电保护系统,在建筑电气工程中是电力供应的高压终端,在投入运行前必须做交接试验。值得注意的是,由于技术进步设备制造技术标准更新、进口设备的引进,交接试验标准也会随着修订完善,应密切注意试验标准的更新,并应符合现行国家标准《电气装置安装工程 电气设备交接试验标准》GB 50150的规定。 3.1.6 为保证电气设备的预期使用和运行安全考虑,低压和特低压的电气设备和布线系统运行前应进行检测或交接试验,其检测或交接试验要求在各分项工程中已作了补充规定。 3.1.7 本条是在原规范强制性条文的基础上进行了文字修改,其要求与原规范是一致的。电气设备的外露可导电部分应与保护导体单独连接,也就是要求与保护导体直接连接,本规范所涉及的电气设备的外露可导电部分与保护导体的连接均应符合本条规定。要求电气设备的外露可导电部分单独与保护导体相连接是确保电气设备安全运行的条件,需要强调的是,单独连接也就是要求不得串联连接,而是要求与保护导体干线连接。施工时应首先确认与电气设备连接的保护导体应为保护导体干线,在建筑物设备层等电气设备集中的场所,有可能选用断面为矩形的钢或铜母线做接地干线,可在其上钻孔后,将每个电气设备的接地线与钢或铜母线接地干线直接连接,电气设备移位或维修拆卸都不会使钢或铜母线接地干线中断电气连通。同样情况,建筑工程中的每一插座(灯具)回路的保护接地导体(PE)在插座(灯具)接线盒内也不应剪断与插座(灯具)连接,当然末端插座(灯具)的保护接地导体(PE)连接时是要剪断的。连接导体的材质、截面积设计是根据电气设备的技术参数、所处的不同环境和条件进行计算和选择的,施工时应严格按设计要求执行。 3.1.8 本条是根据现行国家标准《低压配电设计规范》GB 50054-2011第5.2.1条作出的规定,与保护导体可靠连接的均是指Ⅰ类电气设备或布线系统。但需要强调的是,采用特低电压供电系统的电击防护应满足设计要求,特低电压PELV系统的接地配置和外露可导电部分需要用保护导体连接到总接地端子上。
3 基本规定 3.1 一般规定
3.1.1 现行国家标准《建筑工程施工质量验收统一标准》GB 50300-2013第3.0.1条对施工现场应有的质量管理体系、制度和遵循的施工技术标准及其检查内容(见现行国家标准《建筑工程施工质量验收统一标准》GB 50300-2013附录A)作出了明确的规定;第3.0.2条对未实行监理时,规定监理职责由建设单位相关人员履行。但考虑到各规范的专业性质不同,故结合本专业特点,在符合现行国家标准《建筑工程施工质量验收统一标准》GB 50300-2013第3.0.1条及第3.0.2条规定的前提下,本条作了必要的补充和说明。 3.1.2 本条是对建筑电气工程高压、低压和特低压的定义说明,其额定电压的区段划分引自现行国家标准《建筑物电气装置的电压区段》GB/T 18379-2001/IEC 60449:1973,是与国际标准相同的。 3.1.3 这些仪表的指示或信号准确与否,关系到正确判断电气设备和其他建筑设备的运行状态,以及预期的功能和安全要求。 3.1.4 建筑电气动力工程的空载试运行,是指通电,不带负载;照明工程一般不做空载试运行,通电试灯即为负荷试运行。动力工程的空载试运行则有两层含义,一是电动机或其他电动执行机构等与建筑设备脱离,无机械上的连接单独通电运转,这对电气线路、开关、保护系统等是有载的,不过负荷很小,而电动机或其他电动执行机构等是空载的;二是电动机或其他电动执行机构等与建筑设备相连接,通电运转,但建筑设备既不输入,也不输出,如泵不打水,空压机不输气等。这时建筑设备处于空载状态,如建筑设备有输入输出,则就成为负荷试运行,本规范指的负荷试运行就是建筑设备有输入输出情况下的试运行。 3.1.5 本条与本规范修订前一致,是原规范的强制性条文。交接试验包括高压的电气设备、高压的布线系统以及继电保护系统。继电保护系统包括二次接线部分。高压的电气设备、布线系统以及继电保护系统,在建筑电气工程中是电力供应的高压终端,在投入运行前必须做交接试验。值得注意的是,由于技术进步设备制造技术标准更新、进口设备的引进,交接试验标准也会随着修订完善,应密切注意试验标准的更新,并应符合现行国家标准《电气装置安装工程 电气设备交接试验标准》GB 50150的规定。 3.1.6 为保证电气设备的预期使用和运行安全考虑,低压和特低压的电气设备和布线系统运行前应进行检测或交接试验,其检测或交接试验要求在各分项工程中已作了补充规定。 3.1.7 本条是在原规范强制性条文的基础上进行了文字修改,其要求与原规范是一致的。电气设备的外露可导电部分应与保护导体单独连接,也就是要求与保护导体直接连接,本规范所涉及的电气设备的外露可导电部分与保护导体的连接均应符合本条规定。要求电气设备的外露可导电部分单独与保护导体相连接是确保电气设备安全运行的条件,需要强调的是,单独连接也就是要求不得串联连接,而是要求与保护导体干线连接。施工时应首先确认与电气设备连接的保护导体应为保护导体干线,在建筑物设备层等电气设备集中的场所,有可能选用断面为矩形的钢或铜母线做接地干线,可在其上钻孔后,将每个电气设备的接地线与钢或铜母线接地干线直接连接,电气设备移位或维修拆卸都不会使钢或铜母线接地干线中断电气连通。同样情况,建筑工程中的每一插座(灯具)回路的保护接地导体(PE)在插座(灯具)接线盒内也不应剪断与插座(灯具)连接,当然末端插座(灯具)的保护接地导体(PE)连接时是要剪断的。连接导体的材质、截面积设计是根据电气设备的技术参数、所处的不同环境和条件进行计算和选择的,施工时应严格按设计要求执行。 3.1.8 本条是根据现行国家标准《低压配电设计规范》GB 50054-2011第5.2.1条作出的规定,与保护导体可靠连接的均是指Ⅰ类电气设备或布线系统。但需要强调的是,采用特低电压供电系统的电击防护应满足设计要求,特低电压PELV系统的接地配置和外露可导电部分需要用保护导体连接到总接地端子上。
3.2 主要设备、材料、成品和半成品进场验收
本节各条款内容主要是基于如下情况编写的,一是制造商是按制造标准制造的,供货商(销售商)是依法经营的;二是进场验收的检查要点除由于产品流通过程中,因保管、运输不当而造成缺损需要及时采取补救措施外,强调按产品制造标准对产品实施验证,验证的内容应包括:产品质量合格证明文件的核查、电气产品型式试验内容与设计的符合性检查,以及现场具备实物抽样检测条件下的检查;三是发生异议的条件,是因产品质量低劣而被曝光的有关制造商的产品;经了解在工程使用中因质量不好而发生质量安全事故的同一铭牌的产品;迸场验收时发现与同类产品比较或与制造标准比较有明显差异或外观检查有明显质量缺陷的产品。 3.2.1 主要设备、材料、成品和半成品进场验收工作是施工管理的停止点,其工作过程、检验结论要有书面证据,所以要有记录,验收工作应有施工单位、监理单位或供货商参加,施工单位报验,监理单位确认。对设计提供有技术参数的设备、材料、成品或半成品,往往涉及工程使用安全或影响使用功能,因此在进场验收时应核对其参数,并应符合设计要求。 3.2.2 我国对建筑电气工程使用的设备、器具、材料制造商,除实施工业产品生产许可证制度外,有些是实施强制性产品认证制度的。根据《关于明确强制性产品认证制度和工业产品生产许可证制度管理范围有关问题的通知》国质检认联[2003]46号精神,对实施强制性产品认证的产品和实施工业产品生产许可证制度的产品原则上不再交叉,在对施工现场建筑电气工程使用的设备、器具、材料进行进场验收时,应分别抽查相应认证证书的认证范围、有效性和真实性,但不论经过哪一种产品认证,产品上均会有认证标志。经产品生产许可的有许可证编号.经CCC认证的产品有CCC认证标志、编号或条形码。CCC认证的产品是动态的,且随着产品更新换代,制造标准修订变化也大,因而一方面要广收资料、掌握信息、密切注意变化,另一方面也有必要对制造厂提供的CCC认证标志实施验证,可通过国家认监委网站或中国质量认证中心网站对其提供的CCC认证证书编号、条形码及认证范围进行验证。 3.2.3 新型电气设备、器具、材料随着技术进步和创新,必然会不断涌现而被积极推广应用。正因为新型,认知的人少,也必然有新的安装技术要求和使用维修保养的特定规定。为使新型设备、器具、材料顺利进入市场,故作出本条规定。 3.2.4 我国加入世贸组织以来,进口的电气设备、器具、材料日趋增多,按国际惯例应进行商检,对于是否需要提供中文的技术文件是由供货单位或合同约定方在合同中作出约定。 3.2.5 为确保工程使用的主要设备、材料、成品和半成品质量符合设计要求,减少不必要的返工或避免质量事故的发生,本章节后续条款中对主要设备、材料、成品和半成品的进场产品提出了抽样检测的要求,但由于受施工现场环境条件的限制,提出了现场进行抽样检测或有异议送有资质的试验室进行检测两种方法,为方便抽样检测,本条规定了抽样检测比例,旨在解决实际操作问题,对本章节条款中未提出检测要求的产品,没必要进行抽样检测。对有异议时应送有资质的试验室进行的检测,检测的结果描述在检测报告中,经各方共同确认是否符合要求,符合要求才能使用,不符合要求应退货或作其他处理。有资质的试验室是指依照法律、法规规定,经相应政府行政主管部门或其授权机构认可的试验室。 3.2.6 合格证表示制造商已按制造标准做有关试验检测并符合标准,可以出厂进入市场,同时也表明制造商对产品质量的承诺和负有相关质量法律责任。出厂试验记录至关重要,交接试验的结果要与出厂试验记录相对比,用以判断在运输、保管、安装中是否失当,是否有变压器内部结构遭到损坏或变异的现象。通过对设备、器具和材料表面检查是否有缺损,从而判断到达施工现场前有否因运输、保管不当而遭到损坏,尤其是电瓷、充油、充气的部位要认真检查。 3.2.7 高压和低压成套配电柜、蓄电池柜、UPS柜、EPS柜等成套柜有出厂试验报告,目的是为了在交接试验时作对比用。设计技术参数是设计人员根据工程实际用电负荷和安全用电需要确定的,蓄电池柜、UPS柜及EPS柜的产品型号不同,其容量大小是不一样的,技术参数也就不同;对不同或相同型号的成套配电柜、箱和控制柜(台、箱),内部配置的电器设备技术参数也是不尽相同的。因此要仔细核对,以确保电气用电安全。成套配电柜、箱和控制柜(台、箱)在运输过程中,因受震使螺栓松动或导线连接脱落脱焊是经常发生的,所以进场验收时要注意检查。以利于采取措施,使其正确复位。 3.2.8 柴油发电机组供货时,零部件多,要依据装箱单逐一清点。通常发电机是由柴油机厂向电机厂订货后,统一组装成发电机组,有电机制造厂的出厂试验记录可在交接试验时作对比用。柴油发电机组出厂前必须进行试运行,试运行合格后才能出厂,所以供货时制造厂必须提供试运行记录,供柴油发电机组安装完成进行试运行作比对。 3.2.10 本条是根据灯具制造标准提出的要求。气体放电灯具通常接线比普通灯具复杂,且附件多,有防高温要求,尤其新型气体放电灯具,功率大,因而需要提供技术文件,以利正确安装。固定灯具带电部件及提供防触电保护部位的耐燃烧和防引燃要求是与灯具制造标准相一致的,除灯具提供了有效措施能挡住落下燃烧物时或绝缘材料是陶瓷外,灯具供货商供货时应同时提供相关检测结果文件;对成套灯具的使用安全性以现场抽样检测导电部分的绝缘电阻为主。对导线绝缘层厚度现场一般很难测量准确,带电部件及提供防触电保护部位的耐燃烧和防明火要求现场也较难进行检测,因此当对绝缘层厚度、耐燃烧和防明火有异议时,可送有资质的试验室检测。Ⅰ类灯具的防触电保护不仅依靠基本绝缘,而且还包括基本的附加措施,即把外露可导电部分连接到固定的保护接地导体(PE)上,因此这类灯具的外露可导电部分具有专用的PE端子。根据现行国家标准《消防应急照明和疏散指示系统》GB 17945-2010,消防应急灯具不属于消防产品强制认证的目录,而属于型式认可的范围。按《消防类产品型式认可实施规则》规定,消防应急照明和疏散指示系统产品应经型式试验合格才能用于工程中。对游泳池和类似场所灯具(水下灯和防水灯具)的质量有异议时,现场不具备抽样检测条件,要送至有资质的试验室抽样检测。测量绝缘电阻时,兆欧表的电压等级按现行国家标准《电气装置安装工程 电气设备交接试验标准》GB 50150或规范规定执行,本说明对以后有关条款同样有效。本条灯具的绝缘电阻值特指Ⅰ类灯具、金属外壳的Ⅱ类灯具及电压25V以上金属外壳的Ⅲ类灯具。在测试时,将相线端子(或中性线端子)作为一个电极与接地端子之间或Ⅱ类和Ⅲ类灯具的导线与金属外壳之间进行测试。相线端子与中性线端子之间的绝缘电阻也应进行测试。 3.2.11 合格证查验和外观检查如前所述,不再作其他说明(以下各条同)。其余检测规定均取自于现行国家标准《家用和类似用途固定式电气装置的开关 第1部分:通用要求》GB 16915.1及《家用和类似用途插头插座 第1部分:通用要求》GB 2099.1,除第4款外,现场一般可进行检测;对绝缘材料的耐非正常热、耐燃和耐漏电起痕性能检测,现场一般不具备条件,材料进场验收时可查验厂家提供的相关检测报告,当有异议时,应送有资质的试验室进行检测。开关的绝缘电阻值在开关断开位置时进行测试,插座的绝缘电阻值在极间进行测试。 3.2.12 国家质量监督检验检疫总局对绝缘导线、电缆的生产许可作出了明确规定,对《电线电缆产品生产许可证实施细则》中明确实施生产许可证的产品,进场验收合格证时尚应核对其合格证上的生产许可证编号;对《电线电缆产品生产许可证实施细则》未明确的产品,应查验产品质量检验合格证。电缆两端要求可靠密封,是为防止储运、存放时电缆进水或受潮,进场检查封端可有效减少电缆受潮事故。建筑工程中电缆的应用与绝缘导线的应用非常普遍。现场采用常规的绝缘厚度测量方法很难测量准确且难以判断,可能造成误判,因此将现场的绝缘厚度测量转变为性能测量更能体现客观性和可操作性。鉴于施工现场的环境条件有可能达不到标准的规定,因此规定送有资质的试验室进行检测。绝缘导线、电缆的几何尺寸不足以说明其导电性能一定能满足要求。绝缘导线、电缆的绝缘性能、导电性能、机械性能和阻燃性能,除与几何尺寸有关外,更重要的是与构成的化学成分有关,在进场验收时是无法判定的,同时绝缘导线或电缆的绝缘层厚度现场也无法进行检测,因此当有异议时应送有资质的试验室进行检测。 3.2.13 电气安装用导管也是建筑电气安装工程中使用的大宗材料,按照现行国家标准《电缆管理用导管系统 第1部分:通用要求》GB/T 20041.1、《电缆管理用导管系统 第21部分:刚性导管系统的特殊要求》GB 20041.21、《电缆管理用导管系统 第22部分:可弯曲导管系统的特殊要求》GB 20041.22、《电缆管理用导管系统 第23部分:柔性导管系统的特殊要求》GB 20041.23等进行进场验收,这些标准与IEC国际标准基本一致。 3.2.14 严重锈蚀是指型钢因防护不妥,表面产生鳞片状的氧化物;过度扭曲或弯折变形是指在施工现场用普通手工工具无法以人力矫正的变形。电焊条是弧焊条,如保管存放不妥,会引起受潮、所附焊药变质,通常判断的方法是检查焊条尾部裸露的钢材是否生锈,这种锈斑形成连续的条或块,表示焊条已经无法在工程上使用。 3.2.15 镀锌制品通常有两种供应方法,一种是进入现场是已镀好锌的成品或半成品,只要查验钢材质量证明书;另一种是进货为未镀锌的钢材,经加工后,出场委托进行热浸镀锌后再进场,这样就既要查验钢材的质量证明书,又要查验镀锌厂出具的镀锌质量证明书。电气工程使用的镀锌制品,在许多相关标准中均规定为热浸镀锌工艺所制成,热浸镀锌的工艺镀层厚,使制品的使用年限延长,虽然外观质量比电镀锌工艺差一点,但电气工程中使用的镀锌钢制支架、接地装置和接闪器等以使用寿命为主要考虑因素,况且室外和埋入地下较多,材料进场时应按设计要求进行检查。同时为提高埋入土壤中的接地装置防腐蚀性能,本条对接地装置采用热浸镀锌钢材时要求进行镀锌层厚度测试的规定,其数值与现行行业标准《民用建筑电气设计规范》JGJ 16的相关规定基本保持一致。 3.2.16 由于不同材质的梯架、托盘和槽盒应用的环境不同,防腐蚀的性能也不同,所以对外观质量的要求也各有不同。 3.2.17 目前建筑电气供电系统采用母线槽已非常普遍,但市场上母线槽采用的导体材质有铜、铜包铝、铝导体和铝合金导体,其导电率各不相同,且相同材料不同材质的导体其电阻率有差异,将直接影响母线槽的载流能力,发生安全事故,因此要进行进货时的相关技术参数复核,包括查验母线搭接面和插接式母线槽静触头表面的镀层质量及平整度。必要时对相关技术参数进行检测,以确保母线槽的运行安全。母线槽订货时,除指定导电部分的材质、规格尺寸及相关技术参数外,还要根据电气设备布置位置和建筑物层高、母线槽敷设位置等条件,提出母线槽外形尺寸的规格和要求,这些是制造商必须满足的,且应在其提供的安装技术文件上做出说明,包括编号或安装顺序号,安装注意事项等。 3.2.18 铝及铝合金材料暴露在空气中,很快会生成薄而致密的氧化层,端子及连接管在工厂生产时预制灌注抗氧化剂会防止氧化膜生成,同时连接管压接后产生的“隧道效应”可有效降低接触电阻,提高导电性能,减少连接处过热和故障。本条与现行国家标准《电力电缆导体用压接型铜、铝接线端子和连接管》GB/T 14315相关条文一致。 3.2.19 庭院内的金属灯柱包括钢制灯柱路灯或其他金属制成的园艺灯具,每套灯具通常备有熔断器等保护装置,有的甚至还有独立的控制开关,这样配置的目的很明显,是为了不因一套灯具发生故障而使同一回路内的所有灯具中断工作,且又方便检修,钢制灯柱或其他金属制成的园艺灯,其金属部分不宜埋入土中固定,以减缓腐蚀损坏。钢灯柱与基础的连接,常用法兰与基础地脚螺栓相连,连接部分的混凝土基础要略高于周边地面,因而要规定螺孔的偏位尺寸。 3.2.20 我国现在大量选用的是物理降阻剂,但目前的降阻剂配方各异,质量高低不等,价格悬殊,其导电率、防腐蚀性和稳定性不尽相同。导致使用效果不同,为防止滥用降阻材料而最终达不到降阻效果,特作出本条规定。
3.3 工序交接确认
3.3.1 基础验收是土建工作和安装工作的中间工序交接,只有验收合格,才能开展安装工作,验收时应依据设计图纸核对形位尺寸,并对是否可以安装(指混凝土强度、基坑回填、集油坑卵石铺设等条件)作出判断。 3.3.2 本条是土建和安装的工序交接内容,如相关建筑物不符合交接条件,安装后建筑物的修补或处理操作难度很大,也对安装好的柜、台、箱、盘会有不利的影响。装在墙上的配电箱(盘),无论是暗装还是明装,其施工工序安排是否合理,将直接影响墙面装修质量和建筑物的观感质量,因而要认真重视预埋、预留工作和与土建工作的工序合理衔接。成套柜、台、箱内的元件规格、型号,在设备进场验收时,已依据其随带的技术文件进行核对,在施工中经常发生因用电设备容量变化而进行设计修改,有时要调换元器件。这样在电气交接试验前,依据设计图纸及变更文件,再进行一次认真仔细的核对工作很有必要,有利于试验的正确性和通电运行的安全性,特别是SPD的接线需确保其接地线与PE排连接可靠后才能连接相关电源线,这是一个重要的施工工序,不准逆反,若先连接电源线,而接地线尚未连接,则一旦发生瞬时过电压将引发电网电压的瞬间提高,使供电系统和设备受到冲击而损坏。 3.3.3 这是操作工序,要十分注意电气设备的动作方向符合建筑设备的工艺要求。如电动机正转打开阀门,反转关闭阀门;温度控制器接通,电加热器通电加温,反之断电停止加温,若与工艺要求不一致,轻则不能达到预期功能要求,重则损坏电气设备或其他建筑设备;也可能给智能化系统的联动调校工作带来麻烦。 3.3.4 柴油发电机组的柴油机需空载试运行,经检查无油、水泄漏,且机械运转平稳、转速自动或手动控制符合要求,这时发电机已做过静态试验,才具备条件做下一步的发电机空载和负载试验。为了防止空载试运行时发生意外,燃油外漏,引发火灾事故,所以要按设计要求或消防规定配齐灭火器材,同时还应做好消防灭火预案。柴油机空载试运行合格,做发电机空载试验,否则盲目带上发电机负荷是不安全的。一幢建筑物配有柴油发电机等备用电源,目的是当市电因故中断供电时,建筑物内的重要用电负荷仍能得到电能,可以持续运行。正因为备用电源的重要性和提供人们安全感的需要,所以其投入备用状态前要经可靠的负荷试运行。 3.3.5 UPS主要供给计算机、医院维持生命需要的供电回路、智能化系统及允许断电时间很短的照明供电回路;EPS主要给应急照明、事故照明等重要负荷供电,其输出的电压或电流的质量要求高,所以应调试合格后,才能允许接至馈电线路,否则会导致相关供电系统或整个智能化系统或消防控制系统失灵损坏,甚至崩溃。 3.3.6 电气动力设备的外露可导电部分即原规范中的可接近裸露导体,其提法与现行的IEC国际标准的提法是一致的。只有做好该项工作后进行电气测试、试验,对人身和设备的安全才有保障。先试验、合格后通电是重要的、合理的工作顺序,目的是确保安全。电气动力设备的转动或直线运动均是为了给建筑设备提供符合需要的动力,动作方向是否正确是关键,否则建筑设备无法正常工作;不能逆向动作的设备,方向错了会造成损坏。控制回路的模拟动作试验,是指电气线路的主回路开关出线处断开,电动机等电气设备不受电动作;但是控制回路是通电的,可以模拟合闸、分闸,也可以将各个联锁接点(包括电信号和非电信号)进行人工模拟动作以控制主回路开关的动作。 3.3.7 母线槽是依据建筑结构和母线槽布置位置的订货图分段制造的,进场验收应依照订货图查验规格尺寸和外观质量。建筑物的实际尺寸和图纸标注尺寸间有一定的误差,所以要验证建筑物的实际尺寸是否与预期尺寸基本一致,若有差异(指超过预期误差)可及时设法处理。母线槽外壳比管道(包括有些风管在内)强度要差一些,所以各专业安装的程序安排上,各种管道应先装、母线槽后装;装修没结束安装母线槽,一是母线槽先装会影响粉刷工程的操作,而使局部位置无法粉刷,二是可以避免粉刷中对母线槽外壳的污染。母线槽是分段供货,现场组对连接,完成后要检查总体交流工频耐压水平和绝缘程度,为了能顺利通过最终检验,防患于未然,所以安装前要对各段母线进行绝缘检查,包括各相对地和相间的绝缘检查。 3.3.8 先清理和安装支架是合理的施工工序,如反过来进行施工,不仅会导致电缆梯架、托盘和槽盒损坏。而且要用大量的临时支撑,也是极不经济的。 3.3.9 按照现行国家标准《电缆管理用导管系统 第1部分:通用要求》GB/T 20041.1的规定,钢导管的内、外表面是应有防腐蚀的防护层的,而且根据防腐蚀能力的高低分为4个等级。所以对钢导管的内、外表面不需做防腐处理的理由是不充分的,问题是选用何种防腐等级或用何种方式防腐,应由设计人员根据导管的使用环境和预期使用寿命做出确定。明确现浇混凝土楼板内钢筋绑扎与电气配管的关系是电气安装与建筑工程土建施工合理衔接的工序,这样做可以既保证钢筋工程质量,又保证电气配管质量。 3.3.10 电缆在沟内、电缆竖井内支架上敷设,支架要经预制、防腐和安装,且还要焊接保护导体,同时对有碍安装或安装后不便清理的建筑垃圾进行清除,具备这样的条件才能敷设固定电缆,否则无法施工。电缆敷设前保护电缆用的导管、梯架、托盘和槽盒及保护导体应连接完成,电缆绝缘检查应合格才可进行敷设,否则易损伤电缆或最终试验不合格,拆下返工浪费太大。无论高压、低压建筑电气工程,施工的最后阶段都应作交接试验,合格后才能交付通电,投入运行。这样可以鉴别工程的可靠性和在分、合闸过程中瞬态冲击的耐受能力。所以电缆通电前也应按本规范做交接试验。电缆的防火隔堵措施在设计中有明确的位置和具体要求,措施未实施,电缆不能通电,以防万一发生电气火灾,导致整幢建筑物受损。 3.3.11 导线、电缆的绝缘外保护层是不允许高温灼烤的,否则要影响其绝缘的可靠性和完整性,所以在穿管敷线前应将焊接施工尤其是熔焊施工全部结束。 3.3.12 塑料护套线直敷布线前保护套管及建筑施工的墙面、顶面装饰工程应施工结束,塑料护套线绝缘检查合格后才可进行敷设,否则塑料护套线易受污染或因布线完成后绝缘不合格而返工造成浪费。 3.3.14 电缆头制作是电缆安装的关键工序,尤其是芯线截面较大的电力电缆,电缆头的引线与开关设备连接时要注意引线的方向,留有足够的长度,使开关设备的连接处不致受额外引力或发生强行组对一样的强制力,以避免受到振动后使设备损坏。剖开电缆前,先确认一下连接的开关设备是否在设计的位置。 3.3.15 安装灯具的预埋件和嵌入式灯具安装专用骨架通常由设计出图,要注意的是,有的可能在土建施工图上,也有的可能在电气安装施工图上,这就要求做好协调分工,特别在图纸会审时给予明确。 3.3.17 照明工程的通电是带电后就有负荷,因而事先的检查要认真仔细,严格按本规范工序执行,同时照明工程在大型公用建筑中起着重要作用,面大量广是其主要特点,所以通电试灯要有序进行,当然插座等的通电测试也要按回路逐个进行,以防止供电电压失误造成成批灯具烧毁或电气器具损坏。 3.3.18 图纸会审和做好土建、电气安装施工协调工作是正确完成这道工序的关键。降低接地电阻措施的选择及施工应按设计要求执行这是原则,同时依据材料供货商提供的技术文件实施施工、核对,以检查有无特殊要求。 3.3.20 这是一个重要工序的排列,不准逆反,否则要酿大祸,若先装接闪器引雷,而接地装置尚未施工,引下线也没有连接,建筑物遭受雷击后引发的事故损失将更严重。对利用屋顶钢筋网等符合条件的钢筋作为接闪器时,在板内钢筋绑扎后,按设计要求施工,经检查确认,才能支模。
3.4 分部(子分部)工程划分及验收
3.4.1 本条的验收方法是与现行国家标准《建筑工程施工质量验收统一标准》GB 50300一致的,附录A对各子分部工程、分项工程和检验批进行了明确的划分,便于现场施工、监理、建设单位相关人员对工程质量实施逐级验收和资料的归类与审查。 3.4.2 电气动力和电气照明安装工程中分项工程的检验批划分,要求与土建工程一致,是考虑到电气安装管线预埋必须与土建施工同步,为方便过程验收而提出的要求。 3.4.3 为验证施工过程工序质量检查、检验和控制的有效性,并能为施工验收提供复核依据,要求对电气施工过程的重要控制节点应及时做好记录,特提出本条规定。但并不限于本条所列的质量控制资料,对本规范中提及需要进行检验、测试、试验、验证的项目,施工单位均需提供相关质量控制资料。 3.4.7 变配电室、技术层、设备层的动力工程、供电干线及建筑物防雷和电气系统接地是电气安装工程的重要部位,质量的好坏将直接影响工程的使用和安全运行,因此应重点检查,考虑到建筑工程的照明及动力工程量大、涉及面广,应由施工单位在施工工序检查中进行全数自查,工程验收以抽查形式为主。 3.4.8 为方便检测验收,高低压配电装置的调整试验应提前通知监理和有关监督部门,以便对试验结果进行确认。
4 变压器、箱式变电所安装 4.1 主控项目
4.1.1 本条是对变压器安装的基本要求,位置正确是指中心线和标高符合设计要求。采用规定尺寸的母线槽作引出或引入线时,则更应控制变压器的安装定位位置。油浸变压器有渗油现象说明密封不好,是不应存在的现象。 4.1.2 变压器的接地既有高压部分的保护接地,又有低压部分的工作接地;而低压供电系统在建筑电气工程中大量采用多电源供电系统,对一个多电源供电的TN系统,当接地连接方式不当时,中性线电流就可能通过不期望的路径流通,而引起火灾、腐蚀或电磁干扰,因此对变压器中性点的接地连接方式及接地电阻值要求,是由设计人员根据不同的供电系统(TN或IT或TT系统)在图纸设计时提出要求的,施工时,施工人员必须按图施工,以确保用电安全。 4.1.3 变压器箱体、干式变压器的支架、基础型钢及外壳属金属体,均是电气装置中重要的外露可导电部分,为了人身和设备安全,应与保护导体可靠连接。需要特别说明的是,本规范所要求的与保护导体可靠连接,是指与保护导体直接连接且采取了焊接或螺栓紧固连接等连接方式。 4.1.4 变压器及高压电气设备安装好后,应经交接试验合格,并出具报告后,才具备通电条件。交接试验的内容和要求,即合格的判定条件应符合现行国家标准《电气装置安装工程 电气设备交接试验标准》GB 50150的规定。 4.1.5 箱式变电所及其落地式配电箱在建筑电气工程中以住宅小区室外设置为主要形式,本体有较好的防雨雪和通风性能,但其底部不是全密闭的,故而要注意防积水入侵,其基础的高度及周围排水通道设置应由设计人员在施工图上加以明确。因产品的固定形式有两种,所以分别加以描述。 4.1.6 目前国内箱式变电所主要有两种产品,前者由高压柜、低压柜、变压器三个独立的单元组合而成,后者为引进技术生产的高压开关设备和变压器设在一个油箱内的箱式变电所。根据产品的技术要求不同,试验的内容和具体的规定也不一样。
4 变压器、箱式变电所安装 4.1 主控项目
4.1.1 本条是对变压器安装的基本要求,位置正确是指中心线和标高符合设计要求。采用规定尺寸的母线槽作引出或引入线时,则更应控制变压器的安装定位位置。油浸变压器有渗油现象说明密封不好,是不应存在的现象。 4.1.2 变压器的接地既有高压部分的保护接地,又有低压部分的工作接地;而低压供电系统在建筑电气工程中大量采用多电源供电系统,对一个多电源供电的TN系统,当接地连接方式不当时,中性线电流就可能通过不期望的路径流通,而引起火灾、腐蚀或电磁干扰,因此对变压器中性点的接地连接方式及接地电阻值要求,是由设计人员根据不同的供电系统(TN或IT或TT系统)在图纸设计时提出要求的,施工时,施工人员必须按图施工,以确保用电安全。 4.1.3 变压器箱体、干式变压器的支架、基础型钢及外壳属金属体,均是电气装置中重要的外露可导电部分,为了人身和设备安全,应与保护导体可靠连接。需要特别说明的是,本规范所要求的与保护导体可靠连接,是指与保护导体直接连接且采取了焊接或螺栓紧固连接等连接方式。 4.1.4 变压器及高压电气设备安装好后,应经交接试验合格,并出具报告后,才具备通电条件。交接试验的内容和要求,即合格的判定条件应符合现行国家标准《电气装置安装工程 电气设备交接试验标准》GB 50150的规定。 4.1.5 箱式变电所及其落地式配电箱在建筑电气工程中以住宅小区室外设置为主要形式,本体有较好的防雨雪和通风性能,但其底部不是全密闭的,故而要注意防积水入侵,其基础的高度及周围排水通道设置应由设计人员在施工图上加以明确。因产品的固定形式有两种,所以分别加以描述。 4.1.6 目前国内箱式变电所主要有两种产品,前者由高压柜、低压柜、变压器三个独立的单元组合而成,后者为引进技术生产的高压开关设备和变压器设在一个油箱内的箱式变电所。根据产品的技术要求不同,试验的内容和具体的规定也不一样。
4.2 一般项目
4.2.1 为提高供电质量,建筑电气工程除采用干式变压器外,也有采用有载调压变压器的,而且是以自动调节的为主,通电前除应做电气交接试验外,还应对有载调压开关裸露在(油)箱外的机械传动部分做检查,要在点动试验符合要求后,才能切换到自动位置。自动切换调节的有载调压变压器,由于控制调整的元件不同,调整试验时,还应注意产品技术文件的特殊规定。 4.2.2 变压器就位后,要在其上部配装进出母线和其他有关部件,往往由于工作不慎,在施工中会给变压器外部的绝缘器件造成损伤,所以交接试验和通电前均应认真检查是否有损坏,且外表不应有尘垢,否则初通电时会有电气故障发生。变压器的测温仪表在安装前应对其准确度进行检定,尤其是带讯号发送的更应这样做。 4.2.3 装有滚轮的变压器定位在钢制的轨道(滑道)上,就位找正纵、横中心线后,即应按施工图纸装好制动装置,不拆卸滑轮,便于变压器日后退出实施吊芯和维修,但也有明显的缺点,就是轻度的地震或受到意外的冲力时,变压器很容易发生位移,导致器身和上部外接线损坏而造成电气安全事故,所以安装好制动装置关系着变压器的安全运行。 4.2.4 器身不作检查的条件是与现行国家标准《电气装置安装工程 电力变压器、油浸电抗器、互感器施工及验收规范》GB 50148的规定一致的。从总体上看,变压器在施工现场不作器身检查是发展趋势,除施工现场条件不如制造厂条件好这一因素外,在产品结构设计和质量管理及货运管理水平日益提高的情况下,器身检查发现的问题日益减少,有些引进的变压器等设备在技术文件中明确不准进行器身检查,是由供货方作出担保的。 4.2.7 气体继电器是油浸变压器保护继电器之一,装在变压器箱体与油枕的连通管水平段中间,当变压器过载或局部故障时,使线圈有机绝缘或变压器油发生气化,升至箱体顶部,为有利气体流向气体继电器发出报警信号,并使气体经油枕泄放,因而要有规定的升高坡度,决不允许倒置。安装无气体继电器的小型油浸变压器,为了同样的理由,使各种原因产生的气体方便经油枕、呼吸器泄放,有升高坡度也是合理的。
5 成套配电柜、控制柜(台、箱)和配电箱(盘)安
本章节主要修订内容,一是根据制造标准和施工实际现状,删除了原规范中的低压成套配电(控制)屏、盘的内容。原规范中的低压成套配电(控制)屏或盘是指由金属框架结构和带有电气控制设备或元器件面板的非封闭式组合体,目前制造标准中低压成套配电(控制)屏或盘设备已被柜体所取代,故本规范的修订取消了屏和盘的安装内容。二是从全国各地的函调结果显示,在建筑电气工程中配电控制设备已大量采用成套设备,但一些经济不发达地区采用自制配电箱或盘的现象仍较普遍,因此需保留安装质量要求。本规范条文所提的配电箱含成套配电箱和自制配电箱,配电盘仅指自制配电盘。
5.1 主控项目
5.1.1 设计时对保护导体的规格、是否要重复接地、继电保护等已作出选择和安排,而施工时要保证各连接可靠,正常情况下不松动,且标识明显,使人身、设备在通电运行中确保安全,施工操作时虽工艺简单,但其施工质量是至关重要的;连接导线的规格大小是按机械强度和允许的最小导体截面积来考虑的;连接导线要求采用绝缘铜芯软导线而非裸铜软线,旨在避免带有电器的柜、台、箱可开启门活动时触及电器连接点而引起电击事故的发生。 5.1.2 现行国家标准《低压配电设计规范》GB 50054对保护导体最小截面积作出了明确规定,且符合现行国家标准《低压成套开关设备和控制设备 第1部分:总则》GB 7251.1-2013/IEC60439-1:2001第8.4节电击防护规定,低压成套设备要符合该标准第8.4.3.2.2款表3的要求,且指明保护接地导体(PE)材料和相线导体材料不同时,要将保护接地导体(PE)截面积的确定,换算至与表3相同的导电要求。其理由是使载流容量足以承受流过的接地故障电流,使保护器件动作,在保护器件动作电流和时间范围内,不会损坏保护接地导体(PE)或破坏它的电连续性。当然也不应在发生故障至保护器件动作这个时段内危及人身安全。这个规定的原则适用于供电系统各级保护接地导体(PE)截面积的选择。 5.1.3 本条规定是产品制造要确保达到的,也是安装后必须检查的项目,动、静触头中心线一致使通电可靠,接地触头的先入后出是保证安全的必要措施,连家用电器的插头制造也是遵循保护接地先于电源接通,后于电源断开这一普遍性的安全原则。 5.1.4 高压成套配电柜内的电气设备,要经有资质的试验室进行电气交接试验并出具试验报告,判定符合要求后,才能通电试运行。控制回路的校验、试验与控制回路中的元器件的规格型号有关,整组试验的有关参数通常由设计单位给定,并得到当地供电单位的确认,目的是既保证建筑电气工程本身的稳定可靠运行,又不影响整个供电电网的安全。由于技术进步和创新,高压配电柜内的主回路和二次回路的元器件必然会相继涌现新的产品,因而其试验要求还来不及纳入规范而已被较大范围内推广应用,所以要按新产品提供的技术要求进行试验。 5.1.6 试验的要求和规定与现行国家标准《电气装置安装工程电气设备交接试验标准》GB 50150的规定一致。 5.1.7 直流柜是指蓄电池的充电整流装置、直流电配电开关和蓄电池组合在一起的成套柜,即交流电源送入,直流电源分路送出的成套柜,其投入运行前应按产品技术文件要求做相关试验和操作,并对其主回路的绝缘电阻进行检测。 5.1.8 本条依据现行国家标准《低压电气装置 第6部分:检验》GB/T 16895.23-2012第61.3.6.1条制订。如果TN和TT系统接地故障回路阻抗过大,则会造成该回路故障电流过小,而导致过电流保护电器不能动作或不能及时动作,将可能引发人身电击伤害,因此规定测试故障回路阻抗。导致回路阻抗值超限值的原因一是用电回路导体选择不当或用电回路线路过长,没有满足现行国家标准《低压配电设计规范》GB 50054-2011的第3.2.2条第2款的规定,线路阻抗偏大所致;二是由于用电回路导线连接点接触不好,接触电阻增加所致,所以抽查回路时应选择用电回路线路相对较长且导线中间连接点相对较多的回路,由于施工设计时一般对用电回路的线路长度是有规定的,故回路阻抗的测试主要是以检验导线连接点的连接质量,测试可采用带有回路阻抗测试功能的测试仪表进行检测,将所测数据与式(5.1.8)进行比对[式(5.1.8)中的系数2/3主要是出于对线路温度变化的考虑],以验证在发生接地故障时,过电流保护电器的有效性。根据现行国家标准《低压配电设计规范》GB 50054的规定,电气设计人员应计算并提供接地故障回路计算阻抗Zs或Ia值,以方便施工现场检测人员的判定。如果测量后回路阻抗不能满足式(5.1.8)的要求,则应检查回路导体的连接质量,必要时应请电气设计人员复核回路阻抗计算书。本条适用于配电系统采用过电流保护器(主要是指断路器和熔断器,不考虑使用RCD作为附加保护情况)的末端回路。 5.1.9 为确保剩余电流动作保护器(RCD)能按设计限值要求动作可靠,安装完成后应按设计限值要求检测动作电流和动作时间,以确保其灵敏度和可靠性。测试时应根据回路情况分别对待:(1)插座回路RCD的测试应通过末端插座来进行,因为线路保护接地导体(PE)的连接有效性可通过末端插座检查,而插座保护接地导体(PE)的连接有效性可通过插座检测器来检验;(2)干线回路RCD的测试宜在RCD出口处进行测试;(3)其他回路RCD的测试应在回路末端对RCD进行测试。测试方法见图1。

图1 测试方法
设计一般以保护电器额定动作电流为依据选择保护电器,因此应将“实际动作时间”作为工程必检项目。在测量“实际动作时间”时是对RCD通以额定剩余动作电流,如果RCD能正确动作,就说明在通过额定剩余动作电流时是可以正确动作的,故“实际动作电流”可作为选测项目。1)检测实际动作时间:以RCD额定剩余动作电流(I△n),测试保护电器动作时间RCD测试仪表接入任意相导体和PE,通过仪表内负载(电阻)产生额定剩余动作电流(I△n),并同时监测相导体对PE电压消失时间,此时间即为保护电器实际动作时间,其数值不应大于设计限值。2)检测实际动作电流:以阶梯递增电流,测试保护电器实际动作电流RCD测试仪表接入任意相导体和PE,通过仪表内负载(电阻)产生固定步长(如1mA/0.1s)的剩余电流,同时监测相导体对PE电压,仪表显示电压消失时的电流即为保护电器实际动作电流,其数值不应大于额定剩余动作电流值。 5.1.10 SPD一般在系统设计时考虑周全且与柜、箱、盘成套供应,但当设计后补或元件更换等情况发生时,现场安装也在所难免,接线原理图是由设计提供的,施工时只要按图进行安装并接线,但其位置布置应考虑一旦发生瞬时过电压时,接地导线泄放的雷电流就有可能传导耦合到出线,而形成接地线的“二次污染”,导致SPD出线电压升高,失去对设备的保护作用。同理,连接导线越长,则瞬时过电压发生时,SPD两端的出线电压也就越高,设备受到的冲击电压也就越大,设备运行安全也就无保障。 5.1.11 对电源端带电导体不接地或经高阻抗接地的IT系统,当发生一个接地故障时,是通过装设的绝缘监测器报警来及时排除故障,以避免发生电气安全事故,确保供电的不间断。IMD的报警功能是根据系统要求设计的,因此对IT系统应根据设计要求使用IMD测试仪器检测IMD的报警功能。 5.1.12 每个接线端子上的导线连接不应超过2根,是为了连接紧密,不因通电后由于冷热交替等时间因素而过早在检修期内发生松动,同时也考虑到方便检修,不使因检修而扩大停电范围。同一垫圈下的螺丝两侧压的导线应截面和线径均一致,实际上这是一个结构是否合理的问题,如不一致,螺丝既受拉力,又受弯矩,对导线芯线必然一根压紧、另一根稍差,对导电的良好性将受到影响。建筑电气工程中,供电系统的接地形式除采用TN-S系统外,还有TT系统和IT系统,但不论何种形式均要求PE和N截然分开。因照明配电箱额定容量有大小,小容量的出线回路少,仅2个~3个回路,可以用数个接线柱分别组合成PE接线排和N接线排,但决不允许两者混合连接。所以在照明配电箱(盘)内应分设PE排和N排,这不仅施工时要严格区分,日后维修时也要注意,不能因误接而失去应有的保护作用,但对设计时出线回路采用单相双极开关或三相四极开关的照明配电箱,中性线是经开关控制的,此时配电箱内可不单独设置中性导体N汇流排。故本规范在修订中对本条作了修改,将“应”改为“宜”。要求同一个端子上不应将不同回路的N或PE连接在汇流排的同一接线端子上,是为防止因检修或其他原因使得检修回路的N带电或不检修回路的PE意外断开,以保证电气检修或维护时的人身安全。 5.1.13 建筑智能化工程能正常运转离不开建筑电气工程的配合,本条规定了彼此间接口的关系。
5.2 一般项目
5.2.2 本条主要是为安全考虑,要求柜、台、箱、盘保持与墙体或周围构筑物的安全距离,一方面是方便今后使用单位的维护,另一方面也是为了运行的安全。 5.2.3 用螺栓连接固定,既方便拆卸更迭,又避免因焊接固定而造成柜、箱壳体涂层防腐损坏、使用寿命缩短。 5.2.4 室外安装的落地式配电(控制)柜、箱本体有较好的防雨雪和散热性能,但其底部不是全密闭的,故而要注意防积水入侵,共基础的高度及周围排水通道设置应在施工时注意,并由设计单位在施工图纸上明确;其底座周围应采取封闭措施,是为防止鼠、蛇类等小动物进入箱内。 5.2.5 现行国家标准《电气装置安装工程 盘、柜及二次回路接线施工及验收规范》GB 50171中,除要求垂直度、相互间接缝、成列盘面间的安装要求外,还有盘顶的高度差规定,由于柜、台、箱的生产技术从国外引进较多,其标准也不同,尤其表现在柜体的高度方面,这样对柜顶标高的控制就失去了实际意义。如订货时并列安装的柜体来自同一家制造商,且明确外形尺寸,控制好基础型钢的安装尺寸,则柜顶标高自然会形成一致的。 5.2.6 本条是常规且必须在施工中检查和施工后检验及试动作的质量要求,目的是确保通电运行正常,安全保护可靠,日后操作维护方便。 5.2.8 对成套供应的柜、台、箱的内部接线一般由制造商完成,本条规定是指柜、台、箱间的二次回路连线和自制配电箱(盘)的配线要求。当然也适用于因设计变更需要施工现场对柜、台、箱二次回路连线的修改。规定电流回路导体截面积不应小于2.5mm2是考虑其控制回路的仪表电阻值较小,电流相对会高些,为保证正常运行而提出的。二次回路连线的线路绑扎要求是为了不相互干扰,成束绑扎时要分开,标识清楚便于检修。 5.2.9 如制造商按订货图制造,设计不作变更,本条在施工中基本很少应用。用铜芯软导线,作加强绝缘护层、端部固定等措施均是为了在运行中保护导线不致反复弯曲受力而折断线芯、破坏绝缘,同时也为了开启或闭合面板时,防止导线两端的元器件接线端子受到不应有的机械应力,而使通电中断,显然是为了达到安全运行的目的。软导线与电器连接,其端部可采用终端端子或搪锡,但由于螺纹压紧方式不能有效补偿焊锡蠕变造成导线与端子间的微小间隙,极易造成接触不良与异常发热,因此当设备上的电器连接端采用螺纹压紧方式时,其软导线端部应采用不开口的终端端子。当采用与专用工具配套的导线连接件时,就不必采用不开口的终端端子或搪锡工艺。 5.2.10 标识齐全、正确是为了方便使用维修,防止误操作而发生人身触电事故。
6 电动机、电加热器及电动执行机构检查接线 6.1 主控项目
6.1.1 本条与本规范修订前一致,是原规范的强制性条文。建筑电气设备采用何种供电系统,是由设计决定的,但外露可导电部分是必须与保护导体可靠连接,可靠连接是指与保护导体于线直接连接且应采用锁紧装置紧固,以确保使用安全。使用安全电压(36V及以下)或建筑智能化工程的相关类似用电设备时,其可接近裸露导体是否需与保护导体连接,应由相关设计文件加以说明。连接导体的截面积按本规范第3.1.7条执行,由设计根据电气设备发生接地故障时能满足自动切断设备电源的条件来确定。 6.1.3 建筑电气工程中电动机的容量一般不大,但目前随着建筑面积和体量的增大,冷水机组已逐步采用10kV高压电机。高压机组为成套设备,且启动控制也不甚复杂,所以交接试验内容也不多,主要是绝缘电阻检测、大电机的直流电阻检测、绕组直流耐压试验和泄漏电流测量。需要注意的是,高压电机的绝缘电阻测试应选用2500V兆欧表。
6 电动机、电加热器及电动执行机构检查接线 6.1 主控项目
6.1.1 本条与本规范修订前一致,是原规范的强制性条文。建筑电气设备采用何种供电系统,是由设计决定的,但外露可导电部分是必须与保护导体可靠连接,可靠连接是指与保护导体于线直接连接且应采用锁紧装置紧固,以确保使用安全。使用安全电压(36V及以下)或建筑智能化工程的相关类似用电设备时,其可接近裸露导体是否需与保护导体连接,应由相关设计文件加以说明。连接导体的截面积按本规范第3.1.7条执行,由设计根据电气设备发生接地故障时能满足自动切断设备电源的条件来确定。 6.1.3 建筑电气工程中电动机的容量一般不大,但目前随着建筑面积和体量的增大,冷水机组已逐步采用10kV高压电机。高压机组为成套设备,且启动控制也不甚复杂,所以交接试验内容也不多,主要是绝缘电阻检测、大电机的直流电阻检测、绕组直流耐压试验和泄漏电流测量。需要注意的是,高压电机的绝缘电阻测试应选用2500V兆欧表。
6.2 一般项目
6.2.2 关于电动机是否要抽芯是有争论的,有的认为施工现场条件没有制造厂车间内条件好,在现场拆卸检查没有好处,况且有的制造厂说明书明确规定不允许拆卸检查(如某些特殊电动机或进口的电动机),另一种意见认为,电动机安装前应做抽芯检查,只要在施工现场找一个干净通风,湿度在允许范围内的场所即可,尤其是开启式电动机一定要抽芯检查。为此,现行国家标准《电气装置安装工程旋转电机施工及验收规范》GB 50170-2006第3.3.2条对是否要抽芯的条件作出了规定。同时也明确了制造厂不允许抽芯的电动机要另行处理。可以理解为电动机有抽芯检查的必要,而制造厂又明确说明不允许抽芯,则应召集制造厂代表会同协商处理,以明确责任。 6.2.3 本条是对抽芯检查的部位和要求作出了相应的规定。 6.2.4 高压电动机引出线有绝缘套管做绝缘隔离,绝缘套管通常有环氧树脂和陶瓷两类材质,导线连接紧固用力过大可能会有损伤而影响绝缘性能,为安全考虑提出本条规定。 6.2.5 本条是为防止操作过电压引起放电,避免发生事故而作出的规定。不同电压等级的电动机接线盒内的导线间或导线对地间的电气间隙是不同的,因此应根据不同的电压等级,按产品制造标准或产品技术说明书要求进行检查或施工。
7 柴油发电机组安装 7.1 主控项目
7.1.1 在建筑电气工程中,大型工程建筑选用高压发电机已较普遍,但无论是高压发电机还是低压发电机在制造厂均做出厂试验,合格后与柴油发动机组一起成套供货。安装后应按本规范规定做常规交接试验。由于电气交接试验是在空载情况下对发电机性能的考核,而负载情况下的考核要和柴油机有关试验一并进行,考核包括柴油机的调速特性能否满足供电质量要求等。 7.1.2 由柴油发电机至配电室或经配套的控制柜至配电室的馈电线路,如果是电力电缆,通电前应按本条规定进行试验,绝缘电阻测试时兆欧表的选用应符合现行国家标准《电气装置安装工程电气设备交接试验标准》GB 50150的相关规定,如馈电线路是母线槽,则应按本规范对母线槽的验收规定进行检查和试验。 7.1.3 柴油发电机的馈电线路是指由柴油发电机至配电室或经配套的控制柜至配电室的馈电线路,包括柴油发电机随机的出线开关柜间的馈电线路在内。原供电系统是指由市电供给的供电系统。核相是两个电源向同一供电系统供电的必要程序,虽然不出现并列运行,但相序一致才能确保用电设备的性能和安全。相序一致是指三相对应且交流变化规律一致。 7.1.4 并列运行的柴油发电机的型号、规格、特性及配套设备是由设计来选择的,安装单位主要应保证并列运行的柴油发电机组的电气试验参数及测试数据应一致。 7.1.5 同本规范第4.1.2条,对设计有发电机组的建筑工程属多电源供电系统,为防止星形结点(中性点)的多点接地,发电机星形结点(中性点)的接地连接方式及接地电阻值要求是由设计人员根据系统情况提出的,施工时,施工人员必须按图施工,以确保用电安全。
7 柴油发电机组安装 7.1 主控项目
7.1.1 在建筑电气工程中,大型工程建筑选用高压发电机已较普遍,但无论是高压发电机还是低压发电机在制造厂均做出厂试验,合格后与柴油发动机组一起成套供货。安装后应按本规范规定做常规交接试验。由于电气交接试验是在空载情况下对发电机性能的考核,而负载情况下的考核要和柴油机有关试验一并进行,考核包括柴油机的调速特性能否满足供电质量要求等。 7.1.2 由柴油发电机至配电室或经配套的控制柜至配电室的馈电线路,如果是电力电缆,通电前应按本条规定进行试验,绝缘电阻测试时兆欧表的选用应符合现行国家标准《电气装置安装工程电气设备交接试验标准》GB 50150的相关规定,如馈电线路是母线槽,则应按本规范对母线槽的验收规定进行检查和试验。 7.1.3 柴油发电机的馈电线路是指由柴油发电机至配电室或经配套的控制柜至配电室的馈电线路,包括柴油发电机随机的出线开关柜间的馈电线路在内。原供电系统是指由市电供给的供电系统。核相是两个电源向同一供电系统供电的必要程序,虽然不出现并列运行,但相序一致才能确保用电设备的性能和安全。相序一致是指三相对应且交流变化规律一致。 7.1.4 并列运行的柴油发电机的型号、规格、特性及配套设备是由设计来选择的,安装单位主要应保证并列运行的柴油发电机组的电气试验参数及测试数据应一致。 7.1.5 同本规范第4.1.2条,对设计有发电机组的建筑工程属多电源供电系统,为防止星形结点(中性点)的多点接地,发电机星形结点(中性点)的接地连接方式及接地电阻值要求是由设计人员根据系统情况提出的,施工时,施工人员必须按图施工,以确保用电安全。
7.2 一般项目
7.2.1 有的柴油发电机及其配电柜、控制柜在出厂时已做负载试验,并按产品制造要求对发电机本体保护的各类保护装置作出标定或锁定,考虑到成套供应的柴油发电机,经运输保管和施工安装,有可能随机柜的紧固件发生松动移位,所以要认真检查,以保证安全运行。 7.2.2 与柴油发电机馈电有关的电气线路及其元器件的试验均合格后,才具有作为自备电源的可能性。而其可靠性检验是在建筑物正式投入使用前,按设计预案,使柴油发电机带上预定负荷,按厂家提供的技术文件规定时间经连续运转,无机械和电气故障,方可认为这个自备电源是可靠的。
8 UPS及EPS安装 8.1 主控项目
8.1.1 现行国家标准《不间断电源设备》GB 7260中规定,UPS功能单元由整流、逆变、静态开关和蓄电池组四个功能单元组成;EPS一般包括整流充电器、蓄电池组、逆变器、互投装置等部分。两种供电设备均由制造厂以成套产品出厂供货,安装时基本与柜、盘安装要求相同。但它们也有其独特性,即供电质量和其他技术指标是由设计根据负荷性质对产品提出的特殊要求,因而对规格、型号的核对和内部线路的检查显得十分必要。 8.1.2 UPS及EPS的整流、逆变、静态开关、互投装置各个功能单元都要单独试验合格,才能进行整个UPS或EPS试验,这种试验根据供货协议可以在工厂或安装现场进行,UPS以安装现场试验为最佳选择,因为如无特殊说明,在制造厂试验一般使用的是电阻性负载。无论采用何种方式,都应符合设计文件和产品技术条件的要求,本条主要是为了保证负荷供电电源质量和供电的连续性。 8.1.3 EPS通常是用于应急供电,一旦发生事故必须无条件供电,以确保事故发生后的应急处理。设计中对初装容量、用电容量、允许过载能力、电源转换时间都有明确的规定,EPS订货时就应要求厂家按设计要求的技术参数进行配置,并实施出厂检验,安装中应对相关参数进行核实,当对电池性能、极性及电源转换时间有异议时,由于施工现场条件所限无法进行测试,因此应由厂家负责现场测试,安装完成后应按设计要求进行动作试验。 8.1.4 由于UPS通常用于通信或电脑设备的电源供给,输入、输出端的绝缘电阻值是根据通信用不间断电源对绝缘电阻的要求而提出的,UPS及EPS连线的线间、线对地间绝缘电阻值与国家相关标准是一致的。 8.1.5 本条在原规范的基础上进行了修改。UPS出线端中性点是否要做重复接地是由设计根据系统情况决定的,不同的供电系统其接地连接方式是不同的,因此施工时只要严格按设计要求施工就可以了。
8 UPS及EPS安装 8.1 主控项目
8.1.1 现行国家标准《不间断电源设备》GB 7260中规定,UPS功能单元由整流、逆变、静态开关和蓄电池组四个功能单元组成;EPS一般包括整流充电器、蓄电池组、逆变器、互投装置等部分。两种供电设备均由制造厂以成套产品出厂供货,安装时基本与柜、盘安装要求相同。但它们也有其独特性,即供电质量和其他技术指标是由设计根据负荷性质对产品提出的特殊要求,因而对规格、型号的核对和内部线路的检查显得十分必要。 8.1.2 UPS及EPS的整流、逆变、静态开关、互投装置各个功能单元都要单独试验合格,才能进行整个UPS或EPS试验,这种试验根据供货协议可以在工厂或安装现场进行,UPS以安装现场试验为最佳选择,因为如无特殊说明,在制造厂试验一般使用的是电阻性负载。无论采用何种方式,都应符合设计文件和产品技术条件的要求,本条主要是为了保证负荷供电电源质量和供电的连续性。 8.1.3 EPS通常是用于应急供电,一旦发生事故必须无条件供电,以确保事故发生后的应急处理。设计中对初装容量、用电容量、允许过载能力、电源转换时间都有明确的规定,EPS订货时就应要求厂家按设计要求的技术参数进行配置,并实施出厂检验,安装中应对相关参数进行核实,当对电池性能、极性及电源转换时间有异议时,由于施工现场条件所限无法进行测试,因此应由厂家负责现场测试,安装完成后应按设计要求进行动作试验。 8.1.4 由于UPS通常用于通信或电脑设备的电源供给,输入、输出端的绝缘电阻值是根据通信用不间断电源对绝缘电阻的要求而提出的,UPS及EPS连线的线间、线对地间绝缘电阻值与国家相关标准是一致的。 8.1.5 本条在原规范的基础上进行了修改。UPS出线端中性点是否要做重复接地是由设计根据系统情况决定的,不同的供电系统其接地连接方式是不同的,因此施工时只要严格按设计要求施工就可以了。
8.2 一般项目
8.2.1 如UPS的各功能单元由独立机架搁置安装,本条是对机架组合质量的规定。 8.2.2 为防止运行中的相互干扰,确保屏蔽可靠,故作本条规定。 8.2.4 对噪声的规定,既考核产品制造质量,又维持了环境质量,有利于保护有人值班的变配电室工作人员的身体健康,产品标准对噪声值有明确规定,运行时应测试其符合性。在噪声测量中,A声级被用作噪声评价的主要指标,因此测量时应选用A声级计。
9 电气设备试验和试运行 9.1 主控项目
9.1.1 建筑电气工程和其他电气工程一样,反映它的施工质量有两个方面,一方面是静态的检查检测是否符合本规范的有关规定;另一方面是动态的空载试运行及与其他建筑设备一起的负荷试运行,试运行符合要求,才能最终判定施工质量为合格。鉴于在整个施工过程中,大量的时间为安装阶段,即静态的验收阶段,而施工的最终阶段为试运行阶段,两个阶段相隔时间很长,用在同一个分项工程中来填表检验很不方便,故而单列这个分项,把动态检查验收分离出来,更具有操作性。电气动力设备试运行前,各项电气交接试验均应合格,而交接试验的核心是检验电气动力设备承受电压冲击的能力,交接试验合格也就证明电气装置的绝缘状态是良好的。如果各类开关和控制保护动作正确,则试运行中电气设备的承受故障电流和电压冲击能力便有了可靠的安全保证。 9.1.2 在试运行前,要对相关的现场单独安装的各类低压电器进行单体的试验和检测,符合本规范规定,才具有试运行的必备条件。与试运行有关的成套柜、屏、台、箱、盘应在试运行前试验合格。 9.1.3 电动机的空载电流一般为额定电流的30%(指异步电动机)以下,机身的温升经2h空载试运行不会太高,电动机空载运行是指设备不投料状态下的运行,重点是考核机械装配质量,尤其要注意噪声是否太大或有异常撞击声响。此外,要检查轴承的温度是否正常,如滚动轴承润滑脂填充量过多,会导致轴承温度过高,且试运行中温度上升急剧。但由于电动机起动瞬时电流要比额定电流大,有的达6倍~8倍,虽然空载(设备不投料)无负荷,但因被拖动的设备转动惯量大(如风机等),起动电流衰减的速度慢、时间长,为防止因起动频繁造成电动机线圈过热,故规定连续起动的时间间隔。
9 电气设备试验和试运行 9.1 主控项目
9.1.1 建筑电气工程和其他电气工程一样,反映它的施工质量有两个方面,一方面是静态的检查检测是否符合本规范的有关规定;另一方面是动态的空载试运行及与其他建筑设备一起的负荷试运行,试运行符合要求,才能最终判定施工质量为合格。鉴于在整个施工过程中,大量的时间为安装阶段,即静态的验收阶段,而施工的最终阶段为试运行阶段,两个阶段相隔时间很长,用在同一个分项工程中来填表检验很不方便,故而单列这个分项,把动态检查验收分离出来,更具有操作性。电气动力设备试运行前,各项电气交接试验均应合格,而交接试验的核心是检验电气动力设备承受电压冲击的能力,交接试验合格也就证明电气装置的绝缘状态是良好的。如果各类开关和控制保护动作正确,则试运行中电气设备的承受故障电流和电压冲击能力便有了可靠的安全保证。 9.1.2 在试运行前,要对相关的现场单独安装的各类低压电器进行单体的试验和检测,符合本规范规定,才具有试运行的必备条件。与试运行有关的成套柜、屏、台、箱、盘应在试运行前试验合格。 9.1.3 电动机的空载电流一般为额定电流的30%(指异步电动机)以下,机身的温升经2h空载试运行不会太高,电动机空载运行是指设备不投料状态下的运行,重点是考核机械装配质量,尤其要注意噪声是否太大或有异常撞击声响。此外,要检查轴承的温度是否正常,如滚动轴承润滑脂填充量过多,会导致轴承温度过高,且试运行中温度上升急剧。但由于电动机起动瞬时电流要比额定电流大,有的达6倍~8倍,虽然空载(设备不投料)无负荷,但因被拖动的设备转动惯量大(如风机等),起动电流衰减的速度慢、时间长,为防止因起动频繁造成电动机线圈过热,故规定连续起动的时间间隔。
9.2 一般项目
9.2.1 试运行时要检测有关仪表的指示,并作记录,对照电气设备的铭牌标示值检查是否超标,以判定试运行是否正常。 9.2.2 电动执行机构的动作方向,在手动或点动时已经确认与工艺装置要求一致,但在联动试运行时,仍需仔细检查,否则工艺的工况会出现不正常,有的会诱发安全事故。
10 母线槽安装
随着城市建设的发展和成套产品的规范化、标准化,配电系统已大量采用成套设备,馈电母线以母线槽居多,裸母线已基本不再被使用于建筑电气工程中,对一些经济欠发达地区需要采用裸母线作为馈电线路时,施工时可按本章节内容要求验收或由地区标准作出规定。
10.1 主控项目
10.1.1 母线槽是供配电线路主干线,其外露可导电部分均应与保护导体可靠连接,可靠连接是指与保护导体干线直接连接且应采用螺栓锁紧紧固,是为了一旦母线槽发生漏电可直接导入接地装置,防止可能出现的人身和设备危害。需要说明的是:要求母线槽全长不应少于2处与保护导体可靠连接,是在每段金属母线槽之间已有可靠连接的基础上提出的,但并非局限于2处,对通过金属母线分支干线供电的场所,其金属母线分支干线的外壳也应与保护导体可靠连接,因此从母线全长的概念上讲是不少于2处。对连接导体的材质和截面要求是由设计根据母线槽金属外壳的不同用途提出的,当母线槽的金属外壳作为保护接地导体时,其与外部保护导体连接的导体截面还应考虑其承受预期故障电流的大小,因此施工时只要符合设计要求即可。 10.1.2 母线槽的金属外壳是否可作为保护接地导体(PE)是由设计决定的。本条是根据现行国家标准《低压成套开关设备和控制设备 第1部分:总则》GB 7251.1-2013/IEC 60439-1:2001第8.4.3.2.2条和第10.11.5.6.1条所作出的规定,母线槽的金属外壳作为PE导体是允许的,但需要满足一定的条件,因此产品提供时应同时提供母线槽的金属外壳可作为保护接地导体(PE)的相关说明,包括:外壳具有可靠的连接和连续性,截面满足作为PE的要求,短路耐受能力为三相短路耐受能力的60%,连接部位的接触电阻足够小。 10.1.3 本条是安全性的规定,当一个连接处需要多个螺栓进行连接时,如果每个螺栓的拧紧力矩值不一致,可能会影响其连接的可靠性。母线接触面的清理主要是为了防止母线接触面发生氧化和污染而造成过热,影响导电效能,引发接触故障。 10.1.4 母线槽是长期通电运行的设备,当母线槽安装于水管正下方且母线槽又不防水时,一旦水管爆裂或水管配件损坏漏水极易造成母线槽运行不正常或发生事故;对母线槽段与段进行硬连接时,两相邻段母线及外壳宜对准;又由于母线槽属于项目定制型成套设备,母线槽安装应考虑相序、安装次序、精度、功能单元(如弯头、支接单元、安装吊架等)位置、防护等级等因素,母线槽的连接程序、伸缩节的设置和连接以及其他相关说明在产品技术文件中均有规定,因此母线槽的安装应严格按照产品相关技术文件要求进行。 10.1.5 母线槽通电运行前的检验或试验尤为重要。导体绝缘电阻、接线相序和分接单元的触头接触检查,导体规格和回路电阻的核对均是为运行安全和保障操作人员的人身安全,确保接地触头与保护接地导体(PE)的接触先于相线触头与相导体的接触,断开时,则反之,是为了带电作业时的安全考虑。
10.2 一般项目
10.2.1 由于母线槽自重较大、连接部位均以螺栓连接且使用年限相对较长,在保证安装支架承重性能的同时,其固定方式的稳定性也是必须要考虑的,并应根据母线槽的安装环境做好防腐处理。吊架圆钢的直径大小是考虑了钢材的抗拉强度,并为了与母线槽及其附件的重量相匹配,对于自重较大的配电母线槽,圆钢直径不得低于8mm,对于自重较小的照明母线槽,因为自重较轻,可以采用直径不低于6mm的圆钢。 10.2.2 本条是为了防止电化腐蚀而作出的规定,因每种金属它的化学活泼程度不同,相互接触表现正负极性也不相同,在潮湿场所会形成电池而导致金属腐蚀,采用过渡层可降低接触处的接触电压而缓解腐蚀速度。腐蚀速度往往取决于环境的潮湿与否和空气的洁净程度。铝母线的搭接面最好是做处理,不做处理易产生氧化膜,影响导电能力,但由于施工现场条件受限,铝母线的搪锡处理有一定的难度,故在现场不具备搪锡处理条件时可直接搭接,但对成套设备提供的铝母线,设备制造厂出厂前应对其端部进行搪锡处理,对制造厂而言其工艺已经成熟。 10.2.3 本条是矩形母线在支持绝缘子上固定的技术要求,是保证母线通电后,在负荷电流下不发生短路环涡流效应,使母线可自由伸缩,防止局部过热及产生热膨胀后应力增大而影响母线安全运行。 10.2.4 本条将L1、L2、L3取代A、B、C,是与现行国家标准《人机界面标志标识的基本和安全规则 导体颜色或字母数字标识》GB 7947-2010/IEC 60446:2007相一致的,而导体颜色标识未能与之统一,主要是从安全用电方面考虑,此标识与我国电力系统规定的导体颜色一致,我国电力系统规定的导体颜色至今尚未变更。 10.2.5 本条规定了母线槽与其他建筑构件的间距,以及在特殊安装位置的注意事项,以防母线槽在与其他管线交叉布置及防护不足时对母线造成损伤。
11 梯架、托盘和槽盒安装 11.1 主控项目
11.1.1 本条是在原规范强制性条文的基础上进行了局部的修改。建筑电气工程中的电缆梯架、托盘和槽盒大量采用钢制产品,所以与保护导体的连接至关重要,增加与保护导体的连接点,目的也是为了保证供电干线电路的使用安全。有的施工设计在金属梯架、托盘或槽盒内,全线敷设一支铜或钢制成的保护导体,且与梯架、托盘或槽盒每段有数个电气连通点,则金属梯架、托盘或槽盒与保护导体的连接十分可靠,因而验收时可不作本条第2款和第3款的检查。非镀锌电缆梯架、托盘和槽盒是指钢板制成涂以油漆或其他涂层防腐的电缆梯架、托盘和槽盒,镀锌电缆梯架、托盘和槽盒也是钢板制成的,但是是经镀锌防腐处理的。本条修改了原规范中要求固定金属梯架、托盘或槽盒的金属支架也应与保护导体连接的要求,主要是考虑到:金属梯架、托盘或槽盒已与保护导体进行了可靠连接,一旦电缆或导线发生绝缘损坏,泄漏电流将直接通过金属梯架、托盘、槽盒和保护导体导入接地装置,不可能引起金属支架的带电,故金属支架没有必要单独再与保护导体连接。本条要求与保护导体可靠连接包括螺栓锁紧连接和非镀锌钢材的焊接连接两种连接方法。 11.1.2 表11.1.2的规定与现行国家标准《电气装置安装工程电缆线路施工及验收规范》GB 50168是基本一致的。规定电缆梯架、托盘和槽盒在转弯和分支处采用工厂生产专用连接配件,不排除特殊部位自制弯头。一方面是保证电缆弯曲半径满足要求,避免电缆绝缘层和外护层的破坏,另一方面也能保证工程的观感质量,数据来自制造和检验标准。低压铝合金导体电力电缆采用的是AA8030的铝合金材料,在电缆制作过程中铝合金导体经过退火处理,且由于导体绞合方式、成缆绞合方式和联锁型铠装结构的特点,使得铝合金导体电力电缆的弯曲半径可以更小,尤其适用于改造工程、建筑内部的电力供电,能节约空间。该弯曲半径与《美国电气安装规范》NEC(2011年版)第330.24条B)款的规定是一致的。
11 梯架、托盘和槽盒安装 11.1 主控项目
11.1.1 本条是在原规范强制性条文的基础上进行了局部的修改。建筑电气工程中的电缆梯架、托盘和槽盒大量采用钢制产品,所以与保护导体的连接至关重要,增加与保护导体的连接点,目的也是为了保证供电干线电路的使用安全。有的施工设计在金属梯架、托盘或槽盒内,全线敷设一支铜或钢制成的保护导体,且与梯架、托盘或槽盒每段有数个电气连通点,则金属梯架、托盘或槽盒与保护导体的连接十分可靠,因而验收时可不作本条第2款和第3款的检查。非镀锌电缆梯架、托盘和槽盒是指钢板制成涂以油漆或其他涂层防腐的电缆梯架、托盘和槽盒,镀锌电缆梯架、托盘和槽盒也是钢板制成的,但是是经镀锌防腐处理的。本条修改了原规范中要求固定金属梯架、托盘或槽盒的金属支架也应与保护导体连接的要求,主要是考虑到:金属梯架、托盘或槽盒已与保护导体进行了可靠连接,一旦电缆或导线发生绝缘损坏,泄漏电流将直接通过金属梯架、托盘、槽盒和保护导体导入接地装置,不可能引起金属支架的带电,故金属支架没有必要单独再与保护导体连接。本条要求与保护导体可靠连接包括螺栓锁紧连接和非镀锌钢材的焊接连接两种连接方法。 11.1.2 表11.1.2的规定与现行国家标准《电气装置安装工程电缆线路施工及验收规范》GB 50168是基本一致的。规定电缆梯架、托盘和槽盒在转弯和分支处采用工厂生产专用连接配件,不排除特殊部位自制弯头。一方面是保证电缆弯曲半径满足要求,避免电缆绝缘层和外护层的破坏,另一方面也能保证工程的观感质量,数据来自制造和检验标准。低压铝合金导体电力电缆采用的是AA8030的铝合金材料,在电缆制作过程中铝合金导体经过退火处理,且由于导体绞合方式、成缆绞合方式和联锁型铠装结构的特点,使得铝合金导体电力电缆的弯曲半径可以更小,尤其适用于改造工程、建筑内部的电力供电,能节约空间。该弯曲半径与《美国电气安装规范》NEC(2011年版)第330.24条B)款的规定是一致的。
11.2 一般项目
11.2.1 直线敷设的电缆梯架、托盘和槽盒,要考虑因环境温度变化而引起膨胀或收缩,所以要装补偿的伸缩节,以免产生过大的膨胀力或收缩力而破坏梯架、托盘和槽盒整体性,建筑物伸缩缝处的梯架、托盘和槽盒补偿装置是为了建筑物沉降等发生位移时防止损伤梯架、托盘、槽盒和电缆的措施,以保证供电安全可靠。 11.2.2 要求螺母位于梯架、托盘和槽盒外侧,主要是防止电缆或导线敷设时受损伤。 11.2.3 为了使电缆供电时散热良好和当气体管道发生故障时,最大限度地减少对电缆梯架、托盘、槽盒及电缆的影响,因而作出敷设位置和注意事项的规定;同时基于防火需要和承力钢结构的安全,提出应做好防火隔堵措施和支架焊接要求等;当电缆通过室外安装的梯架、托盘、槽盒进入配电箱(柜)或室内时,为防止大雨天气雨水沿着梯架、托盘、槽盒进入配电箱(柜)或室内而发生安全事故,提出了防雨水的措施,这些措施包括:梯架、托盘、槽盒与配电箱(柜)或墙体接口处设置“乙”字弯或做防水封堵等。
12 导管敷设 12.1 主控项目
12.1.1 本规范中的金属导管主要包括:钢导管、可弯曲金属导管和金属柔性导管,这些金属导管属外露可导电部分,因此与保护导体可靠连接是基本要求,以防产生间接接触电击现象,其跨接导体的规格是参照国家标准《建筑物电气装置 第5-54部分:电气设备的选择和安装 接地配置、保护导体和保护联结导体》GB 16895.3-2004/IEC60364-5-54:2002第543.1.3条而提出的,对采用熔焊焊接的钢质保护联结导体的规格是按等同铜质2.5mm2的载流量结合相关接地装置规范综合考虑的,实际施工中应参照设计文件执行。本条主要突出对镀锌与非镀锌钢导管的不同处理方法和要求。设计选用镀锌的材料,理由是抗锈蚀性好,使用寿命长,施工中不应破坏锌保护层,保护层不仅是外表面,还包括内壁表面,如果焊接接地线用熔焊法,则必然会破坏内、外表面的锌保护层,外表面尚可用刷油漆补救,而内表面则无法刷漆,这显然违背了设计采用镀锌材料的初衷,若设计既选用镀锌材料,说明中又允许熔焊处理,其推理上必然相悖。可弯曲金属导管和金属柔性导管由于其结构特性所决定,安装施工工艺无法保证施焊后的导管不被损坏,故也不允许熔焊连接。对镀锌钢导管、可弯曲金属导管和金属柔性导管连接处的两端跨接保护联结导体的做法既可采用锡焊焊接连接,也可采用专用接地卡连接,由于导管连接部位的不确定性,对高处施工或施工作业环境狭小的场所锡焊连接可能有一定的难度,可选用专用接地卡固定保护联结导体。本条所指机械连接仅指紧定式连接和扣压式连接,对连接处的接触电阻有异议时,应在材料进场验收时进行抽样检验,抽样方法按现行国家标准《电气安装用导管系统 第1部分:通用要求》GB/T 20041.1的相关规定执行。 12.1.2 本条与本规范修订前一致,是原规范的强制性条文。镀锌钢导管不能熔焊连接的理由如本规范第12.1.1条所述,考虑到技术经济原因,钢导管不得采用熔焊对口连接,技术上熔焊会产生烧穿,内部结瘤,使穿线缆时损坏绝缘层,埋入混凝土中会渗入浆水导致导管堵塞,这种现象显然是不容许发生的;若使用高素质焊工,采用气体保护焊方法,进行焊口破坏性抽检,对建筑电气配管来说没有这个必要,不仅施工工序繁琐,使施工效率低下,在经济上也是不合算的。现在已有不少薄壁钢导管的连接工艺标准问世,如螺纹连接、紧定连接、卡套连接等,既技术上可行,又经济上价廉,只要依据具体情况选用不同连接方法,薄壁钢导管的连接工艺问题是可以解决的,这条规定仅是不允许安全风险太大的熔焊连接工艺的应用。文中的薄壁钢导管是指壁厚小于或等于2mm的钢导管,壁厚大于2mm的称厚壁钢导管。 12.1.4 密闭或防护密闭隔墙的部位在建筑工程中一般属人防工程的隔墙,为防止各类毒剂的入侵,保证导管穿越墙体时保持其密闭性,导管穿越密闭或防护密闭隔墙时需要设置带有密闭翼环的密闭套管,导管穿越密闭穿墙套管后需设置过线盒,其目的是为了穿线或穿电缆后便于做密封处理,导管穿越套管及导管内穿线或穿电缆后,应将导管与套管间空隙及过线盒内的管口用密封材料填充密实。
12 导管敷设 12.1 主控项目
12.1.1 本规范中的金属导管主要包括:钢导管、可弯曲金属导管和金属柔性导管,这些金属导管属外露可导电部分,因此与保护导体可靠连接是基本要求,以防产生间接接触电击现象,其跨接导体的规格是参照国家标准《建筑物电气装置 第5-54部分:电气设备的选择和安装 接地配置、保护导体和保护联结导体》GB 16895.3-2004/IEC60364-5-54:2002第543.1.3条而提出的,对采用熔焊焊接的钢质保护联结导体的规格是按等同铜质2.5mm2的载流量结合相关接地装置规范综合考虑的,实际施工中应参照设计文件执行。本条主要突出对镀锌与非镀锌钢导管的不同处理方法和要求。设计选用镀锌的材料,理由是抗锈蚀性好,使用寿命长,施工中不应破坏锌保护层,保护层不仅是外表面,还包括内壁表面,如果焊接接地线用熔焊法,则必然会破坏内、外表面的锌保护层,外表面尚可用刷油漆补救,而内表面则无法刷漆,这显然违背了设计采用镀锌材料的初衷,若设计既选用镀锌材料,说明中又允许熔焊处理,其推理上必然相悖。可弯曲金属导管和金属柔性导管由于其结构特性所决定,安装施工工艺无法保证施焊后的导管不被损坏,故也不允许熔焊连接。对镀锌钢导管、可弯曲金属导管和金属柔性导管连接处的两端跨接保护联结导体的做法既可采用锡焊焊接连接,也可采用专用接地卡连接,由于导管连接部位的不确定性,对高处施工或施工作业环境狭小的场所锡焊连接可能有一定的难度,可选用专用接地卡固定保护联结导体。本条所指机械连接仅指紧定式连接和扣压式连接,对连接处的接触电阻有异议时,应在材料进场验收时进行抽样检验,抽样方法按现行国家标准《电气安装用导管系统 第1部分:通用要求》GB/T 20041.1的相关规定执行。 12.1.2 本条与本规范修订前一致,是原规范的强制性条文。镀锌钢导管不能熔焊连接的理由如本规范第12.1.1条所述,考虑到技术经济原因,钢导管不得采用熔焊对口连接,技术上熔焊会产生烧穿,内部结瘤,使穿线缆时损坏绝缘层,埋入混凝土中会渗入浆水导致导管堵塞,这种现象显然是不容许发生的;若使用高素质焊工,采用气体保护焊方法,进行焊口破坏性抽检,对建筑电气配管来说没有这个必要,不仅施工工序繁琐,使施工效率低下,在经济上也是不合算的。现在已有不少薄壁钢导管的连接工艺标准问世,如螺纹连接、紧定连接、卡套连接等,既技术上可行,又经济上价廉,只要依据具体情况选用不同连接方法,薄壁钢导管的连接工艺问题是可以解决的,这条规定仅是不允许安全风险太大的熔焊连接工艺的应用。文中的薄壁钢导管是指壁厚小于或等于2mm的钢导管,壁厚大于2mm的称厚壁钢导管。 12.1.4 密闭或防护密闭隔墙的部位在建筑工程中一般属人防工程的隔墙,为防止各类毒剂的入侵,保证导管穿越墙体时保持其密闭性,导管穿越密闭或防护密闭隔墙时需要设置带有密闭翼环的密闭套管,导管穿越密闭穿墙套管后需设置过线盒,其目的是为了穿线或穿电缆后便于做密封处理,导管穿越套管及导管内穿线或穿电缆后,应将导管与套管间空隙及过线盒内的管口用密封材料填充密实。
12.2 一般项目
12.2.1 导管的弯曲半径的数值是经验数据,与原有类同规范数值是相同的,在实践中证明是可行的,弯曲半径越小,穿线时拉力越大,绝缘层被管壁磨损越严重。类同规范规定埋设于地下或混凝土内的导管,其弯曲半径均不应小于管外径的10倍,规定值比其他情况均较大的原因是为了更方便穿线,不致使导线穿不过而造成开凿返工,地下和混凝土内返工难度大,还会影响结构安全。本规范将地下和混凝土中的弯曲半径值区分开来,地下仍规定为导管外径的10倍,而混凝土内改为导管外径的6倍,主要考虑到现在建筑物楼板均为现浇,导管弯曲半径值规定太大,则竖向沿墙导管引入楼板时在墙根处导管会裸露在外,影响装修和日后使用效果,由于规定的是最小值,所以楼板内的弯曲半径值可尽量做大。 12.2.2 吊架是指用小直径圆钢,带有可调节悬吊高度螺纹的一种固定支架,建筑电气施工中,吊顶内的配管大量采用此类吊架,一定程度上节约了投入成本,但由于构造原因,由此产生了新的问题,受到外力扰动易发生晃动,管内穿线时线路摆动不稳易发生安全事故,故需设置刚度较大的防晃支架,防晃支架的位置宜在线路的中部,而线路端部明确规定设置刚性的固定支架。 12.2.3 暗配管要有一定的埋设深度,太深不利于与盒、箱连接,有时剔槽太深会影响墙体等建筑物的质量;太浅同样不利于与盒、箱连接,还会使建筑物表面有裂纹,在某些潮湿场所(如实验室等),钢导管的锈蚀会印显在墙面上,所以埋设深度恰当,既保护导管又不影响建筑物质量。但当设计有特殊要求时(如火灾自动报警系统的电气线路配管),则应按设计要求进行配管埋设。 12.2.4 室内导管管口高出基础面的目的是防止尘埃等异物进入管子,也避免室外积水或室内外地面清扫冲洗时水流流入管内,这都能使导管的防腐和导线的绝缘处于良好状态;管口太高也不合适,会影响导线或电缆的上部出线和柜、台、箱内下部电气设备的接线。 12.2.5 建筑电气工程的室外部分与主体建筑的电气工程往往是紧密相连的,如庭院布置的需要、对建筑景观照明的需要,维修更新的周期短,人来车往接触频繁。设计中考虑的原则也不一样,不能与工厂或长途输电的电缆一样采用直埋敷设,敷设的位置也很难避免车辆和人流的干扰。为安全考虑,均规定为穿导管敷设,其埋设深度是由设计根据所处位置的抗压条件和冻土层厚度而决定的,因此施工时应符合设计要求。薄壁的钢导管直埋于土壤内很易腐蚀,使用寿命不长,限制使用;室外配管不应敞口垂直向上主要是防止雨水入侵管内,影响运行安全;管口设在盒、箱和建筑物内,是为防止雨水侵入;管口密封有两层含义,一是防止异物进入,二是最大限度地减少管内凝露,以减缓内壁锈蚀现象。 12.2.6 明配管要合理设置固定点,是为了穿线缆时不发生管子移位脱落现象,也是为了使电气线路有足够的机械强度,受到冲击(如轻度地震)仍安全可靠地保持使用功能。接线或过渡盒(箱)分明配和暗配两类,其构造是不同的,防腐和抗机械冲击强度及使用年限也不同,误用后将影响工程质量,不能达到预期功能要求,也会影响工程使用寿命。 12.2.7 刚性绝缘导管可以螺纹连接,更适宜用胶合剂粘接,粘接可方便与设备器具间的连接,效率高、质量好、便于施工。 12.2.8 在建筑电气工程中,不能将柔性导管用作线路的敷设,仅在刚性导管不能准确配入电气设备器具时做过渡导管用,所以要限制其长度,且动力工程和照明工程所用的场合不同,规定的允许长度有所不同。 12.2.9 非镀锌钢导管的防腐,对外壁防腐的争论不大,内壁防腐因为管径小,较难处理,主要是工艺较麻烦,不是做不到。根据现行国家标准《电气安装用导管系统 第1部分:通用要求》GB/T 20041.1-2015规定,钢导管的防护能力分为4个等级,并作出防护试验的细则规定。由此可以认为,非镀锌钢导管应做防护(防腐),不管什么场所选用何种等级,是设计要明确的,否则仅认为导管内、外壁要作油漆处理。导管与其他管道应保持一定距离,是为了运行安全,其所列数据与相关设计规范是一致的。
13 电缆敷设 13.1 主控项目
13.1.1 本条与本规范修订前一致,是原规范的强制性条文。本条是根据电气装置的外露可导电部分均应与保护导体可靠连接这一原则提出的,目的是保护人身安全和供电安全。金属电缆支架通常与保护导体做熔焊连接,熔焊焊缝应饱满、焊缝无咬肉。 13.1.2 本条是对电缆敷设完成后的质量要求,建筑电气工程中电缆敷设基本采用电缆沟内或电气竖井内沿支架上敷设、电缆托盘或梯架或槽盒内敷设和电缆穿管敷设等方式,对电缆沟内或电气竖井内沿支架敷设的方式,可以等电缆全部敷设完后进行检查;对在电缆托盘或梯架或槽盒内敷设的电缆应在敷设过程中进行分层检查,以免电缆敷设完成后由于电缆叠加不方便检查;对电缆穿管敷设应使导管的管口和导管连接处光滑、无毛刺。 13.1.3 敷设在室内设备附近或穿越楼板、墙体以及在室外的电缆,不可避免地存在有损于电缆的情况,但只要采取一些措施是可以避免的,这些措施包括加套保护管、铺砂或选用合适的电缆等。 13.1.4 设计中,并联使用的电缆型号、规格、长度一般是相同的。本条主要是考虑由于施工现场的工期问题或电缆货源问题,随意替代会造成一根电缆过载一根电缆负荷不足影响运行安全的现象。由于不同型号或不同规格的电缆的允许载流量和允许运行温度是不相同的,不同长度的电缆其负荷的分配比例也是有区别的,将会影响电缆运行的安全。 13.1.5 本条是在原规范强制性条文的基础上进行了局部修改,是电缆敷设在钢导管内或电缆固定的基本要求,也是为了安全供电应该做到的规定。尤其在采用预制电缆头作分支连接或单芯矿物绝缘电缆在进、出配电柜、箱时,要防止分支处电缆芯线单根固定时,采用的夹具和支架形成闭合铁磁回路。说得严谨一点,钢导管或钢夹具和支架是指可导磁的钢导管或钢夹具和支架。 13.1.6 这是使零序电流互感器正确反映电缆运行情况,并防止离散电流的影响而使零序保护错误发出信号或动作的规定。 13.1.7 电缆敷设方式有沿支架、托盘、梯架、槽盒或直埋等多种形式,电缆的用途也各不相同,按功能分有正常供配电和应急或事故用供配电电缆,按电压等级分有高压、低压电缆,按用途分有动力、照明和控制电缆。对不同用途或电压等级的电缆其敷设方式、排列要求各有不同,这些是由设计单位在设计文件中作出规定的,施工单位在施工中应按设计要求进行施工。由于矿物绝缘电缆的硬度相对较高,规定在温度变化大的场所、振动场所或穿越建筑物变形缝等部位采取补偿措施是为了避免出现电缆变形和位移等状况。
13 电缆敷设 13.1 主控项目
13.1.1 本条与本规范修订前一致,是原规范的强制性条文。本条是根据电气装置的外露可导电部分均应与保护导体可靠连接这一原则提出的,目的是保护人身安全和供电安全。金属电缆支架通常与保护导体做熔焊连接,熔焊焊缝应饱满、焊缝无咬肉。 13.1.2 本条是对电缆敷设完成后的质量要求,建筑电气工程中电缆敷设基本采用电缆沟内或电气竖井内沿支架上敷设、电缆托盘或梯架或槽盒内敷设和电缆穿管敷设等方式,对电缆沟内或电气竖井内沿支架敷设的方式,可以等电缆全部敷设完后进行检查;对在电缆托盘或梯架或槽盒内敷设的电缆应在敷设过程中进行分层检查,以免电缆敷设完成后由于电缆叠加不方便检查;对电缆穿管敷设应使导管的管口和导管连接处光滑、无毛刺。 13.1.3 敷设在室内设备附近或穿越楼板、墙体以及在室外的电缆,不可避免地存在有损于电缆的情况,但只要采取一些措施是可以避免的,这些措施包括加套保护管、铺砂或选用合适的电缆等。 13.1.4 设计中,并联使用的电缆型号、规格、长度一般是相同的。本条主要是考虑由于施工现场的工期问题或电缆货源问题,随意替代会造成一根电缆过载一根电缆负荷不足影响运行安全的现象。由于不同型号或不同规格的电缆的允许载流量和允许运行温度是不相同的,不同长度的电缆其负荷的分配比例也是有区别的,将会影响电缆运行的安全。 13.1.5 本条是在原规范强制性条文的基础上进行了局部修改,是电缆敷设在钢导管内或电缆固定的基本要求,也是为了安全供电应该做到的规定。尤其在采用预制电缆头作分支连接或单芯矿物绝缘电缆在进、出配电柜、箱时,要防止分支处电缆芯线单根固定时,采用的夹具和支架形成闭合铁磁回路。说得严谨一点,钢导管或钢夹具和支架是指可导磁的钢导管或钢夹具和支架。 13.1.6 这是使零序电流互感器正确反映电缆运行情况,并防止离散电流的影响而使零序保护错误发出信号或动作的规定。 13.1.7 电缆敷设方式有沿支架、托盘、梯架、槽盒或直埋等多种形式,电缆的用途也各不相同,按功能分有正常供配电和应急或事故用供配电电缆,按电压等级分有高压、低压电缆,按用途分有动力、照明和控制电缆。对不同用途或电压等级的电缆其敷设方式、排列要求各有不同,这些是由设计单位在设计文件中作出规定的,施工单位在施工中应按设计要求进行施工。由于矿物绝缘电缆的硬度相对较高,规定在温度变化大的场所、振动场所或穿越建筑物变形缝等部位采取补偿措施是为了避免出现电缆变形和位移等状况。
13.2 一般项目
13.2.1 电缆在沟内或电气竖井内敷设,要用支架支持或固定,因而支架的安装是关键,其相互间距离是否恰当,对通电后电缆的散热状况是否良好,对电缆的日常巡视和维护检修是否方便以及在电缆弯曲处的弯曲半径是否合理均有影响。规定最上层电缆支架距其他设备的最小净距,是为了避免设备维护检修时引起电缆损伤而作出的防护要求,最下层电缆支架距沟底、地面的最小净距,主要是为了避免电缆沟或隧道或屋面积水影响电缆的正常运行。表中数据基本与现行国家标准《电力工程电缆设计规范》GB 50217保持一致。 13.2.2 本条需要说明的有三点,一是电缆在电气竖井内敷设完毕,应先做电气交接试验,合格后再按设计要求做防火隔堵措施,防火隔堵是否符合要求,是施工验收时必检的项目。二是增加铝合金电缆的内容,铝合金带联锁铠装硬度大,其支持点的间距规定与美国《国家电气规范》NEC(2011年版)第330.30-B款的规定是一致的:联锁型或皱纹型铠装电缆(Metal Clad Cable)的支持点的距离不超过1.8m。三是增加了电缆出入梯架、托盘、槽盒及配电(控制)柜、台、箱、盘要做固定的要求,旨在减少电缆局部受力和电缆端子连接部位的受力。电缆穿导管保护时的导管内径不应小于电缆外径的1.5倍,当多根电缆穿同一导管时,其电缆外径应为所有电缆绑扎在一起时并通过计算后的数值。本条中提及的无挤塑外护层电缆金属护套指的是矿物绝缘电缆的铜或铝金属护套,为避免不同金属材料间的接触发生晶间腐蚀而作出了相应规定。 13.2.3 建筑工程中采用直埋电缆的部位大多是在室外,一般用于路灯,当电缆直埋于车辆有可能通过的草坪或行人等部位时,为避免由于泥土回填不当造成直埋的电缆受损、影响安全而作出本条规定。 13.2.4 本条是为了运行中巡视和方便维护检修而作出的规定。
14 导管内穿线和槽盒内敷线 14.1 主控项目
14.1.1 金属导管、金属槽盒为铁磁性材料,为防止管内或槽盒内存在不平衡交流电流产生的涡流效应使导管或槽盒温度升高,导致导管内或槽盒内绝缘导线的绝缘层迅速老化,甚至龟裂脱落,发生漏电、短路、着火等事故而作出本条规定。 14.1.2 本条是防止发生短路故障和抗干扰而作的规定。 14.1.3 导线接头若设置在导管内,则穿线难度大,且发生故障时不利于检修;导线接头在槽盒内,发生故障时会蔓延到其他回路。为保证安全,便于维护检修作出本条规定。
14 导管内穿线和槽盒内敷线 14.1 主控项目
14.1.1 金属导管、金属槽盒为铁磁性材料,为防止管内或槽盒内存在不平衡交流电流产生的涡流效应使导管或槽盒温度升高,导致导管内或槽盒内绝缘导线的绝缘层迅速老化,甚至龟裂脱落,发生漏电、短路、着火等事故而作出本条规定。 14.1.2 本条是防止发生短路故障和抗干扰而作的规定。 14.1.3 导线接头若设置在导管内,则穿线难度大,且发生故障时不利于检修;导线接头在槽盒内,发生故障时会蔓延到其他回路。为保证安全,便于维护检修作出本条规定。
14.2 一般项目
14.2.1 绝缘导线因无护套,无导管或槽盒保护易导致绝缘导线受损,发生触电和火灾等事故。 14.2.2 管内清洁、干燥,便于维修和更换导线;钢导管管口护线口应齐全可靠,防止导线绝缘层受损伤。 14.2.3 确保导线及其接头不外露,同本规范第14.2.1条。 14.2.4 绝缘导线外护层的颜色要有区别,是为识别其不同功能或相位而规定的,既有利于施工又方便日后检修。PE和N的颜色是国际统一认同的,其他绝缘导线的颜色国际上并未强制要求统一,且我国电力供电线路和大量国内电气产品的绝缘导线外护层颜色尚未采用国际上建议采用的颜色(即相线L1、L2、L3用黑色、棕色、灰色),一直沿用相线L1、L2、L3采用黄色、绿色、红色的标准。要求同一建筑物、构筑物内其不同功能的导线绝缘层颜色能区分又保持一致是提高施工服务质量的体现。 14.2.5 本条规定主要是为了保证用电安全、方便检修,也是为了避免线路之间的相互干扰及导线敷设过程或运行中的意外损伤、避免导线受到额外的应力。槽盒内导线敷设数量的规定是与现行国家标准《低压配电设计规范》GB 50054的规定相一致的。
15 塑料护套线直敷布线
15.1 主控项目
15.1.1 本条与现行国家标准《1kV及以下配线工程施工与验收规范》GB 50575-2010中第5.5.1条强制性条文的规定一致。塑料护套线直接敷设在建筑物顶棚内,不便于观察和监视,易被老鼠等小动物啃咬,且检修时易造成线路的机械损伤;敷设在墙体内、抹灰层内、保温层内、装饰面内等隐蔽场所,将导致:导线无法检修和更换;会因墙面钉入铁件而损坏线路,造成事故;导线受水泥、石灰等碱性介质的腐蚀而加速老化,或施工操作不当损坏导线,造成严重漏电,从而危及人身安全。 15.1.2 为保护塑料护套线不受意外损伤,保护部位可使用中型及以上塑料导管或钢套管保护。 15.1.3 本条同样是为了保护导线不受意外损伤所作的技术规定。
15.2 一般项目
15.2.1 规定弯曲半径最小值,可防止护套层开裂,同时为使导线敷设平直。 15.2.2 本条是从安全角度考虑提出的技术规定。 15.2.3 本条是为了固定牢固、连接可靠、安全美观而作出的技术规定。 15.2.4 本条是为敷设美观而提出的要求。
16 钢索配线
16.1 主控项目
16.1.1 含油芯的钢索易积储灰尘而锈蚀,采用镀锌钢索的目的是为了防止钢索锈蚀。钢索不应有扭曲和断股等缺陷,目的是为了保证钢索的强度,确保安全。 16.1.3 本条是为防止钢索终端张拉装置破坏而作的技术规定,目的是为了运行安全。虽然设计时已考虑了较大的安全系数,为6~8,但施工中仍可能有不确定因素存在,还是要以过载试验复核为好。 16.1.4 钢索的弛度大小影响钢索所受的张力,钢索的弛度是靠花篮螺栓来调整的,为确保钢索在允许安全的强度下正常工作,并使钢索终端固定牢固,作出本条规定。
16.2 一般项目
16.2.1 为保证钢索张力不大于钢索允许应力,提出了固定点的间距要求。固定吊钩上的深度及防跳装置的规定,是为了防止钢索受外界干扰的影响发生跳脱现象,造成钢索张力加大,导致钢索拉断。 16.2.3 本条是确保钢索上配线固定可靠而作的规定。其数值与原规范一致。
17 电缆头制作、导线连接和线路绝缘测试 17.1 主控项目
17.1.1 电缆耐压试验是常规要求,其试验应在电缆敷设完毕,电缆做好电缆头后进行,合格后,方能通电运行。 17.1.2 配电线路必须做绝缘电阻测试也是常规要求,其测试必须在线路敷设完毕,导线做好连接端子后,再做绝缘电阻测试,合格后,方能通电运行。对低压或特低电压配电线路的绝缘电阻值的要求是根据现行国家标准《低压电气装置 第6部分:检验》GB 16895.23-2012/IEC 60364-6:2006第61.3.3条而提出的,其绝缘电阻的测试应在设备未接入时进行。对矿物绝缘电缆绝缘电阻值作出的特别规定,是由于矿物绝缘电缆的绝缘填充材料有氧化镁材料、矿物云母材料和陶瓷化硅橡胶材料,其吸潮性均不相同,对绝缘电阻的要求也不相同,同时国家标准对成品电缆和已制作完成电缆终端头的电缆绝缘电阻要求是不同的,因此在标准执行和施工中应区别对待,并应分别按产品技术标准要求进行检查。 17.1.3 电力电缆外护层的接地导体截面在实际工程中往往缺乏相关技术参数,表中推荐值为通常选用值,也是与国家标准《电气装置安装工程 电缆线路施工及验收规范》GB 50168-2006第6.1.9条一致的。 17.1.4 电缆端子与设备或器具的连接视同母线与母线、母线与设备端子的连接。
17 电缆头制作、导线连接和线路绝缘测试 17.1 主控项目
17.1.1 电缆耐压试验是常规要求,其试验应在电缆敷设完毕,电缆做好电缆头后进行,合格后,方能通电运行。 17.1.2 配电线路必须做绝缘电阻测试也是常规要求,其测试必须在线路敷设完毕,导线做好连接端子后,再做绝缘电阻测试,合格后,方能通电运行。对低压或特低电压配电线路的绝缘电阻值的要求是根据现行国家标准《低压电气装置 第6部分:检验》GB 16895.23-2012/IEC 60364-6:2006第61.3.3条而提出的,其绝缘电阻的测试应在设备未接入时进行。对矿物绝缘电缆绝缘电阻值作出的特别规定,是由于矿物绝缘电缆的绝缘填充材料有氧化镁材料、矿物云母材料和陶瓷化硅橡胶材料,其吸潮性均不相同,对绝缘电阻的要求也不相同,同时国家标准对成品电缆和已制作完成电缆终端头的电缆绝缘电阻要求是不同的,因此在标准执行和施工中应区别对待,并应分别按产品技术标准要求进行检查。 17.1.3 电力电缆外护层的接地导体截面在实际工程中往往缺乏相关技术参数,表中推荐值为通常选用值,也是与国家标准《电气装置安装工程 电缆线路施工及验收规范》GB 50168-2006第6.1.9条一致的。 17.1.4 电缆端子与设备或器具的连接视同母线与母线、母线与设备端子的连接。
17.2 一般项目
17.2.1 电缆头支架未做固定或固定不可靠或截面积较大的电缆弯曲后自然形成的外力,均可能导致电缆与电器元器件或设备端子连接后,使电器元器件或设备端子受到额外的附加力,这显然是不允许的。 17.2.2 本条要求多芯导线与设备端子连接前通过接续端子连接,是为了连接更可靠、安全。 17.2.3 现行国家标准《低压电气装置 第5-52部分:电气设备的选择和安装 布线系统》GB 16895.6-2014第526.2条电气连接的“注”规定:“在电力电缆中应避免采用焊接连接,若采用时必须考虑接头的蠕变和机械强度”。考虑到导线连接时也存在蠕变和机械强度问题,且在故障情况下存在温升,所以将绝缘导线的连接也提出了相同的要求,且由于目前国内已有符合标准的连接器可供选择,故本条并未强调多芯导线连接前一定要搪锡。当导线的连接方式不能有效补偿焊锡的蠕变,使导线与端子间有微小间隙时,可能会造成导线接触不良而异常发热,则不应搪锡,如螺纹压紧方式的导线连接器;而当线芯过细在连接过程中有断丝危险时,可搪锡处理,但应采用能补偿焊锡蠕变的连接方式,如弹*片簧**压紧方式的导线连接器。又考虑到中国施工工艺长期以来允许采用涮锡工艺,本条还继续允许导线采用缠绕搪锡连接,但不得采用简单缠绕后不经搪锡,直接用绝缘物包裹的做法,由于简单缠绕连接不能确保导线间有足够的接触力,连接点的机械强度不能满足使用要求,极易造成接触不良而导致发热,甚至引起火灾,因此要求不采用此类不规范做法。但导线采用缠绕搪锡后其连接接触是良好的,应采用塑料绝缘胶带(乙烯基胶带)缠绕,不应选用“电工黑胶布”,“电工黑胶布”是用于防磨保护,而并不能作为绝缘防护材料使用。现行国家标准《家用和类似用途低压电路用的连接器件》GB 13140的相关要求,包括:(1)《家用和类似用途低压电路用的连接器件 第1部分:通用要求》GB 13140.1/IEC 60998-1;(2)《家用和类似用途低压电路用的连接器件 第2部分:作为独立单元的带螺纹型夹紧件的连接器件的特殊要求》GB 13140.2/IEC 60998-2-1;(3)《家用和类似用途低压电路用的连接器件 第2部分:作为独立单元的带无螺纹型夹紧件的连接器件的特殊要求》GB 13140.3/IEC 60998-2-2;(4)《家用和类似用途低压电路用的连接器件 第2部分:扭接式连接器件的特殊要求》GB 13140.5/IEC 60998-2-4。 17.2.4 铝合金带联锁铠装作为电缆外护套时,应与保护接地导体(PE)可靠连接,由于其结构和截面积所限,不应作为保护接地导体(PE)使用。铝/铝合金电缆导体在空气中会被迅速氧化,因此在压接端子的时候,需要除去氧化层并立即涂抹抗氧化剂,才能保证铝合金电缆的压接质量,压接完成后擦掉端子上剩余的氧化剂再做绝缘保护。由于铝合金电缆所匹配的端子硬度较大,导线端子压接需要使用相应的模具和压接工具进行压接,如果不匹配会造成压接面积不足,导致端子发热。 17.2.5 本规范附录H引自现行国家标准《低压开关设备和控制设备 第1部分:总则》GB 14048.1的规定。 17.2.6 大规格金具、端子与小规格芯线连接,如焊接将多用焊料,不经济,如压接则更不可取,压接不到位也压不紧,电阻大,运行时要过热而出故障;反之小规格金具、端子与大规格芯线连接,必然要截去部分芯线,同样的不能保证连接质量,而在使用中易引发电气故障,所以必须两者适配。开口端子一般用于实验室或调试用的临时线路上,便于拆装,不应用在永久性连接的线路上,否则可靠性就无法保证,对导体的连接金具的性能在现行国家标准《额定电压35kV(Um=40.5kV)及以下电力电缆导体用压接式和机械式连接金具 试验方法和要求》GB/T 9327中有相应的规定。 17.2.7 本条是为避免施工过程中接线端子规格与电气器具规格不配套时,发生任意减小导线截面积或电器连接件截面积而导致设备运行中发生安全事故作出的规定。施工中可通过转接铜排的方式,先将端子与具有同等载流量的铜排连接,再将铜排与电气器具连接,端子与铜排连接时,螺栓的拧紧力矩应符合本规范附录H的规定。
18 普通灯具安装 18.1 主控项目
18.1.1 本条与现行国家标准《建筑电气照明装置施工与验收规范》GB 50617-2010中第3.0.6条和第4.1.15条强制性条文一致。由于木楔、尼龙塞或塑料塞不具有像膨胀螺栓的楔形斜度,无法促使膨胀产生摩擦握裹力而达到锚定效果,所以在砌体和混凝土结构上不应用其固定灯具,以免发生由于安装不可靠或意外因素,发生灯具坠落现象而造成人身伤亡事故。通过抗拉拔力试验而知,灯具的固定装置(采用金属型钢现场加工,用

8的圆钢作马鞍形灯具吊钩)若用2枚M8的金属膨胀螺栓可靠地后锚固在混凝土楼板中,抗拉拔力可达10kN以上且抗拉拔力取决于金属膨胀螺栓的规格大小和安装可靠程度;灯具的固定装置若焊接到混凝土楼板的预埋铁板上,抗拉拔力可达到22kN以上且抗拉拔力取决于装置材料自身的强度。因此对于质量小于10kg的灯具,其固定装置由于材料自身的强度,无论采用后锚固或在预埋铁板上焊接固定,都是可以承受5倍灯具重量的载荷的。质量大于10kg的灯具,其固定及悬吊装置应该采用在预埋铁板上焊接或后锚固(金属螺栓或金属膨胀螺栓)等方式安装,不宜采用塑料膨胀螺栓等方式安装,但无论采用哪种安装方式,均应符合建筑物的结构特点,且按照本条要求全数做强度试验,以确保安全。有些灯具体积和质量都较大,其固定和悬吊装置与建筑物(构筑物)之间可能采用多点固定的方式,施工单位可按固定点数的一定比例进行抽查,但应编制灯具载荷强度试验的专项方案,报监理单位审核。灯具所提供的吊环、连接件等附件强度已由灯具制造商在工厂进行过载试验,根据现行国家标准《灯具 第1部分:一般要求与试验》GB 7000.1-2007中第4.14.1条的规定,对所有的悬挂灯具应将4倍灯具重量的恒定均布载荷以灯具正常的受载方向加在灯具上,历时1h,试验终了时,悬挂装置(灯具附件)的部件应无明显变形。因此标准规定在灯具上加载4倍灯具重量的载荷,则灯具的固定及悬吊装置(施工单位现场安装的)就须承受5倍灯具重量的载荷。灯具的固定及悬吊装置是由施工单位在现场安装的,其形式应符合建筑物的结构特点。固定及悬吊装置安装完成、灯具安装前要求在现场做恒定均布载荷强度试验,试验的目的是检验固定及悬吊装置安装的可靠性,考虑到灯具安装完成后固定及悬吊装置承受的是静载荷,故试验时间为15min,试验结束后,固定装置及悬吊装置应无明显变形或松动。 18.1.2 悬吊式灯具能否可靠固定,对于人身安全是至关重要的。带升降器的软线吊灯在吊线展开后不应触及工作台面或过于接近台面,以防发生玻璃灯罩或灯管(泡)碰到工作台面爆裂造成人身伤害,且能防止较热光源长时间靠近台面上的易燃物品,烤焦台面物品;普通软线吊灯,大部分已用双绞塑料绝缘线取代纱包橡胶绝缘线,抗拉强度有所降低,约可承受0.8kg的质量而不被拉断,为确保安全,规定软线吊灯超过0.5kg时,不应利用灯具的电源线自身吊装而应增设吊链、吊绳或受力护套等保护措施;固定悬吊灯具的螺栓或吊钩与灯具是等强度概念,为避免螺栓或吊钩受意外拉力,发生灯具坠落现象,规定了螺栓或吊钩圆钢直径的下限。采用钢管作灯具吊杆特指现场制作的非成套或吊杆需改制的管吊式灯具,对成套提供的灯具吊杆符合产品技术要求即可。用钢管作灯具吊杆时,如果钢管内径太小,不利于穿线;管壁太薄,不利于套丝,套丝后强度也不能保证。螺纹连接的灯具,对其啮合扣数作出规定是为了确保连接紧密牢固。 18.1.3 本条是为保证安装的灯具牢固可靠而作的规定。 18.1.4 嵌入式灯具和槽灯在工程中得到广泛应用,导管与灯具壳体的连接、导线裸露和导线在灯槽内明敷是安装质量的通病,故作本条规定。 18.1.5 本条与现行国家标准《建筑电气照明装置施工与验收规范》GB 50617-2010中第4.1.12条强制性条文基本等效,在该条文的基础上增加了铜芯软导线的截面积要求。按防触电保护形式,灯具可分为Ⅰ类、Ⅱ类和Ⅲ类。Ⅰ类灯具的防触电保护不仅依靠基本绝缘,而且还包括基本的附加措施,即把外露可导电部分连接到固定的保护导体上,使外露可导电部分在基本绝缘失效时,防触电保护器将在规定时间内切断电源,不致发生安全事故。因此这类灯具必须与保护导体可靠连接,以防触电事故的发生,导线间的连接应采用导线连接器或缠绕搪锡连接。Ⅱ类灯具的防触电保护不仅依靠基本绝缘,而且具有附加安全措施,如双重绝缘或加强绝缘,但没有保护接地措施或依赖安装条件。Ⅲ类灯具的防触电保护是依靠电源电压为安全特低电压,其事故电压不会产生高于安全特低电压或正常条件下不接地的灯具。因此特别强调Ⅰ类灯具的外露可导电部分的接地要求。接地导线的截面积要求是与现行国家标准《建筑物电气装置 第5-54部分:电气设备的选择和安装 接地配置、保护导体和保护联结导体》GB 16895.3第543.1.1条的规定一致的。 18.1.6 在建筑电气照明工程中,灯具的安装位置和高度通常由设计确定,施工时严格按设计要求执行。这条仅作设计的补充,是从安全角度提出的安装高度要求。 18.1.7 埋地灯的防护等级关系到灯具能否正常工作,因此灯具及其附件的防护等级应符合设计要求。 18.1.8 庭院灯和建筑物附属路灯除有安装牢固、密闭防水、接地可靠的共性要求外,由于还有夜间照明和安全警卫的用途,因此灯具采购时施工单位应向厂家提出或确认配备合适的保护装置,安装完成后应检查闭锁防盗装置齐全,否则某套灯具的故障会造成整个回路停电,较大面积没有照明,是对人们行动和安全不利的。 18.1.9 公共场所属于人员比较集中的区域,大型灯具的玻璃罩也曾发生过向下溅落的事件,为保证区域内人员的活动安全特作出本条规定。一般设计上会有所考虑,灯具选型时会优先选用自带防护措施的灯具,如网罩、非玻璃制品替代玻璃罩,玻璃罩与灯具本体间采用金属链条、吊环等不致玻璃罩直接坠落等。安装时应严格按要求检查,确保防护措施的有效性。 18.1.10 LED照明产品虽然作为新型光源,具有环保、节能、高效、寿命长的优点,正在被人们逐渐接受,但是从安装形式分,仍然是嵌入式灯、吸顶灯、吊顶、投光灯等形式,所以不论哪一种安装形式,均需符合本规范相应类型灯具的安装规定。LED工作发光时,会产生很大的热量,进而影响LED灯具的寿命、发光效率和稳定性。生产厂家会从选材、灯具结构上做散热考虑和设计,所以灯具的安装位置也应考虑其散热条件。LED驱动电源已经成为LED灯质量的主要问题,其散热和防护是电源故障的主要外部因素。LED灯具常安装在建筑物外部,与建筑物轮廓一致,以显示建筑物的造型。由于安装在室外,密闭防水是施工的关键,所以无论是户外灯具本身及防水接头,还是管路和箱(盒),其IP防护等级均应满足设计要求。
18 普通灯具安装 18.1 主控项目
18.1.1 本条与现行国家标准《建筑电气照明装置施工与验收规范》GB 50617-2010中第3.0.6条和第4.1.15条强制性条文一致。由于木楔、尼龙塞或塑料塞不具有像膨胀螺栓的楔形斜度,无法促使膨胀产生摩擦握裹力而达到锚定效果,所以在砌体和混凝土结构上不应用其固定灯具,以免发生由于安装不可靠或意外因素,发生灯具坠落现象而造成人身伤亡事故。通过抗拉拔力试验而知,灯具的固定装置(采用金属型钢现场加工,用

8的圆钢作马鞍形灯具吊钩)若用2枚M8的金属膨胀螺栓可靠地后锚固在混凝土楼板中,抗拉拔力可达10kN以上且抗拉拔力取决于金属膨胀螺栓的规格大小和安装可靠程度;灯具的固定装置若焊接到混凝土楼板的预埋铁板上,抗拉拔力可达到22kN以上且抗拉拔力取决于装置材料自身的强度。因此对于质量小于10kg的灯具,其固定装置由于材料自身的强度,无论采用后锚固或在预埋铁板上焊接固定,都是可以承受5倍灯具重量的载荷的。质量大于10kg的灯具,其固定及悬吊装置应该采用在预埋铁板上焊接或后锚固(金属螺栓或金属膨胀螺栓)等方式安装,不宜采用塑料膨胀螺栓等方式安装,但无论采用哪种安装方式,均应符合建筑物的结构特点,且按照本条要求全数做强度试验,以确保安全。有些灯具体积和质量都较大,其固定和悬吊装置与建筑物(构筑物)之间可能采用多点固定的方式,施工单位可按固定点数的一定比例进行抽查,但应编制灯具载荷强度试验的专项方案,报监理单位审核。灯具所提供的吊环、连接件等附件强度已由灯具制造商在工厂进行过载试验,根据现行国家标准《灯具 第1部分:一般要求与试验》GB 7000.1-2007中第4.14.1条的规定,对所有的悬挂灯具应将4倍灯具重量的恒定均布载荷以灯具正常的受载方向加在灯具上,历时1h,试验终了时,悬挂装置(灯具附件)的部件应无明显变形。因此标准规定在灯具上加载4倍灯具重量的载荷,则灯具的固定及悬吊装置(施工单位现场安装的)就须承受5倍灯具重量的载荷。灯具的固定及悬吊装置是由施工单位在现场安装的,其形式应符合建筑物的结构特点。固定及悬吊装置安装完成、灯具安装前要求在现场做恒定均布载荷强度试验,试验的目的是检验固定及悬吊装置安装的可靠性,考虑到灯具安装完成后固定及悬吊装置承受的是静载荷,故试验时间为15min,试验结束后,固定装置及悬吊装置应无明显变形或松动。 18.1.2 悬吊式灯具能否可靠固定,对于人身安全是至关重要的。带升降器的软线吊灯在吊线展开后不应触及工作台面或过于接近台面,以防发生玻璃灯罩或灯管(泡)碰到工作台面爆裂造成人身伤害,且能防止较热光源长时间靠近台面上的易燃物品,烤焦台面物品;普通软线吊灯,大部分已用双绞塑料绝缘线取代纱包橡胶绝缘线,抗拉强度有所降低,约可承受0.8kg的质量而不被拉断,为确保安全,规定软线吊灯超过0.5kg时,不应利用灯具的电源线自身吊装而应增设吊链、吊绳或受力护套等保护措施;固定悬吊灯具的螺栓或吊钩与灯具是等强度概念,为避免螺栓或吊钩受意外拉力,发生灯具坠落现象,规定了螺栓或吊钩圆钢直径的下限。采用钢管作灯具吊杆特指现场制作的非成套或吊杆需改制的管吊式灯具,对成套提供的灯具吊杆符合产品技术要求即可。用钢管作灯具吊杆时,如果钢管内径太小,不利于穿线;管壁太薄,不利于套丝,套丝后强度也不能保证。螺纹连接的灯具,对其啮合扣数作出规定是为了确保连接紧密牢固。 18.1.3 本条是为保证安装的灯具牢固可靠而作的规定。 18.1.4 嵌入式灯具和槽灯在工程中得到广泛应用,导管与灯具壳体的连接、导线裸露和导线在灯槽内明敷是安装质量的通病,故作本条规定。 18.1.5 本条与现行国家标准《建筑电气照明装置施工与验收规范》GB 50617-2010中第4.1.12条强制性条文基本等效,在该条文的基础上增加了铜芯软导线的截面积要求。按防触电保护形式,灯具可分为Ⅰ类、Ⅱ类和Ⅲ类。Ⅰ类灯具的防触电保护不仅依靠基本绝缘,而且还包括基本的附加措施,即把外露可导电部分连接到固定的保护导体上,使外露可导电部分在基本绝缘失效时,防触电保护器将在规定时间内切断电源,不致发生安全事故。因此这类灯具必须与保护导体可靠连接,以防触电事故的发生,导线间的连接应采用导线连接器或缠绕搪锡连接。Ⅱ类灯具的防触电保护不仅依靠基本绝缘,而且具有附加安全措施,如双重绝缘或加强绝缘,但没有保护接地措施或依赖安装条件。Ⅲ类灯具的防触电保护是依靠电源电压为安全特低电压,其事故电压不会产生高于安全特低电压或正常条件下不接地的灯具。因此特别强调Ⅰ类灯具的外露可导电部分的接地要求。接地导线的截面积要求是与现行国家标准《建筑物电气装置 第5-54部分:电气设备的选择和安装 接地配置、保护导体和保护联结导体》GB 16895.3第543.1.1条的规定一致的。 18.1.6 在建筑电气照明工程中,灯具的安装位置和高度通常由设计确定,施工时严格按设计要求执行。这条仅作设计的补充,是从安全角度提出的安装高度要求。 18.1.7 埋地灯的防护等级关系到灯具能否正常工作,因此灯具及其附件的防护等级应符合设计要求。 18.1.8 庭院灯和建筑物附属路灯除有安装牢固、密闭防水、接地可靠的共性要求外,由于还有夜间照明和安全警卫的用途,因此灯具采购时施工单位应向厂家提出或确认配备合适的保护装置,安装完成后应检查闭锁防盗装置齐全,否则某套灯具的故障会造成整个回路停电,较大面积没有照明,是对人们行动和安全不利的。 18.1.9 公共场所属于人员比较集中的区域,大型灯具的玻璃罩也曾发生过向下溅落的事件,为保证区域内人员的活动安全特作出本条规定。一般设计上会有所考虑,灯具选型时会优先选用自带防护措施的灯具,如网罩、非玻璃制品替代玻璃罩,玻璃罩与灯具本体间采用金属链条、吊环等不致玻璃罩直接坠落等。安装时应严格按要求检查,确保防护措施的有效性。 18.1.10 LED照明产品虽然作为新型光源,具有环保、节能、高效、寿命长的优点,正在被人们逐渐接受,但是从安装形式分,仍然是嵌入式灯、吸顶灯、吊顶、投光灯等形式,所以不论哪一种安装形式,均需符合本规范相应类型灯具的安装规定。LED工作发光时,会产生很大的热量,进而影响LED灯具的寿命、发光效率和稳定性。生产厂家会从选材、灯具结构上做散热考虑和设计,所以灯具的安装位置也应考虑其散热条件。LED驱动电源已经成为LED灯质量的主要问题,其散热和防护是电源故障的主要外部因素。LED灯具常安装在建筑物外部,与建筑物轮廓一致,以显示建筑物的造型。由于安装在室外,密闭防水是施工的关键,所以无论是户外灯具本身及防水接头,还是管路和箱(盒),其IP防护等级均应满足设计要求。
18.2 一般项目
18.2.1 引向单个灯具的绝缘导线是指从配电回路的灯具接线盒引向灯具的这一段线路。这段线路常采用金属柔性导管保护,是为了保证绝缘导线能承受一定的机械应力和可靠地安全运行。现在工程中铝芯绝缘导线已经很少作为灯头线使用,故删去了铝芯绝缘导线作为灯头线的规定。 18.2.3 本条规定了照明灯具的高温部位靠近可燃物时应采取的保护措施,以预防和减少引发火灾事故。标有

符号的灯具不属此列,因为这类灯具即使由于元件故障造成的过高温度也不会使安装表面过热,即适宜于直接安装在普通可燃材料的表面上。 18.2.4 为确保设备上方灯具维修时的人身安全,同时也不因维修时意外触及裸母线而使正常供电中断,故作本条规定。 18.2.6 聚光灯通常指具有直径小于0.2m的出光口并形成一般不大于20°发散角的集中光束投光灯。由于聚光灯和类似灯具将光线集中于一点,如果距离易燃被照物体过近,很容易形成高温而引发火灾。 18.2.7 导轨灯是指灯具嵌入导轨,可在轨道上移动、变换位置和调节投光角度的,以实现对目标重点照明的灯具。为避免灯具数量过多,载流量和载荷超过导轨额定载流量和载荷,减少使用寿命,故作本条规定。 18.2.8 露天安装的灯具及其附件、导管、接线盒等由于日晒雨淋,容易锈蚀,缩短使用寿命和影响观感,所以应采取一定的保护措施或采用热镀锌、喷塑、不锈钢等制品。 18.2.9 安装于槽盒底部的荧光灯具,是指在商场、生产车间、地下室等大空间安装的,导线敷设在槽盒内,利用槽盒底部固定的灯具。这类灯具除安装时应固定牢固、接地可靠外,还应注意不在槽盒内做绝缘导线接头。 18.2.10 为了节约用电,庭院灯和建筑物附属路灯通常是根据自然光的亮度自动启闭的,所以要进行调试,不像以前只要装好后,用人工开断试亮即可。
19 专用灯具安装 19.1 主控项目
19.1.1 本条与本规范第18.1.5条的条文说明一致。 19.1.2 手术台无影灯重量较大,且在使用过程中需要经常调节转动,所以其固定和防松是安装的关键。固定装置安装完毕后,应根据要求全数做载荷强度试验,由于无影灯使用的特殊性,固定装置除正常的垂直受力外,使用时尚存在不均匀的受力情况,故尚应符合产品技术文件的要求进行试验,以确保安全。 19.1.3 本条是对应急灯具安装的特殊要求,应急灯具包括火灾或空袭发生时的消防应急灯具和市电供电中断或建筑物内突发停电时的应急灯具,当发生上述应急情况时,为使建筑物的某些关键位置的照明器具仍能持续工作,并有效指示人群安全撤离,所以作出规定。需要明确的是,条文中注明消防灯具的是消防应急灯具安装的特殊要求,其余各条针对所有应急安装灯具,所述各项规定虽然是由设计按有关规范作出明确要求的,但均为实际施工中应认真执行的条款,有的还需施工结束后给予试验和检测,以确认是否达到预期的功能要求。 19.1.4 霓虹灯为高压气体放电装饰用灯具,通常安装在临街商店的正面,人行道的正上方,要特别注意安装牢固可靠,防止高电压泄漏和气体放电使灯管破碎下落而伤人,同样也要防止风力破坏下落伤人和触电事故。 19.1.5 高压钠灯、金属卤化物灯光效高、寿命长,适用于车间、道路等大面积照明的场所,但需注意镇流器应与灯管(泡)匹配使用,否则会影响灯管(泡)寿命或启动困难。由于灯管(泡)燃点时,温度较高,电源线应远离灯具表面,检修应在切断电源、待灯泡冷却后进行。 19.1.6 本条是在原规范强制性条文的基础上进行了局部修改。随着城市美化,建筑物立面反射灯应用众多,有的由于位置关系,灯具安装在人员来往密集的场所或易被人接触的位置,因而要有严格的防灼伤和防触电的措施。当选用镀锌金属构架及镀锌金属保护管与保护导体连接时,应采用螺栓连接。 19.1.7 随着高层建筑物和高耸构筑物的增多,航空障碍标志灯的安装也深为人们关心,虽然其位置选型由设计确定,但施工中应掌握的原则还是要纳入本规范,以防止误装、误用,由于其装在建筑物或构筑物外侧高处,对维护和更换光源不便也不安全,所以要有专门措施,而这种措施要由建筑设计来提供,如预留悬梯的挂件或可活动的专用平台等,这些在图纸会审时要加以注意。 19.1.8 太阳能灯具是一种采用新型能源的灯具,目前多用于道路照明灯、庭院灯等,灯具须承受风压和防雨水入侵,因此应安装牢固,做好防水密封。 19.1.9 由于安装场所的洁净要求,密封性是洁净灯具安装的关键,故灯具的安装不应破坏洁净室密封性。灯具安装结束后应清除灯具表面的灰尘。 19.1.10 采用何种安全防护措施由设计确定,但施工时要依据已确定防护措施按本规范规定执行。
19 专用灯具安装 19.1 主控项目
19.1.1 本条与本规范第18.1.5条的条文说明一致。 19.1.2 手术台无影灯重量较大,且在使用过程中需要经常调节转动,所以其固定和防松是安装的关键。固定装置安装完毕后,应根据要求全数做载荷强度试验,由于无影灯使用的特殊性,固定装置除正常的垂直受力外,使用时尚存在不均匀的受力情况,故尚应符合产品技术文件的要求进行试验,以确保安全。 19.1.3 本条是对应急灯具安装的特殊要求,应急灯具包括火灾或空袭发生时的消防应急灯具和市电供电中断或建筑物内突发停电时的应急灯具,当发生上述应急情况时,为使建筑物的某些关键位置的照明器具仍能持续工作,并有效指示人群安全撤离,所以作出规定。需要明确的是,条文中注明消防灯具的是消防应急灯具安装的特殊要求,其余各条针对所有应急安装灯具,所述各项规定虽然是由设计按有关规范作出明确要求的,但均为实际施工中应认真执行的条款,有的还需施工结束后给予试验和检测,以确认是否达到预期的功能要求。 19.1.4 霓虹灯为高压气体放电装饰用灯具,通常安装在临街商店的正面,人行道的正上方,要特别注意安装牢固可靠,防止高电压泄漏和气体放电使灯管破碎下落而伤人,同样也要防止风力破坏下落伤人和触电事故。 19.1.5 高压钠灯、金属卤化物灯光效高、寿命长,适用于车间、道路等大面积照明的场所,但需注意镇流器应与灯管(泡)匹配使用,否则会影响灯管(泡)寿命或启动困难。由于灯管(泡)燃点时,温度较高,电源线应远离灯具表面,检修应在切断电源、待灯泡冷却后进行。 19.1.6 本条是在原规范强制性条文的基础上进行了局部修改。随着城市美化,建筑物立面反射灯应用众多,有的由于位置关系,灯具安装在人员来往密集的场所或易被人接触的位置,因而要有严格的防灼伤和防触电的措施。当选用镀锌金属构架及镀锌金属保护管与保护导体连接时,应采用螺栓连接。 19.1.7 随着高层建筑物和高耸构筑物的增多,航空障碍标志灯的安装也深为人们关心,虽然其位置选型由设计确定,但施工中应掌握的原则还是要纳入本规范,以防止误装、误用,由于其装在建筑物或构筑物外侧高处,对维护和更换光源不便也不安全,所以要有专门措施,而这种措施要由建筑设计来提供,如预留悬梯的挂件或可活动的专用平台等,这些在图纸会审时要加以注意。 19.1.8 太阳能灯具是一种采用新型能源的灯具,目前多用于道路照明灯、庭院灯等,灯具须承受风压和防雨水入侵,因此应安装牢固,做好防水密封。 19.1.9 由于安装场所的洁净要求,密封性是洁净灯具安装的关键,故灯具的安装不应破坏洁净室密封性。灯具安装结束后应清除灯具表面的灰尘。 19.1.10 采用何种安全防护措施由设计确定,但施工时要依据已确定防护措施按本规范规定执行。
19.2 一般项目
19.2.1 手术室应是无菌洁净场所,不能积尘,要便于清扫消毒,保持无影灯安装密闭表面整洁不只是给病人一个宁静安谧的观感,更主要是医疗工作的需要。 19.2.2 为防止应急电源或镇流器与灯具分离安装绝缘导线连接中发生质量通病,故作出本条规定。 19.2.3 霓虹灯变压器是升压变压器,输出电压高,要注意变压器本体安全保护,又不应危及人身安全。室外安装时距离晒台、窗口、架空线的距离与现行国家标准《霓虹灯安装规范》GB 19653一致。如商店橱窗内装有霓虹灯,当有人进入橱窗进行商品布置或维修灯具时,应将橱窗门打开,直至人员退出橱窗门才关闭,这样可避免高电压危及人的安全。 19.2.4 灯具的安装高度、位置、额定电压应符合设计要求和产品技术文件。金属卤化物灯的结构有水平点燃、灯头在上的垂直点燃和灯头在下的垂直点燃,安装时应注意检查光源朝向。 19.2.6 航空障碍标志灯安装位置高,检修不方便,要在安装前调试,符合要求后就位,可最大限度地减少危险的高空作业。 19.2.7 太阳能灯具电池组件的朝向和仰角应满足最大照射面积和照射时间,使受光时间最长,太阳能电池板上方不应有其他直射光源,以免使灯具控制系统误识别导致误操作。
20 开关、插座、风扇安装 20.1 主控项目
20.1.1 同一场所装有交流和直流的电源插座,或不同电压等级的插座,显然为不同需要的用电设备而设置的,用电时不能插错,否则会导致设备损坏或危及人身安全,这是常识,但必须在措施上作出保证。 20.1.2 接插于不间断电源和应急电源的电气设备,对供电可靠性有较高要求,不间断电源又要求连续供电,为便于使用人员识别,故作本条规定。 20.1.3 本条在原规范强制性条文的基础上补充了第4款。本条第3款规定“保护接地导体(PE)在插座之间不得串联连接”,是为了防止因PE在插座端子处断线后连接,导致PE虚接或中断,而使故障点之后的插座失去PE。建议使用符合现行国家标准《家用和类似用途低压电路用的连接器件》GB 13140标准要求的连接装置,从回路总PE上引出的导线,单独连接在插座PE端子上。这样即使该端子处出现虚接故障,也不会引起其他插座失去PE保护。“串联”与“不串联”的做法见图2。本条第4款规定“相线与中性导体(N)不应利用插座本体的接线端子转接供电”,即要求不应通过插座本体的接线端子并接线路,以防止插座使用过程中,由于插头的频繁操作造成接线端子松动而引发安全事故。其施工做法可参见图2(b)PE不串联连接的做法。对插座的接线要求是与原规范一致的,但本条第1款在执行中经常会由于插座安装方向的不同引起争议,插座的接线是按图3所示的安装方向时提出的要求。

图2 PE线在插座端子处“串联”与“不串联”连接的做法 1-PE绝缘导线;2-PE插孔;3-导线连接器

图3 面对插座接线 1-零线;2-相线;3-PE线
20.1.4 照明开关是人们每日接触最频繁的电气器具,为方便使用,要求通断位置一致,也可以给维修人员提供安全操作的保障,也就是说,如位置紊乱、不切断相线,易给维修人员造成认知上的错觉,检修时易造成触电事故。紫外线灯是利用紫外线来实现杀菌消毒功能,它放射的紫外线能量较大,如果没有防护措施,极易对人体造成伤害。因此紫外线灯控制开关的安装应严格符合本条的规定。 20.1.6 吊扇为转动的电气器具,运转时有轻微的振动,为了防止安装器件松动而发生坠落,故其减振防松措施要齐全。本条规定的主旨是确保使用安全。 20.1.7 由于城乡住宅高度所限,吊扇使用屡有事故发生,壁扇应用较多,固定可靠和转动部分防护措施完善及运转正常是鉴别壁扇制造和安装质量的要点。
20 开关、插座、风扇安装 20.1 主控项目
20.1.1 同一场所装有交流和直流的电源插座,或不同电压等级的插座,显然为不同需要的用电设备而设置的,用电时不能插错,否则会导致设备损坏或危及人身安全,这是常识,但必须在措施上作出保证。 20.1.2 接插于不间断电源和应急电源的电气设备,对供电可靠性有较高要求,不间断电源又要求连续供电,为便于使用人员识别,故作本条规定。 20.1.3 本条在原规范强制性条文的基础上补充了第4款。本条第3款规定“保护接地导体(PE)在插座之间不得串联连接”,是为了防止因PE在插座端子处断线后连接,导致PE虚接或中断,而使故障点之后的插座失去PE。建议使用符合现行国家标准《家用和类似用途低压电路用的连接器件》GB 13140标准要求的连接装置,从回路总PE上引出的导线,单独连接在插座PE端子上。这样即使该端子处出现虚接故障,也不会引起其他插座失去PE保护。“串联”与“不串联”的做法见图2。本条第4款规定“相线与中性导体(N)不应利用插座本体的接线端子转接供电”,即要求不应通过插座本体的接线端子并接线路,以防止插座使用过程中,由于插头的频繁操作造成接线端子松动而引发安全事故。其施工做法可参见图2(b)PE不串联连接的做法。对插座的接线要求是与原规范一致的,但本条第1款在执行中经常会由于插座安装方向的不同引起争议,插座的接线是按图3所示的安装方向时提出的要求。

图2 PE线在插座端子处“串联”与“不串联”连接的做法 1-PE绝缘导线;2-PE插孔;3-导线连接器

图3 面对插座接线 1-零线;2-相线;3-PE线
20.1.4 照明开关是人们每日接触最频繁的电气器具,为方便使用,要求通断位置一致,也可以给维修人员提供安全操作的保障,也就是说,如位置紊乱、不切断相线,易给维修人员造成认知上的错觉,检修时易造成触电事故。紫外线灯是利用紫外线来实现杀菌消毒功能,它放射的紫外线能量较大,如果没有防护措施,极易对人体造成伤害。因此紫外线灯控制开关的安装应严格符合本条的规定。 20.1.6 吊扇为转动的电气器具,运转时有轻微的振动,为了防止安装器件松动而发生坠落,故其减振防松措施要齐全。本条规定的主旨是确保使用安全。 20.1.7 由于城乡住宅高度所限,吊扇使用屡有事故发生,壁扇应用较多,固定可靠和转动部分防护措施完善及运转正常是鉴别壁扇制造和安装质量的要点。
20.2 一般项目
20.2.1 本条规定一方面是为了美观,但同时也为了安全,随着建筑工程装饰装修材料品种的繁多,装饰装修材料除采用石材或金属材质以外,采用软质材料、木质材料及其他饰面材料已较为普遍,电气开关在开关动作和插头插入或拔出插座及接线松动均可能产生电火花,易发生安全事故。开关、插座安装前可采取盒、箱预埋到位的安装措施,以确保有软包装修场所的电气防火和用电安全。 20.2.2 插座的安装高度应以符合设计要求,方便使用为原则。同一室内相同规格并列安装的插座高度一致是为了观感舒适的要求。 20.2.3、20.2.4 这两条是为了便于使用、美观而作出的规定,照明开关也包括调光器。 20.2.5 本条是为了方便使用、注意观感而作出的规定。 20.2.6 规定高度是不影响人们的日常行动,避免不慎伤及人的头部。其余为观感要求。 20.2.7 无专人管理场所的换气扇设置定时开关,是为了避免换气扇长时间运转而烧毁。
21 建筑物照明通电试运行
21.1 主控项目
21.1.1 照明工程包括线路、开关、插座和灯具安装,施工结束后,要做通电试验,以检验施工质量和设计的预期功能,符合要求方能认为合格。 21.1.2 公共建筑的照明工程负荷大、灯具众多,且本身要求可靠性严,所以要做连续负荷试验,以检查整个照明工程的发热稳定性和安全性,同时也可暴露一些灯具和光源的质量问题,以便于更换。若有照明照度自动控制系统,则试灯时可检测照度随着开启回路多少而变化的规律,给照明自动控制系统软件设计提供依据或检验其设计的符合性。住宅建筑也要通电试运行以检查线路和灯具的可靠性和安全性,但由于容量比公用建筑要小,故而通电时间要求不高。运行参数包括运行电流、运行电压和运行温度等。 21.1.3 进行照度检测,应重点对公共建筑和建筑的公共部分的照明进行检测。考虑到部分住宅项目中住户的个性化使用情况偏差较大,一般不建议对住宅内的测试结果作为判断的依据。照度测试要求在无外界光源的情况下进行,一般可以在夜间或在白天测试区域有遮挡的情况下进行。照度检测需在光源燃点一定时间后进行。不同的场所,照度的标准不一样,为保证照度测试的准确性,应根据不同的场所,选用与照度测试要求相适应的照度计。
22 接地装置安装
22.1 主控项目
22.1.1 由于人工接地装置、利用建筑物基础钢筋的接地装置或两者联合的接地装置,其接地电阻值均会随着时间的推移、地下水位的变化、土壤导电率的变化而变化,故要对接地电阻值进行检测监视,在每幢有接地装置的建筑物要设置检测点,通常不少于2个。施工中不可遗漏。 22.1.2 在建筑工程中可能有多个场所对接地电阻值提出要求,如变电所、电子信息系统机房、消防控制室等。另外,建筑物防雷工程也会对接地电阻值提出要求,因此在接地电阻测试时,应根据具体情况在相应的场所或部位分别进行测试,且应满足不同的接地电阻值要求。 22.1.3 接地装置采用的材料规格、型号由设计确定,本条强调在施工中应符合相关设计文件的要求。 22.1.4 本条规定了采用降阻剂、采用人工换土或将人工接地体外延、采用接地模块时的施工技术要求。施工时,除按设计要求和本条规定执行外,还应按降阻剂、接地模块供货商提供的有关技术文件要求执行。
22.2 一般项目
22.2.3 本条是对热剂焊(放热焊接)工艺的熔焊接头工艺提出的要求。铜与铜或铜与钢材采用热剂焊(放热焊接)时,被连接的导体应完全包在熔接接头内,并应保证连接牢固、连接部位的金属完全熔化。
23 变配电室及电气竖井内接地干线敷设
23.1 主控项目
23.1.1 变配电室及电气竖井内接地干线是沿墙或沿电气竖井内明敷的接地导体,用于变配电室设备维修和做预防性试验时的接地预留,以及电气竖井内设备的接地。为保证接地系统可靠和电气设备的安全运行,其连接应可靠,连接应采用熔焊连接或螺栓搭接连接,熔焊焊缝应饱满、焊缝无咬肉,螺栓连接应紧固,锁紧装置齐全。 23.1.2 本条是针对目前建筑市场存在的材料规格不符合而特别强调的要求,接地干线的截面积偏小或材质不符合都将无法保证用电安全。
23.2 一般项目
23.2.1 本条规定了接地干线连接的技术要求。 23.2.2 明敷室内接地干线的支持件间距均匀是观感的需要,规定间距的数值是考虑受力和可靠,使线路能顺直;要注意同一条线路的间距均匀一致,可以在给定的数值范围选取一个定值。 23.2.3 保护管的作用是避免接地干线受到意外冲击而损坏或脱落,钢保护管要与接地干线做电气连通,可使漏电电流以最小阻抗向接地装置泄放,不连通的钢管则如一个短路环一样,套在接地干线外部,互抗存在,漏电电流受阻,接地干线电压升高,起不到保护作用。 23.2.5 接地干线焊接连接部位容易受腐蚀,如采用热镀锌扁钢,焊接时会破坏镀锌层,因此焊接接头部位应做防腐处理。 23.2.6 什么场所需要安装明敷接地干线是由设计决定的,当设计要求设置接地干线时,沿建筑物墙面水平敷设的距地高度应有规定。
24 防雷引下线及接闪器安装
24.1 主控项目
24.1.1 在现行国家标准《建筑物防雷设计规范》GB 50057中对引下线的布置、规格及数量等均有相关规定,在设计图中也有明确要求,本条主要是强调施工应符合相关设计文件的要求。 24.1.3 接闪器与防雷引下线、防雷引下线与接地装置的连接点(处)数量由设计确定。本条规定主要是强调接闪器与防雷引下线及防雷引下线与接地装置连接点(处)的连接要求,以确保相互连接的可靠性。 24.1.4 在现行国家标准《建筑物防雷设计规范》GB 50057中,已明确规定可利用建筑物金属屋面或屋面上永久性金属物作接闪器。但对金属物的材质、厚度、截面及连接方式都有明确规定,因此施工中应进行检查,以确保符合设计要求。
24.2 一般项目
24.2.1 防雷引下线的敷设方式由设计选定,如埋入抹灰层内引下则应分段卡牢固定,且紧贴砌体表面,不能有过大的起伏,否则会影响抹灰施工,也不能保证应有的抹灰层厚度。防雷引下线允许焊接连接和专用支架固定,但焊接处要刷油漆防腐,如用专用卡具连接或固定,不破坏锌保护层。 24.2.3 在现行国家标准《建筑物防雷设计规范》GB 50057中对接闪器的布置、规格及数量等均有相关规定,本条主要是强调在施工中应符合相关设计文件的要求。 24.2.5 本条是为使接闪线或接闪带顺直、固定可靠,不因受外力作用而发生脱落现象而作出的规定。支架的垂直受力值可用拉力称进行测量。
25 建筑物等电位联结
25.1 主控项目
25.1.1 建筑物等电位联结的范围、形式、方法、部位及联结导体的材料和截面积等是由设计根据建筑物的功能、使用环境等来决定的,有星形结构(S型)和网络结构(M型),且设计图中都有明确要求,本条主要是强调必须按设计施工。
25.2 一般项目
25.2.1 在高档装修的卫生间内,各种金属部件外观华丽,应在内侧设置专用的等电位联结点与暗敷的等电位联结支线连通,这样就不会因乱接而影响观感质量。 25.2.2 等电位联结导体的连接方式有焊接连接和螺栓连接两类。焊接连接一般用于永久性连接,螺栓连接一般用于时常需要检查维修的场合,对地下暗敷的等电位联结导体平时是不需要维护和检修的,属永久性连接。而且设计上等电位联结导体一般选用的是铜排或镀锌扁钢,铜排或扁钢采用螺栓压接时,对压接面的平整度要求相对较高,地下暗敷采用压接连接接触面可能会受影响且连接状况发生变化时不易被及时发现,故提出本条要求。
私信“0902”可获取WORD版*载下**链接!