【超级实用的镜子固定方式,必须要掌握!】(原创:新筑课堂)

生活中镜子的用途越来越广泛,可用来做墙面、天花板,加工强化后甚至可以做地板,对于空间局促的地方,用镜子可以增大空间感,是室内装饰设计中一种不可多得的材料!
但是镜子到底该怎样安装?今天就专门分析一下镜子的安装固定,主要解决以下问题:
- 镜子的固定方式
- 常见质量通病

01.镜子的固定方式
1、钉固法
用螺钉把装饰玻璃镜固定在墙面(或柱面、顶面)基层上。此方法是借助镜子孔内的螺栓来承受镜子的重量,是一种相对安全可靠的镜子固定方式;
适用于大部分镜子安装,但是对于超大规格的镜子,螺钉的数目、安全距离、以及镜子的厚度都要考虑。

优点:安全
缺点:不美观

A钉固法节点
钉固法是机械固定,安全可靠,本图适合钢筋混凝土墙,如为轻质隔墙,竖向钢龙 骨应与结构楼板(梁)顶、底及混凝土圈梁固定,钢骨架需要做防锈处理。


B新型钉固方法—慧鱼背栓
玻璃背栓产品特点


我们在安装固定镜子时可在镜子后面复合玻璃,然后再用慧鱼锚栓进行固定。
2、干粘法
采用胶粘剂把玻璃镜直接粘贴在墙面的基层上。这种方法适用于1㎡以内 的墙面镜的安装。
如果镜面尺寸较大,或者是顶棚安装的镜子,最好能采用粘贴和钉固相结合的方法,以确保镜子破坏时,不会下落伤人。

缺点:
- 需要制作大量基层,使用大量人工,现场施工的比例大;
- 木基层遇潮变形会影响玻璃的平整度;
- 用结构胶固定玻璃,玻璃上会出现胶痕;
- 基层做好后,若完成面移位,拆除就必须要进行破坏性的拆除,造成材 料浪费、安全风险及现场安全文明施工的破坏;
- 基层与面层安装不是一家单位,基层误差大,面层不好调节。对于安装出现的问题容易产生相互推卸责任等扯皮现象。
一整面镜子装饰墙,目前项目上常用的做法是将镜子直接用结构胶固定在阻燃板基层上。
A干粘玻璃墙面做法节点


两块玻璃应适当留缝,留有热胀冷缩空间
此方法只适用于釉面钢化玻璃,厚度不大于6mm,单块面积不大于1㎡的墙面,玻璃墙面不能用于消防通道。
B镜子吊顶做法节点
镜子装饰吊顶,目前项目上常用的做法是将镜子直接用结构胶固定在阻燃板基层上,还有的是用结构胶直接固定在挂件上。

考虑到安全性当采用此方法固定时注意:
- 采用质量合格结构胶;
- 为保证镜子和成品吊挂预埋件的粘结牢固建议在工厂复合;
- 胶粘面积需要经过计算。

3、嵌压法
嵌压法是采用不锈钢、铝合金或木线条做玻璃镜的边框,用钉固法先把边框与墙基层固定,再把玻璃镜镶嵌在边框内。这种方法适宜大面积玻璃镜的安装固定。

优点:安全
缺点:不美观、边框收口质量不能保证
嵌压法固定节点:

嵌压法固定实例
(1)嵌压法固定镜子的基层是通过膨胀螺栓固定在结构墙上的框架,如下图所示, 图中是采用膨胀螺栓将L型镀锌角码固定在结构墙上,然后在角码上固定金属框架。


图中采用的是加砌块墙,如果墙很高、玻璃很重,加砌块墙固定码件用什么很关键!
(2)图中横向框架采用铝型材。根据立面排版图,龙骨中心线与玻璃分隔线重合。铝型材横龙骨与镀锌钢管主龙骨采用自攻螺丝固定。


在踢脚板或横向玻璃压条等的凹槽放置玻璃,一层玻璃安装后安装横向玻璃压条,并在玻璃与横向压条连接处打胶。竖向玻璃留自然缝采用玻璃胶填充。


最上部一层玻璃安装后采用顶端收口压条固定,调整玻璃与顶端收口压条打胶。玻璃固定时不能紧密,因为玻璃热胀冷缩,容易压爆,要注意软连接。
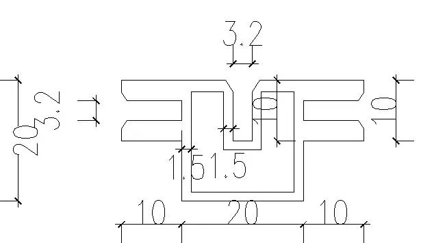
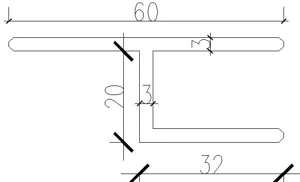
4、隐框固定方式
为了美观,参考隐框幕墙玻璃的安装方式来安装镜子同样满足安全、安装 方便、结构简单、灵活使用等特点。因此需要以下这些隐框配件。

通过开模制作的铝型材立柱:型材两边卡槽厚度3mm,有三个宽度3.2mm深度10mm的卡槽,槽边口全部1mm倒边处理。

通过开模制作的铝型材卡键:厚度3mm, 呈h状。型材边1mm倒边处理。与隐框有很好的插接吻合度,可根据安装方式与丝杆灵活固定。
卡件可以根据需要与隐框有多种固定方法:

H卡件△

L卡件△
(1)两块玻璃接缝处的安装固定:

两块玻璃接缝处:卡件分别插入两块玻璃的隐框,卡件长度为6cm,两端分别插进卡槽8mm,每个卡槽空2mm调节,以此得出隐框外边距离玻璃外边22mm。
(2)阳角玻璃的安装固定:

阳角的固定可以利用卡件固定在横向隐框上,通过调节螺丝松紧进行调整。
注:阳角倒边处隐框要从45°倒 边的里边,偏移22mm。
(3)阴角玻璃的安装固定:

阴角的固定卡件垂直插进竖向隐 框,可以在横框上面加卡件松紧 螺丝进行调节。两块玻璃接触处同样注意留缝,或进行软连接。
安装示意图:
安装从一端开始向另一端,过程中通过对丝杆螺丝的调节控制平整度。

(4)隐框施工的技术要点
- 隐框与玻璃之间及卡件与隐框之间是靠胶固定,胶的选择很关键,要选择优质结构胶,胶在使用前一定要检查其合格证、质检报告,合格后方可使用;
- 由于卡件与卡槽之间的调节缝隙很小,对于背框的玻璃及铝框的平整度要求非常高;
- 出墙支撑卡件的吊筋不能弯曲。
(5)成品隐框玻璃
为了提高施工效率,减少现场施工,实现成品化,有些项目上参考幕墙 做法,使用已经加工好的成品隐框玻璃,在施工现场只需用螺栓固定到结构上即可。

成品隐框玻璃△

成品隐框玻璃现场固定△

成品隐框玻璃干挂节点图(竖剖图)△

成品隐框玻璃干挂节点图(横剖图)△
02.建筑装饰玻璃说明 《内装修-墙面装修》 13J502-1

1.建筑装饰玻璃
建筑装饰玻璃是以石英砂、纯碱、长石、石灰石等为主要原料,经熔融、成型、冷却、固化后得到的透明固体材料。
2.建筑装饰玻璃的分类
建筑装饰玻璃的名称、分类、特点、规格及适用范围,见表C-1.

表G-1建筑装饰玻璃的名称、分类、特点、规格及适用范围
3.建筑装饰玻璃的选用
内装修中建筑装饰玻璃的选用应根据装饰部位的不同、面积大小的不同,选择适合的玻璃种类、厚度,除满足设计要求外,还应满足国家标准《建筑玻璃应用技术规程》JGJ 113-2009 的相关规定。
4.建筑装饰玻璃的施工及验收
4.1干粘玻璃的施工做法
4.1.1 干粘玻璃的施工流程:墙面定位弹线→钻孔安装角钢固定件→固定竖向龙骨→固定横向龙骨→安装基层板→粘贴釉面钢化玻璃。
1)墙面定位弹线:按设计要求在墙面弹线,弹线清楚、位置准确;充分考虑墙面不同材料间关系和留孔位置合理定位。
2)钻孔安装角钢固定件:角钢固定件.上开有长圆孔,以便于施工时调节位置和允许使用情况下的热胀冷缩:在混凝土或砌块墙上钻孔,用膨胀螺栓固定角钢固定件。当需要在钢结构柱或梁上固定时,不能直接将角钢固定件与钢结构相连,以免破坏原钢结构防火保护层。应在需要位置另行焊接转接件再与角钢固定件连接,并应恢复焊接位置的防火保护层。
3) 固定竖向龙骨:角钢固定件和竖向钢龙骨采用焊接方式,两个角钢固定件的间距不大于1200mm;保证竖向龙骨垂直及装饰完成面平整。
4)固定横向龙骨:横向钢龙骨与竖向钢龙骨焊接,间距不大于1200mm,横向钢龙骨面与竖向钢龙骨平齐。
5) 安装基层板:在钢龙骨上铺12厚阻燃板,铺装完成后,按玻璃安装位置弹线,在玻璃底边位置安装L形金属条,以防玻璃下滑。
6)粘贴釉面玻璃:在基层板表面贴双面泡棉胶,把釉面玻璃按弹线位置粘贴到基层板上,用手抹压玻璃,使其与基面粘合紧密。安装完毕,应清洁玻璃面,必要时在玻璃面覆加保护层,以防损坏。
4.1.2安装质量应符合:玻璃应平整、牢固,不得有松动现象;玻璃拼缝接触应紧密、平整,接缝齐平;拼接玻璃的接缝应吻合,颜色、图案应符合设计要求;玻璃施工完成,表面应洁净、无污渍。
4.2点式玻璃施工做法
4.2.1施工准备:
1)建筑装饰玻璃的品种、规格、性能、图案和颜色应符合设计要求及国家标准《建筑玻璃应用技术规程》JGJ 113-2009的 规定。玻璃板材应使用安全玻璃(如钢化玻璃、夹层玻璃等)。
2) 金属材料:铝合金框、不锈钢板、型钢(角钢、槽钢等)及轻型薄壁槽钢、支撑吊架等金属材料和配套材料,应符合设计要求。
3) 其他材料:膨胀螺栓、玻璃支撑垫块、橡胶配件、金属配件、结构密封胶等其他材料。
4.2.2点式玻璃的施工流程
1)测量放线
2)支座和竖向钢龙骨的定位、安装与检测。
安装顺序:在钢龙骨与支座的安装过程中要掌握好施工顺序,安装必须按“先上后下,先竖后横”的原则进行。
横向支座的安装:待竖向龙骨安装调整到位后连接横向龙骨,横向支座在安装前应先按图纸给的长度尺寸加长1mm ~ 3mm呈自由状态,先,上后下按控制单元逐层安装,待全部安装结束后调整到位。
支座的定位调整:在支座安装过程中必须对龙骨的安装定位几何尺寸进行校核,横竖龙骨长度尺寸严格按图纸尺寸调整才能保证连接杆与玻璃平面的垂直度。调整以按单元控制点为基准对每一个支座的中心位置进行核准。确保每个支座的前端与玻璃平面保持一致,整个平面度的误差应控制在1mm ~ 3mm。
3)配重检测:由于点式玻璃的自重荷载和所受力的其他荷载都是通过支座结构传递给支座杆,必须对支座杆上进行配重检测。
4.2.3安装前的准备工作:
1)玻璃安装前应检查校对钢结构主支撑的垂直度、标高、横梁的高度和水平度等是否符合设计要求,特别要注意安装孔位的复查。
2)应先检查驳接爪的安装位置是否准确,确保无误后,方可安装玻璃。
4.2.4 现场安装玻璃时,应先将驳接头与玻璃在安装平台.上装配好,然后再与驳接爪进行安装。
4.2.5 现场组装后,应调整上下左右的位置,保证玻璃水平偏差在允许范围内。
4.2.6 玻璃全部调整好后,应进行整体立面平整度的检查,确认无误后,才能进行打胶。
4.2.7清洁:玻璃安装好之后,必须将玻璃表面和边框的胶迹、污痕等清洗干净。
4.3 玻璃砖隔墙
4.3.1常用玻璃砖尺寸,见表G-2。

4.3.2玻璃砖隔墙不适用于有高温熔炉的工业厂房及有强烈酸碱性介质的建筑物,不能用作防火墙。
4.3.3玻璃砖隔墙适用于建筑物的非承重墙体。内墙装饰用80厚或95厚玻璃砖,可用于抗震设防烈度7度及7度以下地区,当抗震设防烈度大于7度时,玻璃砖墙体的控制面积需经单独计算确定。
4.3.4玻璃砖隔墙的选用
1)室内玻璃砖隔墙基础的承载力应满足荷载的要求。
2)室内玻璃砖隔墙应建在用2 φ6或2φ8钢筋增强的混凝土基础之上,基础高度不得大于150mm或由设计具体确定。用80厚玻璃砖砌的隔墙,基础宽度不得小于100mm;用95厚玻璃砖砌的隔墙,基础宽度不得小于120m。
3) 在与建筑结构连接时,室内玻璃砖隔墙与金属型材框接触的部位应留有伸缩缝。
4)玻璃砖深入顶部金属型材框中的尺寸不得小于10mm,且不得大于25mm。玻璃砖与顶部金属型材框的覆面之间应设缓冲材料。
5)玻璃砖之间的接缝不得小于10mm,且不得 大于30mm。
6)固定金属型材框用膨胀螺栓直径不得小于8mm, 间距不得大于500mm,应根据具体工程验算确定。
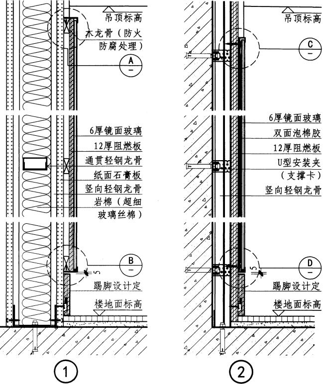
4.4镜面工程的施工做法
4.4.1镜面材料施工时基层处理要求:
1)将金属龙骨固定于墙体(实体墙或轻型墙体)上,金属龙骨的间距根据衬板规格和厚度而定。安装小块镜面多为单向,安装大块镜面可以双向,横竖金属龙骨要求横平竖直,以便于衬板和镜面的固定。钉好后要用长靠尺检查平整度。
2)采用木夹板作衬板时,用扁头圆钢钉与金属龙骨钉接,钉头要埋入板内。衬板要求表面无翘曲、起皮现象,表面平整、清洁,板与板之间缝隙应在竖向金属龙骨处。
4.4.2 各种材质的镜面板在施工前应贴保护膜,以防划伤镜面,镜面安装不宜现场在镜面板上打孔拧螺钉,以免引起镜面变形。
干粘玻璃墙面做法

注:
- 1.本图适用于钢筋混凝土墙。如为轻质隔墙时,则竖向钢龙骨应与结构楼板(梁)顶、底及混凝土圈梁固定,钢龙骨用料大小需经结构计算,所有钢骨架需做防锈处理。
- 2.干粘玻璃墙面做法仅适用于釉面钢化玻璃厚度不大于6mm,单块面积不大于1.0 m2的墙面。玻璃墙面不能用于消防通道。







点式玻璃墙面做法

注:
- 1.本图适用于钢筋混凝土墙。如为轻质隔墙时,则竖向钢龙骨应与结构楼板(梁)顶、底及混凝土圈梁固定,钢龙骨用料大小需经结构计算,所有钢骨架需做防锈处理。
- 2.玻璃墙面不能用于消防通道。





干挂玻璃墙面做法

注:
- 1.本图适用于钢筋混凝土墙。如为轻质隔墙时,则竖向钢龙骨应与结构楼板(梁)顶、底及混凝土圈梁固定,钢龙骨用料大小需经结构计算,所有钢骨架需做防锈处理。
- 2.玻璃墙面不能用于消防通道。





玻璃砖墙做法










注:预埋件、膨胀螺栓型号及数量应根据墙体的高度、厚度由结构计算确定。

注:预埋件、膨胀螺栓型号及数量应根据墙体的高度、厚度由结构计算确定。

注:预埋件、膨胀螺栓型号及数量应根据墙体的高度、厚度由结构计算确定。

注:预埋件、膨胀螺栓型号及数量应根据墙体的高度、厚度由结构计算确定。
镜面玻璃墙面做法

注:
- 1. 镜面材料的选用由设计确定,镜面高度一般为2000mm,最高为2500mm,超高时设计应考虑分块拼接。
- 2.金属压条一般为成品,可采用铝合金、不锈钢或铜等材料。
- 3.混凝土墙体采用膨胀螺栓固定龙骨,轻质隔墙采用自攻螺钉固定龙骨。


镜面玻璃收边做法






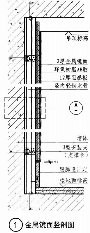
金属镜面墙面做法

注:金属镜面厚度不小于2mm,要根据规格大小,由设计定。

注:金属镜面厚度不小于2mm,要根据规格大小,由设计定。
03.常见的质量通病
在卫生间等潮湿空间安装镜子容易出现氧化、锈斑、涂膜破损等情况。

1、质量通病原因分析
(1)镜子背后涂膜质量的好坏
用尖锐的工具去破坏镜子背后的漆层:质量较差的镜子漆膜很容易被破坏,而质量较好的镜子涂膜只是有划痕。

漆膜质量较差的镜子△

漆膜质量较好的镜子△
(2)木质基层很容易吸潮,潮湿空气遇到涂膜受损的镜子,就会造成镜子涂层氧化;
(3)经过阻燃处理的木质基层含有化学成分或盐,破坏镜子涂层;
(4)镜子直接安装在新粉刷的灰泥、新垒砌的砖石、或新油漆的墙上,墙体及空气中含有溶剂、碱性物质或其他化学物质,损害镜子涂层;
(5)镜子在加工过程中破坏背后涂层:目前制镜工艺是先将整片玻璃镀银,然后再进行切割等加工操作。因为镀银边缘暴露在外,所以在加工过程中会 对涂膜层破坏,减弱金属银与玻璃之间的结合力,很容易导致镀银层氧化使镜片边缘变黑;
(6)镜子边缘本身未受到背面油漆的保护;
(7)粘结剂本身对镜子涂层有腐蚀性。
2、质量通病预防措施

(1)使用镜子专用的粘结剂;
(2)使用阻燃板做基层时,注意做好基层、镜子两面密封;
(3)砖石建筑(如混凝土或砖结构)的墙面应用底漆封闭好,以提供良好的粘结表面,并防止碱盐或水汽损害镜子;
(4)玻璃砖、釉面砖或玻璃表面必须清理干净并使之干燥;
(5)确保粘结剂本身对镜子涂层没有腐蚀性;
(6)确保镜子储存区干燥,有足够的通风空间,湿度高、暴露在化学气体之中、接近高温物体(如蒸汽管或热水管)会使镜子变色或边缘损伤;
(7)镜子应垂直存放,不能水平存放。

今天镜子的安装固定方式就分享到这里,有想法的小伙伴欢迎文末交流!