HUAWEI不愧是全球500强大企业,其严谨的工作流程也是大家所熟知的,特别是采购部的各种优质资料!
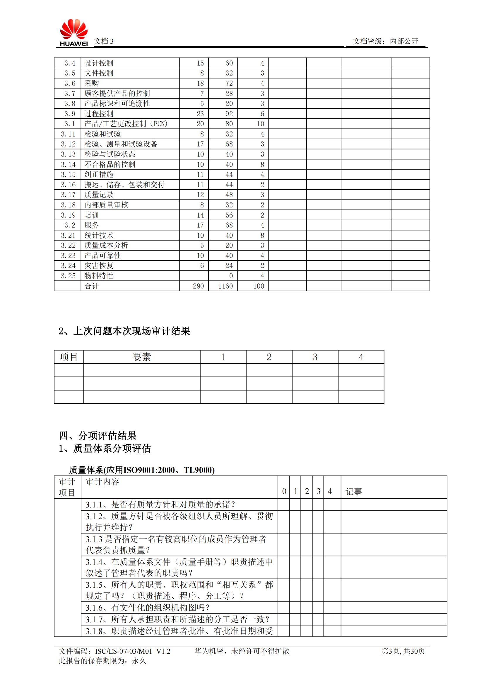
今天就向大家展示华为采购部的《华为供应商质量管理体系考察报告》资料,希望与大家一起学习,共同进步!











...........
篇幅有限华为供应商质量管理体系考察报告就不一一展现了

HUAWEI不愧是全球500强大企业,其严谨的工作流程也是大家所熟知的,特别是采购部的各种优质资料!
今天就向大家展示华为采购部的《华为供应商质量管理体系考察报告》资料,希望与大家一起学习,共同进步!











...........
篇幅有限华为供应商质量管理体系考察报告就不一一展现了
