
数控系统白诊断功能比较强,很多故障系统都能诊断出来并产生报警,在数控机床出现故障时要注意观察分析系统的报警信息,很多故障根据报警信息就能找到原因。下面是一些故障的维修实例。
例3-53一台数控外圆磨床出现报警"1001 BATTARY LOW"(电池电压低)
口数控系统:FANUC 0iTC系统。
口故障现象:这台机床开机就出现1001号报警,指示系统后备电池电压低。
口故障分析与检查:调用报警信息,如图3-89所示,报警信息为“1001 BATTARY LOW"(电池电压低),指示系统后备电池电压低。数控系统后备电池安装在系统的背面,如图3-90所示,将后备电池拆下(一定在系统通电的情况下进行此操作)进行检查,发现确实电池电压过低。
口故障处理:更换新的后备铿电池后,按系统“复位”按键,机床报警消除。


例3-54一台数控车床出现报警"926 FSSB ALARM" (FSSB总线报警)
口数控系统:FANUC OiTC系统。
口故障现象:这台在白动加工时突然系统死机并出现图3-91所示的报警,指示FSSB伺服总线报警。
口故障分析与检查:这台机床伺服系统采用FANUC ai系列交流数字伺服驱动装置,出现故障后对伺服系统进行检查,发现所有伺服模块上的数码显示器都没有显示。继续检查电气柜,发现空气开关QF3跳闸。根据机床工作原理,QF3控制伺服系统的AC200 V控制电源,这个开关跳闸后,伺服系统没有了AC200V控制电源,所以出现了伺服总线报警。
口故障处理:检查QF3没有问题,负载回路也没有问题,将QF3闭合后,再通电开机,机床恢复正常工作。

例3-55一台数控淬火机床出现报警"2100 NCK battery warning threshold reached"(NCK电池报警)
口数控系统:西门了840D系统。
口故障现象:这台机床早晨开机出现图3-92所示的2100号报警,指示NCK后备电池报警。

口故障处理:西门了840D系统NCU模块的后备电池安装在NCU BOX下方风扇电池模块C 6FC5247-OAA0I-OAA1)上,如图3-93所示将这个模块拆下(可以在系统带电时拔下,也可以在系统断电后拔下,但断电十分钟之内必须安装上,否则系统的NC和PLC数据将丢失)检查,发现电池电压只有2.4 V,说明后备电池电量不足。
口故障处理:更换新的后备铿电池,故障排除,系统正常工作。

例3-56一台数控内圆磨床Z轴飞车并产生报警"1121 Z Clamping monitoring" ( Z轴夹紧监控)
口数控系统:西门子810G系统。
口故障现象:这台机床一按下“+z”按键,z轴就以极快的速度运动,直到撞到工件的上料机构,不能再运动为止,因此产生图3-94所示的1121号报警(报警信息中的ORD 6指示为第六次报警)。
口故障分析与检查:这是一起破坏性故障,为了观察故障现象并且保证不能再发生碰撞事故,首先检查机床Z轴的正向限位开关,发现已经串位,没有起到行程保护作用,使Z轴吃车时直接撞到机械机构。
为保证Z轴正向运动不撞车,重新调整限位开关的位置,使其在行程范围内。因为Z轴吃车,故障原因可能是位置反馈系统出现了问题。用手轮移动Z轴,发现Z轴慢速运动,屏幕上的Z轴坐标值也发生变化,但变化到一定数值时,Z轴的坐标值就又变回初始值,并产生1121号报警。这更证明了是数控系统没有得到Z轴的位置反馈信号,从而产生1121号报警。
因为更换数控系统的测量模块比较容易,也不会引起其他问题,所以首先更换测量模块,但故障没有排除。检查编码器的连接插头,也没有发现问题。
最后认为编码器损坏的可能性比较大,将Z轴编码器从滚珠丝杠上拆下,手动转动编码器的轴,发现屏幕上Z轴的坐标值不发生变化,证明确实是编码器出现了问题。
口故障处理:更换图3-95所示的新编码器后,故障消除。重新调整Z轴的零点坐标,机床恢复正常工作。

例3-57一台数控球道磨床出现报警"1681 Y Servo enable trav. axis" ( Y轴伺服使能信号在移动中撤销)
口数控系统:西门子810G系统。
口故障现象:这台机床在启动加工程序时出现1681号报警(图3-96,报警信息中ORD5表示第五次1681号报警),指示Y轴伺服使能信号撤销。
口故障分析与检查:出现报警后查看系统NC的全部报警信息,如图3-97所示。观察到还有2065号报警,指示N50语句中的坐标数值超出软件限位。
出现故障时使用系统“ACTUAL BLOCK”功能查看加工程序的运行情况,如图3-98所示,执行到N40语句就出现报警了,N50语句含有Z轴和X轴运动的指令。因为2065号报警指示N50语句中位置超限位,肯定是Z轴或者X轴的行程超限位,与Y轴无关。
因为这个程序已正常使用很长时问,所以程序不可能出现问题,询问机床操作人员是否修改过磨削参数,操作人员介绍故障是更换磨削工件的品种(倒线)后出现,因此怀疑磨削参数设置有问题。
要求操作人员核对修改过的磨削参数,当检查零点补偿时,发现X轴零点补偿设定的数值为“-258.24",如图3-99所示,而实际应该为“-238.24"。
口故障处理:将X轴零点补偿改回“-238.24",这时机床加工程序正常执行,不再产生报警。

例3-58一台数控卧式淬火机床出现报警"1321 Z Control loop hardware" ( Z轴控制环硬件)
口数控系统:西门子810T系统。
口故障现象:这台机床有时一开电气柜门就出现图3-100所示的1321号报警(报警信息的ORD2指示第二次报警),指示Z轴控制环硬件出现问题。

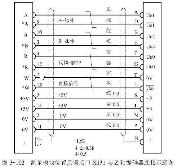
口故障分析与检查:这台机床的数控系统安装在电气柜门上,如图3-101所示,X轴编码器和Z轴编码器的反馈电缆连接到系统测量模块上。根据系统工作原理和维修经验,西门子810T系统1321号报警为Z轴编码器反馈回路出现问题,因为有时开电气柜门就出现1321号报警,说明Z轴编码器反馈电缆经拉动可能出现连接不良的问题,系统测量模块接口X131连接Z轴编码器,信号连接见图3-102,将Z轴编码器反馈电缆插头拆开检查,发现10号插头管脚上的导线虚焊,导致电缆一拉动就断开,从而产生1321号报警。
口故障处理:将Z轴编码器反馈电缆插头的10号管脚上的导线重新焊接后,系统故障消除。


例3-59一台数控立式铣床出现报警"1122 Clamping monitoring"(夹紧监控)
例3-60一台数控组合机床出现报警"8020 option activation of morn than 1 channel not set"(未设置选件的第二通道)
例3-61一台数控铿铣加工中心开机系统就出现报警"120201 Communication failure"(通信失败)
例3-62一台数控磨床系统出现报警"120201 Communication failure"(通信失败)
例3-63一台数控外圆磨床出现报警"120202 Wait for connect to NC/PLC"(等待连接NC/PLC)
例3-64一台数控车床出现报警"2038 CHANGE BATTERY"(更换电池)
例3-65一台数控车床出现报警"945 Serial spindle communication error"(串行主轴通讯错误)
大家想了解更多的维修案例,可以购买此书系统性的学习,
《图解数控机床维修从菜鸟到高手》
识别下图二维码,进入金粉商城购买吧

-End-
☞本文编辑:紫衣
☞投稿邮箱:tougao1950@126.com,稿件或线索一经采用,有奖励!
近期必读热文