学员描述:众泰T600 2.0T自动挡,2015款,故障码:U0167与immo失去通讯

故障现象:摁下一键启动,启动机啪嗒一下就没了,短接启动机继电器,启动机正常运转。无钥匙进入锁门都正常。

故障分析:先调取诊断仪所有故障码:

仪表系统ICU故障码:

无钥匙诊断(PEPS)

车身控制系统(BCM)

分析三个故障码都和PEPS无钥匙启动控制单元有关系,建议先检查控制单元供电和搭铁!

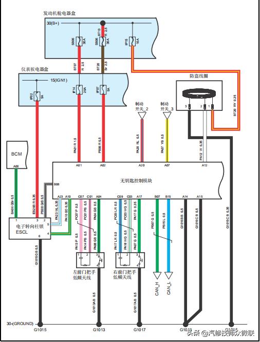
王老师也无语了,既要给学员解答问题,还得给学员找资料。维修电路问题,如果没有电路图,很浪费时间的。有同感的兄弟点个赞!


经检查供电没问题,打铁出现异常!让我很激动,问题这么快就找到了!

把钥匙门关闭,PEPS模块插头断开,按图索骥,万用表打到电阻档,测量搭铁线和车身电阻值146欧姆!

像这种室内的控制单元外打铁点一般就在模块附近,通过电路图查找确定G1016,副驾侧A住下面

经检查确实松动,打铁不实!终于松了一口气。

总结:当大家遇到很严重的故障现象(不着车),首先不要慌,把所有故障码都调出来,然后确定维修方向,检查线路首先要确定控制模块供电和搭铁。老铁们你们学会了吗?